Propongo, anche se in maniera non approfondita, alcune considerazioni, a mio avviso interessanti sul circuito dell' attenuatore a T shuntato. Tali considerazioni le ho elaborate basandomi sui miei appunti scolastici.
Un attenuator serve a regolare il segnale d'uscita al livello desiderato e può essere costituito da un semplice potenziometro, ma in questo caso in ogni posizione darebbe luogo ad una impedenza d' uscita diversa.
Con il circuito T shuntato si ottiene, invece, una attenuazione variabile pur mantenendo costante le resistenze di ingresso e di uscita.
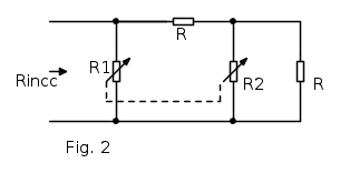
La seguente figura rappresenta il circuito dell' attenuatore a T shuntato:
Dalla figura si può dedurre che l' attenuatore è adattato quando:
Rs = Rin = Ro = Rl
Dallo studio dei quadripoli si ha che:
1)
Dove:
Rincc si ricava dal circuito di Fig. 1 cortocircuitando il carico Rl, ottenendo il seguente circuito:
da cui si ottiene:
Rino si ottiene dal circuito di fig. 1 aprendo il carico Rl ottenendo il seguente circuito:
da cui si ottiene:
A questo punto per ottenere la Rin dalla formula n°1, occorre eseguire il prodotto
ottenendo dopo vari passaggi la seguente:
Quindi per ottenere la Rin occorre eseguire la radice quadrata della funzione di cui sopra:
2)
La Rin rimane costante se R1eR2 vengono fatte variare simultaneamente, in modo da rispettare la seguente relazione:
3)
In questo modo risulta:
Rin = Ro = R
Alla conclusione, di cui sopra, si arriva sostituendo nella formula n°2 la n°3 cioè:
eseguendo la moltiplicazione al numeratore si ottiene:
andando a sostituire la seguente formula:
al numeratore
si ottiene:
Siccome Rin = R ed R non la variamo la Rin rimane sempre costante al variare di R1 ed R2.
Se chiamiamo K l' attenuazione, risulta:
Abbiamo:
e
Queste due formule servono in fase di progetto, conoscendo l' attenuazione che si vuole ottenere e il valore della R, per ricavare R1 ed R2.
Bibliografia
[1] Strumentazione e misure elettroniche. G. Costanzini, U. Guernelli Ed. Zanichelli.
[2] Miei appunti scolastici.

Elettrotecnica e non solo (admin)
Un gatto tra gli elettroni (IsidoroKZ)
Esperienza e simulazioni (g.schgor)
Moleskine di un idraulico (RenzoDF)
Il Blog di ElectroYou (webmaster)
Idee microcontrollate (TardoFreak)
PICcoli grandi PICMicro (Paolino)
Il blog elettrico di carloc (carloc)
DirtEYblooog (dirtydeeds)
Di tutto... un po' (jordan20)
AK47 (lillo)
Esperienze elettroniche (marco438)
Telecomunicazioni musicali (clavicordo)
Automazione ed Elettronica (gustavo)
Direttive per la sicurezza (ErnestoCappelletti)
EYnfo dall'Alaska (mir)
Apriamo il quadro! (attilio)
H7-25 (asdf)
Passione Elettrica (massimob)
Elettroni a spasso (guidob)
Bloguerra (guerra)


