Indice |
Premessa introduttiva
Il mio primo articolo su ElectroYou è una serie di paragrafi della mia tesi, tra i più importanti e riguarda il DFIG.
Oltre a fare un copia e incolla delle parti che ho deciso di inserire nell'articolo, l'ho resa meno analitica e più discorsiva, cercando di sottolineare i concetti della macchina che io ritengo più importanti.
Nella tesi prima di trattare il DFIG, vengono prima fornite delle nozioni base riguardanti la tradizionale macchina asincrona che qui non riporto, spero che l'articolo sia comunque il più comprensibile possibile e che possa tornare utile a qualcuno.
Credo di far bene a far notare che l'argomento della tesi riguarda lo sfruttamento della risorsa eolica con generatore asincrono a doppia alimentazione.
Ci tenevo a dare un contributo alla mole di informazioni che già contiene questo sito, anche in considerazione del fatto che in diverse occasioni mi ha dato un grande aiuto nello studio ( e non solo).
Ho scelto questo argomento perché ho notato che sul sito, tra le tante cose che si possono trovare, questa manca.
Inutile dire che le critiche costruttive sono ben accette.
Buona lettura!
Generatore asincrono a doppia alimentazione
Il generatore asincrono a doppia alimentazione, conosciuto anche con l’acronimo di DFIG (Doubly-Fed Induction Generator), è essenzialmente una macchina asincrona con rotore avvolto che viene allacciata alla rete sia con lo statore che con il rotore. Lo statore può essere connesso direttamente alla rete di alimentazione mentre il rotore necessita di un convertitore di frequenza per la connessione perché la frequenza delle correnti di fase rotoriche, è certamente diversa da quella di rete e pari a quella di scorrimento ( fr = s f ).
Principio di funzionamento
Un normale asincrono per poter erogare potenza elettrica deve funzionare necessariamente in corrispondenza di velocità poco più alte del sincronismo: tra il 100% e il 102%, praticamente per velocità del vento costanti, uno dei vantaggi principali che il DFIG introduce, è quello di ampliare notevolmente il range di velocità del vento con cui la macchina riesce a trasformare l’energia meccanica in elettrica. In linea di principio, per effettuare la regolazione di velocità in un normale motore asincrono, si può variare la resistenza rotorica: aumentando la resistenza degli avvolgimenti rotorici un’aliquota della potenza attiva che dallo statore va al rotore, viene dissipata dalle resistenze, riducendo quindi la potenza meccanica trasmessa all’asse, per cui la coppia motrice deve abbassarsi. Con questa tecnica però non si può certamente aumentare la velocità fino all’ ipersincronismo, in linea teorica si dovrebbero usare delle “resistenze negative”, che invece di dissipare energia, la eroghino e forniscano dunque alla macchina, la potenza attiva necessaria a portarla ad una velocità più alta del sincronismo.
Una volta raggiunto l’ipersincronismo, la macchina potrà erogare potenza attiva dallo statore, assorbendo un’aliquota dal movimento della turbina ed un'altra da quella assorbita dal rotore. È proprio questo lo scopo del convertitore che va ad alimentare il rotore, quando il vento da solo non ce la fa a superare il sincronismo, il convertitore fornisce la potenza necessaria, viceversa, quando il vento è troppo forte e tale da spingere il sistema a velocità troppo alte, il convertitore assorbe potenza dal rotore, alla stregua delle resistenze rotoriche fino a che la velocità del sistema non è ottimale, in questo modo si va ad erogare potenza in rete, non soltanto dallo statore, ma anche dal rotore. Per poter svolgere tale funzione il convertitore dovrà essere bidirezionale, cioè deve permettere il passaggio del flusso di potenza in entrambi i sensi.
Elementi principali
Gli elementi essenziali che caratterizzano il DFIG possono essere descritti con l’ausilio dello schema nella seguente figura:
Il vento fa girare le pale della turbina che mettono in rotazione il rotore della macchina asincrona grazie ad un sistema di trasmissione, con moltiplicatore di giri ad esempio. Lo statore è connesso direttamente alla rete che gli fornisce la potenza reattiva necessaria a sostenere il campo magnetico rotante, con una frequenza di alimentazione f; è dallo statore che il generatore eolico erogherà la potenza attiva principale alla rete.
Il rotore avvolto è elettricamente connesso ad un raddrizzatore a commutazione forzata lato macchina (Rotor Side Converter), grazie a degli anelli collettori sui quali scorrono le spazzole. Il R.S.C. ha lo scopo di assorbire una corrente quanto più possibile sinusoidale a frequenza di scorrimento fr e consente la regolazione del livello di tensione nel circuito in continua.
Tale linea in continua collega il R.S.C. ad un inverter a commutazione forzata, lato linea (Grid Side Converter) ed inoltre permette di governare a piacere il mutuo sfasamento tra tensione di rete e tensione di alimentazione degli avvolgimenti rotorici.
Il G.S.C. fornisce in uscita una tensione periodica di ampiezza e frequenza desiderati e con un basso contenuto armonico che viene comunque attenuato dal filtro induttivo interposto tra quest’ultimo e la linea.
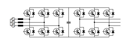
Il sistema costituito da questi due convertitori è un convertitore di frequenza comunemente chiamato back-to-back converter; esso è completamente reversibile, in quanto permette al flusso di potenza di fluire dagli avvolgimenti rotorici alla rete o viceversa. Nella figura seguente ne viene riportato un dettaglio, i dispositivi a semiconduttore, controllabili allo spegnimento, possono essere IGBT o BJT.
Possono essere adoperati anche altri tipi convertitori bidirezionali che riescano a collegare le due reti a frequenza diversa, come ad esempio dei cicloconvertitori, che però hanno notevoli limitazioni rispetto al precedente.
Un convertitore come quello presentato può essere posto anche in uscita ad un semplicissimo asincrono con rotore a gabbia, in modo tale da generare potenza elettrica ad una frequenza costante f prefissata, anche al variare aleatorio delle condizioni del vento e quindi della frequenza delle correnti lato macchina, realizzando la conversione dell’energia in maniera più semplice.
In questo caso però si hanno tre svantaggi fondamentali:
- elevato costo del convertitore che deve avere una potenza nominale pari a quella del generatore,
- necessità di prevedere appositi filtri in uscita per limitare le armoniche immesse in linea con i relativi costi,
- abbassamento del rendimento complessivo del sistema, in quanto il convertitore gioca un ruolo fondamentale.
Con il DFIG i tre svantaggi vengono quasi totalmente eliminati realizzando un rapporto spire statore-rotore tale da minimizzare le correnti rotoriche, senza alzare troppo la tensione. In questo modo la potenza cui dovrà essere dimensionato il convertitore, sarà certamente più bassa della potenza del generatore. Se si suppone infatti di avere una macchina asincrona con un fattore di riporto al primario con rotore bloccato pari a 0,4 ed uno scorrimento massimo pari al 30%, si ha che:
Ar = IrVr = 0,3IsVs = 0,3As
La potenza apparente per fase rotorica è 3,33 volte più piccola di quella statorica. In questo modo a parità di altre condizioni, si riducono i costi del convertitore statico, quindi quelli del filtro, in quanto le armoniche da esso prodotte saranno intrinsecamente più basse, inoltre il rendimento del convertitore avrà un peso minore sul rendimento complessivo del sistema.
Circuito equivalente
Il circuito equivalente è praticamente identico a quello di una generica macchina asincrona, con la differenza che in questo caso, gli avvolgimenti rotorici non sono in c.c., ma vengono alimentati da tensioni sinusoidali a frequenza di scorrimento ( in realtà tali tensioni non saranno mai perfettamente sinusoidali, ma deformate, in questa sede va più che bene ritenerle perfettamente sinusoidali). Di seguito si riporta il circuito equivalente di fase statorica di un DFIG, riportato al primario (allo statore).
Dove si è indicato con
- Vs: tensione di fase,
- Rs: resistenza di fase statorica,
- Rm: resistenza per tener conto delle perdite nel farro statoriche,
- Xrd e Xsd: reattanza di dispersione di fase rotorica e statorica,
- Rr: resistenza di fase rotorica,
- Xm: reattanza di magnetizzazione;
- Vr: tensione impressa alla fase rotorica,
- Rf(s) resistenza fittizia, variabile con lo scorrimento secondo la legge matematica:
gli apici indicano un riporto al primario delle relative grandezze.
Caratteristica meccanica
Un metodo efficace per ottenere le curve caratteristiche di un DFIG è quello di andare a fare delle simulazioni.
A differenza di un tradizionale asincrono, tali caratteristiche non dipendono solo dalla tensione statorica, ma anche dalle tensioni rotoriche impresse dal convertitore.
In un asincrono a velocità costante, scorrimento e velocità del rotore dipendono unicamente dalle caratteristiche del vento, in un DFIG al variare delle condizioni del vento si può variare la tensione di alimentazione rotorica, in modo da adattarsi e far funzionare la macchina da generatore in un range di velocità del vento molto più ampio.
In pratica grazie al controllo della tensione rotorica si riescono ad avere coppie negative anche in corrispondenza di scorrimenti positivi, quindi si fa funzionare la macchina da generatore sia per scorrimenti negativi (velocità in ipersincronismo) che per scorrimenti positivi (velocità in subsincronismo).
Variando opportunamente la componente Vd della tensione impressa (Vr) in fase con la f.e.m. indotta, ad esempio, si riesce grosso modo a traslare la caratteristica "tipica di una macchina asincrona tradizionale" rispetto all'asse verticale, come si può notare in figura (coppia in funzione dello scorrimento):
Mentre se si varia la componente in quadratura Vq della tensione impressa (Vr), quando Vd=0, non si varia la posizione del punto di nullo, ma si riesce ad aumentare la differenza tra coppia massima e coppia minima, quindi la pendenza del tratto stabile, come si vede in figura:
Flussi di potenza
Un normale asincrono collegato alla rete può funzionare da motore quando la velocità dell’albero è subsincrona, da generatore quando la velocità dell’albero è ipersincrona, in entrambi i casi per poter funzionare, la macchina asincrona dovrà assorbire una potenza reattiva necessaria a sostenere il campo magnetico al traferro; in un DFIG con una tensione rotorica applicata, queste caratteristiche peculiari di un tradizionale asincrono, possono essere cambiate. Come è stato visto nel paragrafo precedente, diverse simulazioni dimostrano che le caratteristiche coppia-scorrimento del DFIG possono essere traslate o espanse variando opportunamente la tensione impressa al rotore: un opportuno coordinamento tra le componenti reali ed immaginarie della tensione applicata comporta un miglioramento della macchina in termini di coppia, potenza attiva e reattiva. A titolo di esempio nella seguente figura vengono riportati i risultati di una simulazione.
Nel diagramma di sinistra si può osservare come andando ad abbassare il valore della componente in fase della tensione impressa, si riesca ad erogare potenza attiva anche in corrispondenza di velocità subsincrone (per s > 0). Nel diagramma di destra si osserva come andando ad aumentare la componente in quadratura della tensione impressa Vq, la potenza reattiva assorbita possa essere ridotta drasticamente. In teoria si potrebbe anche effettuare una regolazione della potenza reattiva ed erogare sia potenza attiva che reattiva con il DFIG, in pratica non è economicamente conveniente effettuare tale operazione con un generatore eolico in quanto bisognerebbe adoperare dei convertitori con potenze elevate e dunque costi elevati; in genere si tende ad ottenere fattori di potenza tendenti all’unità in prossimità delle condizioni nominali di funzionamento, per quanto riguarda lo statore. È importante osservare che sia per il funzionamento da generatore che da motore, il DFIG può mandare in rete un’aliquota di potenza attiva anche attraverso il rotore.
In conclusione, nel suo più generale schema di collegamento su due reti a differente frequenza, la macchina asincrona a doppia alimentazione può avere le diverse modalità di funzionamento che sono state classificate nella tabella seguente.
| Modalità di funzionamento | Potenza meccanica all’asse | Potenza elettrica statorica | Potenza elettrica rotorica |
|---|---|---|---|
| Generatore simultaneo a due frequenze | Assorbita | Erogata | Erogata |
| Motore a doppia alimentazione a frequenze diverse | Erogata | assorbita | assorbita |
| Motore convertitore | erogata | erogata | assorbita |
| Generatore convertitore | assorbita | assorbita | erogata |
| Generatore convertitore | assorbita | erogata | assorbita |
| Motore convertitore | erogata | assorbita | erogata |
Tra le varie modalità di funzionamento, quelle che caratterizzano l’applicazione del DFIG come generatore eolico, sono il generatore simultaneo a due frequenze ed il generatore convertitore ( che eroga potenza dallo statore ovviamente). Il caso di generatore simultaneo si ha quando la potenza meccanica trasmessa al rotore dalla girante eolica è sufficiente a portare in ipersincronismo la velocità del sistema, quindi viene generata potenza dallo statore, ma per far funzionare la macchina sempre in zona stabile, parte della potenza viene ceduta alla rete tramite gli avvolgimenti rotorici. Si può quindi osservare come in questo modo la macchina eroga alla rete una potenza superiore a quella nominale di statore per la quale la macchina è stata dimensionata. Il caso di generatore convertitore si verifica quando la velocità del sistema è inferiore al sincronismo, in questo caso infatti oltre ad assorbire potenza meccanica dall’asse, fornita dalla forza del vento, assorbe anche un’aliquota di potenza dal rotore, necessaria a compensare la differenza in termini di frequenza, tra velocità elettrica del campo rotante dello statore e quella del rotore. In questo modo si riesce ad erogare potenza elettrica dallo statore.
Biblografia
- Fondamenti di macchine elettriche(appunti dalle lezioni). V.C. Isastia – Praise Worthy Prize
- Nozioni complementari di Macchine ed Azionamenti Elettrici. E. Pagano, P. Tricoli – Liguori editore
- Modelling,simulation and analysis of Doubly Fed Induction Generator for wind turbines - Balasubramaniam Babypriya, Rajapalan A. - Journal of electrical engineering

Elettrotecnica e non solo (admin)
Un gatto tra gli elettroni (IsidoroKZ)
Esperienza e simulazioni (g.schgor)
Moleskine di un idraulico (RenzoDF)
Il Blog di ElectroYou (webmaster)
Idee microcontrollate (TardoFreak)
PICcoli grandi PICMicro (Paolino)
Il blog elettrico di carloc (carloc)
DirtEYblooog (dirtydeeds)
Di tutto... un po' (jordan20)
AK47 (lillo)
Esperienze elettroniche (marco438)
Telecomunicazioni musicali (clavicordo)
Automazione ed Elettronica (gustavo)
Direttive per la sicurezza (ErnestoCappelletti)
EYnfo dall'Alaska (mir)
Apriamo il quadro! (attilio)
H7-25 (asdf)
Passione Elettrica (massimob)
Elettroni a spasso (guidob)
Bloguerra (guerra)
