Indice |
Introduzione
Salve a tutti. Leggendo il forum e rispondendo a varie domande e dubbi, mi è saltato all'occhio che sugli Amplificatori Operazionali sembra esserci, detto senza filtri, una gran confusione generale :) Ho deciso quindi di raggruppare (integrandole) alcune delle mie risposte ad alcuni topic, nella speranza di aiutare chi si sta approcciando all'elettronica e trova, come è comune, una certa difficoltà nel passaggio dal mondo perfetto e ideale della teoria a quello ostico della realtà. Non parlo apposta di pratica, ma di realtà, perchè con pratica si intende la realizzazione effettiva di uno schema, mentre non è mia intenzione spiegare come saldare o parlare di basette millefori o breadboard, quanto affrontare il problema di come progettare un circuito ad operazionali che poi, una volta costruito, possa funzionare in modo stabile. Ora una piccola precisazione: questo articolo non vuole essere un trattato esaustivo sugli amplificatori operazionali ed il loro funzionamento, perchè la matematica richiesta per affrontare l'argomento in modo ingegneristico e non hobbistico lo renderebbe comprensibile a pochi. Lo scopo al contrario è proprio quello di rendere, per quanto possibile chiari concetti piuttosto complessi nel modo più discorsivo possibile.
Amplificatori operazionali ideali
Vediamo quindi prima, velocemente, la teoria di base degli Amplificatori Operazionali (d'ora in avanti, OPA) ideali:
Si rappresenta con il simbolo topologico in figura, ed ha le seguenti caratteristiche:
- Amplificazione infinita: la tensione differenziale esistente fra i terminali + e - viene riportata in uscita amplificata per
. L'uscita di un OPA ideale non reazionato avrà quindi 3 valori possibili: -
, 0, +
.
- Impedenza di ingresso infinita: i due terminali di ingresso di un OPA ideale non assorbono corrente né perturbano il circuito cui sono collegati in nessun modo.
- Impedenza d'uscita 0: all'uscita di un OPA ideale può essere connesso qualsiasi carico.
- Larghezza di banda infinita: l'OPA ideale amplifica
qualunque segnale di ingresso, senza limitazioni di frequenza (questa in realtà è una diretta conseguenza dell'amplificazione infinita, la riporto solo per completezza e chiarezza).
La prima di queste caratteristiche, è largamente sfruttata per realizzare topologie semplici che eseguono però funzioni complesse. Per comprendere come funzionino basta tenere presente questo: l'amplificazione è infinita, quindi se l'uscita si ricollega in qualche modo all'ingresso "-" (retroazione negativa), l'amplificatore sarà costretto a spostare l'uscita in modo da mantenere i due terminali di ingresso idealmente alla stessa tensione. Detta in soldoni (non me ne vogliano gli esperti di elettronica, fa schifo ne convengo ma di sicuro pensare così può aiutare un novizio): se il "+" viene spostato sopra il "-" da un segnale di ingresso, l'OPA sposterà l'uscita verso l'alto. Ma se l'uscita è riportata all'ingresso "-", non potrà spostarla sopra il livello che porta il"-" alla stessa tensione del "+". Da questo deriva la semplice constatazione (che ha valore di legge):
quando un amplificatore operazionale è utilizzato in retroazione negativa, lavora per mantenere i suoi terminali di ingresso alla stessa tensione.
Questo viene spesso indicato, in letteratura, come "corto circuito virtuale" o "massa virtuale". Il termine virtuale non va inteso con il suo moderno significato che normalmente lo associa alle parole realtà, vita e così via, ma piuttosto con la sua originale accezione di limitazione di un fatto. Così come si può dire: (fonte: Sabatini-Coletti) la sua libertà, dato lo stretto controllo a cui è sottoposto, è solo virtuale, si può anche pensare il corto circuito fra "+" e "-", dato che non trasporta corrente, è solo virtuale. Se mettete il "+" a massa e retroazionate negativamente l'amplificatore, il "-" verrà mantenuto a massa ma ciò non significa che vi sia una fuga di corrente dal "-" alla massa, da cui la parola "virtuale". Il significato è quindi chiaro: se l'operazionale (ideale) è retroazionato negativamente, nei calcoli di maglia si può considerare che i due terminali di ingresso siano sempre alla stessa tensione, perché non può essere altrimenti per la natura stessa dell'OPA.
Vediamo di applicare quanto detto alle 4 topologie più comuni:
- Buffer: il segnale di ingresso sposta il terminale "+", l'uscita è collegata al "-". Visto che "+" e "-" devono avere la stessa tensione, l'uscita è in pratica una replica dell'ingresso. Viste le caratteristiche di impedenza di ingresso infinita e impedenza d'uscita zero, questa topologia serve in tutte quelle occasioni in cui si voglia collegare un carico troppo basso a una sorgente di tensione non in grado di supportarlo.
Caratteristiche
- Impedenze:
- ingresso:
- uscita: 0
- ingresso:
- Guadagno in tensione: 1
- Amplificatore di transresistenza: il segnale di corrente tende ovviamente a spostare verso il basse il terminale "-", causando un incremento dell'uscita per compensarlo. Visto che "+" e "-" in condizioni stabili hanno la stessa tensione, è evidente che l'uscita Vout diventerà:
Caratteristiche
- Impedenze:
- ingresso:
- uscita: 0
- ingresso:
- Guadagno di transresistenza: Rt
- Amplificatore di tensione invertente: il terminale di ingresso "-" è collegato a partitore fra la Vout e il segnale di ingresso Vin, quindi con qualche semplice passaggio:
V − = V + = 0
Vout = Vin + (R1 + R2)Iin
Quindi, la tensione in ingresso viene amplificata del [b]rapporto fra le due resistenze[/b] e invertita. Ora, qual è la corrente che assorbe dal generatore di ingresso, o meglio qual è l'impedenza di carico che il generatore di ingresso vede? anche qui è semplice, visto che il terminale "-" è virtualmente a massa, il generatore di ingresso vede la resistenza R1 come carico.
Caratteristiche
- Impedenze:
- ingresso: R1
- uscita: 0
- Guadagno di tensione:
- Amplificatore non invertente: è esattamente la stessa cosa di prima, solo che ora l'ingresso è messo sul terminale "+", quindi semplicemente:
V − = V + = Vin
Vout = (R1 + R2)Iin
Caratteristiche
- Impedenze:
- ingresso:
- uscita: 0
- ingresso:
- Guadagno di tensione:
Esistono molte altre configurazioni di base che possono realizzare funzioni anche più complesse, quali l' amplificatore differenziale, l' integratore, l' integratore differenziale, il sommatore (e sottrattore) etc. etc, che possono tutte essere facilmente comprese tenendo a mente sempre l'unico punto fondamentale nella risoluzione delle topologie con OPA ideali, che è quello descritto sopra e poco felicemente chiamato corto circuito virtuale.
Amplificatori operazionali reali
L'amplificatore operazionale reale differisce dall'ideale per una serie di parametri che bisogna tenere in considerazione per non avere brutte sorprese. Personamente, quando devo progettare un condizionamento di segnali a operazionali, prima realizzo la topologia e poi da quella verifico quali sono le caratteristiche critiche dell'operazionale che mi serve, e ne cerco uno che le rispetti. Dopo di chè, normalmente mi accorgo che costa troppo e quindi cambio topologia in modo da rilassare le specifiche :). Vediamo quali sono i principali parametri da tenere presenti quanto si utilizzano componenti reali, con in mente lo scopo di rendere il lettore alla fine capace di comprendere il datasheet di un amplificatore e, quindi, di scegliere quello più adatto al suo caso.
Alimentazione
Ebbene sì, sembra una banalità, ma i componenti reali vanno alimentati e questo comporta una serie di attenzioni nella progettazione del circuito.
Effetto sull'uscita: per esempio, se alimentate l'OPA a +/- 15V e lo mettete in configurazione amplificatore non invertente con guadagno 100, applicando un'onda sinusoidale di 1V all'ingresso all'uscita otterrete, anzichè la sinusoide a 100V che potreste aspettarvi, una forma d'onda che passa da -15 a +15 sinusoidalmente ma poi si ferma bruscamente e resta piatta per buona parte del periodo. Questo, ovviamente, perchè l'amplificatore non può dare in uscita una tensione superiore a quella cui è alimentato. Inoltre, a seconda della tecnologia utilizzata nello stadio di uscita dell'OPA reale, l'amplificatore sarà più o meno in grado di avvicinarsi in uscita alla tensione di alimentazione, sia bassa che alta. Gli operazionali che riescono in questo, cioè che sono in grado di portare l'uscita molto vicina all'alimentazione (sia positiva che negativa), sono detti rail-to-rail in uscita (da binario a binario).
Effetto sugli ingressi: tenete presente che l'OPA reale è un insieme di transistor di un certo tipo collegati in un certo modo. Esistono varie configurazioni di ingresso degli OPA reali, e normalmente quale sia la tipologia di un particolare componete è scritto chiaramente nel datasheet, o è desumibile dallo schema equivalente che quasi (purtroppo solo quasi) tutti riportano. A seconda del tipo di topologia, cambia il comportamento dell'OPA quando la tensione in ingresso si avvicina ai binari (rail) dell'alimentazione:
Tipologia di ingressi
- Ingressi a transistor bipolari:
- Tipo NPN: i transistor bipolari NPN richiedono una tensione positiva sulla base per funzionare. Questa significa che un OPA con ingresso a bipolari NPN non sarà in grado di funzionare bene se anche solo uno degli ingressi è a tensione troppo vicina all'alimentazione negativa.
- Tipo PNP: vale il discorso inverso, questi OPA avranno difficoltà quando la tensione di ingresso si avvicina all'alimentazione positiva.
- Ingressi CMOS (Complementary MOS): qui il discorso è più complesso perchè le topologie circuitali adottate negli stadi differenziali di ingresso sono veramente molte. In generale, vale un discorso simile a quello dei bipolari, ovviamente parlando di NMOS al posto di NPN e di PMOS al posto di PNP, però esistono alcuni amplificatori CMOS che riescono (con particolari topologie che esulano dall'articolo) ad accettare tensioni in ingresso che si avvicinino o addirittura superino di un po' le alimentazioni. Questi OPA vengono detti rail-to-rail in ingresso.
Stadio di ingresso
Come già accennato, ci sono diverse possibili realizzazioni dello stadio di ingresso di un OPA reale, e influiscono in modo determinante sui parametri relativi, che si trovano specificati in tutti i datasheet:
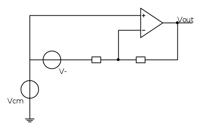
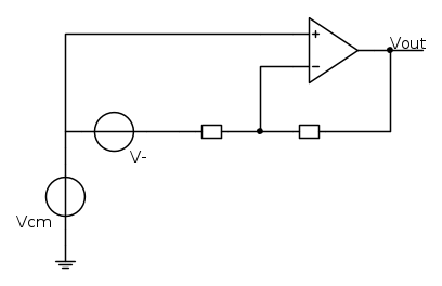
- Tensione di modo comune: per tensione di modo comune si intende il livello di continua cui è agganciato il segnale differenziale. Per un amplificatore operazionale ideale è ovviamente ininfluente, visto che amplifica per definizione solo la differenza fra i due terminali, ma per un OPA reale non lo è, perchè la tensione continua cui sono sottoposti gli ingressi fornisce la polarizzazione al circuito di ingresso.Nelle specifiche di ogni OPA reale si trovano i limiti di funzionamento di modo comune del componente relativamente alla tensione di alimentazione. Nel caso per esempio di un OPA in configurazione di amplificatore invertente:
La tensione "Vcm" è appunto la tensione di modo comune. Se l'OPA è rail-to-rail in ingresso, la Vcm potrà essere uguale anche a una delle due alimentazioni, altrimenti dovrà essere scelta in modo da mantenersi all'interno del range consentito per il componente scelto o il circuito non sarà in grado di polarizzare correttamente gli ingressi.
- Corrente di polarizzazione: gli operazionali reali hanno bisogno di una corrente di polarizzazione per gli ingressi. Tale corrente può essere entrante o uscente, "grande" o piccola a seconda di come è fatto lo stadio di ingresso. Uno stadio di ingresso a BJT avrà una corrente di bias in input relativamente "alta", anche dell'ordine delle centinaia di nano ampere. Un'opa con ingresso a MOS o a FET l'avrà ovviamente molto più bassa (normalmente la puoi considerare 0 in questi casi, anche se come sempre dipende dall'applicazione). Il verso della correte di bias dipende dalla polarità del circuito di ingresso: un'opa con ingresso a BJT PNP avrà bias uscente, un NPN entrante.
- Tensione di offset: un opa ideale, con ingressi cortocircuitati, vede segnale 0 e quindi porta l'uscita a 0. Nei reali non è così, visto che ci sono sempre differenze nei rami di ingresso. Va sempre tenuto presente e di volta in volta stabilito se può o meno influire sulla risposta. Soprattutto nei sistemi ad alta amplificazione, va tenuto presente che la tensione di offset viene riportata in uscita amplificata, e quindi può portare ad errori anche grossolani.
Parametri generali
- Open Loop Gain:(amplificazione ad anello aperto): un operazionale ideale ha un'amplificazione A infinita ad ogni frequenza. Un amplificatore reale ha un amplificazione che ovviamente non è infinita e soprattutto che decresce con la frequenza. Normalmente l'amplificazione di anello aperto si aggira intorno a 100db e decresce con un polo (20db/decade) a partire da circa 100Htz.
- GBP (Gain Bandwidth Product): quando un'operazionale viene usato reazionato come amplificatore di tensione, il prodotto fra guadagno e larghezza di banda è costante. Quando sulle specifiche si trova "7Mhz di banda", tale dicitura si riferisce alla banda nella configurazione a buffer, cioè con guadagno in tensione pari a 1. Qui bisogna fare un po' di attenzione però, perchè con guadagno non si intende il reale rapporto fra uscita e ingresso, ma quale sia la demoltiplicazione con la quale le variazioni di uscita raggiungono i terminali di ingresso, altresì detto guadagno di anello chiuso. La spiegazione di come si calcola richiede qualche conoscenza sulle trasformate ed esula dallo scopo di questo articolo, vi basti sapere che è, per tutte le configurazioni in cui l'opa sia retroazionato negativamente, pari a:
che coincide al guadagno in tensione per lo stadio non invertente, al valore assoluto del guadagno in tensione +1 per quello invertente.
- CMRR (Common mode Rejection Ratio): come già spiegato, per un amplificatore operazionale ideale, quello che conta è il segnale differenziale fra i pin "+" e "-". Facendo riferimento all'esempio precedente, in un amplificatore ideale il segnale Vcm non ha effetto alcuno sull'uscita. In un OPA reale non è così, tale segnale verrà riportato all'uscita attenutato di un fattore che prende il nome, appunto, di reiezione di modo comune, che può assumere valori da un minimo di 60db fino anche a 120db.
- PSRR (Power Supply Rejection Ratio): è simile al CMRR, ma anzichè misurare quale parte di un segnale di modo comune venga riportata in uscita, misura quale parte di un segnale (disturbo) sovrapposto all'alimentazione viene riportata [i]all'ingresso[/i]. Quindi, se hai un opa reale con 60db (= 1000 volte) di PSRR, e sull'alimentazione hai un rumore di 0,1V , tale rumore viene riportato in ingresso diviso per 1000. quindi diventa 0,1mV. Se poi la tua configurazione guadagna magari 500, ecco che all'uscita hai 50mV di rumore.
- Slew Rate: è la massima pendenza che l'operazionale riesce a generare in uscita. E' diverso dalla larghezza di banda, attenzione: un OPA per esempio da 7Mhz non riesce necessariamente a seguire, in configurazione buffer, un segnale a 7Mhz qualunque sia la sua ampiezza....ma solo se la pendenza richiesta è inferiore allo slew rate.
Esempi di errori comuni
Prendiamo un amplificatore reale con i seguenti parametri caratteristici:
- Ingressi bipolari di tipo PNP
- Alimentazione singola +15V
- Limiti di modo comune: 0V - 12V
- CMRR: 60db
- PSRR: 60db
- Corrente polarizzazione ingresso: 200nA
- Tensione di offset in ingresso: 2mV
- Larghezza di banda: 1Mhz
- Guadagno di anello aperto: 100db
- slew rate: 1V/us
- rail-to-rail in uscita
e vediamo come si comporterebbe in varie configurazioni.
Amplificatore di transimpedenza
Supponiamo di applicare un segnale di corrente Iin trapeziodale molto lento rispetto alla banda, in modo da poter per ora considerare nulli gli effetti dinamici:
L'uscita dell'operazionale reale, in nero, differisce da quella verde dell'OPA ideale a causa della corrente di bias. Questo perchè l'operazionale reale che stiamo supponendo di utilizzare ha un ingresso di tipo PNP con una corrente di polarizzazione di 200nA. Trattandosi di un PNP, la corrente di polarizzazione sarà necessariamente uscente. Come detto, l'OPA lavora per portare gli ingressi alla stessa tensione ma il terminale "+" è collegato a massa, che in questo caso è anche il negativo dell'alimentazione, l'uscita quindi non potrà andare sotto la massa, e si porterà a 0V. in queste condizioni il circuito interno dell'ingresso "-" non può funzionare, perchè si trova privo della corrente di bias o, per vederla in altri termini, l'operazionale sposterà l'uscita a 0 mentre il terminale "-" resterà a una tensione pari alla resistenza di guadagno da 1MegaOhm per la corrente di polazizzazione, quindi 200mV. All'aumentare della corrente di ingresso, parte della corrente di bias inizierà a non arrivare dall'uscita ma dalla sorgente di ingresso fino a che, nel momento in cui la Iin è maggiore della I di polarizzazione, l'uscita dell'OPA sarà libera di salire. Quando poi il segnale di ingresso sarà di 1uA, ovviamente tale uA verrà partito in 2 parti: 200nA che fluiscono dall'ingresso, 800nA in arrivo dall'uscita che quindi si porterà a 800mV. Trasformiamo ora l'onda di ingresso da trapezoidale a quadra, sempre 1uA:
In questo caso, l'uscita del reale differisce da quella dell'ideale a cause dello slew rate. Come detto sopra, è la massima pendenza che l'opa può generare in uscita, e per il nostro operazionale d'esempio è 1V/us. Il segnale di ingresso dovrebbe creare all'uscita un cambiamento "istantaneo", ma l'OPA può alzare l'uscita al massimo di 1V/us. Cambiamo ora in duale l'alimentazione, per rendere trascurabili gli effetti di bordo dovuti alle polarizzazioni di ingresso, e vediamo con una topologia a amplificatore invertente con guadagno 100 quale sia l'effetto della tensione di offset con un'onda sinusoidale a 1khz:
Come si capisce chiaramente, la tensione di offset viene vista come uno "scarto dallo zero" e causa una traslazione verso l'alto (o verso il basso, l'offset può essere sempre in entrambe le direzioni) di una tensione pari alla tensione di offset per il quadagno dello stadio. In questo caso, 2mV di offset e 100 di guadagno.
Aggiungiamo ora un disturbo da 100mV sull'alimentazione. Il PSRR è di 60dB, quindi il disturbo viene riportato all'ingresso diviso per 1000, diventando da 100uV, e poi raggiunge l'uscita passando attraverso il guadagno dello stadio e rappresenta quindi un rumore di 100uV X 100 (guadagno) = 10mV.
Proviamo infine a variare il modo comune del circuito, e vediamo cosa succede in uscita. Qui dipende dall'operazionale fisico scelto e da come è stato realizzato il suo stadio di ingresso, ma quella presentata è una situazione relativamente comune quando si superano le specifiche di modo comune in un OPA a ingressi bipolari:
Le tre linee verde, azzurra e rossa rappresentano tre delle possibili situazioni. Nel caso della line verde, l'OPA sta funzionando in linearità e sta quindi fornendo un uscita uguale all'ingresso amplificato per il guadagno di 200, come previsto dalla topologia. Avendo scelto un OPA rail-to-rail in uscita, Vout sarà libera di scendere fino alla 0V, altrimenti avremmo avuto un effetti di clamp simile a quello visibile nella linea azzurra. Nel secondo caso, Vcm è salita a 11V, quindi ancora dentro le specifiche di modo comune, ma ora l'uscita clampa a 15V perchè Vcm + Guadagno*Vin darebbe un massimo di 16V, ovviamente non raggiungibile visto che è oltre l'alimentazione. La terza linea, la rossa, presenta invece un comportamento decisamente strano: non solo clampa come la precedente, ma mostra un inversione di fase in uscita. Questo comportamento, relativamente tipico, è dovuto a una errata accensione dei transistor dello stadio di ingresso.
Conclusioni
Spero con questa breve trattazione di essere riuscito nell'intento di far capire, a chi si avvicina per la prima volta agli amplificatori operazionali, quali siano i parametri sui quali porre l'attenzione al momento della scelta del componente fisico da usare. Resta intenso che nell'articolo vengono tralasciati diversi aspetti e che la trattazione non può considerarsi esaustiva, ma è solo una prima stesura che se possibile correggerò nel tempo anche attraverso i commenti dei lettori. In particolare saranno da aggiungere, se di interesse:
- Retroazione positiva
- Comportamento dinamico e filtri
- Descrizione più esaustiva delle tipologie di uscite (open collector/drain, bipolari, CMos) e di ingresso (bipolari, CMOS, jFET, DiFET)
- Esempio di topologie standard di utilizzo più complesse
In sostanza, riassumendo, ricordate sempre:
- Un opa retroazionato negativamente lavora per mantenere i terminali di ingresso alla stessa tensione
- Attenzione alla polarizzazione degli ingressi
- Attenzione alla tensione di offset soprattutto nelle topologie ad alto guadagno
- Ricordate: la corrente di bias deve poter scorrere, tenetene sempre conto nella progettazione a opa bipolari.
- Un amplificatore reale non ha banda infinita nè guadagno infinito. Ricordate il prodotto guadagno larghezza di banda e dimensionate il circuito di conseguenza.

Elettrotecnica e non solo (admin)
Un gatto tra gli elettroni (IsidoroKZ)
Esperienza e simulazioni (g.schgor)
Moleskine di un idraulico (RenzoDF)
Il Blog di ElectroYou (webmaster)
Idee microcontrollate (TardoFreak)
PICcoli grandi PICMicro (Paolino)
Il blog elettrico di carloc (carloc)
DirtEYblooog (dirtydeeds)
Di tutto... un po' (jordan20)
AK47 (lillo)
Esperienze elettroniche (marco438)
Telecomunicazioni musicali (clavicordo)
Automazione ed Elettronica (gustavo)
Direttive per la sicurezza (ErnestoCappelletti)
EYnfo dall'Alaska (mir)
Apriamo il quadro! (attilio)
H7-25 (asdf)
Passione Elettrica (massimob)
Elettroni a spasso (guidob)
Bloguerra (guerra)








