Ultimamente mi sono cimentato nella realizzazione di alcune lampade di emergenza che sfruttano il cosiddetto "Ladro di Joule" per accendere i led in caso di mancanza dell'energia elettrica.
In questo articolo mostrerò il funzionamento del "Ladro di Joule" e di una possibile modifica per aumentare la luminosità dei led connessi.
Indice |
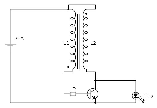
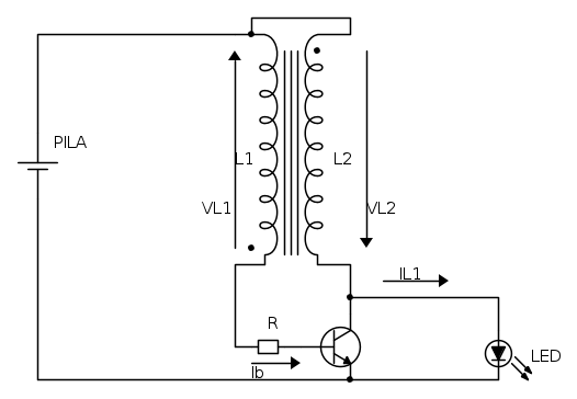
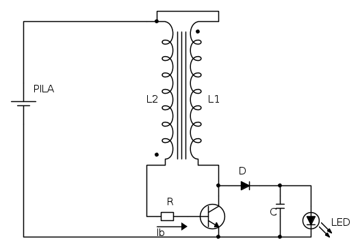
Lo schema
Lo schema del circuito è molto semplice.
Il circuito è composto da una pila da 1.5V per l'alimentazione, un resistore R, un transistor BJT di tipo NPN, un trasformatore con un nucleo in ferrite e uno o più led ad alta luminostità (in serie e/o parallelo). Voglio ricordare che la tensione necessaria all'accensione di un led ad alta luminosità è superiore a 1.5V ed è quindi impossibile accenderli con una singola pila senza un adeguato circuito.
Analisi del circuito
Per una analisi qualitativa del circuito, supponiamo di trovarci nell'istante in cui dopo lungo tempo di inattività, il circuito è alimentato con la pila.
Prima fase (BJT acceso)
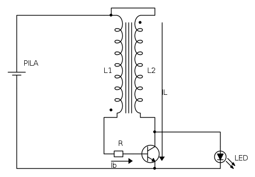
Nel momento in cui si collega la pila, la corrente nel secondario del trasformatore (L2) è nulla e il BJT si porta immediatamente in saturazione dato che la corrente entrante nella base soddisfa la condizione per cui un BJT è saturo.

Da questo momento l'induttore L2 inizia a caricare a tensione praticamente costante e la corrente IL aumenta in maniera lineare fino a quando il BJT esce dalla saturazione dato che la corrente di base Ib si è mantenuta costante mentre la corrente di collettore è aumentata col passare del tempo oppure il nucleo del trasformatore satura.
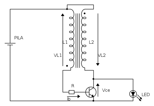
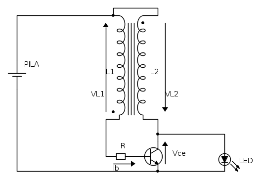
Seconda fase (spegnimento del BJT)
Quando il BJT esce dalla saturazione o il nucleo satura, la tensione Vce aumenta e la corrente in L2 non aumenta più linearmente ma soprattutto l'aumento è ridotto rispetto a prima.
Dal punto di vista dell'induttore questo viene visto come una corrente che lo percorre in direzione opposta, alla quale risponde con una tensione VL2 e di conseguenza, essendo gli induttori accoppiati 1:1, con una tensione VL1 che si oppone a quella di alimentazione e fa diminuire la corrente di base.
La diminuzione della corrente di base causerà a sua volta una diminuzione della corrente di collettore che porterà ad una nuova diminuzione della corrente di base.
Questo ciclo si ripete fino a quando, dopo un tempo brevissimo, il transistor si spegne e impedisce alla corrente IL di attraversarlo.
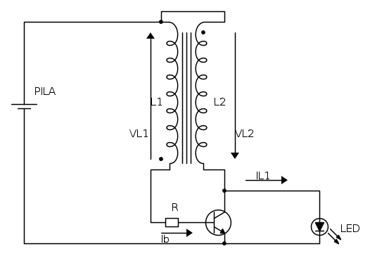
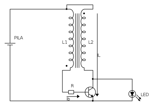
Terza fase (accensione del led)
Lo spegnimento del transistor impedisce alla corrente di circolare seguendo il percorso visto finora. Dal punto di vista dell'induttore questo rappresenta una brusca variazione (negativa) della corrente circolante, il campo magnetico "collassa" e produce una tensione VL2 tale da mandare in conduzione i led.
La tensione al secondario del trasformatore è riportata (invertita) sul primario e questo mantiene spento il BJT.
Quarta fase (lo spegnimento del led)
Mano a mano che passa il tempo l'energia immagazzinata nel trasformatore si esaurisce, e con essa il surplus di tensione che ha permesso di accendere i led.
Esaurita l'energia immagazzinata nel trasformatore il led si spegne e il ciclo ricomincia.
Il trasformatore
Per realizzare il trasformatore ho utilizzato un nucleo toroidale recuperato da una lampadina a basso consumo ormai spenta.Ho preso 2 fili di colore diverso (uno rosso e uno nero) e li ho avvolti contemporaneamente sul toroide, il risultato finale è quello dell'immagine qui sotto.
E' più difficile da spiegare che da fare!
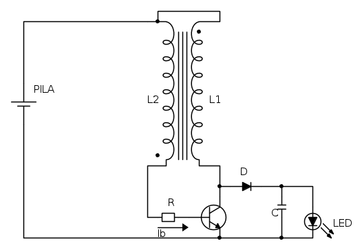
Un trucco per incrementare la luminosità
Per quanto visto finora, il led resta spento fino a che il bjt si spegne, poi si accende fino ad esaurire in parte l'energia immagazzinata negli avvolgimenti del trasformatore e si spegne di nuovo in attesa di un nuovo spegnimento del transistor.
Se però si modifica il circuito come segue
si può ottenere una luminosità molto superiore perchè in questo caso, se il condensatore ha un valore sufficiente, il led resta sempre acceso con una tensione intorno alla soglia minima di accensione.

Elettrotecnica e non solo (admin)
Un gatto tra gli elettroni (IsidoroKZ)
Esperienza e simulazioni (g.schgor)
Moleskine di un idraulico (RenzoDF)
Il Blog di ElectroYou (webmaster)
Idee microcontrollate (TardoFreak)
PICcoli grandi PICMicro (Paolino)
Il blog elettrico di carloc (carloc)
DirtEYblooog (dirtydeeds)
Di tutto... un po' (jordan20)
AK47 (lillo)
Esperienze elettroniche (marco438)
Telecomunicazioni musicali (clavicordo)
Automazione ed Elettronica (gustavo)
Direttive per la sicurezza (ErnestoCappelletti)
EYnfo dall'Alaska (mir)
Apriamo il quadro! (attilio)
H7-25 (asdf)
Passione Elettrica (massimob)
Elettroni a spasso (guidob)
Bloguerra (guerra)




