Abstract
Lo script si riferisce alla risoluzione della rete, comunque asimmetrica e squilibrata, attraverso il calcolo della Vo'o usando Millman e ricavando successivamente le correnti di linea
.
Il diagramma vettoriale e' ridotto all'essenziale per non appesantire lo script.
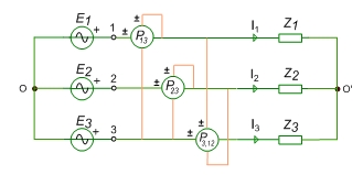
Successivamente si calcolano le indicazioni di tre wattmetri
in inserzione Righi e si calcola Ptot e Qtot.
Lo script Scilab
clear
clc
clf
format('v',6)
// Definisco j per evitare %i .... molto scomodo ! ecc.
j=%i; pi=%pi; r3=sqrt(3); // definisco j pi r3
k=10; // Fattore di amplificazione x grafico correnti
O=0+j*0; // origine assi
// Dati iniziali
V=400; z1=10+j*8; z2=-j*16; z3=18-j*8;
// Trasformaz. da cartesiana a polare
function[mf]=r2p(c)
mf=[abs(c),atan(imag(c),real(c))*180/pi]
endfunction
// Calcolo stellate (per questo esempio suppongo alimentazione simmetrica)
E=V/r3; e1=E*exp(j*pi/2); e2=E*exp(-j*pi/6); e3=E*exp(-j*pi*5/6);
// Applico Millman per Vo'o
vo=(e1/z1+e2/z2+e3/z3)/(1/z1+1/z2+1/z3), vop=r2p(vo);
// Ricavo le correnti in forma cartesiana e polare
i1=(e1-vo)/z1; i2=(e2-vo)/z2; i3=(e3-vo)/z3;
i=[i1;i2;i3] , ip=r2p(i)
// Traccio box scale e griglia
plot2d(0,0,rect=[-300,-300,300,300])
xgrid
// Traccio stellate
xstring(-15,-30,'O')
xstring(10,230,'1'), xstring(210,-125,'2'), xstring(-220,-125,'3')
oi=O; // collegando O con 1 2 3 O'
e=[oi,e1,oi,e2,oi,e3,oi,vo];
xarrows(real(e),imag(e),200,4)
// Traccio le tensioni di fase
oi=vo; // tracciando da O' a 1 2 3
ef=[oi,e1,oi,e2,oi,e3];
xarrows(real(ef),imag(ef),200,3)
// Traccio concatenate
v=[e2,e1,e1,e3,e3,e2]; // tracciando da 2 a 1 ecc.
xarrows(real(v),imag(v),200,1)
// Traccio correnti
oi=vo/k ; //con origine O' ... translandole
i=[oi,oi+i1,oi,oi+i2,oi,oi+i3]*k;
xarrows(real(i),imag(i),200,[5 6 7])
legends(['I1';'I2';'I3'],[5,6 7],opt="ul")
// Wattmetri in Righi usando la potenza apparente complessa S=V*conj(I)
w13=real((e1-e3)*conj(i1))
w23=real((e2-e3)*conj(i2))
w3_12=real((e1-e2)*conj(i3))
// Potenza attiva e reattiva totale
Ptot=w13+w23, Qtot=(w13-w23+2*w3_12)/r3
// e le Si assorbite (nella forma Pi + j Qi) relative a ogni Zi
s1=(e1-vo)*conj(i1), s2=(e2-vo)*conj(i2), s3=(e3-vo)*conj(i3)
// le Si si possono sommare perche' in forma complessa !!! ;)
st=s1+s2+s3
// il risultato è pari a Ptot + j Qtot ?
st==Ptot+j*Qtot
Risultato
Non riporto l'output completo di Scilab ma solo il diagramma vettoriale finale.

Elettrotecnica e non solo (admin)
Un gatto tra gli elettroni (IsidoroKZ)
Esperienza e simulazioni (g.schgor)
Moleskine di un idraulico (RenzoDF)
Il Blog di ElectroYou (webmaster)
Idee microcontrollate (TardoFreak)
PICcoli grandi PICMicro (Paolino)
Il blog elettrico di carloc (carloc)
DirtEYblooog (dirtydeeds)
Di tutto... un po' (jordan20)
AK47 (lillo)
Esperienze elettroniche (marco438)
Telecomunicazioni musicali (clavicordo)
Automazione ed Elettronica (gustavo)
Direttive per la sicurezza (ErnestoCappelletti)
EYnfo dall'Alaska (mir)
Apriamo il quadro! (attilio)
H7-25 (asdf)
Passione Elettrica (massimob)
Elettroni a spasso (guidob)
Bloguerra (guerra)