Introduzione
L'articolo rappresenta una descrizione completa di: grafici, spiegazioni teoriche e tabelle dei motori passo-passo e delle tecniche di pilotaggio esistenti. Nella prima parte verrà data una presentazione dei motori passo-passo e delle loro applicazioni. Seguirà una spiegazione teorica, dove mi rifarò ad alcuni concetti fisici che citerò nell'articolo seguiti da una panoramica delle varie tipologie di pilotaggio esistenti e la spiegazione di alcuni problemi che affliggono questi motori con le relative soluzioni. Concluderò con tabelle di confronto, e alcune nozioni pratiche, utili per la scelta del tipo di motore da impiegare per determinate situazioni di lavoro. Ovviamente l'articolo non si pone lo scopo di una descrizione dettagliata e totale dell'argomento, ma vuole dare un infarinatura generale su questi particolari motori. A tal proposito vi informo che non citerò i micromotori passo-passo monofase. Buona lettura.
Motori passo-passo
Il motore passo-passo è un trasduttore elettromeccanico che converte impulsi elettrici di comando in rotazioni angolari ben specifiche definite dalla struttura del motore e dalla modalità di controllo. Questi motori sono la migliore soluzione in innumerevoli applicazioni dove prima di una velocità di rotazione elevata ci sia bisogno di precisi spostamenti angolari. La loro struttura e funzionamento nasce a tale scopo e solo indirettamente può avvenire la rotazione. I vantaggi dei motori passo-passo sono:
- La possibilità di realizzare azionamenti di precisione, controllati da computer in catena aperta cioè senza l'ausilio di sensori di velocità e posizione e ciò li rende più pratici
- Hanno un'elevata robustezza elettrica e meccanica, derivante dal fatto che non hanno contatti striscianti come nei motori in continua.
- Si può facilmente far compiere al motore delle piccole rotazioni in ambedue i versi e bloccarlo in una specifica posizione
- La velocità di rotazione può essere molto bassa senza l'ausilio di riduttori meccanici (che normalmente frenano i motori).
Gli svantaggi di tali motori risiedono in:
- un funzionamento a scatti, che comporta forti vibrazioni specialmente a basse velocità e se si usano delle tecniche di pilotaggio semplici
- Richiedono per il loro funzionamento sempre dei circuiti elettronici di controllo in genere digitali
- Rendimento energetico basso e potenza meccanica piccola
- Hanno un costo elevato, se raffrontati con altri motori con le stesse prestazioni
- Difficilmente raggiungono velocità di rotazione elevate
Per i pregi e i difetti ora elencati questi motori sono di solito di piccola potenza e usati come supporto al funzionamento di una struttura principe. Un esempio sono i motorini usati nelle stampanti per il movimento del foglio. Solo ultimamente e solamente per applicazioni High-end vengono sostituiti da motori brushless. I motori passo-passo trovano applicazione in molti campi sia civili che industriali quali: informatica, macchine avvolgitrici, automobili, controllo processi, apparecchi medicali, aziende tessili ecc..
La costruzione elettromagnetica
Tutti i motori hanno di base una comune struttura. Il rotore composto da un materiale ferromagnetico e caratterizzato da sporgenze chiamati denti rotorici Lo statore è uguale per tutti i tipi di motori eccetto alcune differenze che vedremo più avanti. Su di esso sono presenti delle sporgenze chiamate espansioni polari in cui vi è l'avvolgimento proveniente dalle singole fasi, responsabile della creazione del campo magnetico statorico. Anche sulle singole espansioni sono presenti i denti che nella rotazione si allineeranno ai denti rotorici. Scopo dell'espansioni polari e dei denti statorici è quello di convogliare correttamente il campo magnetico prodotta dalla spira (solenoide).
Particolarità di questi motori sono il numero di fili uscenti dal motore Le fasi possono essere avvolte secondo due schemi:
- Due solo avvolgimenti (avvolti su più espansioni polari), in questo casa si parla di motori bipolari in quanto la corrente dovrà percorrere la fase nei due versi per creare i due campi magnetici e all'esterno si notano solo 2N fili.
- Quattro avvolgimenti avvolti a coppie, in antiparallelo, sull' espansioni polari. All'esterno arrivano 3N fili.
Si parla in questo caso di motori unipolari in quanto la corrente nella singola fase ha sempre lo stesso verso. La creazione di campi magnetici opposti avviene semplicemente scegliendo quale fase alimentare. Il numero di posizioni di equilibrio possibili dipendono dal numero dei denti del rotore e dai poli statorici. Tali posizioni vengono indicati come passi per giro.
Definizione di passo
Si definisce passo elementare la rotazione angolare corrispondente a un impulso di comando. La rotazione angolare nella modalità passo intero sarà uguale al passo, altrimenti come vedremo è possibile ottenere rotazioni inferiori ad un singolo passo.
Il valore del passo consente di capire la risoluzione angolare ottenibile con un determinato motore, esprimibile come numero di passi per giro o come gradi. Ad esempio nell'industria vengono di solito usati motori con risoluzione angolare di 0.9° (400 passi/giro) o 30° (12 passi/giro).
Il numero di passi per giro viene scritto sul motore, dove in genere, per motori vecchi vediamo: 16 passi per giro, mentre per i più moderni si arriva anche a 100, 200 passi per giro.
Se non è possibile leggere il numero di passi vi è una soluzione "casalinga" che consiste nel ruotare con molta delicatezza e lentezza il rotore e contare il numero di click.
Per aumentare il numero di passi è necessario aumentare il numero di denti rotorici e le fasi stratoriche.
E' bene notare che per ottenere un buon funzionamento il numero di denti del rotore non deve essere troppo differente dal numero dei denti statorici.
Se abbiamo m fasi statoriche e Ndr denti rotorici, l'angolo di passo sarà
Per questa via si ottengono 24 e 48 passi per giro corrispondenti a un passo di 15° e 7.5°.
Esiste anche la possibilità di aumentare il numero di denti rotorici lasciando inalterati il numero di fasi statoriche, creando più denti sulle espansioni polari. Così si ottengono 100 passi per giro pari a 3.6°.
Molto usata è anche la variante costituita dai motori multi-stack, caratterizzate da più sezioni statoriche tra loro affiancate ognuna delle quali contiene una fase; il passo dei denti è il medesimo tra rotore e statore.
Ciascuna sezione è ruotata rispetto alle altre di 1/3 del passo dei denti: al cambio dell'alimentazione da una fase a un altra il rotore subisce lo spostamento di un passo che corrisponde a un 1/3 del passo dei denti.
Per quanto riguarda il tipo di motore passo-passo abbiamo
Motori a magnete permanente
Si tratta di motori in cui il rotore è composto da un magnete permanente isotropo magnetizzato radialmente. La struttura statorica è composta da un pacco di lamierini con relative espansioni polari e avvolgimenti statorici come in figura.Il verso di rotazione viene determinato dal verso di percorrenza della corrente nelle coppie diespansioni polari statoriche. Di solito per limitare la complessità dello statore si creano più poli rotorici. Il numero di passi giro vanno da 8-48. Si tratta di motori che trovano applicazione nei vecchi floppy disk e in genere dove non sono richieste elevate prestazioni
Motori a riluttanza variabile
In questi motori il rotore è costituito da un materiale a piccola isteresi (normalmente in ferro-silicio) ed alta permeabilità magnetica. Il suo funzionamento si basa sulla polarizzazione del rotore, previo induzione del campo magnetico statorico. Per il motivo derivante dalla polarizzazione il numero di denti rotorici e fasi statoriche sono diversi in numero, tale da avere un dente e una fase allineate e non le due adiacenti (in caso contrario si averebbe un malfunzionamento del motore). Per questo motivo è possibile creare una relazione tra denti rotorici, statorici e numero di fasi. Preso βr l'angolo dei denti rotorici βs l'angolo tra i denti statorici, βp la differenza tra βr e βp sussiste la relazione:
.
Considerando gli angoli come rapporto tra diametro e numero di denti e prendendo Ns num. denti statorici, Nr num. denti rotorici, Np num. passi in un giro , si ottiene che il numero di passi è :
.
Da ciò otteniamo la relazione predetta tra denti e numero di fasi
.
Va detto che non essendoci un campo magnetico rotante, il motore passo-passo a riluttanza è necessariamente a tre fasi.
Motori ibridi (quelli più diffusi sul mercato)
Tratterò con più attenzione questi motori in quanto sono i più diffusi sul mercato. I vantaggi di questo motore sono; la capacità di mantenere la sua posizione anche in assenza di alimentazione degli avvolgimenti statorici, e la capacità di assestarsi rapidamente in una posizione di equilibrio. Svantaggi sono rappresentati da l'elevata inerzia causata dal peso del rotore in materiale ferromagnetico e il costo del magnete permanente. Il rotore è costituito da un magnete permanente, magnetizzato assialmente. Questo a sua volta è ricoperto con una struttura cilindrica di ferro-silicio dentata. Per via della polarizzazione si vengono a creare due sezioni rotoriche (chiamati in gergo coppette), magnetizzate con con poli opposti.
Per costruzione i denti rotorici delle coppette sono sfasati tra loro di mezzo passo, in questo modo il dente di una delle due sezioni corrisponde a una valle dell'altra.
Ci sono differenze tra il numero di denti rotorici e statorici. Gli ultimi infatti hanno un numero tale che:
e il numero di passi per giro è
Con questi motori è possibile ottenere un elevato numero di passi interi, tipicamente 100-400 passi. Il numero di passi si calcola come:
Ovviamente nel rotore non sono presenti ne cavi ne connessioni elettriche di alcun tipo ed è solidale allo statore, per mezzo di cuscinetti a sfera che ne assicurano la rotazione. Lo statore è simile a un motore a riluttanza con un pacco di lamierini avvolti dalle fasi statoriche, nelle espansioni polari. Lo sfasamento delle fasi statoriche risulta essere di un quarto di passo.
Principio di funzionamento
Teoria motori passo-passo
La teoria dei motori passo-passo consiste in un'interazione tra campi magnetici statorici e rotorici. In questo caso però i campi magnetici sono fissi e non rotanti come nelle macchine asincrone, e non ci sarà una spira rotorica percorsa da corrente come nel motore in continua. Il funzionamento base è lo stesso per tutti i motori. Una volta alimentate le fasi prescelte, il rotore sarà attratto dal campo magnetico statorico, allineandosi alle espansioni polari statoriche. Solo alimentando in sequenza le vari fasi, si otterrà una rotazione. Vediamo ora le differenze tra di essi:
MOTORI A MAGNETE PERMANENTE
In questi motori la rotazione avviene grazie all'interazione tra campo magnetico statorico prodotto da corrente e campo rotorico prodotto dalle coppie magnetiche permanenti. Il loro funzionamento dipende fortemente dal numero di coppie rotoriche che stabiliscono il numero di passi giro e il verso di rotazione dipende dal verso della corrente nelle espansioni polari. Le fasi statoriche accoppiate con le relative coppie rotoriche influenzano solo la coppia del motore e non la sua risoluzione (numero di passi giro). Questo tipo di motore è in grado di offrire una certa coppia residua anche disalimentato.
MOTORI A RILUTTANZA VARIABILE
Nel motore a riluttanza viene a mancare il campo magnetico permanente rotorico. Il rotore come detto è generalmente costituito da un cilindro di ferro-silicio i cui denti si polarizzano solo in vicinanza delle espansioni polari, per effetto del campo magnetico statorico. Il comportamento può essere descritto in due modi equivalenti. Essendoci una polarizzazione dipendente dallo statore, il rotore si polarizzerà in segno opposto al campo magnetico statorico. Quindi ci sarà un attrazione tra i due elementi che porterà il rotore ad affacciarsi alla fase statorica di segno magnetico opposto. Equivalentemente si può dire che il complesso rotore-statore si porterà ad una configurazione tale da avere, come circuito magnetico, il minimo valore di riluttanza, o allo stesso modo, il massimo di energia magnetica possibile. Come già detto in questi motori sono differenti il numero di denti rotorici e fasi. l'angolo p permette al rotore di affacciare, di volta in volta due soli denti rotorici.
L'angolo di passo βp è pari alla differenza tra l'angolo tra i denti di statore e rotore. Attenzione venendo a mancare il campo magnetico rotorico nel motore a riluttanza sono necessarie tre fasi. Ipotizzando un funzionamento bifasico si ottiene un mal funzionamento del motore.
MOTORI IBRIDI
Questi motori come già detto unisce vantaggi del motore a riluttanza e a magnete permanente. Rispetto al motore a riluttanza, il rotore risulterà già magnetizzato. Una volta alimentate le fasi statoriche desiderate il rotore attratto dal campo magnetico si disporrà in maniera tale da avere poli opposti affacciati. La differenza tra il motore a riluttanza permette che l'inversione del verso della corrente nelle fasi, provoca uno spostamento per repulsione tra i campi magnetici ora opposti. La differenza tra il motore a magnete permanente consiste nella dipendenza dalle fasi statoriche per quanto riguarda la risoluzione del motore. Tramite questo motore si possono compiere un numero di passi molto elevato, 100-400 passi-giro.
Coppie in gioco
COPPIA STATICA
La coppia sviluppata dal motore per effetto della corrente in un avvolgimento statorico si chiama coppia statica.Il suo valore cresce al crescere della corrente. AL valore della corrente nominale la massima coppia applicabile al motore senza che si abbia alcuna rotazione si chiama coppia di mantenimento.Il valore di questa coppia può essere approssimato a un andamento sinusoidale regolato dalla posizione angolare. Tale sinusoide avrà un periodo pari al passo polare del rotore. Vediamo che si presentano zone dove vi è equilibrio stabile (S e S') e non (I e I').
equilibrio statico
Prendiamo come esempio un motore in posizione di equilibrio stabile, posizione caratterizzata dall'avere coppia nulla. Se al rotore facciamo compiere una rotazione deltaalfa, il motore risponderà con una coppia statica che porterà il motore di nuovo alla posizione di equilibrio (tale coppia viene anche chiamata coppia di tenuta).
COPPIA RESIDUA
Nei motori ibridi e a magnete permanente anche in assenza di alimentazione vi è un'attrazione rotore-statore.Questa coppia ha un andamento ondulatorio regolare dipendente dalla geometria del motore, con valore medio nullo. Il numero di posizioni stabili sono equivalenti ai passi per giro (sono i momenti in cui rotore e statore sono affacciati). La coppia chiamata residua rappresenta il valore di coppia applicabile al motore senza che si abbia rotazione.
COPPIA DINAMICA
Le coppie dinamiche sono direttamente dipendenti dal sistema di pilotaggio usato. Nel caso di funzionamento con alimentazioni bifase si ottiene una coppia 1,41 volte superiore a quella monofasica. In pratica questa coppia è la risultante delle coppie statiche delle singole fasi che si alternano nella rotazione. Vediamole meglio nel:
comportamento dinamico
Il funzionamento dinamico nel motore passo-passo è abbastanza complesso. L'attivazione in sequenza delle singole fasi può, se non correttamente progettata, portare a un malfunzionamento del motore. Nelle rotazione si alternano in continuazione fasi di accelerazione e decelerazioni, che come sappiamo influenzano la coppia statica di una singola fase per via della componente induttiva. Per questo genere di motori vi è un grafico che ha come componenti la coppia dinamica data dal carico e la frequenza di passo, data dal numero di passi al secondo.
La curva A rappresenta il valore di coppia sincronizzante, che è il massimo valore di coppia di carico che può essere applicata al motore ad una data frequenza nella fase di partenza. Oltre questa linea si ha la perdita di qualche passo. La curva B rappresenta la coppia sincrona. Lei rappresenta il valore massimo di coppia applicabile a un motore già in movimento a una data velocità senza che quest'ultimo perda nessun passo. Si tratta di una coppia non influenzata dall'inerzia del rotore-carico ma dallo smorzamento. Le aree start-range e slew-range rappresentano i valori accettabili di coppia sincronizzante e sincrona. Come si evince più la frequenza aumenta, più si richiedono variazioni veloci della corrente, più la f.c.e.m. la fa da padrona fino ad azzerare la corrente e quindi la coppia. La frequenza f1 è la massima frequenza alla quale il motore a vuoto può partire senza che perda il passo, la f2 è il valore di massima frequenza alla quale il motore può ruotare senza perdere passi. Il valore di 10 Hz come valore iniziali (valori di riferimento variabili da motore a motore) son dovuti dal fatto che a basse frequenze vi sono vibrazioni meccaniche che influiscono in maniera imprevedibile, provocando la perdita del passo.
Motori unipolari e bipolari
Schema motore unipolare (sopra) bipolare (sotto)
L'orientamento del campo magnetico nello statore è condizionato dal verso della corrente che lo genera. Questo può avvenire: o per inversione della corrente della stessa fase (caso motore bipolare) o per attivazione di un secondo circuito (e quindi l'alimentazione di un secondo avvolgimento) normalmente percorsa da una corrente in senso inverso.
Ciò accade nei motori ibridi e a magnete permanente ma non nel caso dei motori a riluttanza la quale variazione di posizione dipendono solo dalle diversa DIREZIONE delle linee di forza del campo magnetico.
Variare il verso nel flusso del campo magnetico non porta variazioni di posizione.
Per quanto detto nel caso del motore unipolare abbiamo due avvolgimenti e un solo commutatore.
In questo caso dall'esterno avremo rispetto al numero di fasi N, 3N fili esterni
Nel caso del motore bipolare, un avvolgimento e due commutatori azionati in maniera opposta, che permettono il passaggio di corrente nei due versi.
In questo caso 2N fili esterni.
Quest'ultimi motori sono quelli, che come vedremo, hanno una struttura di controllo più complessa ma assicurano un maggiore rendimento.
A parità di numero di fasi e dimensione un motore unipolare ha due avvolgimenti per fase realizzati con Nu spire di sezione Su. Un motore bipolare delle stesse caratteristiche ha per fase Nb spire di sezione Sb. Supponendo che nei due motori gli avvolgimenti occupino lo stesso volume si ha
Imponiamo uguali anche le perdite nel rame
dove Inu è la corrente nominale dell'unipolare e Inb Quella del bipolare Dal funzionamento a passo intero (eccitando una fase alla volta) si ottiene
Essendo la coppia proprzionale al numero di spire per la corrente che la percorre si nota come un motore bipolare offre il 41% di coppia in più.
L'elettronica di pilotaggio
L'elettronica di pilotaggio è differente a seconda che il motore sia bipolare o unipolare.
il pilotaggio di motori unipolari
Sono abbastanza facili da pilotare in quanto è sufficiente applicare a ogni fase un'interruttore in modo tale da far passare corrente alle fasi richieste. Con una sola fase alimentata il motore rimane fisso su una posizione di equilibrio, offrendo una notevole coppia statica. Come già detto la rotazione avviene alimentando nella giusta sequenza, le vari fasi del motore. La corrente applicata è costante in verso e modulo (corrente nominale). La sequenza può avvenire in tre modi:
- Wavemode
È il sistema di funzionamento base: con esso la corrente è applicata a una sola fase per volta secondo questa tabella:
| Passo | fase1 | fase2 | fase3 | fase4 |
|---|---|---|---|---|
| 1 | 1 | 0 | 0 | 0 |
| 2 | 0 | 1 | 0 | 0 |
| 3 | 0 | 0 | 1 | 0 |
| 4 | 0 | 0 | 0 | 1 |
Questo metodo viene alle volte chiamato anche One-phase-on full step. Per ottenere la rotazione è necessario completare la tabella e poi ripeterla in rotazione
- Two phase-on
la corrente viene applicata a due fasi contemporaneamente. In questo modo la posizione di equilibro di trova in una posizione intermedia tra le due fasi statoriche. Usando due fasi contemporaneamente si ottiene una coppia di 1.4 volte la coppia nominale (in modalità wavemode). Il consumo di corrente raddoppia e per la legge di joule anche il riscaldamento aumenta.
| Passo | fase1 | fase2 | fase3 | fase4 |
|---|---|---|---|---|
| 1 | 1 | 1 | 0 | 0 |
| 2 | 0 | 1 | 1 | 0 |
| 3 | 0 | 0 | 1 | 1 |
| 4 | 1 | 0 | 0 | 1 |
- Half-step
É l'alternarsi dei due metodi appena visti. Si notano subito che tra i due metodi vi è una sfasamento di mezzo passo il che porta a un raddoppio del numero di passi per giro ottenibili. Lo svantaggio consiste in una irregolarità della coppia nel funzionamento che per quanto visto passa da 1, a 1.41 volte il valore nominale. Per ovviare al problema
Pilotaggio di motori bipolari
Per questi motori le tecniche di pilotaggio sono più complesse rispetto agli unipolari. Questo è causato dalla struttura del funzionamento del motore che prevede il passaggio della corrente in più avvolgimenti ma in versi diversi. Anche nel caso dei motori bipolari vi sono più tecniche di pilotaggio
- WaveMode: una sola fase alla volta. Simile al funzionamento WaveMode dei motori unipolari solo che in questo caso le condizioni di funzionamento della singola fase sono: corrente in un verso, corrente nel verso opposto e assenza di corrente. (descritti da 1, -1, 0, in tabella)
| Passo | Fase 1 | Fase 2 |
|---|---|---|
| 1 | 1 | 0 |
| 2 | 0 | 1 |
| 3 | -1 | 0 |
| 4 | 0 | -1 |
- Two phase-on: la corrente scorre in entrambe le fasi ed è sempre presente solo che cambia di verso nella rotazione. Anche in questo caso la coppi rispetto al funzionamento WaveMode aumenta di 1.41 volte.
Inoltre la corrente assorbita raddoppia.
| Passo | Fase 1 | Fase 2 |
|---|---|---|
| 1 | 1 | 1 |
| 2 | -1 | 1 |
| 3 | 1 | -1 |
| 4 | -1 | -1 |
- Half-step senza controllo di coppia: è la fusione tra i due metodi precedenti con il vantaggio di aumentare il numero di giri per passo. I problemi di questa soluzione sono gli stessi del funzionamento unipolare
- Half-step con controllo di coppia: sappiamo che nel half-step senza controllo, da un passo all'altro si ha una differenza di coppia con conseguente disuniformità nel funzionamento e nell'assorbimento di corrente. Il problema si risolve regolando la corrente che passa nelle fasi. Nel passaggio dal funzionamento monofase a bifase si ha una riduzione di corrente di 0.707 volte quella nominale.
| Passo | Fase 1 | Fase 2 |
|---|---|---|
| 1 | 1 | 0 |
| 2 | 0.707 | 0.707 |
| 3 | 0 | 1 |
| 4 | -0.707 | 0.707 |
| 5 | -1 | 0 |
| 6 | -0.707 | -0.707 |
| 5 | 0 | -1 |
| 8 | 0.707 | -0707 |
Adottando questo schema di pilotaggio oltre alla difficoltà di inversione della corrente si aggiunge la regolazione del modulo della corrente. Va detto che con questo metodo si risolve il problema della differenza di coppia ma non quella della corrente assorbita. Migliora soltanto da 1 a 1.4 invece del 1 a 2.
- Microstepping: evoluzione del Half-step con controllo di coppia. Il concetto è di controllare il moto del rotore tramite una precisa alimentazione delle singole fasi. Se concettualmente si possono raddoppiare i passi alimentando due fasi, un risultato analogo si può avere alimentando due fasi con correnti diverse. Sappiamo infatti che il campo magnetico e quindi la coppia applicata dagli avvolgimenti statorici è direttamente proporzionale alla corrente. In questo modo si possono (almeno teoricamente) ottenere un numero elevatissimo di passi dati dalle singole posizioni di equilibrio permessi da i valori di corrente tra due fasi adiacenti.
Questo riduce molto il problema del funzionamento a scatti assai dannoso nelle applicazioni di precisione Le correnti assumono un andamento che approssimano una sinusoide con sfasamento delle due fasi di 90°. In questo modo possiamo ottenere una motore che si avvicina a un sincrono bifase. Per ottenere questo risultato ovviamente si richiede una elettronica di pilotaggio inteliggente che dia una corrente sinusoidale variabile in fase e frequenza. Un processore dedicato o un integrato è la soluzione del problema.
| Passo | Fase 1 | Fase 2 | Passo | Fase 1 | Fase 2 |
|---|---|---|---|---|---|
| 1 | 1 | 0 | 9 | -1 | 0 |
| 2 | 0.924 | 0.383 | 10 | -0.924 | -0.383 |
| 3 | 0.707 | 0.707 | 11 | -0.707 | -0.707 |
| 4 | 0.383 | 0,924 | 12 | -0.383 | -0,924 |
| 5 | 0 | 1 | 13 | 0 | -1 |
| 6 | -0.383 | 0.924 | 14 | 0.383 | -0.924 |
| 7 | -0.707 | -0.707 | 15 | 0.707 | -0.707 |
| 8 | -0.924 | 0.383 | 16 | 0.924 | -0.383 |
La logica di pilotaggio
Dalle precedenti tabelle vediamo come sia necessario la generazione di più segnali logici. Questo può avvenire in più modi:
- Attraverso un circuito integrato specializzato. Per il controllo teoricamente sono necessari due segnali: uno per la direzione (indicato come cw per orario e ccw per antiorario, corrispondenti allo scorrimento della tabella dall'alto verso il basso o viceversa) e un clock, con cui ad ogni impulso, si ha un passo-giro nella direzione voluta.
Sono presenti altri pin ausiliari che permettono di scegliere il tipo di funzionamento, lo spegnimento e varie uscite per il controllo dello stato del motore(eccessiva temperatura, cortocircuito, basa tensione di alimentazione).
- Attraverso circuiti digitali generici, scelta difficile da vedere iin quanto risulta conveniente solo quanto il funzionamento del motore è molto semplice.
- Attraverso il pilotaggio diretto tramite un processore. Così si risparmia sul numero di componenti, anche se a scapito dell' efficienza computazionale.
Sul mercato sono disponibili anche schede assai complesse per la gestione dei motori passo-passo in cui tramite un linguaggio di programmazione ad alto livello basta inserire i parametri e collegare il motore.
Velocità massima di rotazione
La velocità di rotazione in un motore passo-passo, viene espressa in termini di passi al secondo corrispondenti alla frequenza di impulsi di comando delle fasi. Si è visto come ciascun avvolgimento delle espansioni polari si comporti come un circuito RL in serie. Il problema della velocità nel motore passo-passo è che è dettata dalla veloce variazione della corrente nella fase statorica. In un circuito RL la corrente non passa mai da un valore nominale a zero o viceversa istantaneamente, in quanto l'autoflusso della induttanza crea una controforza elettromotrice che dà un transitorio esponenziale decrescente (o crescente) della corrente. Vediamola in formule:
in "spegnimento fase"
in "avviamento fase"
Come per tutti i motori elettrici, la coppia ottenuta è proporzionale alla corrente. Dall'andamento della corrente in un RL si evince che non tutta la coppia si ottiene subito e neanche si azzera subito, ottenendo una capacità della fase di frenare il motore. L'effetto è che quando la velocità di rotazione aumenta, l'assorbimento, e quindi la coppia, di corrente disponibile diminuiscono. Si hanno così basse velocità di rotazione specialmente per i motori ad elevati passi-giro. Esistono diverse tecniche per diminuire il tempo di commutazione e quindi aumentare la velocità di rotazione:
- Aumentare la resistenza: dalle formule vediamo come inserire una resistenza in serie comporta una diminuzione di tau. La serie è data dalla resistenza dell'avvolgimento più un eventuale resistenza esterna
Esiste un difetto di questo metodo: per ottenere la stessa corrente è necessario aumentare la tensione di alimentazione (legge di Ohm) con conseguente aumento della potenza di alimentazione. Ovviamente un aumento dell energia porta anche un aumento dell energia dissipata per effetto joule il che comporta un sovradimensionamento degli avvolgimenti.
- Funzionamento con doppia alimentazione: metodo ormai obsoleto consiste nell'usare una tensione di alimentazione più elevata nella fase di accelerazione con l'aumento della corrente (fase boost) e una minore per il mantenimento della corrente a regime. Sistema complesso e poco pratico.
Un modo per semplificare il sistema usando una tensione di alimentazione superiore controllata al valore nominale tramite un convertitore a commutazione. Lo schema si chiama V.S.I (volt second insertion)
- La regolazione PWM della corrente:
Questa tecnica di pilotaggio ha due vantaggi:
- Il tempo di risalita della corrente è molto elevato (dato l'alto valore della tensione).
- Durante lo spegnimento del transistor non vi è consumo di corrente.
Gli svantaggi sono:
- Perdite causate dalla veloce commutazione della corrente.
Si tratta di perdite per isteresi magnetica con conseguentemente surriscaldamento del motore. Questo problema affligge particolarmente motori di vecchia generazione ma rimane buona norma non superare qualche decina di kHz.
Tale metodo consiste nell'applicare al motore una tensione di alimentazione molto superiore rispetto al valore nominale. Appena la corrente ha raggiunto il valore desiderato la corrente sarà pilotata in maniera tale da avere valor medio uguale alla corrente nominale, aprendo e richiudendo in rapida sequenza il circuito di alimentazione. Per ottenere questo risultato è necessario un parametro di riferimento della corrente e un sistema che controlli il suo valore ad ogni istante. Dal confronto corrente applicata-corrente di riferimento si scelgono due tecniche possibili:
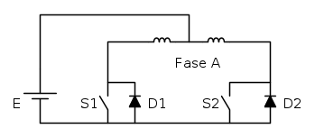
- Recupero: prendendo come riferimento il circuito di alimentazione a ponte intero. La tecnica consiste nell'inversione della corrente tramite il controllo dei transistor (schematizzati come interruttori e diodi).
Quando il suo valore arriva a quello desiderato il circuito si porta ad avere S2 S3 on e S1, S4 off. La derivata cambia di segno ma non di valore. Una volta che la corrente sarà diminuita fino al livello voluto si ritorna alle posizioni di partenza. In questo caso il valore del delta di corrente nella commutazione è
Il valore ΔI di corrente chiamato ripple di corrente dipende dal motore, dall'alimentazione e dalla frequenza di commutazione f.
Questa tecnica non può essere usata per ottenere rotazioni rapide o avere un basso ripple di corrente.
- Ricircolo: più complessa del recupero ma più efficace nel ripple di corrente.
Riprendiamo lo schema a ponte intero. Partiamo dall'avere S2 S3 off, S1 S4 on. Quando la corrente supera il valore stabilito il circuito apre S1. La corrente circola su D3 e la sua derivata è:
dove Vdon e Vson sono le tensioni di D e S chiusi. In questo modo la corrente decresce molto più lentamente. Il ΔI risulta
in cui T rappresenta il periodo di commutazione e δ il rapporto di polarizzazione (duty-cycle)
Tutte queste tecniche con piccole variazioni possono essere usate sia nei motori a riluttanza che in quelli a rotore magnetico, unipolari o bipolari che siano.
I cambi di velocità
Il motore passo-passo soffre di non pochi problemi nel cambio di velocità. Si sa che ogni dispositivo meccanico a causa della sua inerzia non può subire brusche accelerazioni o frenate. In un qualunque motore la richiesta di un aumento della velocità è causa di un momentaneo aumento della corrente assorbita. Nel motore passo-passo quando è richiesto un aumento di velocità, la frequenza di ingresso al motore lo stepper tende ad adeguarsi istantaneamente al cambiamento: se la coppia di carico è sufficiente piccola il motore cambierà velocità istantaneamente, altrimenti se attriti e inerzia vincono, il motore si blocca (o rallenta fino ad arrestarsi) e senza intervento esterno non è più in grado di ripartire. Si dice che il motore ha "perso il passo". Questo perchè la velocità del motore è controllata dall'elettronica la quale assorbe una quantità di corrente indipendente dalla coppia meccanica del motore. Quando si applica una coppia resistente a un motore asincrono o in continua essi tendono a rallentare per adeguarsi al nuovo carico e raggiungere l'equilibrio di coppia, cosa impossibile per uno stepper. In questi casi o il motore non subisce particolari variazioni o si arresta.
Il problema della perdita del passo
"Perdere il passo" per un motore passo passo significa una perdita nel sincronismo tipico della macchina. La situazione si può avere con un carico eccessivo che crea una coppia resistente superiore della coppia dinamica e il rotore perde il sincronismo con il campo magnetico statorico. Schematizzando una situazione più generale prendiamo un motore passo passo che ha appena subito un impulso di comando. La fase di partenza "A" e la fase di arrivo "B". Partendo dalla fase A la nuova posizione d'equilibrio verrà raggiunta dal rotore con una certa energia cinetica che porterà il rotore a oscillare intorno alla posizione d'equilibrio, con moto oscillatorio smorzato dagli attriti. Se si dà un impulso nel momento in cui il rotore oscilla, si ha un funzionamento irregolare con il fenomeno della perdita del passo. Il motore lavora correttamente, solo se l'ampiezza dell'oscillazione è molto ridotta (quindi bassa inerzia del carico), o se il nuovo impulso viene dato nell'istante in cui il rotore oscilla nel verso della fase B. Per ovviare al problema si tende principalmente a sovradimensionare un pò il motore.
La risonanza
Nel grafico coppia-velocità noi vediamo una curva regolare. Le curve invece sono molto frastagliate e assi differenti nel dettaglio da motore a motore. Useremo un grafico dove si vede il funzionamento a un passo e mezzo passo in assenza di carico. Vediamo come nel funzionamento a un passo la coppia subisce marcate diminuzioni specialmente alle frequenze medio-basse; in alcuni punti la coppia subisce una diminuzione tale che il motore spontaneamente si ferma. Queste velocità vengono chiamate velocità a frequenze di risonanza (attenzione il fenomeno è meccanico).
Questi punti sono difficili da calcolare e prevedere in quanto dipendono dalle caratteristiche del motore, dal tipo di pilotaggio e dal carico. In genere un sintomo dell'avvicinarsi della risonanza è il rumore forte emesso dal motore. Le tecniche per evitare questo rischio sono:
- Usare le tecniche di pilotaggio microstepping, a mezzo passo con o senza controllo di coppia. Sono messo in ordine di capacità di ridurre il problema.
- Usare un carico con elevato momento di inerzia in quanto ciò esclude il problema dello stallo anche se ciò rende l'area di pull-in piccola. Va infatti detto che il problema della risonanza di solito si nota su motori senza carico applicato. Applicando un carico di solito il problema svanisce.
- Se si conoscono i punti di stallo evitarli. Soluzione migliore ahahah. Scherzi a parte si tratta di punti abbastanza isolati quindi una volta conosciuti basta portarsi a una velocità diversa e si risolve il problema.
Tabelle
CONFRONTO TRA MOTORI PASSO-PASSO
| PARAMETRO DI CONFRONTO | A RILUTTANZA | A MAGNETE PERMANENTE | IBRIDO |
|---|---|---|---|
| COSTO | MEDIO-ALTO | BASSO | ALTO |
| VELOCITA' | ALTA | BASSA | MOLTO ALTA |
| COPPIA RESIDUA | MINIMA | ALTA | MEDIA |
| COPPIA SINCRONA | MEDIA | BASSA | MOLTO ALTA |
| SMORZAMENTO | SCADENTE | BUONO | MEDIO-BUONO |
| INERZIA ROTORE | BASSA | ALTA | BASSA |
| RENDIMENTO | MEDIO | MEDIO | ALTO |
| ANGOLI TEORICI | QUASI TUTTI | POCHI | QUASI TUTTI |
| ANGOLI IN COMMERC. | 1,8° 7,5° 15° | 6° 7,5° 9° 11,25° 15° 18° | 0,9° 1.8° 2° 3,6° |
| PRECISIONE ANGOL. | MEDIA | BASSA | ALTA |
Parametri per la scelta del motore e margini di sicurezza
La scelta del motore passo-passo dipende da numerosi parametri funzionali:
- Angolo di passo, precisione angolare, trasmissione meccanica.
- Momento di inerzia del carico riportato all'albero motore
- Coppia di accelerazione e decelerazione
- Coppia di attrito e di carico
- Velocità di regime
- Ciclo operativo e limite di temperatura
- Dimensioni e costo
I margini di sicurezza sono:
- Velocità: e necessario variare la velocità di funzionamento di un 10-15% rispetto al valore nominale per verificare il corretto funzionamento e l'assenza della risonanza (evitando perciò la perdita del passo)
- Tensione: si deve verificare il funzionamento in condizioni di minima tensione, cioè un 10% in meno della nominale
- Corrente: anche in questo caso si verifica il corretto funzionamento con un 10% in meno di corrente
- Margine sul carico: si verifica se il motore è in grado di supportare un carico leggermente maggiore rispetto alla sua destinazione d'uso.
Problemi pratici
In questa sezione vi sono alcuni problemi pratici che affligono questi motori.
- Il motore (ovviamente) non deve essere percosso in nessuna parte con martelli o cose simili. I cuscinetti potrebbero danneggiarsi con ovvie conseguenze
- La temperatura massima di funzionamento è di 70°-100°. Quando si superano queste (che sono già di per se) elevate temperature si deve ricorrere a dissipatori di calore o ventilazione forzata.
Conclusioni
L'idea di quest'articolo è nata quando visitando il forum mi è capitato di imbattermi in una discussione che verteva sui passo-passo. Date le mie scarse conoscenze (dettate dal fatto che alle superiori ho studiato i classici: trafo, asincrono, sincrono e motore in continua) ho svolto una ricerca col tentativo ultimo di capire il più possibile il funzionamento di questi strani motori. Purtroppo non mi è stato possibile avere un testo che parlasse esaustivamente dell'argomento e ho dovuto usare più libri e qualche prof. per arrivare alla creazione di quest'articolo. Spero di essere stato preciso e chiaro nella illustrazione, coltivando il fine ultimo di contribuire nel mio piccolo al sito. Sono aperto a correzzioni (....mà sì; è scrittto bene) e chiarimenti sul argomento.
Bibliografia
- Manuale Cremonese di ELETTROTECNICA, parte generale e specialistica (dove nei link utili ho trovato uno strano sito ELECTROPORTAL)
- Elementi di macchine elettriche Mario Pezzi
- Olivieri Ravelli
- Mazzoldi, Nigro, Voci, Fisica secondo volume
- Internet
Autori
- Shadonvy testo grafici e disegni tecnici
- Elena Bonamoneta vignette

Elettrotecnica e non solo (admin)
Un gatto tra gli elettroni (IsidoroKZ)
Esperienza e simulazioni (g.schgor)
Moleskine di un idraulico (RenzoDF)
Il Blog di ElectroYou (webmaster)
Idee microcontrollate (TardoFreak)
PICcoli grandi PICMicro (Paolino)
Il blog elettrico di carloc (carloc)
DirtEYblooog (dirtydeeds)
Di tutto... un po' (jordan20)
AK47 (lillo)
Esperienze elettroniche (marco438)
Telecomunicazioni musicali (clavicordo)
Automazione ed Elettronica (gustavo)
Direttive per la sicurezza (ErnestoCappelletti)
EYnfo dall'Alaska (mir)
Apriamo il quadro! (attilio)
H7-25 (asdf)
Passione Elettrica (massimob)
Elettroni a spasso (guidob)
Bloguerra (guerra)






