Un sistema trifase simmetrico è una rete alimentata da tre generatori di tensione alternata sinusoidale aventi la stessa frequenza, il medesimo valore efficace e le cui fasi differiscono di 120° elettrici.
Fissati arbitrariamente ingresso ed uscita di un generatore, l'ingresso e l'uscita dei due rimanenti rimangono determinati dalle condizioni fissate per la simmetria. Siano per noi 1,2, 3 le uscite, 1', 2', 3' gli ingressi.
Per un sistema simmetrico la somma vettoriale delle tensioni è nulla come si può verificare facilmente sia graficamente che analiticamente.
E11'+E22'+E33'=0
Collegamento a stella
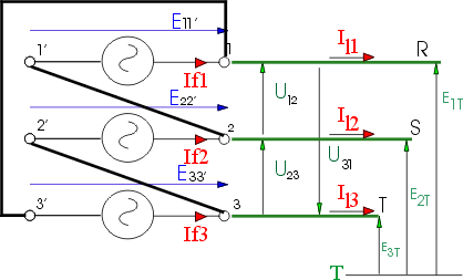
I tre bipoli generatori possono essere collegati a stella, unendo tra loro, ad esempio i tre ingressi:.

Dalle tre uscite possono essere derivati tre fili, indicati con R, S, T nella figura, che costituiscono la linea trifase a tre fili. Derivando un ulteriore filo dal punto comune, si una la linea trifase a quattro fili. Il nuovo filo, indicato con N, viene detto neutro. Nella figura il neutro è tracciato con il colore blu chiaro, per ricordare la prescrizione delle Norme CEI 64.8 che impone l'isolante di questo filo di tale colore.
Collegamento a triangolo
I tre generatori, possono anche essere collegati a triangolo, unendo gli ingressi di un generatore con l'uscita del generatore la cui fase ritarda di 120° .
Dai punti di collegamento degli ingressi con le uscite (1-3', 2-1', 3-2') possono allora essere derivati tre fili che costituiscono la linea trifase a tre fili, la sola possibile con questo tipo di collegamento. Il collegamento a triangolo chiude una maglia, ma se, come ipotizzato, le tensioni sono simmetriche, la loro somma vettoriale è nulla: nella maglia (il triangolo, essendo tre i suoi rami) non circola alcuna corrente.

Osservazioni
-
Si chiamano grandezze di fase le tensioni ai capi dei generatori e le correnti circolanti in essi. Grandezze di linea sono invece le correnti che circolano nei fili di linea e le tensioni tra questi fili, dette anche tensioni concatenate.
-
Quando si caratterizza un sistema trifase con la sua tensione, ci si riferisce sempre alla tensione concatenata.
-
Nelle figure precedenti, le correnti di fase sono indicate con Ifi, le correnti di linea con Ili, le tensioni di fase con Eii', le tensioni di linea con Uij dove i pedici assumono i valori i'=i=(1,2,3), j=(2,3,1).
-
Nel collegamento a stella con quattro fili sono disponibili in linea due terne di tensioni: quelle concatenate e quelle di fase, nel collegamento a triangolo è disponibile in linea la sola terna di tensioni concatenate. Teoricamente esiste un punto comune a cui possono essere riferiti i potenziali dei tre fili di linea: è il centro stella ideale del sistema, indicato con T nella figura, che nella realtà impiantistica coincide con il potenziale di terra.
Diagrammi vettoriali
La figura che segue mostra il diagramma vettoriale delle tensioni di fase ( dette anche stellate) e concatenate nel caso in cui i generatori siano collegati a stella ed esista il filo neutro. Nella figura stessa sono indicate le rappresentazioni mediante numeri complessi in forma polare dei vettori rappresentativi delle tensioni. Con E è indicato il valore efficace della tensione dei generatori. Il piano di Gauss ( o dei numeri complessi) è scelto (arbitrariamente) in modo che l'asse immaginario Im coincida in direzione e verso con la tensione E11'. Le tensioni concatenate si ricavano con il secondo principio di Kirchhoff come indicato nello schema.

-
E' importante osservare che le tensioni concatenate sono, per il secondo principio di Kirchhoff, la differenza vettoriale di due tensioni di fase. Per il sistema simmetrico che si sta considerando, il valore efficace delle tensioni concatenate si ottiene moltiplicando la tensione di fase E per la radice quadrata di tre.Il calcolo è di seguito mostrato per la tensione concatenata U12
![]()

-
Le tre tensioni concatenate costituiscono una terna simmetrica ruotata di 30° in anticipo rispetto alle tensioni stellate o di fase.
-
Nel collegamento a stella, inoltre, le correnti di linea coincidono con le correnti di fase:
ILi=Ifi
Il diagramma vettoriale seguente è invece tracciato per i generatori collegati a triangolo.

-
In questo caso le tensioni concatenate coincidono con le tensioni di fase, quindi si ha
Uij=Eii'.
-
Le correnti di linea sono invece la differenza vettoriale di due correnti di fase. Se il carico che determina le correnti è equilibrato, cioè se le tre impedenze che costituiscono il carico trifase sono identiche, il valore della corrente di linea si ottiene moltiplicando per la radice quadrata di tre il valore efficace della corrente di fase.
![]()
-
Se consideriamo il centro stella ideale del sistema, indicato con la lettera T, il diagramma è lo stesso di quello che si ottiene con tre generatori a stella la cui tensione è quella dei generatori effettivi diviso la radice quadrata di tre e le cui fasi anticipano di 30° quella dei generatori corrispondenti. Questa terna di generatori a stella può dunque sostituire la terna dei generatori a triangolo. E' generalmente l'operazione che si fa quando il calcolo sul trifase viene condotto ricorrendo al circuito monofase equivalente.

Elettrotecnica e non solo (admin)
Un gatto tra gli elettroni (IsidoroKZ)
Esperienza e simulazioni (g.schgor)
Moleskine di un idraulico (RenzoDF)
Il Blog di ElectroYou (webmaster)
Idee microcontrollate (TardoFreak)
PICcoli grandi PICMicro (Paolino)
Il blog elettrico di carloc (carloc)
DirtEYblooog (dirtydeeds)
Di tutto... un po' (jordan20)
AK47 (lillo)
Esperienze elettroniche (marco438)
Telecomunicazioni musicali (clavicordo)
Automazione ed Elettronica (gustavo)
Direttive per la sicurezza (ErnestoCappelletti)
EYnfo dall'Alaska (mir)
Apriamo il quadro! (attilio)
H7-25 (asdf)
Passione Elettrica (massimob)
Elettroni a spasso (guidob)
Bloguerra (guerra)