Premessa
Ogni tanto si parla di ferrorisonanza, specialmente nelle caratteristiche dei trasformatori di misura. Soprattutto si dice che bisogna evitarla, ed in genere è indicato anche il modo di farlo, perché è una delle cause più importanti che determina la rottura dei TV. Essa produce delle sovracorrenti che riscaldano gli avvolgimenti compromettendone l'isolamento fino al limite di una scarica tra le spire con la distruzione dell'avvolgimento stesso. E' però difficile trovare una spiegazione teorica soddisfacente del fenomeno, anche perché la sua trattazione matematica non è affatto semplice. E' tra l'altro una parola che nessun dizionario riporta (dei quattro che ho, almeno). Questa lezione cerca di spiegare cos'è e come avviene.
Risonanza in generale
Cominciamo dal nome. In latino resonantia significa eco, o rimbombo. Il nome deriva da un fenomeno acustico ( be', in effetti non occoreva poi tanta immaginazione!) ed è stato esteso a tutti i fenomeni fisici che sono ad esso simili. Se si prendono due diapason di frequenza caratteristica uguale e si pone in vibrazione uno di essi, dopo un breve intervallo di tempo, anche l'altro entra in vibrazione, sollecitato dalle onde sonore del primo. Se al posto del secondo diapason c'è una cassetta in cui l'aria contenuta può vibrare alla frequenza del diapason, è l'aria della cassetta ad entrare in vibrazione ed il suono che si otterrà può essere rafforzato in modo notevole. Le casse di risonanza o casse armoniche sfruttano questo principio. Risonanza è dunque un'amplificazione del suono che si ha quando una sorgente acustica è sollecitata da onde sonore, anche piccole, che hanno però la sua frequenza caratteristica.
Per estensione il nome è attribuito ad ogni fenomeno in cui gli effetti prodotti in un sistema fisico da una sollecitazione oscillante, diventano massimi quando la frequenza della sollecitazione è uguale alla frequenza propria del sistema.
La frequenza propria è determinata dallo scambio di energia che avviene tra gli accumulatori interni al sistema. L'identità della frequenza permette alla sollecitazione esterna di caricare il massimo di energia negli accumulatori, per cui gli effetti ad essa connessi, quali ad esempio le deformazioni dei corpi nel caso meccanico, o le correnti nei circuiti elettrici, diventano massime.
Il fenomeno della risonanza può essere utile, ma anche dannoso, sia in meccanica che in elettronica a seconda che sia voluto o meno, ovviamente (come tante altre cose del resto). Delle casse acustiche si è detto; la sintonizzazione nelle telecomunicazioni la diciamo adesso, tra le cose utili. Nei veicoli ed in genere dove esistono alberi rotanti che possono entrare in vibrazione a particolari velocità, ed in ogni costruzione la cui struttura può vibrare, il fenomeno della risonanza è in genere molto pericoloso in quanto ne può provocare il collasso. E negli impianti elettrici il verificarsi di condizioni di risonanza causa correnti elevate che possoono facilmente danneggiarne i componenti.
L' ElleCi ed il pendolo (Oscillazioni libere)
Oscillazioni se ne possono generare in molti modi. A noi interessano quelle dei circuiti elettrici ma non è male porle a confronto con quelle più visibili di un pendolo o di una massa che può scivolare su una superficie orizzontale vincolata ad una parete verticale con una molla. Le analogie aiutano a comprendere i fenomeni fisici unificandoli dal punto di vista dell'energia.
Nel caso di un circuito elettrico costituito dalla serie di una induttanza L ed una capacità C l' effetto da considerare è lo spostamento di carica che dà luogo alla corrente elettrica. Se nel condensatore è immagazzinata una certa energia, cioè sulle sue armature esiste una certa carica, il collegamento dei suoi terminali attraverso l'induttore, determina la migrazione della carica da un'armatura all'altra, cioè il rilascio dell'energia, che si manifesta con l'insorgere di una corrente nel circuito. Ma la corrente che così si sviluppa corrisponde ad energia magnetica, che noi diciamo immagazzinata nell'induttore. Quando il condensatore si è scaricato, se non ci sono state perdite per dissipazione in calore, tutta la sua energia è diventata energia magnetica. Se il collegamento permane, l'energia magnetica ricarica il condensatore, con polarità inversa ma con la stessa energia. Il condensatore a questo punto si scarica di nuovo rigenerando un'identica energia magnetica. Che lo ricarica come all'inizio. Ed il ciclo si ripete. All'infinito, se non ci fossero perdite.
Tutto avviene come quando spostiamo la massa collegata alla molla sulla superficie orizzontale. La deformazione impressa alla molla conferisce energia potenziale al sistema. Non appena la massa è libera ritorna verso l'iniziale posizione di equilibrio. Quando vi transita l'energia potenziale è nulla ma non l'energia cinetica. La massa prosegue il suo moto fino a raggiungere una posizione simmetrica a quella dell'iniziale spostamento, se ipotizziamo l'assenza di attriti. A questo punto è nulla l'energia cinetica che però si è trasformata di nuovo in energia potenziale. Ma poiché la massa può muoversi, torna ancora verso la posizione di equilibrio. Le oscillazioni proseguono, e proseguirebbero per sempre se non ci fosse dissipazione di parte dell'energia sotto forma di calore per gli inevitabili attriti.
E così in un pendolo. Spostato dalla posizione di equilibrio, assume energia potenziale. Quando è lasciato libero acquista velocità, quindi energia cinetica. Che si ritrasforma in potenziale indentica all'iniziale, sempre se non ci sono attriti, quando si trova in posizione simmetrica a quella di partenza. E poi di nuovo in cinetica. Ed il pendolo continua, come sappiamo (e vediamo nell'applet), le sue oscillazioni.
La frequenza caratteristica delle oscillazioni dipende dal tempo che impiega l'energia potenziale a trasformarsi in cinetica e viceversa. Possiamo intuire che quanto più grandi sono le dimensioni e la quantità di materia del sistema, quindi le energie in gioco a parità di deformazioni (en. potenziali) e velocità (en. cinetiche), tanto più lente saranno le oscillazioni. In generale c'è un parametro che definisce la dipendenza delle due energie, rispettivamente dalle deformazioni e dalla velocità: la frequenza delle oscillazioni dipende sempre dal rapporto di questi due parametri, più precisamente dalla radice quadrata del loro rapporto.
Nella massa oscillante ad esempio la frequenza è proporzionale alla radice quadrata del rapporto tra la costante elastica della molla, k, e la massa collegata, m.
Per il pendolo è proporzionale alla radice quadrata del rapporto tra la lunghezza, l, e l'accelerazione di gravità, g .
Nel circuito elettrico è proporzionale alla radice quadrata del rapporto tra l'elastanza, S, (niente paura, è un termine poco usato, ma è semplicemente l'inverso della capacità: S=1/C ) e l'induttanza, L.
- Se invece di frequenza parliamo di pulsazione, cioè la frequenza moltiplicata per 6,28 che è una velocità angolare (rad/s) in quanto detto basta sostituire le parole "è proporzionale alla" con "è la"
- Ho usato il termine elastanza perché è il termine che corrisponde alla costante elastica della molla. Si usa (poco) anche in meccanica dove è però sinonimo di resilienza una misura della resistenza agli urti, quindi è l'inverso della fragilità. Ma esageriamo fino in fondo con la lettura del vocabolario (sono stato influenzato dall' articolo di un nostro collaboratore): elastanza è sinonimo di riluttanza elettrica o, se vogliamo, indisponibilità o incapacità a ricevere cariche elettriche. Sottintendendo l'aggettivo elettrica, però, si può parlare anche di elastanza magnetica (non l'ho mai fatto), che altro non è che il sinonimo della più comune riluttanza magnetica.
Ad ogni modo a conclusione delle divagazioni, le oscillazioni di corrente che avvengono nel modo descritto, e sono dette oscillazioni libere, hanno frequenza data da:
![]()
se non ci sono perdite. La loro ampiezza dipende dall'entità dell'energia immagazzinata nel circuito, che si conserva. Se però c'è dissipazione, com'è inevitabile in un circuito reale, per la presenza di una resistenza, l'ampiezza delle oscillazioni decresce esponenzialmente nel tempo e la loro frequenza è inferiore alla precedente. Ciò che succede anche per il pendolo e per la massa scivolante, per l'inevitabile attrito tra i corpi a contatto (pavimento-massa , aria-massa, cerniera-asta del pendolo).
Risonanza elettrica
Se un generatore agisce sulla serie L e C con una tensione di frequenza identica alla frequenza propria delle oscillazioni libere, l'energia che esso immette nel sistema, se non è dissipata, accresce continuamente l'energia immagazzinata. L'intensità della corrente aumenta allora indefinitamente. L'unica possibilità di limitarla è che l'energia del generatore venga dissipata, come del resto avviene avviene, sulla resistenza del circuito. Allo stesso modo se al pendolo si dà un impulso che gli fa aumentare l'energia potenziale, proprio nel momento in cui questa è massima, se non fosse per la presenza degli attriti, aumenterebbe continuamente l'ampiezza delle sue oscillazioni. Fino a ribaltarsi per una rotazione completa.
In definitiva se il circuito L, C serie, è eccitato con una certa tensione alla frequenza delle oscillazioni libere, detta d'ora in poi frequenza di risonanza, si ha la massima corrente. Ciò equivale anche a dire che in condizioni di risonanza la sua impedenza è minima e coincide, tra l'altro, con la sola resistenza del circuito.
Se invece la frequenza della sollecitazione differisce dalla frequenza di risonanza l'ampiezza delle oscillazioni è minore , tanto più quanto maggiore è la diversità. Interessante a questo proposito sarebbe esaminare le curve di risonanza, cioè il modo in cui le ampiezze delle oscillazioni variano al variare della frequenza di sollecitazione. Per il momento possiamo comunque accontentarci, almeno dal punto di vista qualitativo, di quanto detto.
Se L e C sono costanti, il solo parametro che può far entrare in risonanza il circuito, è la frequenza di alimentazione. Se L o C si possono variare, ci sono ulteriori possibilità in quanto la frequenza delle delle oscillazioni libere può diventare uguale alla frequenza di alimentazione, generando la condizione di risonanza.
Se i valori di L e di C non dipendono dalla corrente, l'impedenza è costante è c'è un'unica frequenza di risonanza per il circuito. Il punto di funzionamento a regime è unico e la sua vicinanza o meno alle condizioni di risonanza dipende dalla frequenza di alimentazione. Se invece L o C assumono valori diversi a seconda del valore di corrente, si modificano sia l'impedenza che la frequenza di risonanza, e si possono avere più punti di funzionamento a regime, più o meno vicini alla condizione di risonanza.
Ferrorisonanza
E' quel che accade, ad esempio, se l'induttanza è funzione della corrente, com'è il caso di induttanze in ferro. Ad una delle possibili condizioni di funzionamento corrisponde una condizione di impedenza minima, quindi di massima corrente: tale condizione si dice perciò di ferrorisonanza, un fenomeno responsabile di sovracorrenti, sovratensioni ed anche inversione nell'ordine delle fasi. Tutto avviene come se, ritornando all'analogia meccanica della massa scivolante, raggiunta una certa ampiezza nelle oscillazioni, la massa diminuisse: l'ampiezza delle oscillazioni aumenterebbe fino a raggiungere, se esiste, una nuova ampiezza di equilibrio.
La corrente che si stabilisce nel circuito di fig. 1 è quella che corrisponde alla situazione di equilibrio tra le tensioni in esso presenti, espressa dal secondo principio di Kirchhoff.

fig. 1
Si ha
![]()
E' una relazione vettoriale, cioè tra numeri complessi, e permette di calcolare la corrente, in quanto la tensione sull'induttanza UL e quella sulla capacità UC sono determinate dalla corrente stessa. In pratica si deve risolvere matematicamente il sistema

Nel caso del circuito le relazioni di fase sono note in quanto, avendo trascurato la resistenza, la corrente è sempre in quadratura con le tensioni: in ritardo rispetto ad UL ed in anticipo su UC, in ritardo rispetto ad E se UL>UC ( cioè se wL>1/wC ), in anticipo in caso contrario.
Per i moduli vale allora il sistema.

Se L è, come C, una costante, è cioè indipendente dalla corrente, il valore che può assumere quest'ultima è unico; se però L dipende dalla corrente i valori possibili sono di più.
Situazioni possibili
La situazione può essere graficamente rappresentata nel piano tensione-corrente (fig. 2). Il valore della corrente corrisponde all'intersezione delle due curve
UL=E+I/wC
UL=w*L

fig. 2
Nel grafico il punto 0, è il punto di funzionamento che si ha quando si possono trascurare fenomeni capacitivi (reattanza nulla).
Il punto 1 è l'unica condizione di funzionamento che si ha con una L costante in presenza di fenomeni capacitivi.
Se l'induttanza ha invece il tipico andamento della curva di prima magnetizzazione di un materiale ferromagnetico, i punti di funzionamento in presenza di fenomeni capacitivi non trascurabile diventano tre: il 2, il 3, il 4.
Alle situazioni dei suddetti punti corrispondono i diagrammi vettoriali di fig. 3

fig. 3
La fig. 4 mostra la stessa situazione però vista come grafico di questa equazione il cui primo membro è la curva blu che rappresenta la caratteristica complessiva del carico LC:
UL - I/wC =E

fig. 4
I punti di funzionamento sono i tre del grafico precedente (intersezione della E= costante) ma qui si può capire meglio quali sono stabili. I punti 3 e 4 sono stabili poiché un aumento di corrente fa aumentare la tensione del carico mentre E rimane costante: la corrente non può dunque aumentare e neppure diminuire poiché la diminuzione comporta una diminuzione della tensione del carico per cui la E costante riporta di nuova la corrente al suo valore di equilibrio. Il punto 2 è invece instabile: ad un aumento di corrente corrisponde infatti una diminuzione della tensione del carico per cui la E costante fa aumentare ulteriormente la corrente. Una diminuzione invece fa aumentare la tensione che conseguentemente provoca un'ulteriore diminuzione della corrente. Il punto 3 è un punto di funzionamento sicuro, il punto 4 è però la condizione pericolosa per l'elevata corrente di ferrorisonanza
La fig. 5 mette poi in evidenza la situazione in cui si verifica inevitabilmente la condizone di ferrorisonanza. Il punto di funzionamento che dovrebbe permanere è il 3, come detto.
Se però si verifica una aumento di E oppure una riduzione di C che comportano rispettivamente una traslazione verso l'alto ed un aumento di pendenza della curva blu, l'unico punto di funzionamento possibile è il 4.

fig. 5
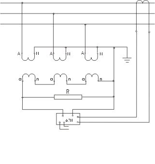
Il fenomeno della ferrorisonanza è un problema sentito nei trasformatori di misura e di protezione TV specie quando i tre secondari sono collegati a triangolo aperto per rivelare la tensione omopolare con cui alimentare ad esempio il relè direzionale di terra (67N) (vedi fig. 6).

fig. 6
In tale collegamento la dissimmetria delle tensioni primarie si manifesta con una tensione ai capi del triangolo aperto. Il guasto di una fase a terra al primario fa sì che i due avvolgimenti primari collegati alle fasi sane, assumano il valore della tensione concatenata, che è 1,73 volte maggiore, e la tensione ai capi del triangolo aperto diventa pari a tre volte la tensione di fase. Il nucleo va quindi in saturazione ed è molto probabile l'insorgere della ferrorisonanza.
Il problema è in genere risolto dall'inserzione di una opportuna resistenza in serie agli avvolgimenti che limita e smorza le oscillazioni di corrente. Il valore di questa resistenza è in genere consigliata dal costruttore ed è in genere di alcune decine di ohm (30 -100) per potenze di qualche centinaio di Watt (200-500)
Fenomeni possibili di ferrorisonanza si possono avere anche nei trasformatori di tensione capacitivi (TVC) usati soprattutto per alta tensione, in quanto meno costosi. In essi c'è una sezione costituita da un partitore capacitivo che porta l'alta tensione a media tensione, seguita da un'induttanza e da un trasformatore di tensione induttivo. Qui il fenomeno della ferrorisonanza può innescarsi durante sovratensioni di manovra. Si devono per questo inserire dispositivi di smorzamento quali spinterometri e filtri. Le norma di riferimento per questi TVC sono le IEC 60044-5. (NB: le IEC 60044-1 , 2 , 4 sono tutte relative ai trasformatori di misura)

Elettrotecnica e non solo (admin)
Un gatto tra gli elettroni (IsidoroKZ)
Esperienza e simulazioni (g.schgor)
Moleskine di un idraulico (RenzoDF)
Il Blog di ElectroYou (webmaster)
Idee microcontrollate (TardoFreak)
PICcoli grandi PICMicro (Paolino)
Il blog elettrico di carloc (carloc)
DirtEYblooog (dirtydeeds)
Di tutto... un po' (jordan20)
AK47 (lillo)
Esperienze elettroniche (marco438)
Telecomunicazioni musicali (clavicordo)
Automazione ed Elettronica (gustavo)
Direttive per la sicurezza (ErnestoCappelletti)
EYnfo dall'Alaska (mir)
Apriamo il quadro! (attilio)
H7-25 (asdf)
Passione Elettrica (massimob)
Elettroni a spasso (guidob)
Bloguerra (guerra)