Indice |
Presentazione
Dopo Mike, IsidoroKZ e g.schgor ecco un altro protagonista del nostro Forum, per continuare la collana ALCUNE RISPOSTE DI:...
Bruno Valente può essere presentato con il semplice commento di posta10100 ad uno dei suoi messaggi:
Bruno, COMPLIMENTI! Un vero artista dell'elettronica!
E' quanto emerge dai suoi oltre milleduecento interventi, distribuiti regolarmente nel forum negli oltre tre anni di partecipazione.
Non un artista che usa l'elettronica come uno strumento per eseguire "stranezze" più o meno attraenti modellando luce, suono e movimento con i circuiti elettronici, per gli effetti speciali del barocco tecnologico più spinto.
Ma un artista che sa comunicare ciò che l'Elettronica ha in sé di affascinante, con la possibilità che offre, a chi la sa pensare ed interpretare con calma e profondità, di costruire apparecchiature precise, utili e belle.
Una bellezza intrinseca alla funzione dell'oggetto ed all'epoca di costruzione, che non ha pretese metafisiche, ma che è un tributo all'intelligenza che l'uomo può e deve usare per rendere gradevole la sua vita. Vita che è e rimarrà sempre un mistero, ma che è questa, così deve essere accettata, riconoscendo in essa ciò che, allietandola, può non solo renderla tollerabile, ma anche desiderabile.
Le sue radio d'epoca restaurate sono un esempio di come Bruno coltiva tale bellezza.
Ecco come Bruno descrive la sua passione per il restauro:
|
Effettivamente ho un debole, per quei ferri vecchi, che ha origine negli anni dell’infanzia: i miei primi ricordi appartengono alla fine degli anni '50 quando la televisione ancora non era diffusa, e la sera, in famiglia, si cenava in cucina ascoltando la radio... le canzoni di Nilla Pizzi, Gino Latilla, Milva, le commedie, l’uccellino della Rai...un’altra epoca. Quella scatola parlante e illuminata era, per me bambino, un'attrazione irresistibile, una vera magia; a differenza di oggi, era l'unico oggetto tecnologico con cui si poteva venire in contatto, ma a rendermi quasi morbosa quell'attrazione per la radio, era il divieto di toccarla che mi imponevano i genitori, un po' perché allora valeva un sacco di soldi e si preoccupavano che la potessi rompere, e un po' per paura che potessi farmi male. Mi sono più volte chiesto cosa veramente abbia potuto scatenare questa mia mania che ancora intatta mi porto dietro e una vera spiegazione non l’ho trovata. Mia madre, che poveretta ha dovuto sopportare tutte le conseguenze di questa mia stravaganza che dalla radio si estendeva a tutto ciò che era elettrico (nelle prese di corrente ci infilavo di tutto, sono stato vittima di vere e proprie esplosioni e credo di essere vivo solo per miracolo), diceva che con queste fissazioni c’ero nato e probabilmente non si sbagliava, il difetto forse è proprio nel DNA. Conservo questa bella foto dell’epoca dove vengo colto in flagrante e che la dice lunga. Adesso le radio d’epoca mi attraggono soprattutto per quello che c’è dentro, per quei grovigli di componenti che sembrano messi alla rinfusa ma che alla rinfusa non sono, per l’ingenuità che si coglie in certe scelte progettuali, per l’impronta indelebile che ogni componente porta dell’uomo che li saldò proprio lì, in quel modo, decidendone la posizione, piegando opportunamente i reofori. I circuiti attuali costruiti completamente ed esclusivamente da macchine automatiche, pur essendo anche loro straordinariamente interessanti, non trapelano nulla di umano, nessun segno che manifesti una decisione dell’uomo è presente. I vecchi circuiti, pur non avendo oggi alcun senso dal punto di vista tecnologico, e non potendo affatto competere con gli attuali, conservano l’impronta indelebile degli uomini e delle donne, probabilmente oggi scomparsi, che li costruirono, della loro creatività, del loro buon senso, del loro far bene il lavoro, e per questo è come se ci raccontassero una storia scritta con un alfabeto in disuso ormai da tempo... un po’ come se fossero dei geroglifici di un’altra epoca. |
Ed è significativo anche un altro suo intervento nel quale la passione per l'elettronica e per la tecnologia, è un mezzo per poter godere della vita, senza rovinarsela facendosi accalappiare da trappole esterne, come quando qualcuno vuole trascinarti nei vortici litigiosi della sua vita distorta, od interne, come il lasciarsi imbrigliare dal senso di inutilità del tutto.
|
E no! io non ci sto, non ci casco nella trappola: preferisco tenermi fuori dal mondo. Per me un orologio è un orologio e basta. Tempo fa ho avuto modo di recuperare delle vecchie nixie, e quello che ne è venuto fuori è un orologio rigorosamente realizzato con circuiti logici CMOS con tanto di oscillatore al quarzo termostatato e con rintocchi ogni quarto d'ora, ottenuti con elettromagneti di vecchi relè che fanno battere un martelletto su delle barrette di bronzo, mobiletto impiallacciato con realizzazione di intarsi e lucidatura rigorosamente a gomma lacca... e soprattutto nessun microprocessore. Tutto realizzato a costo zero con cose che avevo in garage. Solo in questo modo la soddisfazione va alle stelle...il resto, per quanto mi riguarda, non conta un cavolo. E' stato il mio regalo di compleanno di qualche anno fa a mia moglie. |
E, da non dimenticare: l'elettronica non è solo la passione di Bruno Valente, ma anche il suo lavoro professionale.
Come per molti altri esperti del nostro forum, del resto.
Un connubio che deve servire a stare bene con sé e con gli altri, essere motivo di unione, e mai rappresentare un'occasione per insanabili e meschine rivalità, che infangano ogni conoscenza privandola di umanità.
Ecco allora alcune risposte, con l'invito a navigare in tutte le altre
Alimentatore stabilizzato
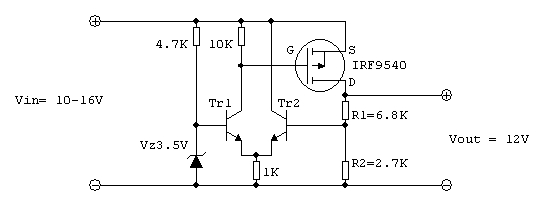
D: Avrei bisogno di un alimentatore che possa erogare 1,4 A con un tensione compresa tra 11 e 12 V
R: Propongo uno stabilizzatore che fa uso di un mosfet P e per questo ha un dropout basso: il mosfet scelto, in saturazione ha una resistenza di 0.2 ohm tra drain e source e quindi se la tensione in ingresso è inferiore a circa 12.5V con 1.5A cadono solo 0.3V tra ingresso ed uscita, se la tensione in ingresso è superiore a 12.5V l'uscita è fissa a circa 12.2V.
Il circuito trova il suo equilibrio quando le due tensioni sulle basi di Tr1 e Tr2 sono uguali, cioè quando
Da cui
e quindi con i valori scelti per R1 e R2 l'uscita dovrebbe stabilizzarsi intorno a 12.2V
Non ho provato il circuito ma non dovrebbe fare sorprese. Probabilmente per evitare auto-oscillazioni andrà frenato un po’ alle alte frequenze aggiungendo un condensatore al posto giusto e per renderlo stabile con carichi capacitivi si potrebbe pensare ad un gruppetto L//R in serie all'uscita come si fa con gli amplificatori di potenza BF.
Ovviamente il mosfet scalderà e andrà previsto un'adeguato smaltimento del calore generato.
Il circuito può essere migliorato scegliendo un mosfet con una Ron più bassa riducendo così ulteriormente il valore di dropout, Ho scelto un IRF9540 perchè è stato il primo che mi è venuto in mente mentre disegnavo lo schema.
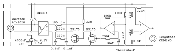
Progetto per segnalare quando la potenza elettrica assorbita supera quella contrattuale (utenza civile di 3 kW)
La domanda dell'utente è quella che dà il titolo al paragrafo. Le risposte di Bruno mostrano la sua idea per realizzare il progetto e la fasi del suo sviluppo.
Idea di partenza
Ho pensato a questo. Si basa sull'intermittenza del cicalino (Kingstate KPEG260): per mezzo secondo suona e per due secondi no; mentre non suona viene caricato il condensatore di alimentazione.
L'idea consiste nel collegare e scollegare ritmicamente la resistenza di 100Ω al T.A. Nuvotem AC 1020, mezzo secondo collegata e due secondi scollegata, e di attivare il comparatore (e quindi anche il cicalino se la corrente supera la soglia) solo mentre la resistenza di 100Ω è collegata al TA.
In questo modo si dovrebbero raggiungere due scopi: evitare il fastidioso suono continuo del cicalino e, nella pausa di due secondi, caricare il grosso condensatore di alimentazione.
Ho preferito utilizzare due amplificatori rail to rail al posto dei comparatori perché, avendo a disposizione una tensione di alimentazione di soli 6.2 V, in questo modo si raggiunge una escursione utile delle uscite e degli ingressi praticamente uguale a tutta l'alimentazione.
Guardando le curve caratteristiche del TA si vede che la tensione di uscita raggiunge valori alti quando la resistenza di carico è di valore alto e questo avviene anche con basse correnti di linea e da qui l’idea di sfruttarlo in queste condizioni, durante la pausa, per rifornire il condensatore dell’energia necessaria.
Il comparatore di sinistra commuta in continuazione 0.5 s ON e 2 s OFF.
Durante la fase ON di 0.5s si chiude il mosfet di destra che collega la resistenza da 100 ohm al TA. Contemporaneamente il mosfet di sinistra si apre e il filtro costituito dalle due resistenze da 220k e i due condensatori da 0.1uF, porta la tensione continua derivante dalla corrente di linea all'ingresso non invertente del comparatore di destra. Il filtro pari pari quello con due celle di Isidoro,
l'ho scalato di un fattore dieci solo per ridurre il consumo. Durante questa fase il circuito assorbe energia dal condensatore elettrolitico da 4700uF caricato precedentemente.
Dopo 0.5 secondi il comparatore di sinistra commuta l'uscita a zero e inizia la fase di pausa che dura due secondi e che è utile alla carica del condensatore.
Durante questa fase il mosfet di destra si apre scollegando la resistenza da 100 ohm dal TA, Se la corrente di linea supera qualche amper, il TA fa salire la tensione sulla sua uscita che, tramite i due diodi 1N4004, va a caricare l'elettrolitico fino al valore di zener che è 6.2V.
Sempre durante questa fase si chiude il mosfet di sinistra cortocircuitando la prima cella del filtro azzerando così la tensione all’ingresso del comparatore di destra e spegnendo il cicalino.
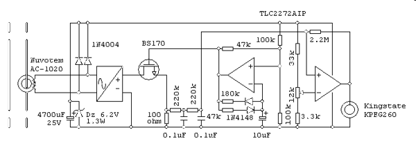
Prima modifica
Ho fatto alcune modifiche: non mi piaceva il multivibratore che, con la scusa del rail to rail, lo avevo fatto lavorare con delle soglie troppo basse e poi mi sono accorto che la parte che commuta la resistenza da 100ohm poteva essere semplificata eliminando un mosfet. Se la tensione sulla resistenza da 100 ohm arriva al massimo a 2V ci possiamo permettere di montare il mosfet in quest'altro modo visto che rimangono 4.2V tra gate e source per pilotarlo e che dovrebbero essere sufficienti. Però mi aspettavo almeno qualche commento o qualche critica...cos'è 'sto silenzio?
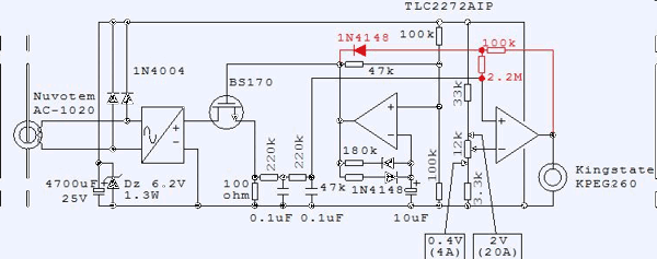
Seconda modifica
Ho apportato ancora una modifica perché mi sono accorto che con il trimmer regolato per bassi valori il comparatore del cicalino non si sarebbe resettato durante il semiciclo di due secondi.
La resistenza da 2.2M conferisce un po' di isteresi al comparatore e l'ho messa per garantire che il bip, se parte, si autoritenga per tutto il semiciclo di mezzo secondo e per evitare quindi balbettii. Forse si potrebbe fare a meno dell'isteresi e quindi di tutta la parte in rosso perchè un po' di isteresi il circuito ce l'ha comunque: quando il cicalino suona si ha un calo naturale della tensione di alimentazione che farebbe abbassare la soglia e che quindi aiuterebbe il comparatore a mantenersi con l'uscita alta.
Quando suona il cicalino la corrente assorbita da tutto dovrebbe essere di circa 5mA, si dovrebbe avere una velocità iniziale di scarica del condensatore da 4700uF di circa 1V/s e quindi mi aspetterei un ripple di circa 0.5 V che grosso modo è il 10% dell'alimentazione.
Avevo pensato a far variare il ritmo con la corrente ma c' ho rinunciato.
Per sovralimentare il cicalino si potrebbe far oscillare in qualche modo il comparatore di destra e poi duplicare l'onda quadra in uscita ma raddoppierebbe il consumo di corrente limitando la possibilità di far funzionare il circuito anche con correnti di linea relativamente basse 4-5A, il limite inferiore probabilmente salirebbe a 8-10A.
Il ragionamento che faccio è questo: Se il condensatore di alimentazione si scarica con 5mA per mezzo secondo, vuol dire che sono necessari almeno 5/4=1.25mA durante la fase di carica che dura due secondi per ricaricarsi. Durante i due secondi le cose vanno quindi come se il TA vedesse una resistenza di carico di 6.2 / 1.25x10^-3= 5 kohm e dai grafici si vede che per garantire 6 V con un carico di 5 kohm è necessario che la corrente di linea sia almeno di 2-2.5A.
Ovviamente il ragionamento è grossolano perché non tiene conto del fatto che la corrente del grafico è espressa in valore efficace e c’è poi la caduta sui diodi che peggiora ulteriormente le cose… tutto sommato, Isidoro correggimi se sbaglio, direi che 4-5A potrebbero essere sufficienti a tenere in piedi il circuito.
Valvole e transistors
Faccio una piccola premessa, in quanto il confronto è un argomento che infiamma e divide, nel campo della riproduzione musicale.
Risulterà chiara la posizione di Bruno, che è la posizione di chi crede che una qualsiasi valutazione tecnica sia possibile solo con la definizione precisa delle grandezze di cui si parla e con la loro misura. Che e' anche la posizione di chi scrive:poi ognuno e' libero di avere sensazioni ed emozioni non quantificabili con le misure riconosciute, e che rappresentano una verità soggettiva legittima, ma sostanzialmente incomunicabile.
D: Cambiando valvola nel mio distorsore, si modifica il timbro. E' perché ogni valvola ha il suo timbro?
R:No, non è così: sia le valvole che i transistor, ma in modo particolare i transistor, sono molto diversi tra loro anche se si tratta di identico tipo. Le caratteristiche dei componenti vengono date con una notevole approssimazione, il guadagno di due transistor uguali può essere 100 in uno e 400 nell'altro.
Quello che rende le caratteristiche di una apparecchiatura indipendenti da queste diversità congenite dei componenti è solo la bontà del progetto: vi sono delle tecniche che ad esempio permettono di realizzare un amplificatore con un guadagno totale di 73,5 (un valore molto preciso scelto a caso) nonostante i transistor con cui è realizzato abbiano un guadagno che può variare anche di dieci volte tra esemplari diversi dello stesso tipo. Queste tecniche sono meno attuabili con le valvole ma comunque, anche con quelle, si possono raggiungere livelli ragguardevoli di immunità dalle caratteristiche dai parametri dei componenti.
Ti faccio notare che fino a qualche decennio fa con le valvole si realizzavano strumenti da laboratorio come generatori di segnale e strumenti di misura come voltmetri o oscilloscopi dove il livello di precisione da raggiungere andava ben oltre quello di un distorsore e se in uno di quegli strumenti veniva sostituita una valvola con una dello stesso tipo ma con caratteristiche per forza diverse, le caratteristiche dello strumento rimanevano invariate.
Per concludere, se nel tuo distorsore avverti differenze tra una valvola e l'altra vuol dire semplicemente che il progetto non è tale da..., o meglio, che non sono state prese quelle precauzioni che renderebbero le caratteristiche del dispositivo indipendenti da quelle della valvola ma questo non necessariamente significa che il distorsore sia fatto male, può semplicemente significare che per un distorsore non vale la pena prendere certe precauzione che sicuramente avrebbero aumentato la complessità del circuito.
D:'Perché il suono prodotto dagli amplificatori a vavole è ....migliore ?''
R: Bè non ci volevo cascare ma visto che mi ci tirate dentro...vi dico come la penso, anche se non è la prima volta che provo a farlo.
Se un amplificatore non distorce (o distorce molto poco) la qualità del suono è la stessa indipendentemente dal fatto che sia realizzato con tubi o con componenti a stato solido e nessuna differenza può essere percepita all'ascolto (spero che su questo siamo tutti d'accordo... non serve essere scienziati per capirlo: se due cose sono uguali non possono essere diverse )
Le cose vanno diversamente se l'amplificatore viene sovrapilotato: lo stadio finale, sia esso a valvole o a transistor, distorce il segnale tosandogli le creste sopra e sotto (in maniera più o meno simmetrica, dipende dal circuito) ma se l'amplificatore è a valvole questa tosatura non avviene in modo netto, bensì sfumato, la parte mancante non appare tagliata di netto ma appare compressa e quindi senza spigoli. Questo modo di distorcere è meno sgradevole e da qui, gonfiando la cosa a dismisura e con arte, si arriva a tutte le leggende metropolitane sugli amplificatori a valvole.
Negli amplificatori a transistor la tosatura avviene invece in modo netto, marcato e la forma d'onda spigolosa all'ascolto somiglia ad una pernacchia.
Questi due comportamenti diversi tra amplificatori a tubi e amplificatori a stato solido, che si evidenziano solo quando vengono sovrapilotati, dipendono solo in minima parte dai tubi e dai transistor, dipendono invece molto dalle due tipologie circuitali in uso con i tubi e con i transistor.
Lo scopo di chi progetta amplificatori, giustamente, è quello di ottenere una bassa distorsione quando l’amplificatore viene utilizzato correttamente, cioè quando non viene sovrapilotato, senza preoccuparsi più di tanto di cosa accade quando invece l’amplificatore viene sovrapilotato.
Il modo migliore per raggiungere questo scopo è senz’altro quello di strutturare il circuito in modo simmetrico e con un buon tasso di controreazione ed è quello che si fa normalmente con gli amplificatori a stato solido: la controreazione spinta riduce drasticamente la distorsione su tutta l’escursione possibile del segnale di uscita, in tutto il campo dinamico dello stadio finale, fino alla saturazione dei componenti, ottenendo così una riproduzione molto fedele del segnale di ingresso, praticamente priva di distorsione. Solo quando i segnali eccessivamente ampi superano un ben preciso limite, per cui i finali risultano completamente saturi, allora il meccanismo della controreazione non è più in grado di cancellare la distorsione e il suo benefico effetto cessa di colpo: da qui la tosatura netta del segnale con conseguente spernacchiamento (ma, lo ripeto, stiamo utilizzando male l’amplificatore: lo stiamo sovrapilotando).
Con gli amplificatori a valvole queste tecniche non possono essere utilizzate per vari motivi: la simmetria non si può realizzare facilmente in quanto la valvola esiste solo in “versione NPN” e la controreazione non può essere spinta quanto si vorrebbe a causa della presenza del trasformatore di uscita che introduce rotazioni di fase alle frequenze alte e quindi instabilità.
Di fatto, quindi, con gli amplificatori a valvole, si possono solo realizzare circuiti che portano a risultati scadenti con un notevole residuo di distorsione anche all'interno del campo dinamico, non potendo con le valvole spingere la contoreazione quanto si vorrebbe per cancellare bene la distorsione come si riesce a fare invece con gli amplificatori a stato solido.
Per contro, quando l’amplificatore a valvole viene sovrapilotato, l’assenza di una controreazione spinta porta ad una deformazione graduale del segnale man mano che si avvicina ai limiti imposti dalla dinamica e quindi senza spigolature.
Per concludere, secondo me, l’effetto valvola potrebbe essere simulato bene con i componenti a stato solido: basterebbe utilizzare soluzioni circuitali mediocri come quelle imposte dai limiti delle valvole o introdurre ad arte qualche diodo nei circuiti per comprimere gradualmente il segnale prima che venga tosato dallo stadio finale. Il contrario sarebbe invece difficile da realizzare senza complicare i circuiti a dismisura. Sono convinto che il nocciolo della questione sia tutto qui e che il resto siano solo chiacchiere.
Varie
D: Non sono riuscito a ragionare correttamente sul circuito di figura (era un compito d'esame). La domanda è: trovare l'uscita sapendo che l'uscita è sempre a saturazione positiva (+10 V) o a saturazione negativa (-10 V) e la batteria E si trova o a 0 V o a 2 V. Inoltre trovare l'uscita se al'ingresso di Vi si inserisce un'onda triangolare con frequenza <non mi ricordo di quanto> picco-picco 12 V con media di 1 V.
R:
Affinchè un diodo conduca è necessario che la tensione ai suoi capi superi un certo valore che nei diodi normali è di 0.7V solo in un verso (con l'anodo positivo rispetto al catodo) e che negli zener è di 0.7V (con l'anodo positivo rispetto al catodo come nei diodi normali) e di un altro valore che dipende dal modello (nel tuo caso 4.7V per il primo diodo e 3.3V per il secondo), con il catodo positivo rispetto all'anodo.
So che tutto questo lo sai già, ma ora dovresti concentrare l'attenzione su un aspetto: nel descrivere il funzionamento dei diodi, ogni volta che ho nominato un valore di tensione, ho sempre specificato rispetto a cosa quel valore di tensione va riferito e qui sta il nocciolo della questione: non è sufficiente dire che l'anodo di uno zener da 4.7V si trova a 2V per concludere che di sicuro quel diodo conduce in modo diretto (0.7V)! Bisogna anche andare a vedere quale è il potenziale del catodo perchè è la differenza di potenziale tra anodo e catodo che conta per stabilire se uno zener conduce e in che modo (se direttamente o inversamente) e non serve a nulla specificare il solo valore di tensione del catodo o quello dell'anodo riferiti a massa.
Nel tuo caso, se l'uscita dell'operazionale si trova a +10V rispetto a massa, si avrà, tramite la resistenza, uno scorrimento di corrente dall'uscita dell'operazionale all'anodo del secondo diodo (quello da 3.3V). Questa corrente attraverserà entrambi i diodi entrando nell'anodo del secondo che risulterà polarizzato direttamente (0.7V) e proseguendo nel catodo del primo che risulterà polarizzato inversamente (4.7V).
Quindi: l'anodo del primo diodo si troverà ad un potenziale di +2V imposti dalla batteria E rispetto a massa, il catodo del primo diodo si trovera ad un potenziale di +4.7V rispetto al suo anodo e cioè a +2+4.7= +6.7V rispetto a massa, l'anodo del secondo diodo si troverà ad un potenziale di +0.7V rispetto al suo catodo e cioè a +6.7+0.7 = +7.4V rispetto a massa.
Come vedi , a causa della presenza della resistenza e della tensione di uscita dell'operazionale che abbiamo supposto essere di +10V, la tensione dell'ingresso non invertente verra a trovarsi a+7.4V e questa condizione si automanterrà fin quando l'ingresso invertente non supererà +7.4V: quando questo avverrà l'uscita commuterà a -10V e l'ingresso non invertente si porterà a +2-0.7-3.3V= -2V.
Questo sarà il valore al di sotto del quale dovrà scendere l'ingresso invertente affinchè l'uscita commuti di nuovo per portarsi di nuovo a +10V e così via.
Ti ho disegnato i due circuiti equivalenti alle due condizioni con uscita +10V e con uscita -10V che dovrebbero aiutarti a capire.
Come vedi al posto dell'operazionale ho disegnato un generatore da 10V e ho messo in evidenza il verso della corrente che nel secondo caso si inverte.
Ho segnato le tensioni nei vari punti [color=#FF0000][i]riferite a massa[/i][/color] e, come puoi vedere, per conoscere la tensione ai capi di un certo componente è necessario eseguire la differenza tra le due tensioni riferite a massa relative ai due morsetti del componente in questione.
Ho anche segnato i morsetti di ogni componente con + e - in modo da rendere evidente quale dei due è il morsetto a potenziale maggiore e da questo si capisce immediatamente se la polarizzazione del componente è diretta o inversa.
Ti faccio notare che uno stesso punto del circuito può essere contemporaneamente positivo e negativo: dipende dal potenziale dell'altro punto che prendi come riferimento per la misura. Ad esempi il punto a +6.7V è negativo rispetto a quello a +7.4V ma al tempo stesso è positivo rispetto a quello a +2V. questo mette in evidenza il carattere relativo del potenziale.
Come saprai la corrente scorre sempre dal punto a potenziale maggiore verso quello a potenziale minore e tutti i componenti attraversati da tale corrente si polarizzano con una tensione più alta nel punto di entrata rispetto a quella del punto di uscita e questo quindi stabilisce se un diodo zener si polarizza direttamente o inversamente.
Ti faccio un esempio estremo: uno zener può avere il catodo a +100V ed essere polarizzato direttamente (caduta di 0.7V) se l'anodo si trova a 100,7V perchè la corrente che scorre dal punto a potenziale maggiore verso quello a potenziale minore andrà dall’anodo al catodo, quindi non devi lasciarti condizionare dai 100V sul catodo che di per se non significano nulla.
Come vedi ho disposto i vari elementi del circuito in modo che la corrente scorra dall'alto verso il basso in entrambi i casi: in questo modo i vari potenziali risultano distribuiti dall'alto in basso per valori decrescenti, questo è un modo per rendere i circuiti più comprensibili che io immagino o utilizzo quando devo comprendere o far comprendere i circuiti, anche nei casi molto più complessi di questo.
D: In cosa consiste il fenomeno di CLOCK FEEDTHROUGH?
R: E' un fenomeno che si riferisce ad un particolare difetto degli interruttori elettronici realizzati con mosfet: in teoria un mosfet può realizzare un interruttore perfetto perchè ha il gate completamente isolato dal drain e dal source e quindi il circuito commutato è completamente isolato dal circuito di comando. In realtà, la presenza delle capacità parassite, determina una via di connessione tra il circuito di comando e quello commutato e quindi, in prossimità dei fronti di commutazione, proprio per effetto delle capacità parassite, vengono iniettate delle cariche nel circuito commutato e si producono dei picchi indesiderati. In pratica il mosfet, che dovrebbe essere isolato, viene invece in parte "attraversato dal segnale di clock"
D: Come si può riconoscere una cassa acustica difettosa?
'R':In genere una cassa difettosa emette un suono "difettoso" non "diverso" come dici tu. Dovresti notare una evidente distorsione oppure, se la cassa è costituita da più altoparlanti, potrebbe distorcere solo uno e allora diventa più difficile accorgersene. Dovresti appoggiare l'orecchio su un altoparlante alla volta e renderti conto se ci sono delle differenze. Potresti, ad impianto spento, provare a muovere le membrane degli altoparlanti premendoci sopra delicatamente con la mano: se le bobine mobili si sono deformate dovresti riuscire a sentire una sorta di sfregamento durante il movimento che in condizioni normali non deve esserci. Se il danneggiamento è importante potrebbe essersi modificata l'impedenza della cassa e se si è ridotta molto, ad alti volumi, potrebbe danneggiare l'amplificatore. Ti consiglio per il futuro di montare un fusibile dimensionato per la massima corrente dell'amplificatore in serie ai cavi di collegamento tra cassa ed amplificatore, per un amplificatore con le caratteristiche di quello che hai ora va bene un fusibile da 8 amper. Il fusibile aiuta a prevenire una rottura dell'amplificatore a causa di una eccessiva corrente dovuta all'mpedenza troppo bassa della cassa o ad un cortocircuito.
La cosa migliore sarebbe acquistare amplificatori provvisti di protezione elettronica e il tuo credo proprio che non l'abbia. Nell'elenco delle caratteristiche non se ne parla.
D: Come si comportano gli ingressi dei circuiti logici?
R:
Gli ingressi dei circuiti logici, e non solo, non possono essere lasciati appesi, cioè non collegati a nulla. Si potrebbe essere indotti a pensare che per imporre la condizione di zero logico ad un ingresso di una porta sia sufficiente non collegarlo a nulla ma è sbagliato: nelle logiche CMOS, che hanno un'alta impedenza di ingresso, gli ingressi non collegati si portano ad un potenziale indefinito e imprevedibile che può allocarsi sopra o sotto la soglia o addirittura, per effetto del rumore, può oscillare sopra e sotto la soglia. Con le logiche TTL le cose vanno diversamente, l'impedenza non è alta e gli ingressi appesi si portano a livello alto ma comunque si evita di lasciarli appesi e si collegano direttamente al livello desiderato oppure tramite una resistenza di opportuno valore.
Conclusione: per cominciare
I ragazzi, si sa, se si appassionano di elettronica, vorrebbero subito realizzare applicazioni complicate. Tendono a sottovalutare le nozioni di base, e pensano che chi, come Bruno, sa interpretare o progettare un circuito complesso, conosca trucchi particolari. Bene ecco il trucco che Bruno consiglia a chi desidera cominciare.
D:Io vorrei CAPIRE perché in quel punto hanno messo una resistenza o un condensatore piuttosto che in un altro punto, x arrivare così a farmi io i miei schemi. Sto leggendo i libri di nuova elettronica e poi comunque qualcosa ne so... la legge di Ohm è semplice.. la so quella!
R:E' proprio lo spirito giusto per cominciare...ma l'unico modo per riuscire è studiare e andare per gradi: devi mettere in pratica solo le cose per le quali riesci a comprendere completamente il funzionamento, non importa se si tratta di circuiti molto semplici o inutili, le cose più complesse e utili verranno dopo. Comincia a studiare la legge di Ohm, prova a costruire circuiti con sole resistenze e batterie di pile, cerca di prevedere con il calcolo tensioni e correnti nei vari punti e poi verifica con il tester se le tue previsioni sono esatte: sarà il circuito (giudice estremamente imparziale) a darti il verdetto e a farti rendere conto se hai veramente capito quello che credevi di aver capito. Questa della legge di Ohm è una tappa fondamentale senza la quale non si va da nessuna parte.
Poi, piano piano, se sarai tenace e paziente, ti ritroverai un giorno a saper dare un preciso significato a quella che ora ti appare come una giungla inestricabile di componenti collegati chissà perché proprio in quel modo.
Vediamo...Sei proprio sicuro, ad esempio di conoscere la legge di Ohm? Sapresti dire in meno di dieci secondi che tensione si legge sul voltmetro?
.......10 V no 0 V
Guarda bene il circuito: si tratta della serie di tre elementi che sono: la batteria da 10 V, la resistenza da 100 MΩ e il voltmetro ideale. Il voltmetro ha i puntali che, anche se dalla figura non si vedono perchè si tratta di uno schema e non di una foto, sono collegati così: quello rosso alla resistenza e quello nero al negativo della batteria, quindi non sono collegati allo stesso punto. Riesci a vederlo? Comunque, indipendentemente da tutto, la lezione che dovresti trarre da questo è che non sempre quello che si pensa di aver capito lo si è capito veramente. Posso assicurarti che devi prima di tutto farti le ossa su queste cose per poter arrivare a saper leggere i circuiti: non hai via di scampo. Facciamo così: io non ti dico cosa si deve leggere sul voltmetro e tu, se sei d'accordo, puoi cominciare a costruire proprio questo circuito. Spero tu abbia un tester, devi procurarti inoltre una pila da 9V e alcune resistenze da 0.25W dei seguenti valori: 1 kΩ, 10 kΩ, 100kΩ, 1MΩ, 10 MΩ. Collega in serie la pila, la resistenza da 1 kΩ e il tester impostato su 20 V e segnati il valore di tensione che si legge sul tester, poi sostituisci la resistenza da 1K con quella da 10 k e segnati il nuovo valore di tensione e così via fino alla resistenza da 10 M. Una resistenza da 100 MΩ come quella della figura è un valore troppo alto e non si trova in commercio ma ne possiamo fare a meno. Cerca di non toccare con le mani la resistenza mentre fai le misurazioni altrimenti introdurresti un errore, soprattutto con le resistenze di alto valore. Puoi farti aiutare da un amico a tenere i tre componenti in contatto tra loro oppure puoi procurarti dei cavi da laboratorio con le pinzette che sono sempre utili. Se ti va poi possiamo discutere insieme i risultati e vedrai che comincerai a capire come funzionano i circuiti. ....... Semplice e naturale: non è pensabile di arrivare a capire i circuiti complessi senza aver capito bene le leggi elementari del loro funzionamento. Spesso, come nel caso della legge di Ohm, si tratta di formule semplicissime, ma la loro semplicità va compresa a fondo.
Appendici
Radio Philips anni '50
Qualche mese fa un mio amico, in occasione di uno dei repulisti che capita di fare in una casa, per recuperare lo spazio occupato dal tempo, trovò la sua vecchia radio anni '50 e me la portò: "Fanne quel che vuoi" mi disse. Avevo da poco visto la collezione di Bruno e non potei fare a meno di pensare di restaurarla, con il suo aiuto. Ed ecco la sua prima lezione:
|
Ok admin, direi che il passo successivo sia quello di decidere cosa fare. Se sei d'accordo ti consiglierei di fare alcune cose semplici che, se sei fortunato (molto), potrebbero essere sufficienti a farla funzionare. Se poi non sei fortunato la cosa si complica molto perchè potrebbero necessitare operazioni di verifica, taratura, allineamento per le quali sono indispensabili strumenti come generatore di segnali ad alta frequenza e oscilloscopio che immagino tu non abbia a disposizione. Per le cose semplici invece basta il tester. Anzitutto dovresti organizzare la postazione di lavoro trovando un posto idoneo tenendo conto che ad un certo punto del lavoro sarà necessario accendere la radio completamente smontata e che saranno presenti nel circuito tensioni molto alte. Poi dovresti disporre il telaio della radio coricato da un lato in modo che sia facilmente accessibile dal lato valvole e dal lato componenti, possibilmente su un tavolo di plastica e piccolo dove sia possibile girarci intorno. In genere si riesce in questa cosa appoggiando il lato del trasformatore, che è pesante, sul piano di lavoro. Dovresti poi stamparti gli schemi interni e le corrispondenze con i contatti sugli zoccoli di tutte le valvole che trovi qui che ti saranno utilissimi per orientarti: per trovare nel circuito un componente evidenziato nello schema elettrico devi individuare un percorso breve dei collegamenti che ti conduca ad un punto facilmente individuabile nel circuito e, se ti organizzi in modo che tutti i piedini delle valvole siano facilmente individuabili, l'operazione diventa abbastanza agevole. A questo punto saresti pronto per individuare e sostituire tutti i condensatori elettrolitici. Ti consiglio di farlo senza starti a chiedere se effettivamente ce ne sia bisogno: anche se dovessero ancora funzionare (che è molto difficile) funzionerebbero comunque ancora per poco tempo e una loro rottura significherebbe un corto circuito sull'alimentazione che è una cosa pericolosa per l'incolumità del trasformatore di alimentazione e per la AZ1. Io, guardando lo schema, ne vedo solo tre di condensatori elettrolitici: due sono uguali 32uF350V e puoi sostituirli con 47uF350V che è un valore facile da trovare (meglio se 400V). Nello schema sono posizionati tra il trasformatore e la AZ1 e dovresti riuscire ad individuarli nel circuito seguendo il filo che esce dal trasformatore e riconoscendo la resistenza da 100ohm che si collega tra loro. Questa operazione di riuscire ad individuare i componenti nel circuito le prime volte può risultare molto difficoltosa ma purtroppo va fatta. Il terzo elettrolitico che vedo è sul gruppetto catodico di EF6 (piedini 4 e S nello schema) ed ha un valore di 10uF, la tensione non è riportata sullo schema ma può andare bene un 63V. Per ora mi fermo qui, fammi sapere. |
25 luglio 2011
Grammofono a manovella
Sebago
Ah i vecchi LP di vinile con il loro bel fruscio di cose antiche...
Bruno Valente
...E' vero!! è sempre emozionante ascoltarli. Vi faccio vedere e ascoltare il mio vecchio portatile a manovella, quindi alzate il volume :-)

Elettrotecnica e non solo (admin)
Un gatto tra gli elettroni (IsidoroKZ)
Esperienza e simulazioni (g.schgor)
Moleskine di un idraulico (RenzoDF)
Il Blog di ElectroYou (webmaster)
Idee microcontrollate (TardoFreak)
PICcoli grandi PICMicro (Paolino)
Il blog elettrico di carloc (carloc)
DirtEYblooog (dirtydeeds)
Di tutto... un po' (jordan20)
AK47 (lillo)
Esperienze elettroniche (marco438)
Telecomunicazioni musicali (clavicordo)
Automazione ed Elettronica (gustavo)
Direttive per la sicurezza (ErnestoCappelletti)
EYnfo dall'Alaska (mir)
Apriamo il quadro! (attilio)
H7-25 (asdf)
Passione Elettrica (massimob)
Elettroni a spasso (guidob)
Bloguerra (guerra)