Indice |
Premessa
Un discreto numero di utenti di Electroyou è costituito da studenti, i quali spesso chiedono aiuto per la risoluzione di esercizi. Generalmente sono svolti nel forum, preferibilmente con una interazione didattica tra l'esperto o gli esperti disponibili e lo studente.
Pensavo, tempo fa, quando mi illudevo ancora che questo sito fosse apprezzato per il suo intento formativo, di raccoglierli ed organizzarli in modo da poter essere parte di un testo di Elettrotecnica di base, generato proprio dalla mia attività internettiana.
Poi le cose vanno diversamente da come si sogna, sia perché l'impresa presenta obiettive difficoltà, sia perché intervengono fattori esterni che rallentano, se non fermano, lo sviluppo del sito, sia perché molti legami instauratisi si sfaldano e c'è sempre chi arriva ad insegnarti cosa fare e come farlo, liquefacendo la passione originaria, ma fondamentalmente perché manca la determinazione necessaria, e probabilmente anche la capacità per portarla a termine.
Beh, insomma, tutta la pappardella iniziale vuol essere una premessa (magari con un messaggio subliminale) per giustificare il titolo di questo articolo in cui riporto alcuni degli esercizi raccolti dal forum.
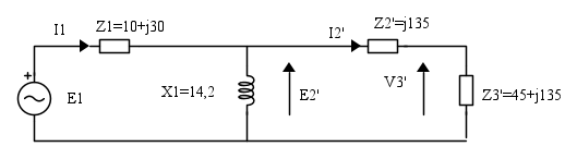
Es. 1
Nel circuito di figura calcolare le correnti nei rami.
Con Millman
Con sovrapposizione degli effetti
Solo E1
Solo E2

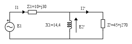
Es. 2
Determinare l'indicazione del wattmetro


Indicando con VL la tensione concatenata ai capi della stella di induttanze

La corrente nelle induttanze vale

Per l'indicazione del wattmetro occorre calcolare la corrente nella induttanza e lo sfasamento tra il fasore concatenata
ed il fasore 
La corrente detta ritarda di 90 gradi rispetto alla tensione di fase 2 la quale ritarda di 90 gradi rispetto alla tensione
Nel calcolo si è scelta la fase zero il fasore
e si è considerata diretta la terna delle tensioni
Grafico fasoriale
Es. 3
Determibare la tensione Vx
Nel precedente procedimento è stato utilizzato il metodo della falsa posizione che consiste nello scegliere un valore arbitrario ma opportuno per la grandezza cercata (tensione o corrente), che è l'effetto prodotto dal generatore, risalendo quindi al valore del generatore che l'avrebbe prodotto. Si calcola quindi il rapporto tra il valore cosi' trovato e quello dell'effettivo generatore presente. Per tale rapporto vanno moltiplicati i valori di tutte le altre grandezze del circuito in cui si era scelto arbitrariamente il valore della grandezza cercata. Nel caso specifico si è scelto
trovando che il generatore di corrente agente dovrebbe avere in tal caso una corrente di 10 A. Il generatore effettivo ha però una corrente di 6 A per cui il valore di Vx che con la scelta arbitraria era di 2 V, varrà
- NB: sul metodo usato e sulla sua estensione si veda il magistrale articolo di PietroBaima
Es. 4
Nel seguente circuito determinare
- potenza attiva e reattiva del generatore
- potenza attiva e reattiva totale delle impedenze
Il trasformatore non ha perdite di alcun tipo, né flussi dispersi
Metodo che utilizza il circuito equivalente del trasformatore
la riluttanza del circuito magnetico del trasformatore è

l'induttanza del primario è perciò
la corrispondente reattanza è
Il trasformatore, non avendo nessun tipo di perdite, è ideale ed il circuito può essere allora così rappresentato
si ha il rapporto di trasformazione

Le impedenze al secondario possono essere trasportate al primario moltiplicando per il quadrato del rapporto di trasformazione, ricavando il circuito







Le potenze richieste
Calcoleremo le potenze complesse dove la parte reale è la potenza attiva mentre quella immaginaria è la reattiva
Altro metodo
Con riferimento al precedente circuito in cui sono rappresentate le reattanze di auto e mutua induzione, si possono scrivere le equazioni

dove si ha

Quindi





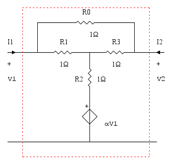
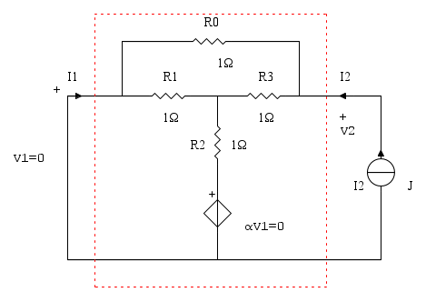
Es. 5
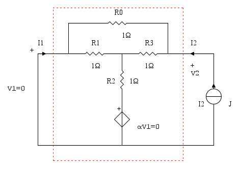
Dato il doppio bipolo di figura, calcolare la matrice delle conduttanze.
NB: i terminali uscenti dal rettangolo tratteggiato sono le due porte del bipolo, la 1 a sinistra, la 2 a destra.
Convenzionalmente si considerano positive le correnti che entrano dal terminale assunto a potenziale più alto, cioè quello contrassegnato con il "+"
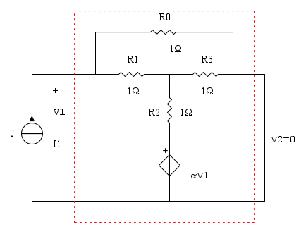
Calcolo di 
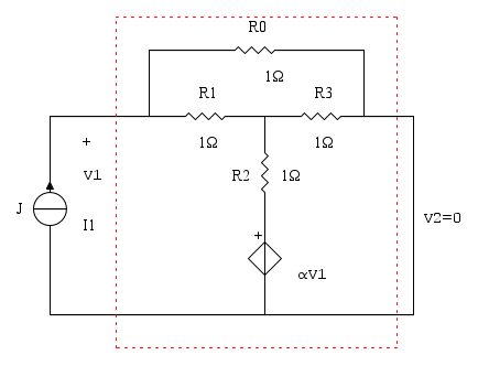
Si cortocircuita la porta 2, si impone una corrente alla porta 1 con un generatore di corrente (J = I1) entrante dal terminale assunto a potenziale più alto, si calcola la tensione alla porta 1 cioè ai capi del generatore ideale di corrente imposto. (Oppure si impone la tensione V1 e si calcola la corrente I1)







Calcolo di 
Si cortocircuita la porta 1 (V1 = 0), si impone la tensione alla porta 2 con un generatore ideale di tensione (V2 = E), si calcola la corrente I1
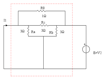
Trasformiamo la stella nel triangolo equivalente
Ra è cortocircuitata mentre R0 è in parallelo ad Rc
Calcolo 
Si cortocircuita la porta 2 (V2 = 0) , si impone una tensione alla porta 1 (V1 = E), si calcola la corrente I2 entrante sempre dal terminale assunto a potenziale più alto (+)




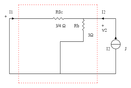
Calcolo di 
Si cortocircuita la porta 1, V1 = 0, si impone la corrente I2 con un generatore di corrente (I2 = J), si calcola la tensione V2, cioè ai capi del generatore di corrente

Elettrotecnica e non solo (admin)
Un gatto tra gli elettroni (IsidoroKZ)
Esperienza e simulazioni (g.schgor)
Moleskine di un idraulico (RenzoDF)
Il Blog di ElectroYou (webmaster)
Idee microcontrollate (TardoFreak)
PICcoli grandi PICMicro (Paolino)
Il blog elettrico di carloc (carloc)
DirtEYblooog (dirtydeeds)
Di tutto... un po' (jordan20)
AK47 (lillo)
Esperienze elettroniche (marco438)
Telecomunicazioni musicali (clavicordo)
Automazione ed Elettronica (gustavo)
Direttive per la sicurezza (ErnestoCappelletti)
EYnfo dall'Alaska (mir)
Apriamo il quadro! (attilio)
H7-25 (asdf)
Passione Elettrica (massimob)
Elettroni a spasso (guidob)
Bloguerra (guerra)


















