Indice |
Presentazione
L'articolo analizza il controllo dei guasti a terra nelle reti trifasi in Media Tensione. Definisce tensione e correnti omopolari ed indica i circuiti di misura secondo le Regole Tecniche di Connessione, trattate dalla norma CEI 0-16. E' l'appendice teorica dell' articolo recentemente pubblicato, che illustra l'apparecchiatura per la verifica del Dispositivo Generale e del Sistema di Protezione Generale, messo a punto da ESIsnc.
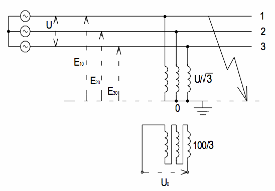
La tensione omopolare: definizione e circuito di misura
La tensione ompolare rappresenta la tensione del centro stella reale del sistema rispetto a quello ideale, coincidente con il baricentro del triangolo delle tensioni concatenate.
Nella figura 1 è rappresentato il guasto della fase 1 a terra.
Essa è così definita:

In tali condizioni le fasi 2 e 3 assumono, rispetto a terra, il valore della tensione concatenata. Il centro stella O si sposta, nel grafico vettoriale, nel vertice superiore del triangolo.
La tensione omopolare al primario del trasformatore assume il valore della stellata del sistema.
Il TV per il rilievo della tensione omopolare è del tipo con primario collegato a stella e secondario a triangolo aperto.
In assenza di guasto, la tensione su ogni avvolgimento primario è pari alla stellata
, mentre su ogni avvolgimento secondario si hanno
.
Poiché le tre tensioni secondarie sono in tal caso sfasate di 120°, la tensione misurata ai terminali del triangolo aperto, che è la somma vettoriale, è nulla.
In presenza del guasto, la tensione è
volte maggiore sulle due fasi non interessate dal guasto.
Ai capi del triangolo secondario aperto si ha allora la somma vettoriale di due tensioni pari a
tra loro sfasate di 60°, che è lo sfasamento delle concatenate primarie U21 ed U31 che corrispondono, rispettivamente a E20 ed E30. nella situazione di guasto. (vedi diag. vettoriale)
In definitiva si ha:
Il TV, come detto, durante il guasto franco a terra sulla MT ha gli avvolgimenti primari sottoposti ad una tensione pari a √3 volte la tensione nominale.
Per questo la norma CEI 0-16 richiede per il TV omopolare un fattore di tensione pari a 1,9 per 30 secondi.
Quando si deve impostare la regolazione fornita dal Distributore (p.e.
primari cioè lato MT) della tensione omopolare per la protezione direzionale di terra 67N vuol dire che all'ingresso del relè di protezione si ha una tensione Urele così calcolata (Urele è la soglia di tensione omopolare della 67N):
cioè
Nell'esempio se
allora
.
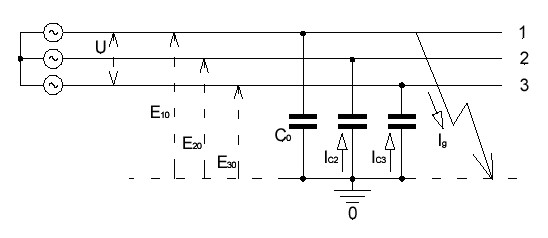
Corrente omopolare: definizione e circuito di misura
Nelle condizioni di guasto illustrate nello schema di figura precedente si ha il seguente diagramma vettoriale
quindi:
e poiché
si ha
La cosa più importante da sottolineare è che la corrente di guasto Ig è indipendente dal punto di guasto
all'interno della rete, ma dipende solo dalla sua capacità complessiva verso terra
(ovviamente a parità di
tensione nominale di esercizio).
Si consideri un punto generico della rete, ed immaginiamo di dividerla in due parti, una a valle ed una a monte di tale punto. Si ha la situazione rappresentata nello schema seguente che in conseguenza di un
guasto franco a terra (a valle)
p.e. della fase 1 è :
Per definizione la corrente omopolare vale
e ricordando la relazione della corrente di guasto a terra si ottiene
e siccome
in conclusione è
In termini tecnici si usa dire che la corrente omopolare nella sezione in esame è fornita dalla parte di rete sana a monte (il guasto è localizzato a valle) di capacità equivalente C0s = C0 − C0G
Il diagramma vettoriale delle tensioni e correnti omopolari è quello sottostante:
Se consideriamo la solita sezione di rete, ma con un
guasto franco a terra (a monte)
p.e. della fase 1, si ha la situazione in figura :
La solita definizione della corrente omopolare fornisce ora
e quindi
e ricordando che
in conclusione è
Anche in questo caso la corrente omopolare nella sezione di rete in esame è fornita dalla parte di rete sana a valle (il guasto è localizzato a monte) di capacità equivalente C0S. Il relativo diagramma vettoriale risulta :
E' perciò evidente che si può distinguere la posizione del guasto rispetto al punto della rete in cui è posizionato il rilevatore di corrente omopolare semplicemente esaminando la relazione di fase della corrente omopolare con la tensione omopolare già definita al primo paragrafo:
In pratica questo compito viene svolto dal relè di protezione
67N: direzionale di terra
Agli effetti pratici negli impianti di distribuzione MT è importante discriminare il guasto a terra a valle (di utente) da quello a monte (del Distributore) assunto che la sezione di misura della corrente omopolare sia coincidente con il punto di consegna dell'energia (la RTC CEI 0-16 riporta lo schema seguente) :
I settori d'intervento della protezione 67N per le soglie a neutro isolato e neutro compensato riportate nella norma CEI 0-16 Allegato B sono rappresentate nelle figure seguenti :
La corrente omopolare IO per guasto a valle del punto di consegna è rappresentata più grande di quella per guasto a monte perchè la rete MT del Distributore è di regola più estesa, quindi con COS maggiore, di quella di utente.
La corrente omopolare I0min rappresenta la soglia di regolazione minima sotto la quale la protezione 67N non interviene.
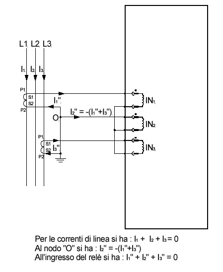
Le correnti di ingresso del relè.
Collegamento con 3 TA
Collegamento con 2 TA
Regole Tecniche di Connessione: CEI 0-16
RINGRAZIAMENTI
Anche questa volta ADMIN ha svolto un egregio lavoro di formattazione dell'articolo con aggiunte esplicative laddove lo scritto originale risultava troppo stringato e poco "divulgativo". Quindi un sentito ringraziamento per il paziente e competente lavoro.

Elettrotecnica e non solo (admin)
Un gatto tra gli elettroni (IsidoroKZ)
Esperienza e simulazioni (g.schgor)
Moleskine di un idraulico (RenzoDF)
Il Blog di ElectroYou (webmaster)
Idee microcontrollate (TardoFreak)
PICcoli grandi PICMicro (Paolino)
Il blog elettrico di carloc (carloc)
DirtEYblooog (dirtydeeds)
Di tutto... un po' (jordan20)
AK47 (lillo)
Esperienze elettroniche (marco438)
Telecomunicazioni musicali (clavicordo)
Automazione ed Elettronica (gustavo)
Direttive per la sicurezza (ErnestoCappelletti)
EYnfo dall'Alaska (mir)
Apriamo il quadro! (attilio)
H7-25 (asdf)
Passione Elettrica (massimob)
Elettroni a spasso (guidob)
Bloguerra (guerra)