Indice |
Presentazione del problema
No, non si tratta della riproposta dello
zio Podger che appende un quadro! (Consiglio di leggerlo per chi non conoscesse l'episodio ;) )
Non molto tempo fa arriva una di quelle domande che non si riesce subito a catalogare:
a casa mia non c'è l'impianto di terra. A volte ho pensato di mettere il filo centrale collegato ad un chiodo inchiodato nel muro. Funzionerebbe? E se no perché?
E' una domanda seria o una provocazione?
Ho pensato più volte di elencare quali sono i principali argomenti che attizzano liti nei forum ed ho sempre concluso che in fondo non ce ne sono che ne escludono la possibilità.
Ci sono i classici come politica e religione, certo, ma anche motori a magneti permanenti, amplificatori valvolari, stagno senza piombo, DI.CO, as Built, Arduino, etere, scie chimiche, motori autofrenanti, teorie fisiche rivoluzionarie, netiquette, regole del forum.
Ci sono pure masse e masse estranee, od il valore che deve avere la resistenza dell'impianto di terra, come nel caso del thread che mi ha spinto a scrivere questo articolo.
Alla domanda se il chiodo nel muro può bastare, ho d'impulso risposto così (ero ancora nel periodo delle vignette)
Ma poi ho aggiunto una considerazione un po' più seria
- Beh, tralasciando la spiegazione di Piperita Patty, tenendo presente che nemmeno un picchetto nel terreno da solo è sufficiente come protezione dai contatti indiretti, se non è coordinato con un interruttore differenziale, la ragione per cui un chiodo nel muro non serve a nulla, è che il valore di resistenza che esso offre ad una eventuale corrente di dispersione dovuta ad un guasto, è troppo elevato perché possa essere utile per l'intervento di un differenziale di 30 mA.
Pensavo che la cosa si concludesse così, ma mi sbagliavo.
In effetti le ragioni ci sono, e devo riconoscere che "il coordinamento tra l'impianto di terra ed il differenziale" è una prescrizione normativa imperfetta. Essa stabilisce un limite superiore al valore della resistenza di terra che, nel caso di un differenziale da trenta milliampere è milleseicentosessantasei ohm, per non citare i cinquemila nel caso di un differenziale da dieci mA. Non si fa alcun cenno ad un coefficiente di sicurezza, che anche il senso comune dovrebbe suggerire. E' come se progettando un filo di sostegno in acciaio, avente carico di rottura di 500 N/mm2, per sostenere un peso di 1000 N, si scegliesse un filo di 2 mm2.
Dovrebbe essere quasi naturale non accontentarsi di un impianto di terra avente resistenza di 1666 ohm un valore che, forse, anche un bel chiodo in un muro umido potrebbe realizzare.
Assodato questo, alla domanda se è più sicuro un impianto di terra con
od uno con
? (E: Earth: terra), entrambi ovviamente coordinati con il differenziale, cosa si deve rispondere?
Inoltre: sono entrambi a regola d'arte o no?
Ecco, la discussione del topic finisce per ruotare attorno alle risposte a queste due domande che formano due partiti pronti a combattersi, nonostante, in ultima analisi, tutti siano sostanzialmente d'accordo su quale sia la situazione da preferire.
In questo articolo cerco di analizzare il problema.
Innanzitutto do le mie risposte alle due domande precedenti: se la resistenza di terra non cambia, entrambi gli impianti sono sicuri allo stesso modo ed entrambi sono a regola d'arte. Per l'articolo 2 della famosa legge 186/68 un impianto eseguito secondo le Norme CEI è da considerare a regola d'arte e le Norme CEI, per la protezione dai contatti indiretti nei sistemi TT, prescrivono che la resistenza di terra deve essere inferiore a 50/Idn con Idn corrente nominale di intervento del differenziale, e se questa è 30 mA, il limite da non superare è, come già detto, 1666 ohm. Sia 100 che 1000 sono inferiori, quindi...
Grafici fondamentali
Le normative sulla sicurezza si basano su dati sperimentali che definiscono la pericolosità della corrente. Il pericolo è rappresentato dal valore della corrente che attraversa il corpo e dal tempo in cui vi permane.
Pericolosità della corrente
Nella figura precedente è mostrata in tratteggio la curva limite che le norme assumono per la sicurezza. Essa si trova all'interno di altre due curve continue che delimitano la zona in cui non c'è pericolo di danni fisiologici (a sinistra) e la zona in cui il pericolo è quasi certo (a destra). Nella zona intermedia ci possono essere inconvenienti fisiologici anche molto fastidiosi ma non permanenti.
Curva di sicurezza
Invece che alla corrente, che rappresenta il vero pericolo, è più comodo riferirsi alla tensione che applicata al corpo dà luogo alla corrente che lo attraversa. Questa dipende dalla resistenza considerata.
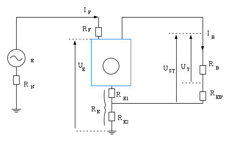
La persona può essere schematizzata da due resistenze in serie: la resistenza vera e propria del corpo, indicata con RB (B:body), e la resistenza verso terra della persona indicata con REB. Con UT si indica la tensione cui è sottoposto effettivamente il corpo, detta tensione di contatto, con UST la tensione preesistente al contatto denominata tensione di contatto a vuoto.
La resistenza del corpo umano, RB, non è uguale per tutti e dipende anche dalla tensione. A 50 V ad esempio è per il 95% delle persone di 725 ohm, a 220 V di 500 ohm. Tenendo poi anche conto della resistenza di contatto del corpo con il terreno,
all'interno di edifici ed
all'esterno, si ottengono, a partire dalla curva tratteggiata della precedente figura, le tensioni di contatto a vuoto, le UST, dette curve di sicurezze. Nella seguente tabella sono riportati alcuni valori della curva per ambienti ordinari.
| | |
|
|---|---|---|---|
| 50 | 1725 | 29 | 5000 |
| 75 | 1625 | 46 | 600 |
| 90 | 1600 | 56 | 450 |
| 110 | 1535 | 72 | 360 |
| 150 | 1475 | 102 | 270 |
| 230 | 1375 | 167 | 170 |
| 280 | 1370 | 204 | 120 |
Intervento differenziali
L'interruttore differenziale è il dispositivo usato per interrompere l'alimentazione, quando ci sono condizioni di pericolo per le persone. La sua caratteristica di intervento tempo-corrente è definita nella precedente figura.
Ovviamente tale caratteristica non è stata scelta a caso, ma con l'intento di fare in modo che rappresenti una vera protezione per le persone. Osserviamo che una persona sottoposta a
, è attraversata da una corrente di
. Un interruttore con
, interviene allora, secondo la caratteristica, in
il che garantisce la sicurezza. Per questo motivo il differenziale è stato ed è tuttora denominato "salvavita".
Contatto diretto
Nel contatto diretto l'utente tocca una parte attiva. La tensione a cui è sottoposto è data da

![{U_{ST}} = \frac{E}{{1 + \frac{{{R_N}}}{{{R_B+R_{EB}}}}}} \quad [1]](/mediawiki/images/math/9/2/e/92e31ebefc3a87b51f4abd9a3597e063.png)
L'impianto di terra è ininfluente per quanto riguarda le tensioni di contatto cui è sottoposta la persona.
Poiché
.
Se
, com'è negli impianti di distribuzione dove
, la sicurezza non c'è. L'intensità della corrente è data da
per cui, l'unica difesa è in pratica il valore di REB che potrebbe essere maggiore di quello, molto cautelativo del resto, di 1000 ohm considerato dalle norme. Una regola basilare per l'utente è allora di mai intervenire sugli impianti elettrici in tensione a piedi nudi!
La prima vera protezione dai contatti diretti è meccanica, cioè barriere che impediscono l'involontario contatto con le parti attive.
Nel caso le barriere siano abbattute e le resistenze di contatto non siano tali da impedire una corrente superiore ai 10 mA, l'unica protezione è un dispositivo che intervenga in tempo utile ad interrompere l'alimentazione. Tale è l'interruttore differenziale ad alta sensibilità corrente nominale di intervento
.
Però è da considerare una protezione addizionale che non può sostituire le barriere.
Contatto indiretto
Nel contatto indiretto l'utente tocca una massa che per un guasto all'isolamento è in tensione.
Senza impianto di terra
RF è la resistenza di guasto (F:Fault), cioè il valore della resistenza del contatto tra la parte attiva e la massa, rappresentata, ad esempio come nel disegno, dalla carcassa metallica di una lavatrice, dovuto alla rottura o al deterioramento dell'isolamento principale. Quando RF = 0 il guasto si dice franco. Poiché RN è sempre molto minore di RE + REB ed RF può essere nulla o diventarla in breve tempo, non c'è molta differenza tra la tensione di contatto e la tensione del sistema verso terra, cioè
, quindi, in pratica, non c'è differenza rispetto al contatto diretto e l'unica protezione risulta REB. Anche la resistenza di guasto è, quanto più elevata, una protezione, aleatoria comunque e sulla quale non bisogna certo fare affidamento. Anche in questo caso l'unica protezione su cui si può sperare, è l'interruttore differenziale ad alta sensibilità. Ma non può essere considerato, come già osservato per il contatto diretto, una vera protezione perché interviene quando avviene il contatto e non lo previene.
Con impianto di terra
Consideriamo il sistema di distribuzione TT in cui l'impianto di terra del neutro, di resistenza RN, è distinto dall'impianto di terra dell'utente, RE. Consideriamo la persona in una punto del terreno dove il potenziale è nullo.
Quando il contatto non c'è ancora (RB + REB scollegate) si ha, indicando con UE la tensione totale di terra
E' un valore tanto più piccolo quanto più basso è il valore di RE
Quando il contatto avviene tale valore si abbassa


tanto più quanto più alto è RE. La cosa è però tanto meno importante quanto più basso è RE in quanto già UST è bassa
La situazione precedente è la peggiore e la tensione di contatto a vuoto coincide con la tensione totale di terra. Si ha quando l'utente si trova in una zona in cui il terreno ha potenziale zero. Ciò dipende dalla distanza dal dispersore. La tensione infatti è massima nella vicinanze del dispersore e decresce esponenzialmente allontanandosi da esso. Se l'utente si trova in una zona del terreno in cui il potenziale è più alto, la tensione di contatto a vuoto è inferiore alla tensione totale di terra. Lo schema di riferimento in tal caso è il seguente
Per la sicurezza occorre comunque riferirsi alla situazione più sfavorevole.
Guasto franco
Si ha quando RF = 0
Si ha in tal caso, sostituendo nella [2]
La tensione di contatto dipende dal rapporto tra RN ed RE
Se RE fosse 3,6 volte inferiore ad RN basterebbe solo l'impianto di terra per ottenere la condizione di sicurezza, cioè una tensione sulle masse inferiore a 50 V. Ma in genere non è così ed RE è sempre sufficientemente superiore ad RN. Esiste, a dire il vero, un valore limite superiore imposto al distributore, abbastanza elevato per RN, di 180 ohm, ma anche se, per un caso improbabile, si dovesse riscontrare tale valore, non vi si può fare affidamento in quanto RN può subire notevoli variazioni senza alcun preavviso.
In definitiva per un guasto franco non c'è in pratica alcun impianto di terra che garantisca la sicurezza.
Se RE da sola non può garantire la tensione di sicurezza, la presenza di un differenziale impedisce, se coordinato con la resistenza di terra, che una tensione superiore ai 50 V permanga sulle masse per un tempo intollerabile.
Se il differenziale non interviene, significa che la corrente che lo attraversa è inferiore alla sua corrente nominale, Idn. Supponiamo sia un 30 mA e la corrente di guasto sia di 29 mA. Se la resistenza di terra è
, sulle masse ci sono 29 V. La tensione di sicurezza è 50 V. Certo, se
sull'impianto di terra ce ne sono 2,9 di volt, ma non possiamo dire che sia meno pericolosa, perché una tensione di 29 V è anch'essa non pericolosa.
L'intervento del differenziale non è però immediato, quindi per il tempo di non intervento sulla massa c'è la tensione data da [2]. Se il guasto è franco, come visto, la tensione sulle masse è sempre superiore alla tensione di sicurezza in quell'intervallo.
Guasto non franco
Se il guasto non è franco nell'intervallo di tempo in cui il differenziale non interviene, se RE è bassa sulle masse può esserci una tensione di sicurezza.
Con
e con, al solito ,
abbiamo

mentre con
avremo

Il secondo valore è già di sicurezza, ma dobbiamo necessariamente affermare che il primo impianto è meno sicuro?
Se il differenziale non funziona non ci sono dubbi ovviamente, in quanto nel primo caso la tensione eccessiva permane per un tempo indefinito. Del resto lo scopo dell'impianto di terra è ridurre la tensione di contatto sulle masse che è tanto più bassa quanto minore è il valore della RE.
Il vecchio DPR 547/55 imponeva per RE il limite massimo di
, ma a quel tempo il differenziale non era ancora in uso ed il valore derivava da un compromesso che ipotizzava probabilmente certe condizioni per resistenze di terra e di guasto.
Il differenziale però è stato inventato e quel limite è diventato inutile. Infatti, se il differenziale funziona, ciò che si deve valutare è per quanto tempo la tensione superiore al limite di sicurezza di 50 V può permanere sulle masse. Qui occorre confrontare la curva di sicurezza tempo-tensione con la curva di intervento di un differenziale.
E' quanto mostra il grafico seguente. La curva di sicurezza è quella ordinaria; la curva di intervento in tensione del differenziale è ricavata da quella in corrente in base alle considerazioni seguenti
Le linee in rosso mostrano che una tensione di circa 200 V, secondo la curva di sicurezza, può permanere per circa 200 ms mentre un differenziale interviene in un tempo inferiore ai 50 millisecondi.
I 115 V dell'esempio potrebbero permanere per oltre 300 ms ma il differenziale interviene in meno di 100 ms.
Conclusioni
Con la corretta installazione del differenziale dobbiamo allora concludere che i due impianti, quello con
e quello con
, sono ugualmente sicuri e che entrambi sono costruiti a regola d'arte poiché un impianto si presuppone a regola d'arte se costruito secondo le norme CEI che impongono il coordinamento tra l'impianto di terra ed il differenziale, considerando curva di sicurezza e curva di intervento dei differenziali.
Si tenga anche presente la bassa probabilità che l'utente tocchi la massa proprio a partire dall'inizio di quell'intervallo di tempo in cui il guasto inizia, data l'esigua durata dell'intervallo stesso.
Certo, il differenziale deve essere sano ed intervenire nel tempo stabilito.
Non è comunque vietato discutere di quale valore sia meglio ottenere per la resistenza di terra e molte sono le ragioni a favore di un valore che non sia vicino al limite massimo ammesso dalle norme, come già si è detto all'inizio.
E probabilmente tutti siamo d'accordo che è preferibile l'impianto con
.
Nel tempo è sicuramente più affidabile, e se il differenziale non interviene, sulle masse, nel caso in cui la resistenza di guasto RF abbia e mantenga un valore sufficientemente elevato, c'è una tensione di sicurezza. Generalmente comunque il guasto non franco evolve verso un guasto franco.
Credo che si possa anche dire, che un impianto di terra di resistenza pari a 1000 ohm sia abbastanza difficile da realizzare se non si tenta con qualche chiodo nel muro e non si è su un terreno roccioso. Basta considerare una formula empirica, molto approssimata senza dubbio, che però dà un'idea della resistenza di terra di un picchetto infisso nel terreno:
con ρ la resistività del terreno in Ωm ed L profondità di infissione del picchetto. In un terreno con
un solo picchetto di lunghezza un metro fornisce una resistenza di 100 ohm.
- NB: Nei riferimenti sono riportati un paio di link per il calcolo della resistenza di terra dei dispersori.
Come ricordato in un link dei riferimenti, in alcuni paesi è stato stabilito un limite superiore per la resistenza di terra che si aggira sui duecento ohm. Direi che lo si può benissimo adottare anche se le normee CEI non lo prescrivono (di certo non lo vietano), senza sforzarsi sia di ottenere valori molto bassi, dell'ordine dell'ohm, sia di accontentarsi di valori al limite della sicurezza, tra l'altro anche questi difficili da ottenere se non si è su terreni con resistività elevatissima.
Qui entra in campo il progettista che farà la sua scelta in base alla situazione in cui si trova e, se è un progettista valido, certamente valuterà un idoneo coefficiente di sicurezza nel realizzare il valore di RE.
Per la regola d'arte, o si cambiano le norme CEI o si modifica l'articolo 2 della 186/68.
Riferimenti vari
- Fondamenti di sicurezza elettrica - Vito Carrescia - Ed. TNE (da cui sono tratte le immagini della curva di pericolosità della corrente, e della curva di sicurezza)
- Topic da cui ha origine l'articolo
- Valore massimo della resistenza di terra
- Calcolo resistenza di terra dei dispersori con EXCEL
- Dispersori elementari
- Curva di pericolosità della corrente (pag. 18)

Elettrotecnica e non solo (admin)
Un gatto tra gli elettroni (IsidoroKZ)
Esperienza e simulazioni (g.schgor)
Moleskine di un idraulico (RenzoDF)
Il Blog di ElectroYou (webmaster)
Idee microcontrollate (TardoFreak)
PICcoli grandi PICMicro (Paolino)
Il blog elettrico di carloc (carloc)
DirtEYblooog (dirtydeeds)
Di tutto... un po' (jordan20)
AK47 (lillo)
Esperienze elettroniche (marco438)
Telecomunicazioni musicali (clavicordo)
Automazione ed Elettronica (gustavo)
Direttive per la sicurezza (ErnestoCappelletti)
EYnfo dall'Alaska (mir)
Apriamo il quadro! (attilio)
H7-25 (asdf)
Passione Elettrica (massimob)
Elettroni a spasso (guidob)
Bloguerra (guerra)




