Sono svariate le tecniche utilizzate per identificare le microstrutture e i difetti dei materiali metallici o, più in generale, dei materiali. Queste tecniche permettono quindi di studiare e/o prevedere il comportamento dei materiali stessi.
Ci proponiamo di effettuare una breve rassegna di alcuni degli strumenti utilizzati:
- metallografia ottica;
- microscopio elettronico a scansione (SEM).
Metallografia ottica
Le tecniche di metallografia ottica permettono di studiare a livello micrometrico le caratteristiche e l'aspetto interno dei materiali. Si prende un piccolo campione di materiale metallico, ad esempio. La sua superficie viene prima di tutto preparata attraverso un processo molto accurato e laborioso, composto solitamente di quattro passaggi, al fine di rimuovere graffi o strati sottili deformati plasticamente dalla superficie del provino. In definitiva, è necessario ottenere una superficie lucidata a specchio e priva di ogni graffio ed impurezza.
Dopo averla pulita, la superficie viene sottoposta ad attacchi chimici. Naturalmente la scelta del tipo di attacco e del tempo di attacco dipende dal materiale in esame. Gli atomi che si trovano al bordo di grano verranno attaccati più velocemente di quelli all'interno del grano, in quanto sono impacchettati meno efficientemente. Come conseguenza di ciò, l'attacco produce delle scanalature sul bordo del grano.
Dopo tali fasi "preparatorie", il campione viene esaminato tramite il microscopio per metallurgia.
Il suo schema strutturale è il seguente:
Quando sono esposte alla luce incidente, le scanalature prodotte dall'attacco non riflettono la luce in maniera così intensa come il resto del materiale. In tal modo le scanalature appaiono come linee scure e rivelano in tal modo i bordi di grano. (Per una definizione di grano si rimanda a: Brevemente sulla solidificazione dei metalli, Cristallite, Bordo di grano).
Eventuali altri fasi esistenti e difetti vari interni reagiscono anch'essi differentemente all'attacco e si rivelano nelle micrografie.
Tramite le micrografie, inoltre, è possibile valutare anche la dimensione dei grani e il loro diametro medio. Un metodo per valutare la dimensione dei grani è il metodo ASTM, grazie al quale si ha la seguente fondamentale relazione:

dove N è il numero di grani per pollice quadrato su una superficie di materiale accuratamente attaccata e lucidata (usando un ingrandimento 100 X) e n è l'indice della dimensione dei grani ATSM ed è un numero intero.
Per determinare il diametro medio dei grani si procede con un altro metodo. Si traccia un linea casuale di lunghezza conosciuta sulla micrografia e dopo si conta il numero di grani intersecato dalla linea. Successivamente si calcola il rapporto tra numero di grani intersecati e lunghezza della linea, nL. Grazie alla relazione:

si calcola il diametro d. Nella fattispecie, C è una costante e M è l'ingrandimento della micrografia.
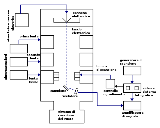
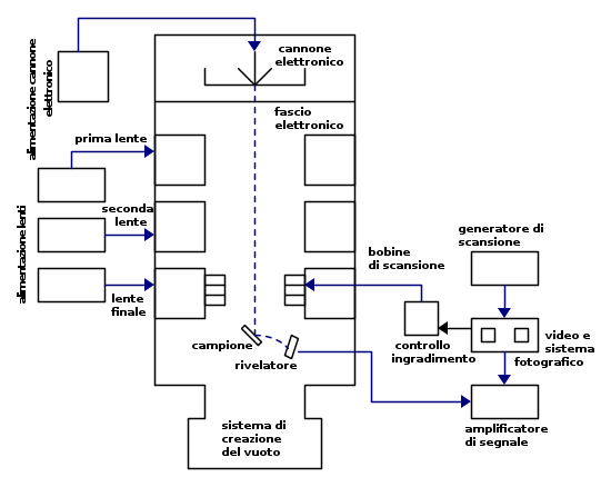
Microscopio elettronico a scansione (SEM)
Diversamente da quanto esposto nello strumento precedente, il SEM invia un fascio di elettroni indirizzato proprio sulla superficie "bersaglio", raccogliendo poi i segnali elettronici emessi dal materiale esaminato.
La struttura schematica del SEM è la seguente:
Il cannone elettronico produce un fascio di elettroni nella colonna a vuoto, in modo tale da (come detto in precedenza) colpire un punto preciso della superficie del materiale da studiare. Le bobine di scansione permettono poi al fascio di esplorare una piccola area di tale superficie. Gli elettroni retrodiffusi a basso angolo entrano in contatto con le protuberanze superficiali generando elettroni retrodiffusi secondari che producono un segnale elettronico. Questo, a sua volta, produce un'immagine con profondità di campo fino a circa 300 volte quella del microscopio ottico.
Piccola parentesi: cosa sono gli elettroni retrodiffusi?
Nella fattispecie, gli elettroni retrodiffusi rimandano ad una tecnica di studio cristallografica, resa disponibile proprio grazie all'utilizzo di un SEM ed è la EBSD (Electron Backscattered Diffraction): per info dettagliate si rimanda a: EBSD.
Spesso i campioni analizzati tramite SEM sono rivestiti con oro o altri metalli pesanti al fine di ottenere una migliore risoluzione e una migliore qualità di segnale.

Elettrotecnica e non solo (admin)
Un gatto tra gli elettroni (IsidoroKZ)
Esperienza e simulazioni (g.schgor)
Moleskine di un idraulico (RenzoDF)
Il Blog di ElectroYou (webmaster)
Idee microcontrollate (TardoFreak)
PICcoli grandi PICMicro (Paolino)
Il blog elettrico di carloc (carloc)
DirtEYblooog (dirtydeeds)
Di tutto... un po' (jordan20)
AK47 (lillo)
Esperienze elettroniche (marco438)
Telecomunicazioni musicali (clavicordo)
Automazione ed Elettronica (gustavo)
Direttive per la sicurezza (ErnestoCappelletti)
EYnfo dall'Alaska (mir)
Apriamo il quadro! (attilio)
H7-25 (asdf)
Passione Elettrica (massimob)
Elettroni a spasso (guidob)
Bloguerra (guerra)

