Indice |
Intro
Nella sua semplicità ed essenzialità, il finecorsa è un componente fondamentale nella stragrande maggioranza, per non dire nella totalità, dei sistemi di automazione, non solo industriale.
L'idea di dare qualche breve accenno sui finecorsa, mi è venuta leggendo questa discussione, anche se essa poi, verteva su tutt'altro argomento.
In effetti, pensandoci bene, il finecorsa è un po' come i conduttori elettrici, li trovi ovunque ci siano attività elettromeccaniche, comandi ed azioni/reazioni legate ad uno spostamento fisico.
Se poi, nel grosso pentolone dei finecorsa, ci mettiamo anche i veri e propri micro-switch, il campo si allarga ancora di più.
Troviamo i finecorsa, nei motori delle tapparelle (avvolgibili), nelle portiere delle automobili di una volta, servivano a dare il comando di luce abitacolo accesa/spenta a seconda dello stato aperto/chiuso della portiera, ma ci sono finecorsa anche nei paranchi elettrici, nelle porte automatiche, nell'ascensore che prendiamo quotidianamente.
Se a questi, aggiungiamo anche i sensori induttivi o di altra natura, che fungono da finecorsa, la lista si allunga ancora di piu'!
La definizione che darei di finecorsa sarebbe qualcosa di simile:
"Dispositivo elettromeccanico o elettronico atto alla commutazione di uno o più contatti, conseguentemente alla perturbazione esterna del suo stato di posizione"
Probabilmente però, detta in questo modo, in pochi capirebbero a cosa serve e soprattutto come funziona un finecorsa. Colpa mia che non dovrei dare delle definizioni, ma dovrei spiegare di cosa si tratta e come funziona.
Premessa
Prima di entrare nel dettaglio del funzionamento dei più comuni finecorsa, cercherò di chiarificare un messaggio ambiguo, prima proposto.
Nella mia definizione farlocca di finecorsa infatti, ho parlato anche di dispositivo "elettronico", in realtà non credo sia molto corretto attribuire ai proximity o ai sensori reed, l'appellativo di finecorsa, anche se in determinate applicazioni, il loro scopo è molto simile se non identico, almeno concettualmente.
Concetto di fine corsa
Come già detto, il fine corsa serve laddove sia necessario rilevare un avvenuto movimento o spostamento, che determini a sua volta una seguente azione del sistema o comunque un controllo, facciamo qualche esempio...
Verifica posizionamento di una valvola a sfera
Attraverso dei finecorsa meccanici (ad asta) opportunamente fissati al corpo valvola e rispetto all'asse di rotazione della sfera è possibile determinare lo stato di aperta o chiusa della stessa (ovviamente, la tecnologia del finecorsa meccanico, non può darci informazione sulle posizioni intermedie qualora la valvola risulti "a metà strada").
Qui sotto, l'esempio del cursore mobile solidale all'asse di rotazione della farfalla, che in base al posizionamento (aperto/chiuso) dell'attuatore, va a schiacciare il rispettivo finecorsa.
L'asta (testina) del finecorsa (FC) che viene schiacciata, determina la chiusura (o l'apertura se trattasi di contatto N.C. -Normalmente Chiuso-) di quello che in questo caso, è un contatto N.A. (Normalmente Aperto).
L'esempio precedente è riferito ad una valvola/sezionatore automatico, ma come ovvio, il concetto è estendibile ad ogni tipo di dispositivo, basta posizionare i finecorsa e realizzare la necessaria camma nella posizione più opportuna.
Commutando la valvola, rispetto alla posizione precedente, il cursore andrà a commutare il contatto N.A. del finecorsa di chiusura:
In questa immagine, i due microinterruttori di segnalazione stato valvola, sono ben visibili.
In sostanza, possiamo dire che il finecorsa, altro non è che un interruttore di posizione.
Finecorsa di posizione su asse tapparella
I finecorsa di salita e discesa, servono per regolare apertura e chisura della tapparella.
L'intervento di ciascun finecorsa determina l'arresto del motore, per quel determinato senso di rotazione.
Finecorsa in automazione
C'è poi tutta una serie di finecorsa, destinati al campo dell'automazione industriale, per applicazioni di processo e di sicurezza. Di seguito una breve panoramica.
Finecorsa per applicazioni di processo
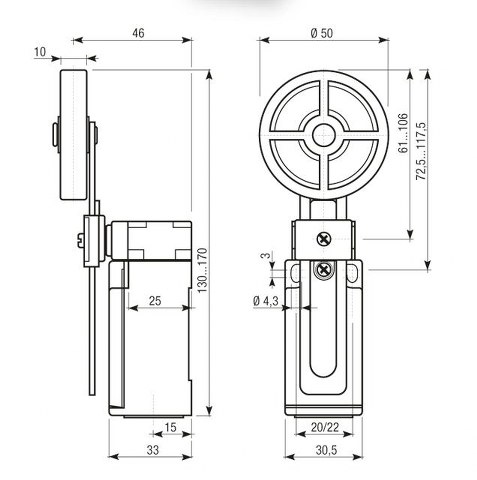
Finecorsa a leva con rotella
Ne esistono di svariate forme, con rotella centrale o laterale, con leva regolabile, con rotella maggiorata, ecc..
Questo tipo di finecorsa presenta un'asta imperniata sulla testata del dispositivo, attraverso un sistema di rinvio del movimento, l'escursione (non in tutti i modelli) di circa 180° (90° in un verso e 90° in quello opposto)dell'asta determina la commutazione dei contatti.
La rotella, ha l'effetto di aumentare la superficie di contatto e di smorzare l'effetto del contatto meccanico tra parte fissa (su cui il FC è imperniato) e la parte mobile.
Finecorsa ad asta
E' caratterizzato da un'asta (un cursore, una testina o una rotellina) che scorre all'interno della testata del finecorsa, ricorda un vero e proprio pulsante.
Finecorsa a leva
Oltre i finecorsa con leva e rotella, ci sono quelli con leva e asta fissa o regolabile. Il principio meccanico di azionamento è il medesimo di quelli a rotella.
Finecorsa a stelo omnidirezionale
Hanno la caratteristica di non avere l'elemento captativo vincolato alla testata del finecorsa, esso infatti, come suggerisce il nome, ruota su un fulcro in grado di muoversi in 3D.
Esistono innumerevoli configurazioni realizzative di un finecorsa, che si differenziano per forma costruttiva e per peculiarità dell'elemento mobile atto alla rilevazione. Questo consente di potere utilizzare in ogni applicazione, il dispositivo più confacente e performante per quella specifica attività.
Altri esempi di finecorsa
Finecorsa ad anello, per fune di sicurezza
Interruttore finecorsa
Finecorsa miniaturizzati
Caratteristiche dei finecorsa
In effetti, il finecorsa è un elemento di una semplicità funzionale disarmante, esso è genericamente costituito dalle seguenti parti:
- Contenitore
- Testata con elemento mobile
- Meccanismo di rinvio del movimento
- Blocco dei contatti (frutto)
Il contenitore e i vari operatori (testate con elementi mobili di rilevamento) li abbiamo più o meno già visti, diamo ora uno sguardo al sistema di rinvio del movimento e definiamo il concetto di Apertura positiva di un contatto.
La norma EN 60947-5-1 (CEI 17-45) definisce così l'operazione di apertura positiva di un elemento di contatto:
Raggiungimento della separazione dei contatti come risultato diretto di un movimento specifico dell'attuatore tramite elementi non elastici (per es. non dipendenti da molle).
Analogamente, la stessa norma, definisce l'ausiliario di comando con operazione di apertura positiva (azione diretta):
Ausiliario di comando avente uno o più elementi di contatto d'apertura accoppiati all'attuatore dell'ausiliario tramite elementi non elastici in modo che la completa apertura dei contatti d'apertura è ottenuta quando l'attuatore viene mosso attraverso la corsa d'apertura positiva con l'applicazione della forza indicata dal costruttore.
Basti ricordare che relativamente ad impieghi di sicurezza degli interruttori di finecorsa (fermo restando che un dispositivo possa comportarsi simultaneamente come contatto di manovra e di sicurezza), essi devono essere dotati di contatti ad apertura positiva, chiaramente identificati dal seguente simbolo impresso sul corpo del dispositivo.
Contatti a scatto lento
Il cursore porta contatti si muove con velocità proporzionale alla velocità di azionamento del finecorsa.
Contatti a scatto rapido
Il cursore porta contatti si muove con velocità indipendente dalla velocità di azionamento del finecorsa.
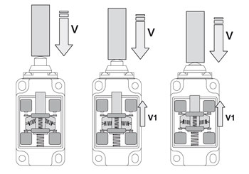
Blocchi contatti
Praticamente tutti i produttori di finecorsa per automazione, hanno implementato sistemi costruttivi che consentono la rapida modifica della caratteristiche di un finecorsa, si va dalla sostituzione della testata a quella dei blocchi contatti.
Normalmente dentro un finecorsa, trovano posto al massimo tre contatti (anche se generalmente si utilizzano dispositivi a due contatti) in diverse configurazioni possibili.
Queste alcune configurazini tipiche.
Un paio di applicazioni dal vivo
I finecorsa presenti sulla torretta dello chassis di un carrello, servono a dialogare con l'ambiente esterno... Il PLC posto nel quadro del carrello infatti, reagisce applicando il suo programma specifico, quando una camma esterna, posizionata lungo il percorso, va a schiacciare uno dei finecorsa (comando impulsivo non mantenuto). In questo modo, si può definire, quando il carrello deve arrestarsi, quando deve inclinarsi o aprire il suo coperchio e così via.
In questo caso il finecorsa di destra, gestisce la rilevazione del passaggio di un carrello, che nel breve tratto tra i due dispositivi deve ribaltarsi, se tale operazione non va a buon fine, il secondo finecorsa d'emergenza crea le condizioni per un allarme macchina e per il fermo linea.
Approfondimento
Segnalo questo link, nella sezione "Documentazione", sono disponibili diversi documenti PDF interessanti, liberamente accessibili e scaricabili.

Elettrotecnica e non solo (admin)
Un gatto tra gli elettroni (IsidoroKZ)
Esperienza e simulazioni (g.schgor)
Moleskine di un idraulico (RenzoDF)
Il Blog di ElectroYou (webmaster)
Idee microcontrollate (TardoFreak)
PICcoli grandi PICMicro (Paolino)
Il blog elettrico di carloc (carloc)
DirtEYblooog (dirtydeeds)
Di tutto... un po' (jordan20)
AK47 (lillo)
Esperienze elettroniche (marco438)
Telecomunicazioni musicali (clavicordo)
Automazione ed Elettronica (gustavo)
Direttive per la sicurezza (ErnestoCappelletti)
EYnfo dall'Alaska (mir)
Apriamo il quadro! (attilio)
H7-25 (asdf)
Passione Elettrica (massimob)
Elettroni a spasso (guidob)
Bloguerra (guerra)


