- Gli ultimi articoli di bartec
-
S7-200 e Stepper
pubblicato 15 anni fa, 2.549 visualizzazioni

In questo esempio collegheremo un motorino stepper (passo-passo) alle uscite del PLC. Per maggiori informazioni sul funzionamento di questi motorini consiglio il sito di Vincenzo Villa: www.vincenzov.net/tutorial/passopasso/stepper.htm
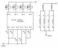
Il motorino usato è del tipo "unipolare" e verrà pilotato dal PLC in "wavemode" e "halfstep". Il wavemode è il sistema base nel quale le 4 fasi (A,B,C,D)del motore, vengono pilotate in modo sequenziale ad una alla volta.
L'halfstep (mezzo passo) segue invece la seguente successione.
Nel pilotaggio halfstep il motorino risulta più lento rispetto al pilotaggio wavemode ,in quanto, per fare un giro completo, ci vogliono 8 passi invece di 4, però in virtù di questo, avrà maggiore coppia al rotore. Come interfaccia di collegamento tra PLC e motorino stepper, si possono usare 4 relé a 24Vdc, oppure, per raggiungere anche velocità maggiori, si può usare un circuito con componenti elettronici.
[...] -
Primi passi con il simatic S7 200 (II Parte)
pubblicato 15 anni fa, 4.347 visualizzazioni

Per chi non ha il PLC S7-200 e relativo cavo di programmazione, consiglio l'utilizzo del simulatore fornitoci da CanalPLC. Le semplici cose da fare per scaricare questo simulatore, sono satate già dette nell'incontro precedente.
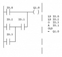
A differenza del KOP o LADDER, l'AWL è composto da istruzioni di comando. Nell'istruzione AWL, troviamo un'operazione e un operando:
A I0.0 (istruzione in AWL)
A = operazione I0.0 = operandoL'operzione specifica ciò che dovrà fare l'operando, alcune di queste sono:
A = and (combina il valore di bit tramite "and") O = or (combina il valore di bit tramite "or") LD = load (carica il valore di bit) AN = andnot (combina il valore di bit negato tramite "and") ON = ornot (combina il valore di bit negato tramite "or") LDN = loadnot (carica il valore di bit negato) [...] -
Primi passi con il simatic S7200
pubblicato 15 anni fa, 7.181 visualizzazioni

Io non sono né un insegnante né un programmatore provetto, e tanto meno ho frequentato corsi. Sono solo un normale elettricista che cerca di capirci qualcosina in più, sfruttando le risorse che internet ci propone. Le cose che scriverò sono solo semplici nozioni apprese da autodidatta.
Prima di tutto la sicurezza:
Mai modificare un programma creato dalla casa madre dell'apparecchiatura.
Rispettare sempre le norme di sicurezza quando si crea una nuova apparecchiatura.
Prima di capire il linguaggio AWL, diamo uno sguardo a quello che accade nel PLC prendendo in considerazione il linguaggio KOP (a contatti) che più si avvicina a noi elettricisti.
Il linguaggio KOP è anche detto LADDER. I simboli più frequenti sono:
[...]
I miei ultimi post dal forum
-
Eccitare e diseccitare un'uscita con un pulsante
ciao a tutti, vi prego di perdonarmi, in effetti ho sbagliato a scrivere il codice, non è NOP ma NOT LD I0.1 EU AN M10.0 LD I0.1 EU A M10.0 NOT... 23:52
-
Eccitare e diseccitare un'uscita con un pulsante
salve a tutti, con il PLC s7200 ci vuole il software STEP7 MicroWin V4.0 o precedente. Per attivare/disattivare un'uscita con un solo pulsante,... 23:52

Elettrotecnica e non solo (admin)
Un gatto tra gli elettroni (IsidoroKZ)
Esperienza e simulazioni (g.schgor)
Moleskine di un idraulico (RenzoDF)
Il Blog di ElectroYou (webmaster)
Idee microcontrollate (TardoFreak)
PICcoli grandi PICMicro (Paolino)
Il blog elettrico di carloc (carloc)
DirtEYblooog (dirtydeeds)
Di tutto... un po' (jordan20)
AK47 (lillo)
Esperienze elettroniche (marco438)
Telecomunicazioni musicali (clavicordo)
Automazione ed Elettronica (gustavo)
Direttive per la sicurezza (ErnestoCappelletti)
EYnfo dall'Alaska (mir)
Apriamo il quadro! (attilio)
H7-25 (asdf)
Passione Elettrica (massimob)
Elettroni a spasso (guidob)
Bloguerra (guerra)