Indice |
Premessa
Io non sono né un insegnante né un programmatore provetto, e tanto meno ho frequentato corsi. Sono solo un normale elettricista che cerca di capirci qualcosina in più, sfruttando le risorse che internet ci propone. Le cose che scriverò sono solo semplici nozioni apprese da autodidatta.
ATTENZIONE
Prima di tutto la sicurezza:
Mai modificare un programma creato dalla casa madre dell'apparecchiatura.
Rispettare sempre le norme di sicurezza quando si crea una nuova apparecchiatura.
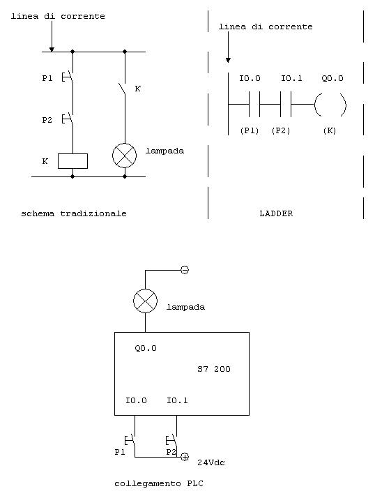
Prima di capire il linguaggio AWL, diamo uno sguardo a quello che accade nel PLC prendendo in considerazione il linguaggio KOP (a contatti) che più si avvicina a noi elettricisti.
Simboli
Il linguaggio KOP è anche detto LADDER. I simboli più frequenti sono:
Nel disegno ho accostato simboli che usiamo per disegnare circuiti elettrici, ai corrispondenti simboli utilizzati nella programmazione in LADDER.
In pratica il LADDER funziona proprio come uno schema elettrico tradizionale.
Per iniziare a comprendere come si comporta il PLC in base al codice LADDER osserviamo il seguente
esempio
In questo esempio tramite il codice LADDER si abbina all'ingresso del PLC "I0.0" un contatto (n.o.), all'ingresso "I0.1" un'altro contatto (n.o.) e all'uscita "Q0.0" si collegherà la lampada. I due contatti (n.o.) utilizzati nello schema LADDER, sono collegati in serie, quindi l'uscita "Q0.0" sarà attiva solo se i due contatti saranno chiusi contemporanemente. La pressione del pulsante P1 posto sull'ingreso "I0.0" del PLC, comporterà l'energizzazione del contatto (n.o.) abbinato a tale ingresso. Ci sarà un passagio di stato del bit "I0.0" da "0" ad "1", per cui il contatto passerà da (n.o.) a (n.c.).La stessa cosa avverrà se si preme il pulsante P2 abbinato all'ingresso "I0.1", il contatto (n.o.) di I0.1, passerà a (n.c.) La chiusura contemporanea dei due contatti comporterà l'attivazione dell'uscita "Q0.0", e quindi l'accensione della lampada.
Schema per autoritenuta
Dallo schema tradizionale si osserva che premendo il pulsante "S1" si eccita il relé "K1" che rimarrà eccitato grazie al suo contatto di autoritenuta. Contemporaneamente rimarrà accesa la lampada. Per ritornare alla condizione iniziale (relé diseccitato e lamapada spenta) bisogna premere il pulsante "S2".
Questo semplice funzionamento si potrà ottenere su un PLC, programmandolo con il codice LADDER illustrato in figura.
Il collegamento del PLC è lo stesso dell'esempio precedente: due pulsanti (n.o.) su gli ingressi "I0.0" e "I0.1" e la lampada sull'uscita "Q0.0". L'autoritenuta "software" si ottiene tramite il contatto (n.o.) chiamato "Q0.0", il quale rispecchia l'andamento dell'uscita, infatti porta lo stesso nome. Se l'uscita è attiva, (24Volts sulla lampada) il contatto "Q0.0" è "energizzato" per cui il suo stato passa da aperto a chiuso.
Per chi non avesse a disposizione un PLC S7200 con relativo cavo di programmazione e software "STEP7 MicroWin" è possibile utilizzare un bel simulatore, ed iniziare a sperimentare i propri programmi.
Prima di tutto bisogna scaricare dal sito Siemens il software versione prova di Step7 microwin:
STEP7-MicroWIN_V40_Evaluation.exe
Il software funziona regolarmente; l'unico problema è che dopo un certo numero di utilizzi si blocca. I programmi che farete con il suddetto software li andrete a salvare in una vostra cartella tramite il comando "esporta" presente nel menu "file",(quindi verranno salvlati con estensione .awl)
Questi vostri programmi li andrete a testare sul "simulatore" di PLC S7200; il software per il simulatore lo travate sul sito spagnolo, "CanalPLC". Una volta entrati nella home page di CanalPLC subito potrete scaricare il programma.
Questo software ha però bisogno, per il corretto funzionamento, di una chiave di accesso da inserire ad ogni avvio dello stesso, tale chiave la potrete richiedere gratuitamente tramite email all'indirizzo: canalplc@ya.com , personalmente ho mandato una mail del genere: access key for S7 200 simulator. Dopo due tre gorni mi hanno risposto.
Buon lavoro.

Elettrotecnica e non solo (admin)
Un gatto tra gli elettroni (IsidoroKZ)
Esperienza e simulazioni (g.schgor)
Moleskine di un idraulico (RenzoDF)
Il Blog di ElectroYou (webmaster)
Idee microcontrollate (TardoFreak)
PICcoli grandi PICMicro (Paolino)
Il blog elettrico di carloc (carloc)
DirtEYblooog (dirtydeeds)
Di tutto... un po' (jordan20)
AK47 (lillo)
Esperienze elettroniche (marco438)
Telecomunicazioni musicali (clavicordo)
Automazione ed Elettronica (gustavo)
Direttive per la sicurezza (ErnestoCappelletti)
EYnfo dall'Alaska (mir)
Apriamo il quadro! (attilio)
H7-25 (asdf)
Passione Elettrica (massimob)
Elettroni a spasso (guidob)
Bloguerra (guerra)