Indice |
Abstract
In recente post ho trattato il comportamento di un circuito con generatore controllato la cui risoluzione sembrava a primo acchito portare ad equazioni indeterminate. Poi il grande RenzoDF mi ha fatto riflettere un po' più attentamente sulla particolarità e criticità della soluzione e sono nate queste righe.
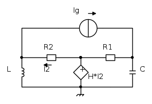
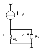
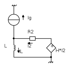
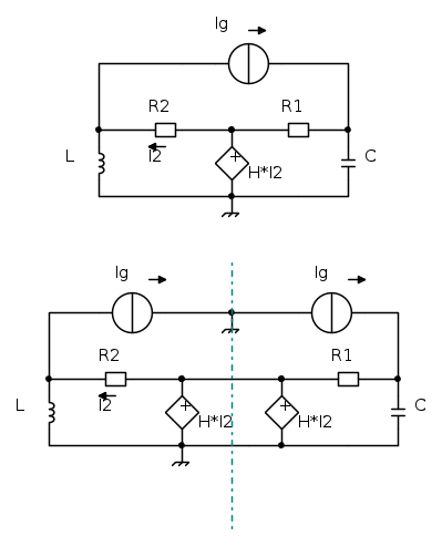
Il circuito
Lo schema è abbastanza semplice, Ig applica un gradino di corrente in
tipo
, le condizioni iniziali sono
e
ed abbiamo un generatore ideale di tensione controllato dalla corrente
dalla transresistenza
.
e la domanda dell'esercizio era "determinare la tensione ai capi di C per
"...
facile! A transitoro finito sostituiamo le induttanze con cortocircuiti ed apriamo i condensatori...
La trappola sta nei valori numerici dati,
...e l'entusiasmo iniziale si smorza velocemente...scrivendo la tensione al nodo A si ha
ma con
otteniamo un bel niente....
come dire qualsiasi corrente soddisfa l'equazione. Ne è di nessun aiuto qualche altra condizione ottenuta da
infatti la tensione al nodo A è fissata dal generatore ideale ed il fatto che ci passi o meno
è del tutto indifferente.
Un approccio diverso
Il problema sta nel fatto che è sì vero che qualsiasi corrente è possibile con L cortocircuitata e C aperto, ma è anche vero che il circuito tende a questa condizione, in senso stretto non la raggiunge mai, e quello che avviene prima deve eliminare l'indeterminazione sopra trovata.
Si potrebbe ovviamente scrivere il polinomio caratteristico della rete direttamente via Kirchhoff o che altro, oppure la fdt tra
e
ma cercherò invece una via meno diretta ma che chiarisca meglio il comportamento del circuito anche al variare di
.
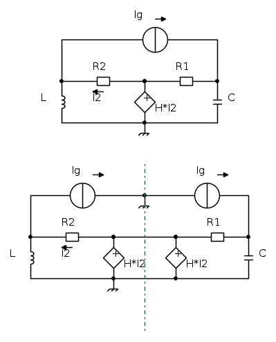
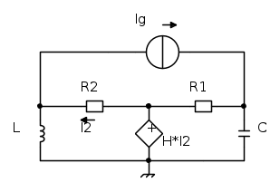
La prima cosa è dividere il circuito in due parti, raddoppiando i generatori
si riesce infatti ad evidenziare che le metà destra e sinistra del circuito lavorano in maniera indipendente e si possono quindi studiare una alla volta...
Metà destra
La vediamo per prima, perchè è meno interessante e la accantoniamo velocemente.
Abbiamo infatti due generatori indipendenti dato che
è esterna al circuito e poi un semplice circuito RC del primo ordine.
La costante di tempo vale
e nel dominio della s di Laplace avremo un polo reale negativo

Quindi con la sovrapposizione degli effetti abbiamo
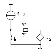
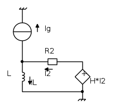
Metà sinistra
Quì la cosa si fa più interessante
anche in questo caso naturalmente ci sono vari modi di affrontare il problema di legare
a
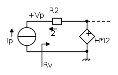
ma forse quello più semplice è considerare la resistenza vista "guardando" in 
Disattivando il generatore di corrente e applicando un generatore di prova
si ottiene

e quindi un altro circuito del primo ordine. Il fatto è che, a seconda dei valori numerici, c'è la possibilità che si presenti una resistenza negativa..
applicando la formula del partitore di corrente si ottiene immediatamente
con

Questa volta la "collocazione" del polo non è univoca, ma dipende dal segno di
Tre casi...
Questa parte di circuito è caratterizzata da avere uno zero nell'origine, indipendentemente dal valore di
e un polo che invece si sposta su tutto l'asse reale.
i)Partiamo dal caso proposto nell'esercizio originale,
che comporta
e quindi semplicemente
infatti il polo nell'origine cancella lo zero.
Come già ricavato nel post originale si ha anche
ii)Non appena poi
il polo si sposta nel semipiano sinistro e nel dominio del tempo si ha il classico decadimento esponenziale a seguito del gradino in ingresso.
(notare che s2 < 0 e quindi l'esponenziale è decrescente)
Si nota inoltre che, sotto questa condizione, il valore di
non influenza il valore finale che sarà sempre zero, ma solo la costante di tempo.
La corrente nella bobina si ricava facilmente applicando Kirchhoff ai nodi e ha ovviamente andamento "complementare" da zero sale per tendere a
iii)Ultimo caso,
il polo si sposta nel semipiano destro ed il circuito evidenzia l'instabilità che ne consegue con la divergenza di
la sua espressione è la stessa del caso ii) ma stavolta s2 > 0.
In questo caso anche la corrente nella bobina diverge per mantenere l'equilibrio delle correnti al nodo.
Riuniamo il circuito
Visto il comportamento indipendente delle due metà riunire i risultati per ottenere vC(t) o quant'altro si riduce ad una moltilpicazione....
nel caso proposto dal problema la cosa poi è particolarmente semplice dato che H = R2 allora I2 = Ig e infine
e nel caso di ingresso a gradino
Non farò i casi più generali ma mi limito ad osservare che il polinomio caratteristico della rete intera sarà il prodotto dei due denominatori trovati prima, quindi per quanto un polo possa diventare positivo per nessun valore di H avremo poli complessi e quindi comportamenti oscillatori nella risposta.
Conclusioni
Ho proposto alcune considerazioni su questo circuito allo scopo di eveidenziare le "grandi" differenze di risposta al variare di un singolo parametro.
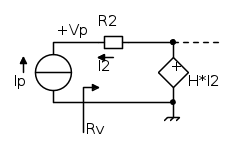
Altre vie sarebbero state possibili, vorrei solo ricordare che anche la teoria della reazione potrebbe descrivere il comportamento, facendo riferimento allo schema della "metà sinistra"
si potrebbe scrivere
che si potrebbe rappresentare così

Elettrotecnica e non solo (admin)
Un gatto tra gli elettroni (IsidoroKZ)
Esperienza e simulazioni (g.schgor)
Moleskine di un idraulico (RenzoDF)
Il Blog di ElectroYou (webmaster)
Idee microcontrollate (TardoFreak)
PICcoli grandi PICMicro (Paolino)
Il blog elettrico di carloc (carloc)
DirtEYblooog (dirtydeeds)
Di tutto... un po' (jordan20)
AK47 (lillo)
Esperienze elettroniche (marco438)
Telecomunicazioni musicali (clavicordo)
Automazione ed Elettronica (gustavo)
Direttive per la sicurezza (ErnestoCappelletti)
EYnfo dall'Alaska (mir)
Apriamo il quadro! (attilio)
H7-25 (asdf)
Passione Elettrica (massimob)
Elettroni a spasso (guidob)
Bloguerra (guerra)









