Indice |
Premessa
Un po’ di tempo fa mi sono messo alla ricerca di sonde differenziali ad alta tensione per oscilloscopio, ma visto i costi abbastanza elevati delle stesse, ho voluto provare a costruirmele da solo sfruttando qualche schema già pronto, ovviamente per farne un utilizzo hobbistico.
Ho intrapreso questa avventura con la consapevolezza di non avere, e non poter raggiungere quello che un prodotto commerciale certificato può offrire (sia in termini di prestazioni che in termini di certificazioni). Tutto nasce dal piacere personale di costruire qualcosa e vederla funzionare.
Nel passato l’oscilloscopio era uno strumento che potevano permettersi in pochi a causa del costo elevato e normalmente quei pochi erano tecnici smaliziati o professionisti dell’elettronica che sicuramente ne conoscevano a fondo il funzionamento.
Premetto da subito che per un elettronico l’articolo potrà apparire banale, ma ritengo però che, vista la diffusione di strumenti a basso costo magari in mano a maker o informatici con poche basi di elettronica, sia utile ripetere qualche concetto di base, soprattutto per salvaguardare la sicurezza di questi operatori, oltre che delle cose.
Ho diviso l’articolo in tre parti. Nella prima parlo in generale delle sonde differenziali, nella seconda illustrerò lo schema delle sonde realizzate e nella terza parlerò del montaggio e della calibrazione delle stesse.
Perchè sonde differenziali?
Innanzi tutto, conviene ripassare un po’ di teoria generale sulle sonde passive per oscilloscopio con l’articolo magistrale di Dirtydeeds: http://www.electroyou.it/dirtydeeds/wiki/sonde-passive-per-oscilloscopio-a-che-servono
Normalmente l'ingresso di un oscilloscopio è tipicamente riferito a terra. Il comune delle sonde dell'oscilloscopio è in connessione con il riferimento dei circuiti interni dello strumento e con il contatto di terra della spina di alimentazione.
I coccodrilli delle sonde vanno collegati al potenziale di riferimento del circuito, ammesso che questo sia isolato dalla rete. Questo per esempio accade in tutti i circuiti alimentati in bassa tensione ricavata mediante l’utilizzo di un trasformatore. Nell’immagine che segue il riferimento del semplice circuito alimentatore è isolato dal riferimento dell’oscilloscopio e conseguentemente dalla terra.
Il segnale lo porto mediante il cavo rosso ai circuiti di misura dell’oscilloscopio, mentre il riferimento attraverso il cavo verde (la calza del cavo coassiale della sonda). Il coccodrillo della sonda lo posso collegare in qualsiasi punto del circuito in bassa tensione.
In questo caso dunque non abbiamo problemi e possiamo effettuare le misure in tutta sicurezza.
Potremmo avere un'altra situazione che è importante segnalare, ovvero il caso in cui il potenziale di riferimento del circuito in bassa tensione è collegato alla terra del trasformatore.
In questo caso devo porre molta attenzione al coccodrillo della sonda dell’oscilloscopio che devo posizionare necessariamente al potenziale di riferimento del circuito in bassa tensione; se per sbaglio ponessi il coccodrillo su un punto non a potenziale zero creerei un passaggio per la corrente a bassa impedenza (un corto circuito in pratica) attraverso la calza del cavo coassiale verso terra con conseguente possibili pericoli per l’operatore e per l’oscilloscopio.
Avere il potenziale di riferimento dei circuiti in bassa tensione collegati alla terra è una cosa che può avvenire quando alimentiamo i nostri circuiti con degli alimentatori da banco che oltre al morsetto positivo (rosso) e negativo (nero) hanno il morsetto verde di GND collegato con un ponticello metallico al morsetto nero.
Bisogna fare molta attenzione anche quando alimentiamo i circuiti con un alimentazione a 5V dalla presa USB del computer fisso in quanto il negativo 5V è collegato alla parte metallica del connettore che a sua volta è connesso al conduttore giallo verde della presa elettrica di alimentazione (alimentatore ATX).
Questo invece non avviene se l'alimentazione a 5V la ricaviamo da una porta USB di un notebook in quanto i notebook hanno gli alimentatori in classe II (cioè senza terra).
Perchè alta tensione?
E’ ormai chiaro che non è possibile fare con il normale oscilloscopio tutte le misure sui circuiti alimentati direttamente da rete elettrica (tranne attuando pratiche scorrette e poco sicure che non citerò nemmeno…) in quanto non ho isolamento tra i sistemi di riferimento ed è dunque molto probabile fare un corto fase/terra con conseguenze disastrose. Sussiste inoltre il problema della tensione che in questi circuiti raggiunge valori elevati (circa 324Vdc ottenuta a valle di un ponte a diodi e un condensatore di livellamento alimentati da tensione di rete 230V) che spesso non sono supportati dagli ingressi dell’oscilloscopio e relative sonde passive. Gli stadi di ingresso degli alimentatori switching per esempio, sono fra questi; siamo circondati nella nostra vita quotidiana da questo tipo di alimentatori (PC, telefono, TV ecc) e quindi sono sempre più frequenti sul forum domande di chi vuole provare a ripararli. Ma anche per chi è appassionato di elettronica o per gli studenti è importante fare prove su questi circuiti (me compreso).
Per eseguire questi tipi di misure esistono oscilloscopi isolati o i portatili alimentati a batteria oppure l’alternativa è quella di collegare all’oscilloscopio delle sonde differenziali attive ad alta tensione.
Oltre allo strumento/sonde giuste, per operare in sicurezza, il circuito da testare andrebbe sempre alimentato tramite un trasformatore di isolamento con primario 230V e secondario 230V in modo da implementare quella che in gergo impiantistico è chiamata “Protezione per separazione elettrica”.
Le sonde sono attive perché realizzate con componenti alimentati da una fonte di energia (normalmente batterie) consentendo di raggiungere bassi valori di capacità di ingresso.
Sonde differenziali perché presentano entrambi i due terminali di misura isolati da terra e dunque consentono di misurare differenze di potenziale senza far scorrere grosse correnti fra i due nodi di misura.
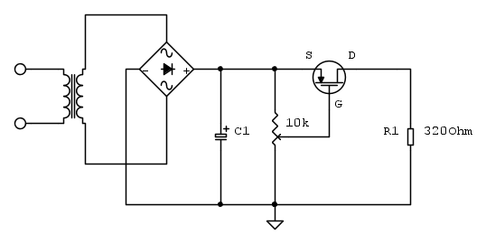
Le sonde differenziali ci consentono di fare misure “flottanti”, ovvero non riferite alla terra ma fra due punti del circuito. Supponiamo di voler misurare la caduta di tensione fra source e drain del mos a canale P nel circuito seguente. La tensione continua a valle del condensatore di livellamento è di circa 70V.
Una cosa che posso fare è quella di usare due sonde passive collegate a due canali dell’oscilloscopio che misurano tensione in ingresso e tensione in uscita e usare la funzione di differenza fra i due canali; un'altra è quella di usare delle sonde differenziali per oscilloscopio.
Ho montato il circuito su breadboard e regolato il potenziometro in modo da portare il MOS in conduzione ma non in piena saturazione con una Vgs pari a -3,6V ed una Vds=0,22V misurata con il multimetro (la Vds è proprio la caduta di tensione che voglio misurare con l'oscilloscopio).
Vediamo cosa succede nel primo e nel secondo caso.
Di seguito un estratto dalle specifiche tecniche del mio oscilloscopio Tektronix TDS2014 per vedere come si comporta con questo tipo di misure differenziali.
L'oscilloscopio presenta un CMRR di 100:1 a 60Hz e 20:1 a 50MHz.
Spieghiamo questo concetto e mettiamoci dei numeri.
Il rapporto di reiezione di modo comune (CMRR, dall'inglese common mode rejection ratio) è di solito definito come il rapporto tra il guadagno di modo differenziale e il guadagno di modo comune:

Il CMRR di un amplificatore misura la tendenza del dispositivo di rigettare i segnali d'ingresso comuni a entrambi gli ingressi; nel nostro caso definisce la capacità del sistema di misurazione di risolvere con precisione le misurazioni della differenza in presenza di segnali di modo comune.
In un amplificatore ideale Ad è molto grande e Ac zero per cui in un amplificatore ideale il CMRR dovrebbe
essere infinito. Dal momento che un amplificatore differenziale perfetto ha un CMRR uguale all'infinito, più alto è il CMRR per il sistema di misurazione differenziale, più si avvicina all'ideale.
Per esempio, con un CMRR di 10.000:1, un segnale di modo comune di 5V produce in uscita un segnale di 0,5mV, infatti:

CMRR è normalmente espresso in dB con la relazione CMRRdB = 20logCMRR.
Quindi, un CMRR di 10.000: 1 equivale ad 80dB.
Con un CMRR di 10.000: 1 (80dB), se il nostro segnale di modo comune è di 50V, saremo in grado di distinguere le differenze di tensione> 5mV.
Nel caso quindi del mio oscilloscopio con un CMRR di 100:1 (40dB) a 60Hz con un segnale di modo comune di 70V saremo in grado di distinguere le differenze di tensione >0.7V e salendo con la frequenza le cose peggiorano.
Con questi numeri si capisce che l'oscilloscopio in questa modalità offre prestazioni veramente modeste e sono precluse tutte le misure sui circuiti di potenza.
L'alternativa è quella di usare le sonde differenziali ad alta tensione per oscilloscopio.
Di seguito estratto delle specifiche tecniche delle economiche Probemaster 4232.
In questo caso avendo un CMRR di 80db, ovvero 10000:1, riusciamo a distinguere le differenze di tensione >7mV, decisamente meglio.
Nella foto di seguito quanto misurato. Ho prima fatto la differenza delle due tensioni presenti sui due canali dell'oscilloscopio (traccia rossa) e usato la funzione cursore.
Dalla foto si vede che non ho sufficiente sensibilità verticale, la traccia rossa appare pari a zero. Non posso nemmeno aumentare la sensibilità verticale in quanto le tracce "escono fuori dallo schermo". A questo punto al canale tre dell'oscilloscopio (traccia fucsia) collego le sonde differenziali costruite e ripeto la misura.
In questo caso riesco correttamente a misurare la differenza di tensione di 234mV.
Conclusioni
E' giusto precisare che nel caso dei dispositivi a commutazione le cose si complicano di molto ed anche disponendo delle sonde giuste è comunque molto difficile riuscire a fare delle buone misure. Nell'articolo successivo illustrerò quanto ho realizzato.
Bibliografia
Keysight Technologies - 8 Hints for Better Scope Probing
Pico Technology – Application note - Choosing the right Pico Technology active differential probe
EEVblog #279 - How NOT To Blow Up Your Oscilloscope!

Elettrotecnica e non solo (admin)
Un gatto tra gli elettroni (IsidoroKZ)
Esperienza e simulazioni (g.schgor)
Moleskine di un idraulico (RenzoDF)
Il Blog di ElectroYou (webmaster)
Idee microcontrollate (TardoFreak)
PICcoli grandi PICMicro (Paolino)
Il blog elettrico di carloc (carloc)
DirtEYblooog (dirtydeeds)
Di tutto... un po' (jordan20)
AK47 (lillo)
Esperienze elettroniche (marco438)
Telecomunicazioni musicali (clavicordo)
Automazione ed Elettronica (gustavo)
Direttive per la sicurezza (ErnestoCappelletti)
EYnfo dall'Alaska (mir)
Apriamo il quadro! (attilio)
H7-25 (asdf)
Passione Elettrica (massimob)
Elettroni a spasso (guidob)
Bloguerra (guerra)




