Di sonde per oscilloscopio ce ne sono di diversi tipi: passive, attive, attive differenziali, di corrente, per alta tensione ecc. Ognuna è nata per soddisfare specifiche esigenze, ma tutte hanno uno scopo comune: ridurre l'errore di misura che nasce quando si collega un circuito in prova a un oscilloscopio.
In questo articolo, nato da una discussione del forum, cercherò di descrivere da cosa è causato l'errore citato e come funzionano le sonde più semplici, quelle passive con attenuazione (tipicamente 10:1).
WARNING: c'è chi dice che la sonda vada usata sempre. Usa la sonda! talvolta sembra un mantra ripetuto a garanzia di una buona misura. Non è così: la sonda passiva per oscilloscopio si usa per risolvere uno specifico problema, ma ha anche degli "effetti collaterali": la necessità del suo uso va valutata caso per caso e, talvolta, è meglio non usarla.
Indice |
1. So dude, what's the problem?
Un oscilloscopio è un voltmetro; in particolare, un voltmetro che ci permette di visualizzare una porzione di una tensione
presente ai capi di un ramo di un circuito. Per connettere questo circuito in prova all'ingresso di un oscilloscopio possiamo pensare di usare un cavo qualunque, p.es. un cavo coassiale. Gli attori principali di questo sistema sono allora: i) il circuito in prova; ii) il cavo di collegamento; e iii) l'ingresso dell'oscilloscopio. Cerchiamo di trovare, per ciascuno di questi elementi, un accettabile modello elettrico che ci permetta di prevedere ciò che capita durante la misurazione.
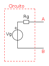
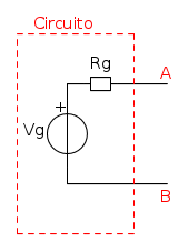
1.1 Il circuito
L'ovetto qui sotto rappresenta un ipotetico circuito da cui abbiamo portato fuori la tensione che ci interessa misurare.
Assumiamo che il circuito possa essere considerato lineare e rappresentiamolo (nel dominio di Laplace o di Fourier, a seconda di come ci farà comodo) con un equivalente Thévenin, cioè come un generatore ideale di tensione
con in serie un'impedenza
:
, la tensione a vuoto del circuito, è la tensione che vorremmo misurare.
Per semplificare i successivi conti, possiamo ulteriormente supporre che nel campo delle frequenze di interesse l'impedenza
sia puramente resistiva:
. Nei circuiti che lavorano ad alta frequenza
non è mai molto alta, diciamo dalle parti del centinaio di ohm. Il risultante circuito equivalente è rappresentato qui sotto.
1.2 Il cavo
Un cavo formato da due conduttori, a frequenze sufficientemente basse (quanto basse, lo vedremo nel §4), può essere approssimativamente modellato come una capacità posta tra i due conduttori, di valore proporzionale alla lunghezza del cavo. Per esempio, nella figura sotto è mostrata la sezione trasversale di un cavo coassiale formato da un conduttore centrale A e da uno schermo esterno B separati da un dielettrico.
Nell'approssimazione citata sopra, questo tipo di cavo può essere considerato come un condensatore cilindrico di capacità per unità di lunghezza

dove
è il raggio interno del conduttore esterno,
è il raggio esterno del conduttore interno,
è la costante elettrica e
è la permettività relativa del dielettrico di separazione.
I cavi coassiali di uso più comune hanno capacità per unità di lunghezza sui
. Esistono anche cavi coassiali a bassa capacità, realizzati aumentando il rapporto
, che hanno capacità per unità di lunghezza minori di
.
Un cavo di lunghezza
e capacità
può allora essere modellato con la seguente "scatoletta":
1.3 L'ingresso dell'oscilloscopio
Il circuito d'ingresso di un oscilloscopio è tipicamente composto dalla cascata di un partitore variabile a scatti (per regolare la scala verticale dell'oscilloscopio) e da un amplificatore. L'impedenza d'ingresso può essere rappresentata (con accettabile approssimazione) come il parallelo di una resistenza e di una capacità:
L'ingresso IN del canale verticale dell'oscilloscopio è realizzato con un connettore coassiale di tipo BNC: il simbolo a triangolino ci dice che l'oscilloscopio misura la tensione d'ingresso rispetto al conduttore esterno del connettore; il simbolo di terra ci dice che, tipicamente, questo conduttore esterno è anche collegato al potenziale di terra. La resistenza d'ingresso
ha solitamente valore di
, mentre la capacità d'ingresso
è dell'ordine della decina di picofarad (10 pF - 30 pF). Tali valori dipendono essenzialmente dal partitore variabile. A questo punto, non è difficile vedere che l'impedenza equivalente
vista all'ingresso di un oscilloscopio vale

dove
è la pulsazione corrispondente alla frequenza
a cui determiniamo l'impedenza d'ingresso. La frequenza

è la frequenza corrispondente al polo dell'impedenza. Provando a sostituire dei valori tipici di
e
(facciamo
), otteniamo

E' allora interessante notare che per
l'impedenza d'ingresso è approssimabile con una resistenza di valore
, mentre per
l'impedenza d'ingresso è approssimabile con una capacità di valore
.
Proviamo a vedere come si comporta l'ingresso di un oscilloscopio a una frequenza di
, dell'ordine della banda passante di molti oscilloscopi. A tale frequenza, il modulo dell'impedenza d'ingresso vale

Bassina, vero? Un oscilloscopio è un voltmetro, e da un voltmetro ideale ci si aspetterebbe un'impedenza d'ingresso infinita; da un voltmetro reale, un'impedenza d'ingresso comunque molto alta, in modo da caricare in modo trascurabile il circuito in prova. Il valore di impedenza sopra determinato già ci suggerisce che un oscilloscopio, in un ampio intervallo di frequenze, non costituisce un carico trascurabile e non può essere considerato un voltmetro ideale.
1.4 E mo', mettiamo tutto assieme
In base a quanto detto detto nei paragrafi precedenti, ecco il circuito elettrico equivalente del collegamento tra il circuito in prova e l'oscilloscopio:
Prima osservazione: da quanto detto nel §1.1, noi vorremmo misurare
, la tensione generata dal circuito indisturbato; in pratica, però, la tensione effettivamente misurata è
, la tensione all'ingresso dell'oscilloscopio e generalmente diversa da
.
A frequenze maggiori di
(v. §1.3, ma in questo caso il valore di
diventa dell'ordine del chilohertz per l'aggiunta di
), la presenza della resistenza
può essere trascurata e il circuito si semplifica così:
Il circuito ridotto è un semplice filtro passa basso RC, la cui frequenza di taglio superiore è

con

Proviamo a mettere qualche numero (ragionevole): con un cavo di capacità
e un generatore con resistenza
, otteniamo
e
.
Morale della (lunga) storia: magari ci siamo comprati un bell'oscilloscopio con banda di 300 MHz, ma la tensione
al suo ingresso è limitata a 16 MHz per effetto del collegamento con il circuito. E ciò che succede a 300 MHz proprio non riusciamo a vederlo. Le principali responsabili di questa limitazione sono la capacità del cavo e la capacità d'ingresso dell'oscilloscopio, ed è su queste che dobbiamo agire per risolvere il problema:
, infatti, fa parte del circuito in prova e non può essere modificata.
E se uno misurasse segnali di frequenza minore di
? Immaginiamo che il circuito in prova generi un'onda quadra a 1 kHz con un duty cycle del 20%: rispetto alla banda di 16 MHz calcolata prima, sembrerebbe un segnale a bassa frequenza... ma è veramente così? Grazie a M. Fourier, possiamo vedere il segnale a onda quadra come una sovrapposizione di più segnali sinusoidali: un segnale - la fondamentale - alla frequenza dell'onda quadra (1 kHz); gli altri segnali - le armoniche - con frequenza multipla della fondamentale. Quindi, se è vero che la frequenza fondamentale è ampiamente al di sotto della frequenza di taglio
, è anche vero che ci sono delle armoniche a frequenza superiore di
, e queste armoniche vengono attenuate, generando così una distorsione di forma del segnale da misurare. Sarà significativa questa distorsione? dipende da quale misura facciamo.
Due esempi: 1) Vogliamo misurare il duty cycle dell'onda quadra: nell'ambito dell'incertezza di misura garantita da un oscilloscopio, l'effetto della limitazione di banda introdotta dal collegamento è, in questo caso, assolutamente trascurabile. 2) Vogliamo misurare il tempo di salita dell'onda quadra, e supponiamo che tale onda quadra abbia un tempo di salita nominale di 5 ns (non difficile da ottenere con le moderne porte logiche). A causa della limitazione a 16 MHz, una nota formula ci dice che, in realtà, il tempo di salita che misureremmo sarebbe

cioè ben di più del tempo di salita reale dell'onda quadra. In questo caso, sebbene la frequenza dell'onda sia ben al di sotto della frequenza di taglio introdotta dal collegamento, l'effetto sulla misura è piuttosto significativo.
2. La sonda passiva
La conclusione del §1.4 era che le principali responsabili della limitazione di banda erano le capacità
e
. Per ridurne l'effetto, possiamo pensare di inserire, in serie al cavo coassiale, dal lato del generatore, una capacità
: la capacità equivalente di una serie di due capacità, infatti, è più piccola della minore (in questo caso
).
Così facendo, a frequenze maggiori di
(cioè trascurando di nuovo
), il circuito equivalente del collegamento diventa
Si hanno allora due effetti:
1) Aumento di
. La capacità equivalente vista dal generatore addesso è

con il risultato che la frequenza di taglio dovuta al collegamento diventa

Se, per esempio, volessimo aumentare di un fattore 10
, sarebbe allora sufficiente imporre

Con i valori usati nei messaggi precedenti avremmo
.
2) Attenuazione di
. Prima di arrivare all'ingresso dell'oscilloscopio, il segnale attraversa un partitore capacitivo con rapporto di partizione

con il risultato che se aumentiamo la banda di un certo fattore, dello stesso fattore riduciamo l'ampiezza del segnale. E' questo il prezzo da pagare per avere un incremento della banda passante.
Se ora torniamo a considerare la resistenza
, come nel circuito qua sotto, ci accorgiamo di una cosa.
Il circuito così com'è non permette il passaggio della componente continua e, anzi, essendo
di piccolo valore si avrebbe un'attenuazione piuttosto marcata di tutte le basse frequenze. Per aggirare questo ulteriore problema, mettiamo in parallelo a
una resistenza
, ottenendo il circuito
Il gruppo costituito da
-
e da
-
, con
, forma un partitore resistivo-capacitivo (v. figura sotto).
Il rapporto di partizione
di tale partitore ha un polo e uno zero: quando
, polo e zero coincidono e il rapporto di partizione diventa indipendente dalla frequenza (la distorsione di forma introdotta dalla sonda diventa quindi minima). Quando vale tale condizione, il partitore è detto compensato; si ha

e, inoltre,

Nella condizione di compensazione, quindi, l'impedenza d'ingresso della sonda può essere vista come il parallelo di una resistenza di valore
con una capacità di valore

Qui non farò un'analisi dettagliata del partitore compensato, ma grazie a carloc in questa discussione del forum se ne può trovare una.
3. Agitare prima dell'uso!
Con una sonda non correttamente compensata, le forme d'onda sullo schermo dell'oscilloscopio risultano distorte. Poiché tali distorsioni potrebbero essere facilmente, ed erroneamente, attribuite a un malfunzionamento del circuito in prova, una sonda per oscilloscopio va compensata prima dell'uso.
Per la compensazione, ogni sonda ha un trimmer che permette o di variare la capacità
(in questo caso il trimmer è posto nel corpo della sonda, v. foto 1 qui sotto) o di variare una capacità connessa in parallelo all'ingresso dell'oscilloscopio (in questo caso il trimmer è posto nella testa della sonda con il connettore BNC, v. foto 2 qui sotto). Normalmente, insieme alle sonde, viene fornito un cacciavite plastico adatto alla vite del trimmer. Inoltre, ogni oscilloscopio ha un'uscita ad onda quadra (in genere a 1 kHz) che può essere utilizzata per la compensazione.
La procedura di compensazione è semplice:
- Si connette la sonda all'uscita ad onda quadra.
- Si impostano le scale verticale e orizzontale dell'oscilloscopio in modo da riuscire a visualizzare completamente almeno un periodo dell'onda quadra. Se la sonda non è compensata correttamente, si dovrebbe vedere sullo schermo una forma d'onda simile a una delle prime due disegnate qui sotto.
- Si regola il trimmer in modo da visualizzare sullo schermo dell'oscilloscopio una forma d'onda il più possibile quadra, come raffigurato nel terzo disegno qui sotto.
Il grafico qui sotto mostra il diagramma di Bode asintotico (in scala bilogaritmica) del rapporto
, con le posizioni relative del polo e dello zero, nelle condizioni di compensazione disegnate sopra. Il grafico è stato disegnato immaginando di variare
: in tal caso, poiché
, la frequenza del polo varia poco ed è la frequenza dello zero a variare maggiormente.
Importante: la compensazione va fatta anche nel caso in cui una sonda già compensata venga semplicemente spostata da un canale dell'oscilloscopio a un altro: le capacità di ingresso dei due canali, infatti, possono essere diverse.
4. Approfondimenti
Il cavo della sonda
Nel §1.2 si è detto che un cavo coassiale è elettricamente equivalente a una capacità di valore
. Questa equivalenza, purtroppo, è accettabile solo a bassa frequenza, quando la lunghezza del cavo è piccola rispetto alla lunghezza d'onda
dell'onda elettromagnetica che si propaga nel cavo. A 300 MHz, in un tipico cavo coassiale, la lunghezza d'onda del segnale è dell'ordine dei 70 cm, lunghezza sicuramente comparabile con quella del cavo. Il cavo non è più quindi modellabile come una semplice capacità (va modellato come una linea di trasmissione) e il suo effetto sulla misura diventa molto più complesso da analizzare. Per maggiori dettagli, si veda [2].
A che frequenza fare la compensazione?
Si è detto che la compensazione della sonda può essere fatta osservando la risposta della sonda a un'onda quadra. Ma che frequenza deve avere quest'onda?
Lo scopo della compensazione è quello di far sì che il polo e lo zero del partitore resistivo-capacitivo coincidano: per poter rivelare questa condizione, è necessario che l'onda quadra usata nell'operazione di compensazione abbia delle armoniche dalle parti del polo e dello zero. Da quanto detto nel §1.4, questi sono dalle parti del chilohertz: se usassimo un'onda quadra a 100 kHz o più, non riusciremmo a vedere una distorsione significativa e a fare la compensazione. Ecco perché normalmente si usa un'onda quadra di frequenza dell'ordine del chilohertz.
Riferimenti
[1] ABC of probes, Tektronix (per scaricare il documento è necessario registrarsi).
[2] J. Weber, Oscilloscope probe circuits, Tektronix, 1969 (segnalazione di Bruno Valente).

Elettrotecnica e non solo (admin)
Un gatto tra gli elettroni (IsidoroKZ)
Esperienza e simulazioni (g.schgor)
Moleskine di un idraulico (RenzoDF)
Il Blog di ElectroYou (webmaster)
Idee microcontrollate (TardoFreak)
PICcoli grandi PICMicro (Paolino)
Il blog elettrico di carloc (carloc)
DirtEYblooog (dirtydeeds)
Di tutto... un po' (jordan20)
AK47 (lillo)
Esperienze elettroniche (marco438)
Telecomunicazioni musicali (clavicordo)
Automazione ed Elettronica (gustavo)
Direttive per la sicurezza (ErnestoCappelletti)
EYnfo dall'Alaska (mir)
Apriamo il quadro! (attilio)
H7-25 (asdf)
Passione Elettrica (massimob)
Elettroni a spasso (guidob)
Bloguerra (guerra)














