0. Premessa
Questo articolo tratta un argomento che non è una novità del Forum, infatti diversi anni fa Admin (ing. Zeno Martini) pubblicò delle note interessanti al link : https://www.electroyou.it/admin/wiki/cadutemutua che invito tutti coloro che vogliono informarsi sul tema a leggere. Dalla mia ormai lunga esperienza di impiantista elettrico ho potuto notare che purtroppo solo in rari casi sul campo, anche su installazioni importanti, si osserva una posa corretta dei cavi in parallelo per ogni fase. I riferimenti pratici di come posare i cavi non mancano e, insieme all'articolo di Admin su Electroyou, c'è la guida blu di TUTTONORMEL sulle cabine elettriche MT/BT, l'articolo sempre di TUTTONORMEL sulla rivista del 02/2001 e le tabelle CEI-UNEL 35024/1 art. 4.5 da cui è tratta la fig.1 che apre questo articolo.
Tutte le fonti sopra citate chiariscono che la corretta posa dei cavi si rende necessaria per minimizzare gli effetti della mutua induzione tra i cavi che altrimenti non permette una equiripartizione di corrente tra i conduttori in parallelo per fase, ma non forniscono un'analisi teorica a supporto di tale affermazione. Una trattazione matematica generale si può trovare in bibliografia al termine dell'articolo, ma la memoria tecnica è piuttosto pesante con generoso uso di matrici, sottomatrici, minori ecc. ecc. che distrae il lettore dal succo del ragionamento che invece vorrei puntualizzare di seguito. Infine, per dare un senso pratico alla teoria, nell'ultima parte dell'articolo ci sono dei rilievi strumentali fatti su di un cavidotto interrato (3x1x240 per fase e lunghezza 300 m circa) di un impianto nel quale i cavi NON sono posati in modo corretto.
1. Il modello di calcolo adottato
I fenomeni fisici che interessano l'argomento in questione avvengono alla frequenza di rete, ovvero f=50 Hz, in regime alternato sinusoidale, e a questa frequenza la lunghezza d'onda delle grandezze elettriche coinvolte è pari a :
con c velocità della luce nel vuoto pari a
.
La lunghezza fisica l delle linee elettriche di cui ci stiamo occupando al massimo vale qualche decina di km e quindi l < < λ sopra calcolata, cosa che consente di adottare il modello semplificato di linea a parametri d'impedenza (Z) longitudinali concentrati R=resistenza e X=reattanza (lumped element model), indipendenti dalla variabile spaziale considerata lungo la lunghezza della linea stessa. Per linee in BT e MT è anche possibile trascurare, nel modello a parametri concentrati adottato, l'ammettenza (Y) trasversale composta dalle grandezze G=conduttanza e B=suscettanza che tengono conto dei fenomeni capacitivi tra i conduttori di linea. Inoltre per cercare di snellire la parte teorica, senza perdere di vista gli obiettivi pratici dell'articolo, si utilizzerà una linea bifilare (fase-fase o fase-neutro con conduttori identici) che alla fine dimostrerà il criterio generale indicato nei documenti citati in premessa sull'argomento. Alla fine di tutte queste doverose premesse semplificative il modello di linea sul quale svilupperemo tutte le considerazioni seguenti è quello sotto riportato:
L'equazione simbolica che esprime la relazione tra tensioni e corrente nel circuito è :
considerando che
con Φ12 flusso complessivamente concatenato con la spira formata dai conduttori 1 e 2 e con le ipotesi fatte per RF = RR = R si ottiene :
con RL = 2R e
che schematizza l'impedenza a parametri concentrati della linea.
Il circuito equivalente delle linea a due fili è quello in figura :
Come si vede si può assegnare l'impedenza di linea a un solo conduttore oppure suddividerla tra conduttore di andata e ritorno in parti uguali, se i due conduttori sono identici (come per ipotesi), e mediante le tabelle UNEL o i cataloghi dei costruttori di cavi si possono determinare resisteza e reattaza di linea in funzione della sua lunghezza e della sezione dei cavi. Da questo semplice circuito, con i parametri equivalenti di resistenza e reattanza di linea, si calcola infine la caduta di tensione industriale, la cui formula è riportata in qualunque testo di impianti elettrici. Tutte queste operazioni sono ben note e abbastanza semplici pertanto non ritengo necessario alcun ulteriore approfondimento in questa sede.
2. Cavi in parallelo
Se dai calcoli di dimensionamento della linea nasce la necessità di ridurre la caduta di tensione sul carico
o aumentare la portata di corrente, è pratica impiantistica consolidata mettere in parallelo uno o più cavi identici (se non si vuole o non si può ricorrere a cavi singoli di sezione maggiore adeguata). La figura precedente induce a pensare che se la linea con un dato cavo, unico, ha impedenza equivalente
allora con due cavi uguali in parallelo avrò
e la corrente sarà equiripartita sui due conduttori come vuole la regola del parallelo di due impedenze uguali.
Però non è tutt'oro quel che luccica...........e bisogna approfondire meglio COME fare per ottenere QUELLO che si desidera.
3. Analisi teorica del circuito
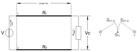
Il circuito al quale si farà riferimento per scrivere le equazioni simboliche di funzionamento del circuito è quello riportato di seguito :
valgono le seguenti ipotesi sui parametri circuitali :
RF = RR = R cavi in parallelo di uguale sezione e quindi aventi uguale resistenza
induttanza spira formata dai cavi 1 - 1' ;
induttanza spira formata dai cavi 2 - 2' ;
M mutua induttanza tra la spira formata dai cavi 1 - 1' e la spira formata dai cavi 2 - 2'
Le equazioni di regime del circuito sono:
3.1)
3.2)
(spira 1 - 1')
3.3)
(spira 2 - 2')
Con il metodo di Cramer da 3.2) e 3.3) si ricavano
e
che sostituite in 3.1) forniscono :
e sviluppando i calcoli si arriva all'espressione dell'impedenza equivalente di linea :
A questo punto è possibile fare importanti osservazioni sulla disposizione geometrica dei singoli cavi collegati elettricamente in parallelo. Si distinguono 3 casi possibili che riguardano le installazioni elettriche.
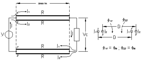
3.1 Caso 1 (posa errata)
Lo schema elettrico e di posa dei conduttori è quello della figura seguente :
La coppia di cavi di andata e di ritorno che alimentano il carico sono accostati e collegati in parallelo come in figura. In questo caso le induttanze delle spire formate dai cavi 1 - 1' e 2 - 2' sono uguali per disposizione geometrica e praticamente tutto il flusso prodotto dalla spira 1 - 1' si concatena con la spira 2 - 2' e viceversa. Da questa osservazione, considerando il circuito come un sistema mutuamente accoppiato con k = 1, valgono le seguenti relazioni :
L11' = L22' = L
quindi M = L
Sostituendo quanto trovato nell'espressione sopra scritta per
si ha :
invece di
come si sarebbe desiderato
La parte resistiva dell'impedenza equivalente di linea segue la regola delle impedenze uguali in parallelo, mentre la parte reattiva, a causa della mutua induttanta tra i cavi che formano due spire accoppiate, no. Ne derivano quindi le due fondamentali considerazioni seguenti.
CON QUESTO METODO DI POSA E' ERRATO DIVIDERE PER DUE L'IMPEDENZA DI LINEA CONSIDERATA CON UN SINGOLO CAVO PER AVERE L'IMPEDENZA EQUIVALENTE DELLA LINEA CON DUE CAVI UGUALI IN PARALLELO
CON QUESTO METODO DI POSA LA CORRENTE TOTALE CHE PERCORRE LA LINEA CON DUE CAVI IN PARALLELO NON SI EQUIRIPARTISCE SU OGNI CAVO NON SEGUENDO LA REGOLA DEL PARALLELO DELLE IMPEDENZE DI UGUALE VALORE
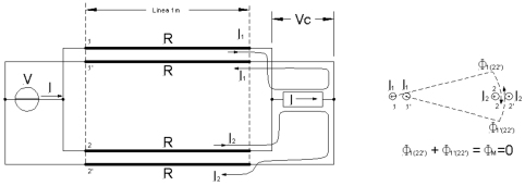
3.2 Caso 2 (posa corretta)
Lo schema elettrico e di posa dei conduttori è quello della figura seguente :
Il cavo di andata e quello di ritorno di ciascuna linea che alimenta il carico sono posati accostati e ogni coppia è collegata in parallelo come in figura. Anche in questo caso le induttanze delle spire formate dai cavi 1 - 1' e 2 - 2' sono uguali per disposizione geometrica, ma ora tutto il flusso di mutua induzione prodotto dalla spira 1 - 1' (o equivalentemente 2 - 2') che si concatena con la spira 2 - 2' (o equivalentemente 1 - 1') è praticamente nullo. Da questa osservazione, considerando il circuito come un sistema mutuamente accoppiato con k = 0, valgono le seguenti relazioni :
L11' = L22' = L
quindi M = 0
Sostituendo quanto trovato nell'espressione sopra scritta per
si ha :
come deve essere
Ora sia la parte resistiva che reattiva dell'impedenza equivalente di linea segue la regola delle impedenze uguali in parallelo perchè con una accorta posa dei cavi in parallelo l'effetto della mutua induzione è stato annullato. Allora in questo caso valgono le due fondamentali considerazioni seguenti.
CON QUESTO METODO DI POSA E' CORRETTO DIVIDERE PER DUE L'IMPEDENZA DI LINEA CONSIDERATA CON UN SINGOLO CAVO PER AVERE L'IMPEDENZA EQUIVALENTE DELLA LINEA CON DUE CAVI UGUALI IN PARALLELO
CON QUESTO METODO DI POSA LA CORRENTE TOTALE CHE PERCORRE LA LINEA CON DUE CAVI IN PARALLELO SI EQUIRIPARTISCE SU OGNI CAVO SECONDO LA REGOLA DEL PARALLELO DELLE IMPEDENZE DI UGUALE VALORE
3.3 Caso 3 (posa corretta equivalente al caso 2)
Lo schema elettrico e di posa dei conduttori è quello della figura seguente :
Il cavo di andata e quello di ritorno di ciascuna linea che alimenta il carico sono posati accostati e ogni coppia è collegata in parallelo come in figura in modo tale che i conduttori 1 e 2' sono di andata e 1' e 2 sono i conduttori di ritorno. Anche in questo caso le induttanze delle spire formate dai cavi 1 - 2 e 1' - 2' sono uguali per disposizione geometrica. Il flusso Φ12 prodotto dalla corrente i1 nella spira 1 - 2 ha verso opposto al flusso Φ1'2' prodotto dalla corrente i2 nella spira 1' - 2' e quindi l'influenza reciproca tra le due spire 1 - 2 e 1' - 2', ovvero il flusso di mutua induzione, tende ad annullarsi. Da questa osservazione, considerando il circuito come un sistema mutuamente accoppiato con k = 0, valgono le seguenti relazioni :
L11' = L22' = L
quindi M = 0
Sostituendo quanto trovato nell'espressione sopra scritta per
si ha :
come deve essere
Valgolo quindi le stesse considerazioni illustrate nel cap. 3.2 precedente.
4. Validazione dell'analisi teorica
Tutti i ragionamenti sviluppati ai cap. precedenti, insieme a formule, equazioni e schemi equivalenti, sono un bell'esercizio di teoria elettrotecnica che sarebbe utile trovassero anche un riscontro pratico, magari attraverso un programma specifico rivolto all'impiantistica elettrica e dedicato al dimensionamento delle reti elettriche di distribuzione. Ripensando a questa cosa mi sono ricordato che tanti, ma tanti anni fa, ABB distribuiva gratuitamente il software DOC che allora girava su PC con S.O. DOS (quindi stiamo parlando di oltre 30 anni fa) e che aveva un modulo specifico di calcolo per il dimensionamento e la verifica delle portate dei cavi. Siccome ho ancora il software DOC 020d sull'HD del PC in ufficio ho provato a lanciare un paio di simulazioni su una linea bifilare tipo quella della trattazione teorica di cui al cap. 3 precedente. I risultati ottenuti sono riportati nelle figure seguenti.
Linea lunga 100 m formata da n.2 cavi 1x95 in parallelo per fase. La fig.1 si riferisce alla linea con cavi posati L1L1|L2L2 quindi in maniera errata secondo quanto riportato al cap. 3.1
La fig.2 si riferisce alla linea con cavi posati L1L2|L1L2 quindi in maniera corretta secondo quanto riportato al cap. 3.2
Si vede che la reattanza equivalente di linea nel caso di fig.2 (posa corretta) è esattamente la metà di quella di fig.1 (posa errata) e che la resistenza equivalente di linea resta la stessa nei due report di calcolo. Quindi l'analisi teorica svolta trova validazione e conferma anche in pratica mediante un software di calcolo, certamente vetusto ma di affidabilità riconosciuta, distribuito da ABB azienda autorevole nel campo degli impianti elettrici.
5. La regola pratica per la posa corretta dei cavi in parallelo per ogni fase
La corretta posa dei cavi in parallelo per fase sopra discussa è obbligatoria quando la parte reattiva dell'impedenza equivalente di ogni cavo diventa paragonabile o maggiore alla parte resistiva, in pratica per cavi di sezione maggiore a
(così suggeriscono le tabelle UNEL 35024).
La regola pratica generale di posa corretta ha origine dalle considerazioni teoriche esposte nel cap. 3.3 precedente, estrapolando il caso anche alle linee trifasi con numero n>2 di conduttori in parallelo per ogni fase, ed è quella conosciuta e diffusamente illustrata nei riferimenti citati in premessa al presente articolo. Di seguito si richiama solo il caso di conduttori in piano con n=2, per evitare la ripetizione di cose già ampiamente trattate altrove.
In figura è rappresentata una linea bifilare con 4 cavi uguali in piano da collegare 2 a 2 in parallelo. Per prima cosa si individua il centro del fascio dei cavi e da questo punto si traccia una linea verticale che rappresenta l'asse di simmetria del sistema di cavi. Rispetto a questo asse in modo speculare devono essere posati i cavi di fase R e S delle correnti di linea per annullare l'effetto della mutua induzione tra i cavi. In caso di linea trifase, seguendo la stessa regola, si ottiene la posa corretta come nella figura seguente.
Come corollario alla regola generale di posa si intuisce che il numero di conduttori del fascio di cavi, per ottenere una simmetria perfetta, deve essere un numero pari.
6. Un caso pratico di posa errata
Dopo tanta teoria siamo arrivati a descrivere un caso pratico in cui si è fatto esattamente quello che non si doveva fare...........
Si tratta di un impianto importante di co-generazione con potenze in gioco di decine di MVA. La linea trifase a 400 V (3x1x240 per fase - cavi FG7R - lunga 300 m con posa in tubi PVC interrati) sulla quale sono state fatte le misure sul campo alimenta un servizio termico. La pinza usata per la misura delle correnti di ogni cavo di fase è una F607 CHAUVIN ARNOUX con interfaccia bluetooth per la registrazione dei dati di misura.
Ogni commento è superfluo : lo sbilanciamento raggiunge nel peggiore dei casi il 247%. Vale a dire che un cavo della fase R risulta caricato di quasi 2,5 volte rispetto a quello meno carico appartenente alla stessa fase. Complimenti.........
7. Ulteriori effetti negativi della posa errata dei cavi
Si dice che le disgrazie non vengono mai da sole e anche in questo caso il proverbio trova la sua naturale conferma. La posa errata dei cavi in parallelo per fase ha le seguenti conseguenze negative negli impianti elettrici :
7.1) Mancata protezione delle condutture contro le sovracorrenti (vista al cap. precedente). Questo è un aspetto particolarmente grave perchè coinvolge la sicurezza degli impianti.
7.2) Aumento notevole delle cadute di tensione sul carico (specialmente su linee lunghe).
7.3) Diminuzione consistente delle correnti di cto.cto. in fondo linea (specialmente su linee lunghe) che limita l'impiego dei relè di massima corrente per il coordinamento contro i contatti indiretti nei sistemi TN-S, imponendo di fatto l'uso indiscriminato di relè differenziali.
8. Bibliografia
San-Yi Lee - A cable configuration technique for the balance of current distribution in parallel cables

Elettrotecnica e non solo (admin)
Un gatto tra gli elettroni (IsidoroKZ)
Esperienza e simulazioni (g.schgor)
Moleskine di un idraulico (RenzoDF)
Il Blog di ElectroYou (webmaster)
Idee microcontrollate (TardoFreak)
PICcoli grandi PICMicro (Paolino)
Il blog elettrico di carloc (carloc)
DirtEYblooog (dirtydeeds)
Di tutto... un po' (jordan20)
AK47 (lillo)
Esperienze elettroniche (marco438)
Telecomunicazioni musicali (clavicordo)
Automazione ed Elettronica (gustavo)
Direttive per la sicurezza (ErnestoCappelletti)
EYnfo dall'Alaska (mir)
Apriamo il quadro! (attilio)
H7-25 (asdf)
Passione Elettrica (massimob)
Elettroni a spasso (guidob)
Bloguerra (guerra)