
Mini altoparlante con melodie natalizie
Moderatori:
carloc,
g.schgor,
BrunoValente,
IsidoroKZ
0
voti
scusa marco438 ma io fidocadj non so usarlo e sinceramente non l'ho mai usato. comunque ora scarico il programma e mi cimento un po per vedere cosa riesco a combinare. grazie comunque. 

-

maremar9091
65 3 - New entry

- Messaggi: 61
- Iscritto il: 1 dic 2013, 12:42
0
voti
maremar9091 ha scritto:...ma io fidocadj non so usarlo e sinceramente non l'ho mai usato....
Se ti possono essere utili, leggi le seguenti guide:
http://www.electroyou.it/elettrodomus/w ... -per-tonni
http://www.electroyou.it/pietrobaima/wi ... -sul-forum
0
voti
Il tba820m non toglierlo assolutamente! Il NE555 lo inserisci a parte, il pulsante lo sostituirai col transistor.
Ti consiglio però, come giustamente hanno fatto gli altri, di postare lo schema del circuito (quello della foto già su PCB) in formato Fidocad dato che descrivere tutto a parole sarebbe quasi impossibile, sarai d'accordo...
Evita di citare i messaggi per intero.
Ti consiglio però, come giustamente hanno fatto gli altri, di postare lo schema del circuito (quello della foto già su PCB) in formato Fidocad dato che descrivere tutto a parole sarebbe quasi impossibile, sarai d'accordo...
Evita di citare i messaggi per intero.
Ultima modifica di
marco438 il 12 dic 2013, 15:00, modificato 1 volta in totale.
Motivazione: eliminato quoting inutile.
Motivazione: eliminato quoting inutile.
0
voti
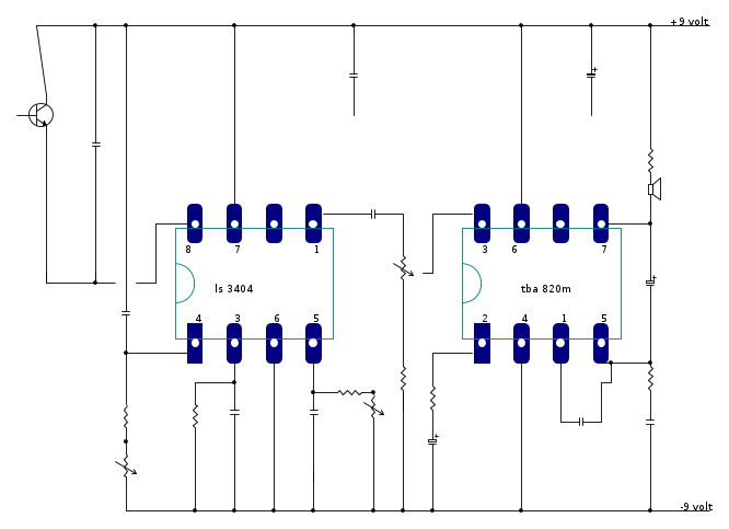
ragazzi non linciatemi
è il primo "progetto" che faccio.sarebbe questo il lato PCB giusto?
-

maremar9091
65 3 - New entry

- Messaggi: 61
- Iscritto il: 1 dic 2013, 12:42
2
voti
Ho chiesto lo schema elettrico, non il PCB; secondo te cosa si puo' capire da quello che hai fatto, senza componenti e senza alcun riferimento?
marco
0
voti
scusa ma per schema elettrico intendi il pdf che ho allegato in prima pagina?
-

maremar9091
65 3 - New entry

- Messaggi: 61
- Iscritto il: 1 dic 2013, 12:42
1
voti
Ma secondo te su cosa si basa un circuito elettronico?
Se non si vedono i componenti e i collegamenti esistenti tra loro, come si puo' stabilire se la cosa funziona o no?
Tu hai seguito il consiglio (errato) di
Tricka90 e perso tempo inutilmente perche' il PCB si fa solo quando si e' certi che un circuito funzioni e non quando ancora si deve modificare e fare degli aggiustamenti.
Ti avevo anche scritto:
E ora aggiungo, insieme all'oscilatore con NE555; di piu' non so dirti.
Se non si vedono i componenti e i collegamenti esistenti tra loro, come si puo' stabilire se la cosa funziona o no?
Tu hai seguito il consiglio (errato) di
Ti avevo anche scritto:
.marco438 ha scritto:C'e' sempre una prima voltaVedrai che non e' difficile; copia quello di Nuova Elettronica.
E ora aggiungo, insieme all'oscilatore con NE555; di piu' non so dirti.
marco
0
voti
quindi devo ricopiare su fidocadj lo schema elettrico di nuova elettronica (che ho allegato) inserendo in più il ne555 e il transistor?
-

maremar9091
65 3 - New entry

- Messaggi: 61
- Iscritto il: 1 dic 2013, 12:42
0
voti
scusate...è questo quello che dovevo fare?
rimane un problema..non so come e dove deve essere configurato il ne555 in modalità astabile. il transistor l'ho inserito al posto del pulsante in modalità out credo.
rimane un problema..non so come e dove deve essere configurato il ne555 in modalità astabile. il transistor l'ho inserito al posto del pulsante in modalità out credo.
-

maremar9091
65 3 - New entry

- Messaggi: 61
- Iscritto il: 1 dic 2013, 12:42
Chi c’è in linea
Visitano il forum: Nessuno e 128 ospiti

Elettrotecnica e non solo (admin)
Un gatto tra gli elettroni (IsidoroKZ)
Esperienza e simulazioni (g.schgor)
Moleskine di un idraulico (RenzoDF)
Il Blog di ElectroYou (webmaster)
Idee microcontrollate (TardoFreak)
PICcoli grandi PICMicro (Paolino)
Il blog elettrico di carloc (carloc)
DirtEYblooog (dirtydeeds)
Di tutto... un po' (jordan20)
AK47 (lillo)
Esperienze elettroniche (marco438)
Telecomunicazioni musicali (clavicordo)
Automazione ed Elettronica (gustavo)
Direttive per la sicurezza (ErnestoCappelletti)
EYnfo dall'Alaska (mir)
Apriamo il quadro! (attilio)
H7-25 (asdf)
Passione Elettrica (massimob)
Elettroni a spasso (guidob)
Bloguerra (guerra)






