boiler ha scritto:1)ThEnGi ha scritto:LunedìMartedì controllo se posso acquistarlo dai fornitori certificatiboiler ha scritto:Vedi per esempio l'MIC29302WT, che al momento della stesura di questo messaggio è disponibile in magazzino da DigiKey.
2)Costa 2.89 USD. Quale sarebbe il prezzo giusto per un LDO regolabile da 3A in THT secondo te?
3)Dando un'occhiata al functional diagram sul datasheet non vedo controindicazioni.
1)Non è così facile, non acquistando io direttamente (in questo caso) non ho accesso a tutto il catalogo dei principali distributori, a volte capita che un componente è disponibile da un sito e non da un altro. Può essere che non possa acquistarlo da digikey ma debba ripiegare su farnel o mouser o può anche essere che non sia completamente acquistabile.
Ditta elettrica: il filo da 1mmq da cablaggio (quello nero) non era acquistabile, è stato ritenuto che è troppo piccolo di sezione per i lavori che eseguiamo e bloccato (da sede centrale) su tutti i fornitori
2) 1€ meno SS
3)
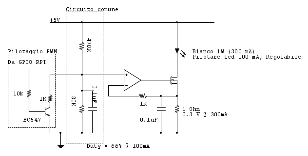
Il calcolo rimane lo stesso Vref/Iled = Rled ?

Elettrotecnica e non solo (admin)
Un gatto tra gli elettroni (IsidoroKZ)
Esperienza e simulazioni (g.schgor)
Moleskine di un idraulico (RenzoDF)
Il Blog di ElectroYou (webmaster)
Idee microcontrollate (TardoFreak)
PICcoli grandi PICMicro (Paolino)
Il blog elettrico di carloc (carloc)
DirtEYblooog (dirtydeeds)
Di tutto... un po' (jordan20)
AK47 (lillo)
Esperienze elettroniche (marco438)
Telecomunicazioni musicali (clavicordo)
Automazione ed Elettronica (gustavo)
Direttive per la sicurezza (ErnestoCappelletti)
EYnfo dall'Alaska (mir)
Apriamo il quadro! (attilio)
H7-25 (asdf)
Passione Elettrica (massimob)
Elettroni a spasso (guidob)
Bloguerra (guerra)









