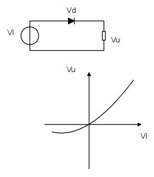
Ciao a tutti, all'università il professore ha fatto vedere la simulazione di un circuito classico composto da un generatore di tensione in serie con un diodo in serie con un resistore. Lo scopo era disegnare la curva che lega la tensione di ingresso (ai capi del generatore) e quella di uscita (ai capi del resistore). C'è qualcuno che può indicarmi un programma molto semplice e basilare che faccia questo genere di grafici?
Grazie
simulazione circuito diodo e resistore
24 messaggi
• Pagina 1 di 3 • 1, 2, 3
0
voti
0
voti
però ho un'altra domanda: lì dice come tracciare i grafici attribuendo uno specifico valore al generatore di tensione, al resistore, ecc...
Ma come faccio a fargli tracciare il grafico che metta sull'asse delle ascisse la tensione ai capi del generatore e sull'asse delle ordinate quella ai capi del resistore?
Cioè io vorrei il grafico che mostri come uno dipende dall'altro!
Ma come faccio a fargli tracciare il grafico che metta sull'asse delle ascisse la tensione ai capi del generatore e sull'asse delle ordinate quella ai capi del resistore?
Cioè io vorrei il grafico che mostri come uno dipende dall'altro!
2
voti
minomic ha scritto:... come faccio a fargli tracciare il grafico che metta sull'asse delle ascisse la tensione ai capi del generatore e sull'asse delle ordinate quella ai capi del resistore?
L'asse delle x puo' essere associato ad una qualsiasi grandezza della rete simulata e non solo al tempo, proprio come in un oscilloscopio in modalita' X-Y, per esempio per un diodo Zener puoi visualizzare la sua caratteristica V-I
e per ottenere cio', bastera' clikkare con sinistro-mouse sull'asse selle ascisse e sostituire a time la grandezza pilota (per l'esempio la tensione ai morsetti del diodo V(b) ).
"Il circuito ha sempre ragione" (Luigi Malesani)
0
voti
ok, ti dispiacerebbe elencarmi in modo molto schematico (così perdi meno tempo) i passaggi per arrivare a quel grafico?
grazie mille!
grazie mille!
0
voti
ah ho capito. In realtà però il risultato che vorrei ottenere è il seguente:
Pensi che sia possibile?
Pensi che sia possibile?
0
voti
Inoltre permette una modifica pressochè immediata del circuito, quindi molto versatile
2
voti
DC offset [V]: 0
Amplitude [V]: 10
Freq [Hz]: 1
Amplitude [V]: 10
Freq [Hz]: 1
Il Conte di Montecristo
Se non studio un giorno, me ne accorgo io. Se non studio due giorni, se ne accorge il pubblico.
Io devo studiare sodo e preparare me stesso perché prima o poi verrà il mio momento.
Abraham Lincoln
Se non studio un giorno, me ne accorgo io. Se non studio due giorni, se ne accorge il pubblico.
Io devo studiare sodo e preparare me stesso perché prima o poi verrà il mio momento.
Abraham Lincoln
-

EdmondDantes
11,9k 8 11 13 - Disattivato su sua richiesta
- Messaggi: 3619
- Iscritto il: 25 lug 2009, 22:18
- Località: Marsiglia
24 messaggi
• Pagina 1 di 3 • 1, 2, 3
Torna a Programmi applicativi: simulatori, CAD ed altro
Chi c’è in linea
Visitano il forum: Nessuno e 8 ospiti

Elettrotecnica e non solo (admin)
Un gatto tra gli elettroni (IsidoroKZ)
Esperienza e simulazioni (g.schgor)
Moleskine di un idraulico (RenzoDF)
Il Blog di ElectroYou (webmaster)
Idee microcontrollate (TardoFreak)
PICcoli grandi PICMicro (Paolino)
Il blog elettrico di carloc (carloc)
DirtEYblooog (dirtydeeds)
Di tutto... un po' (jordan20)
AK47 (lillo)
Esperienze elettroniche (marco438)
Telecomunicazioni musicali (clavicordo)
Automazione ed Elettronica (gustavo)
Direttive per la sicurezza (ErnestoCappelletti)
EYnfo dall'Alaska (mir)
Apriamo il quadro! (attilio)
H7-25 (asdf)
Passione Elettrica (massimob)
Elettroni a spasso (guidob)
Bloguerra (guerra)





