Salve sono nuovo del forum, lavorando da poco nel campo audio ho scaricato il ptogramma di simulazione Qucs.
Il problema che non riesco a risolvere è che la libreria dei componenti di Qucs non possiede molti operazionali, come ad esempio L'NE5532 o 5534, molto usato nell'audio.
Quindi sono andato su diversi siti di case di produzione (texas instrument, philips,ecc..) e mi sono scaricato alcuni modelli SPICE di componenti.
Ora una volta aperto Qucs non riesco ad importarli ed usarli, visto he non è presente una opzione IMPORTA COMPONENTE o LIBRERIA.
Come potrei fare?
Qualcun mi saprebbe consigliare qualche sito dove trovare modelli di operazionali?
E per ultima cosa, è possibile trovare modelli di valvole?
Ringrazio in anticipo a chi avrà la pazienza di rispondermi.
Fabio.
Libreria QUCS
30 messaggi
• Pagina 1 di 3 • 1, 2, 3
1
voti
Prima di tutto basta leggere la documentazione (RTFM):
http://qucs.sourceforge.net/docs/spicetoqucs.pdf
QUCS tratta i file di SPICE come un sotto circuito in "file components" -> "SPICE netlist".
http://qucs.sourceforge.net/docs/spicetoqucs.pdf
QUCS tratta i file di SPICE come un sotto circuito in "file components" -> "SPICE netlist".
0
voti
Il probema è che quando apro il sottocircuito denominato NETLIST SPICE, e clicco su sfoglia non mi vede la cartella del file.
Il file che ho scaricato da internet è il seguente.
Se saresti così gentile da indicarmi i assaggi te ne sarei molto grato!!!
Il file che ho scaricato da internet è il seguente.
Se saresti così gentile da indicarmi i assaggi te ne sarei molto grato!!!
- Codice: Seleziona tutto
***** NE5532 Source: Texas Instruments NE5534
* C2 added to simulate compensated frequency response (Uwe Beis)
* NE5532 OPERATIONAL AMPLIFIER "MACROMODEL" SUBCIRCUIT
* CREATED USING NE5534 model from Texas InstrumentsAT 12:41
* (REV N/A) SUPPLY VOLTAGE: +/-15V
* CONNECTIONS: NON-INVERTING INPUT
* | INVERTING INPUT
* | | POSITIVE POWER SUPPLY
* | | | NEGATIVE POWER SUPPLY
* | | | | OUTPUT
* | | | | |
.SUBCKT NE5532 1 2 3 4 5
*
C1 11 12 7.703E-12
C2 6 7 23.500E-12
DC 5 53 DX
DE 54 5 DX
DLP 90 91 DX
DLN 92 90 DX
DP 4 3 DX
EGND 99 0 POLY(2) (3,0) (4,0) 0 .5 .5
FB 7 99 POLY(5) VB VC VE VLP VLN 0 2.893E6 -3E6 3E6 3E6 -3E6
GA 6 0 11 12 1.382E-3
GCM 0 6 10 99 13.82E-9
IEE 10 4 DC 133.0E-6
HLIM 90 0 VLIM 1K
Q1 11 2 13 QX
Q2 12 1 14 QX
R2 6 9 100.0E3
RC1 3 11 723.3
RC2 3 12 723.3
RE1 13 10 329
RE2 14 10 329
REE 10 99 1.504E6
RO1 8 5 50
RO2 7 99 25
RP 3 4 7.757E3
VB 9 0 DC 0
VC 3 53 DC 2.700
VE 54 4 DC 2.700
VLIM 7 8 DC 0
VLP 91 0 DC 38
VLN 0 92 DC 38
.MODEL DX D(IS=800.0E-18)
.MODEL QX NPN(IS=800.0E-18 BF=132)
.ENDS
0
voti
bombofa ha scritto:Il probema è che quando apro il sottocircuito denominato NETLIST SPICE, e clicco su sfoglia non mi vede la cartella del file.
Il file deve finire con la riga ".end" come è scritto nella documentazione, basta aggiungerla.
Io sotto Linux con l'ultima versione compilata da me funziona, il file viene visto e caricato (di default i file SPICE hanno l'estensione .cir ma puoi vedere tutti i file). Ho simulato uno sweep in DC di un inseguitore di tensione, funziona.
0
voti
Ma il file che ho postato finisce con .ENDS.
Eppure continua a dirmi error.end
Eppure continua a dirmi error.end
0
voti
bombofa ha scritto:Ma il file che ho postato finisce con .ENDS.
Eppure continua a dirmi error.end
.ENDS è diverso da .END
In SPICE il termine ".ENDS" è usato per terminare un subcircuit, il termine ".END" indica la fine della netlist. La documentazione di QUCS indica chiaramente l'obbligo di finire con ".END" i file SPICE inclusi.
0
voti
Aiuto!! Non riesco proprio a farlo partire
Io inserisco i dati, inserisco .end e non mi dà messaggi di errore, ma quando avvio la simulazione il risultato mi da 0 volt e non guadagna niente...
mai possibile?
Io inserisco i dati, inserisco .end e non mi dà messaggi di errore, ma quando avvio la simulazione il risultato mi da 0 volt e non guadagna niente...
mai possibile?
0
voti
Hai messo le alimentazioni sull'operazionale? La prima parte della mia firma vale anche in simulazione 
Puoi allegare l'immagine del circuito ed eventualmente i comandi di simulazione impostati?
Puoi allegare l'immagine del circuito ed eventualmente i comandi di simulazione impostati?
Per usare proficuamente un simulatore, bisogna sapere molta più elettronica di lui
Plug it in - it works better!
Il 555 sta all'elettronica come Arduino all'informatica! (entrambi loro malgrado)
Se volete risposte rispondete a tutte le mie domande
Plug it in - it works better!
Il 555 sta all'elettronica come Arduino all'informatica! (entrambi loro malgrado)
Se volete risposte rispondete a tutte le mie domande
0
voti
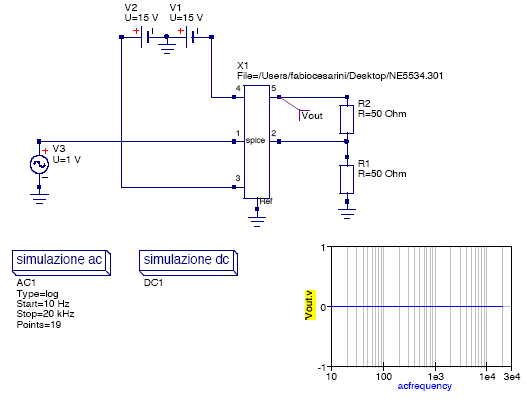
Ecco qui lo schema di un semplice operazionale non invertente.
In ingresso ho 1 V e l'uscita 0 V!!
Eppure le tensioni sono giuste! Gli ingressi anche (pin 1 non-inv, pin2 inv, 3 power+, 4 power-).
Metto il link dove scaricare da megaupload l'immagine:
http://www.megaupload.com/?d=GHFR9GQW
In ingresso ho 1 V e l'uscita 0 V!!
Eppure le tensioni sono giuste! Gli ingressi anche (pin 1 non-inv, pin2 inv, 3 power+, 4 power-).
Metto il link dove scaricare da megaupload l'immagine:
http://www.megaupload.com/?d=GHFR9GQW
0
voti
[10] Re: Libreria QUCS
Scusa ma non ti sembra esagerato postare un pdf e pure su Megaupload ?
Se non è troppo pesante puoi postarlo direttamente su EP, ma meglio ancora puoi catturare lo schermo (sola area utile)
per esempio con FastStone (FREE) e salvi in gif

Se non è troppo pesante puoi postarlo direttamente su EP, ma meglio ancora puoi catturare lo schermo (sola area utile)
per esempio con FastStone (FREE) e salvi in gif
"Il circuito ha sempre ragione" (Luigi Malesani)
30 messaggi
• Pagina 1 di 3 • 1, 2, 3
Torna a Programmi applicativi: simulatori, CAD ed altro
Chi c’è in linea
Visitano il forum: Nessuno e 19 ospiti

Elettrotecnica e non solo (admin)
Un gatto tra gli elettroni (IsidoroKZ)
Esperienza e simulazioni (g.schgor)
Moleskine di un idraulico (RenzoDF)
Il Blog di ElectroYou (webmaster)
Idee microcontrollate (TardoFreak)
PICcoli grandi PICMicro (Paolino)
Il blog elettrico di carloc (carloc)
DirtEYblooog (dirtydeeds)
Di tutto... un po' (jordan20)
AK47 (lillo)
Esperienze elettroniche (marco438)
Telecomunicazioni musicali (clavicordo)
Automazione ed Elettronica (gustavo)
Direttive per la sicurezza (ErnestoCappelletti)
EYnfo dall'Alaska (mir)
Apriamo il quadro! (attilio)
H7-25 (asdf)
Passione Elettrica (massimob)
Elettroni a spasso (guidob)
Bloguerra (guerra)



