Cos'è ElectroYou | Login Iscriviti

ElectroYou - la comunità dei professionisti del mondo elettrico

Amplificatore in protezione

hi-fi, luci, suoni, effetti speciali, palcoscenici...

Moderatore: Foto UtenteIsidoroKZ

0
voti

[1] Amplificatore in protezione

Messaggioda Foto UtenteLancillotto » 8 feb 2018, 17:25

Devo fare un favore ad un amico, mi ha portato un Nad304 qui potete vedere il service manual: http://www.amplimos.it/images/nad-304-i ... manual.pdf

Presenta il difetto di rimanere in protezione, infatti sul canale destro è presente una tensione di circa +10 volt.
Ho cercato di verificate più o meno tutto quello che riguardava il lato positivo, i componenti cerchiati in rosso sono stati rimossi e provati accuratamente anche solo per individuare le perdite più piccole, ma non ho riscontrato nulla di anormale.

Avete qualche idea?

Immagine

Quando ho rimosso i finali ovviamente non era più presente la debole tensione in uscita e il led di protezione era passato al verde ma Inspiegabilmente il relè non scattava comunque, ma questo immagino sia un altro problema
Avatar utente
Foto UtenteLancillotto
986 3 6
Sostenitore
Sostenitore
 
Messaggi: 526
Iscritto il: 13 ott 2017, 14:47
Località: ۞ ₯ ۞

1
voti

[2] Re: Amplificatore in protezione

Messaggioda Foto UtenteBrunoValente » 10 feb 2018, 0:26

E' una cosa che avrò detto cento e più volte e la ripeto: quando si cerca un guasto smontando a caso i componenti e provandoli uno ad uno in genere non si arriva da nessuna parte.

Un modo più intelligente e pratico per venirne a capo, soprattutto nei casi come questo, consiste anzitutto nel non smontare nulla evitando così di peggiorare le cose, e poi nell'accendere l'apparecchio, eseguire delle misure di tensione in vari punti e nel dedurre da quelle direttamente quale è il componente guasto oppure la zona dove conviene indagare meglio... dimenticavo: per fare questo bisogna sapere un pochino l'elettronica :roll:

Comunque, visto che ormai ti sei avviato così, ti conviene smontare e provare anche i componenti attivi di ingresso che non sono meno responsabili degli altri nel tenere a 0V la tensione di uscita, anzi, visto che dall'uscita esce una tensione di valore inferiore a quello della tensione di alimentazione, il guasto potrebbe riguardare componenti lontani dai finali.

Aggiungo inoltre che accendere un amplificatore a stato solido dopo aver rimosso alcuni componenti è una cosa che va evitata perché può comportare la rottura di altri componenti.
Avatar utente
Foto UtenteBrunoValente
39,6k 7 11 13
G.Master EY
G.Master EY
 
Messaggi: 7796
Iscritto il: 8 mag 2007, 14:48

2
voti

[3] Re: Amplificatore in protezione

Messaggioda Foto UtenteBrunoValente » 10 feb 2018, 1:01

Ti faccio notare inoltre che si tratta di un amplificatore più complicato del solito, mi pare appartenga alla categoria soprannominata classe H, per questo i finali di ogni canale sono 4 e non 2: nel canale dello schema che hai postato oltre a Q330 e Q332 ci sono anche Q328 e Q334.
Avatar utente
Foto UtenteBrunoValente
39,6k 7 11 13
G.Master EY
G.Master EY
 
Messaggi: 7796
Iscritto il: 8 mag 2007, 14:48

0
voti

[4] Re: Amplificatore in protezione

Messaggioda Foto UtenteLancillotto » 10 feb 2018, 16:47

BrunoValente ha scritto:E' una cosa che avrò detto cento e più volte e la ripeto: quando si cerca un guasto smontando a caso i componenti e provandoli uno ad uno in genere non si arriva da nessuna parte.

Un modo più intelligente... eseguire delle misure di tensione in vari punti e nel dedurre
...
per fare questo bisogna sapere un pochino l'elettronica
...


Anzitutto grazie per la tua risposta.

Devo dire che sono ovviamente partito facendo le misure, non è mia norma procedere a sostituzione a tappeto nemmeno quando si tratta dei condensatori, cercando sempre di capire quale sia il responsabile, è talmente radicata in me questo "modus operandi" che lo attuo anche nella ricerca di una saldatura difettosa, raramente procedo a rifare tutte quelle in zona, ma piuttosto mi limito ad osservare con cura il PCB fino a vedere con i miei occhi(e qualche ausilio) la saldatura incriminata, così sono sicuro che poi che una volta rifatta il problema è risolto senza alcun dubbio.
Come vedi provengo dalla vecchia scuola di approccio ad una riparazione elettronica.

Dopo questo preambolo dovuto, posso aggiungere che è molto difficile risalire a quelle che possono essere le tensioni corrette, essendo uno schema come hai notato tu stesso abbastanza complesso ed insolito, senza indicazioni nello schema sulle tensioni presenti nei vari punti, quindi vanno totalmente ricavate dalla propria esperienza in circuiti analoghi, inoltre l'alimentazione duale non aiuta di sicuro nelle misure.

Comunque avevo cercato di stabilire se la tensione in uscita fosse dovuta ad una parziale perdita dei finali (cosa di solito più probabile) oppure da un pilotaggio che venisse da monte, quindi le misure le fatte usando come riferimento le tensioni presenti sul canale funzionante, ma è oltremodo difficile confrontarsi, in quanto come ti ho scritto la tensione in uscita è minima rispetto all'alimentazione, quindi a monte la differenza può essere di pochi millivolt.
A confondere di più le acque ci si è messa anche la prova di raffreddamento di Q314 che porta dopo un po' di incertezza (+-+- 0) a eliminare totalmente questa tensione anomala in uscita fino a quando non ritorna in temperatura ambiente.
Mi pare inutile dirti che la prova prima e la sostituzione poi di Q314 (con quello dell'altro canale) non ha portato nessun cambiamento, allora ho provato i due zener presenti sulla base(3v9), ma anche in questo caso nulla di fatto.

BrunoValente ha scritto:...
Aggiungo inoltre che accendere un amplificatore a stato solido dopo aver rimosso alcuni componenti è una cosa che va evitata perché può comportare la rottura di altri componenti.


Me ne guardo bene, mi sono azzardato ad una breve prova solo dopo aver rimosso entrambi i finali, sono sicuro che sempre, ma in un circuito critico e bilanciato come questo ancora di più si abbia un effetto distruttivo a catena

A proposito di ciò, mi scrivi che anche Q328 e Q334 sono in collaborazione con i finali (pur essendo di una categoria inferiore) questo non lo sapevo, pensavo attuassero una sorta di controreazione con D332 D334 (clipping) sullo stadio finale
Avatar utente
Foto UtenteLancillotto
986 3 6
Sostenitore
Sostenitore
 
Messaggi: 526
Iscritto il: 13 ott 2017, 14:47
Località: ۞ ₯ ۞

4
voti

[5] Re: Amplificatore in protezione

Messaggioda Foto UtenteBrunoValente » 10 feb 2018, 18:54

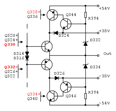
Questo è lo schema semplificato della zona dove sono i finali.



Quando il valore di tensione del segnale di uscita è prossimo a quello dell'alimentazione di 38V, cioè quando i finali "regolamentari" tenderebbero a saturare, allora si accendono quelli "supplementari" tramite gli zener D332 o D334, quindi la saturazione non avviene e l'escursione del segnale può proseguire senza clipping fino al valore di tensione della seconda alimentazione di 54V.

In questo modo si ottiene un circuito più efficiente rispetto ad un normale classe AB.

Ieri mi sbagliavo, non è un classe H, mi pare sia un classe G.

Le due tipologie si somigliano, la differenza consiste nel fatto che, quando i finali stanno per saturare, nei classe G, come in questo caso, l'alimentazione viene variata bruscamente dal valore normale ad un valore più alto, invece nei classe H l'alimentazione inizia a salire seguendo linearmente l'escursione del segnale, quindi senza variare bruscamente.

Nei classe H i finali supplementari dissipano una certa potenza mentre nei classe G, lavorando in commutazione, ne dissipano molto meno ma la potenza risparmiata dai finali supplementari è dissipata in più dai finali regolamentari, quindi dal punto di vista del rendimento complessivo le due tipologie si somigliano, almeno così mi sembra.
Avatar utente
Foto UtenteBrunoValente
39,6k 7 11 13
G.Master EY
G.Master EY
 
Messaggi: 7796
Iscritto il: 8 mag 2007, 14:48

2
voti

[6] Re: Amplificatore in protezione

Messaggioda Foto Utentemir » 10 feb 2018, 19:47

Lancillotto ha scritto:..un Nad304 ..Presenta il difetto di rimanere in protezione,..

Perdonate l'intromissione, in gamba tesa; sembrerebbe che sia un difetto comune di questo splendido amplificatore che in genere interessa i resistori r333 e r334 sono 47k 1/2 watt ,dissaldarli e misurarli non costa nulla .. ;-)
In caso di sostituzione si consiglia di installarli da 1W.
I circuiti sono controcorrente. Seguono sempre la massa

-Per rispondere utilizza il tasto [RISPONDI] e non il tasto [CITA], grazie.-
Avatar utente
Foto Utentemir
66,0k 9 12 13
G.Master EY
G.Master EY
 
Messaggi: 21870
Iscritto il: 19 ago 2004, 21:10

1
voti

[7] Re: Amplificatore in protezione

Messaggioda Foto UtenteBrunoValente » 11 feb 2018, 11:28

Ciao Foto Utentemir, va be', per questa volta sei perdonato! :-).

Se il valore di R334, che è quella che interessa il canale difettoso, aumentasse oltre un certo limite, di conseguenza si ridurrebbe la corrente emessa dai collettori di Q310 e Q312, correnti che tengono in vita il doppio differenziale di ingresso e che si occupa proprio di tenere confinata intorno a 0V la tensione di uscita, quindi direi che il suggerimento di mir vada ben considerato :ok:

Quindi, prima di mettere mano al saldatore, conviene andare a misurare le tensioni ai capi dei diodi zener D306 e D308 che, se R334 fosse buona, dovrebbero essere di 3.9V, meno se il valore di R334 fosse aumentato.
Avatar utente
Foto UtenteBrunoValente
39,6k 7 11 13
G.Master EY
G.Master EY
 
Messaggi: 7796
Iscritto il: 8 mag 2007, 14:48

1
voti

[8] Re: Amplificatore in protezione

Messaggioda Foto UtenteBrunoValente » 11 feb 2018, 11:41

Se il difetto fosse davvero dovuto al valore aumentato di R334, faccio notare come sarebbe stato oltremodo complicato trovarlo smontando e provando componenti a caso: le resistenze, dopo aver smontato tutti i componenti attivi, poi gli elettrolitici ecc., sarebbero state le ultime ad essere smontate...

Una verifica del funzionamento del differenziale di ingresso, che è una zona del circuito fortemente sospetta quando si ha tensione continua in uscita, eseguita misurando le principali tensioni, tra cui quelle ai capi degli zener che polarizzano le due sorgenti di corrente, avrebbe subito messo in evidenza il componente difettoso.
Avatar utente
Foto UtenteBrunoValente
39,6k 7 11 13
G.Master EY
G.Master EY
 
Messaggi: 7796
Iscritto il: 8 mag 2007, 14:48

0
voti

[9] Re: Amplificatore in protezione

Messaggioda Foto Utentemir » 11 feb 2018, 12:57

BrunoValente ha scritto:Ciao mir, va be', per questa volta sei perdonato! :-)

iOi .. :ok:
I circuiti sono controcorrente. Seguono sempre la massa

-Per rispondere utilizza il tasto [RISPONDI] e non il tasto [CITA], grazie.-
Avatar utente
Foto Utentemir
66,0k 9 12 13
G.Master EY
G.Master EY
 
Messaggi: 21870
Iscritto il: 19 ago 2004, 21:10

0
voti

[10] Re: Amplificatore in protezione

Messaggioda Foto UtenteLancillotto » 12 feb 2018, 12:01

Grazie a entrambi per l'aiuto.

Si, era proprio la R334 aperta a creare il problema.
Bruno dice bene ma non era per nulla facile, tenendo conto che hai ben due alimentazioni duale da tenere conto, ma ancor di più che l'apparecchio è già stato visto da almeno due persone ed è tutto smontato, incredibilmente nonostante tutto ci stavo arrivando vicino, sicuramente le resistenze è difficile pensarle, in particolare quelle con valori elevati, ma mi era già successo seppure raramente anche in altri apparecchi.
Tra l'altro non so per quale ragione gli è stato dissaldato il potenziometro del volume che mi è stato dato a parte.

Purtroppo sapete ben quanto sia difficile mettere mano a qualcosa che è già stata manipolata, in questo caso meno che in altri che mi sono capitati, ma a sufficienza...

Tanto che sebbene non ho più tensioni in uscita su entrambi i canali e il led verde è correttamente acceso non ho l'eccitazione del relè che mi collega le casse

Cos'altro ci sarà?
Proseguiamo con l'indagine...
Avatar utente
Foto UtenteLancillotto
986 3 6
Sostenitore
Sostenitore
 
Messaggi: 526
Iscritto il: 13 ott 2017, 14:47
Località: ۞ ₯ ۞

Prossimo

Torna a Elettronica e spettacolo

Chi c’è in linea

Visitano il forum: Nessuno e 26 ospiti