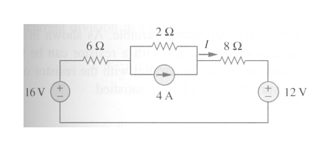
Ragazzi devo trovare la corrente I del circuito allegato.
Sapete aiutarmi?
Grazie
Risoluzione circuito corrente continua
Moderatori:
g.schgor,
IsidoroKZ
12 messaggi
• Pagina 1 di 2 • 1, 2
1
voti
andre1992 ha scritto:Sapete aiutarmi?
può darsi.
tu come cominceresti?
io trasformando il parallelo tra il GIC da 4 A e la resistenza da 2 Ω nel suo equivalente serie.
o se proprio non vuoi prendere quella strada, una KVL alla maglia esterna (non passare per il GIC
0
voti
Sapresti scrivermi le espressione della LKV e LKC che dici?
Sono un po' in alto mare
Sono un po' in alto mare

0
voti
e tu non ci vuoi neanche provare 
guarda che non sei a scuola, se sbagli non ti mangia nessuno
guarda che non sei a scuola, se sbagli non ti mangia nessuno

0
voti
Ho già provato ma sto scrivendo solo delle gran fesserie
aspetto un tuo aiuto!
aspetto un tuo aiuto!
1
voti
e io aspetto le tue fesserie
migliaia di utenti potrebbero fornirti la risposta, ma dandotela non faremmo altro che danni.
se tu mi scrivi quelle che chiami fesserie, io o qualcun altro potremmo darti delle dritte, e il circuito impari a risolverlo da solo.
migliaia di utenti potrebbero fornirti la risposta, ma dandotela non faremmo altro che danni.
se tu mi scrivi quelle che chiami fesserie, io o qualcun altro potremmo darti delle dritte, e il circuito impari a risolverlo da solo.
0
voti
Hai ragione!
Io farei cosi, dimmi dove sbaglio:
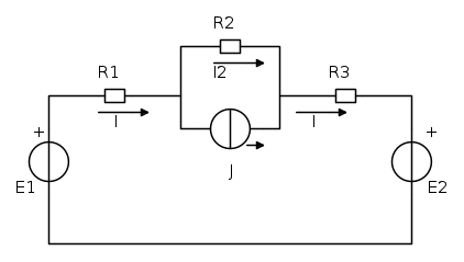
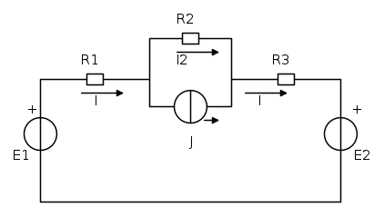
LKV maglia esterna: E1 - R1I1 - R3I - E2 = 0
LKC nodo destra maglia interna: j + I2 = I
però ho 3 incognite che sono I1 I e I2 ma so che c'è palesemente un errore!
Io farei cosi, dimmi dove sbaglio:
LKV maglia esterna: E1 - R1I1 - R3I - E2 = 0
LKC nodo destra maglia interna: j + I2 = I
però ho 3 incognite che sono I1 I e I2 ma so che c'è palesemente un errore!
0
voti
E1 generatore di sinistra, E2 generatore di destra
R1 I1 la prima resistenza a sinistra con la sua corrente che circola
R2 I2 la resistenza della maglia interna e la sua corrente
j la corrente nota di 4 Ampere
R3 la resistenza di destra della maglia esterna
R1 I1 la prima resistenza a sinistra con la sua corrente che circola
R2 I2 la resistenza della maglia interna e la sua corrente
j la corrente nota di 4 Ampere
R3 la resistenza di destra della maglia esterna
1
voti
uno schema ben fatto vale più di 1000 parole
come è possibile che ti trovi 3 incognite
come dice
rusty bisogna avere gli schemi completi di correnti (in particolar modo i loro versi, che tu scegli), e con i nomi a cui fai riferimento nelle formule.
questa volta lo schema lo faccio io, ma la prossima volta lo fai solo, mi raccomando:
io seguendo questo schema scriverei così la KVL:

e così la KCL:

come è possibile che ti trovi 3 incognite
come dice
questa volta lo schema lo faccio io, ma la prossima volta lo fai solo, mi raccomando:
io seguendo questo schema scriverei così la KVL:

e così la KCL:

12 messaggi
• Pagina 1 di 2 • 1, 2
Torna a Elettrotecnica generale
Chi c’è in linea
Visitano il forum: Nessuno e 90 ospiti

Elettrotecnica e non solo (admin)
Un gatto tra gli elettroni (IsidoroKZ)
Esperienza e simulazioni (g.schgor)
Moleskine di un idraulico (RenzoDF)
Il Blog di ElectroYou (webmaster)
Idee microcontrollate (TardoFreak)
PICcoli grandi PICMicro (Paolino)
Il blog elettrico di carloc (carloc)
DirtEYblooog (dirtydeeds)
Di tutto... un po' (jordan20)
AK47 (lillo)
Esperienze elettroniche (marco438)
Telecomunicazioni musicali (clavicordo)
Automazione ed Elettronica (gustavo)
Direttive per la sicurezza (ErnestoCappelletti)
EYnfo dall'Alaska (mir)
Apriamo il quadro! (attilio)
H7-25 (asdf)
Passione Elettrica (massimob)
Elettroni a spasso (guidob)
Bloguerra (guerra)



