Equivalenti Thevenin indicati, il numero di maglie scende.
RISOLUZIONE DI UN CIRCUITO ELETTRICO
Moderatori:
g.schgor,
IsidoroKZ
36 messaggi
• Pagina 2 di 4 • 1, 2, 3, 4
1
voti
Per usare proficuamente un simulatore, bisogna sapere molta più elettronica di lui
Plug it in - it works better!
Il 555 sta all'elettronica come Arduino all'informatica! (entrambi loro malgrado)
Se volete risposte rispondete a tutte le mie domande
Plug it in - it works better!
Il 555 sta all'elettronica come Arduino all'informatica! (entrambi loro malgrado)
Se volete risposte rispondete a tutte le mie domande
1
voti
Io inoltre avrei usato Ahmes per trovare i valori iniziali senza scomodare un sistema a tre equazioni
e quindi


e quindi


"Il circuito ha sempre ragione" (Luigi Malesani)
0
voti
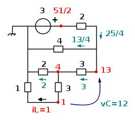
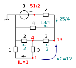
Scusate , quando ho fatto i calcoli per t<0 in CONTINUA , i valori che trovo sono :
i1= - 0.352 A
i2= 0.735 A
i3 = 0.1176 A = iL(0)
(e fino a qui sembrano giusti...)
Ma poi quando mi vado a calcolare Vc(0) , non va bene cosi come ho fatto ?
Mi viene un risultato diverso da RenzoDf , a lui viene (72/51) = 1.411 V
invece a me risulta :
Vc(0) = VR3 +VR6 = 3(0.1176) + 3( - 0.352) = - 0.704 V
Dove ho sbagliato ? Avrei dovuto prendere entrambe le tensioni con il segno positivo ?
Se avessi preso entrambe le tensioni con il sengo positivo avrei avuto come risultato:
Vc(0) = VR3 +VR6 = 3(0.1176) + 3( 0.352) = 1.4088 V (che si avvicina molto a quello di Renzo a meno di qualche approssimazione fatta nei calcoli, o è solo una coincidenza? )
i1= - 0.352 A
i2= 0.735 A
i3 = 0.1176 A = iL(0)
(e fino a qui sembrano giusti...)
Ma poi quando mi vado a calcolare Vc(0) , non va bene cosi come ho fatto ?
Mi viene un risultato diverso da RenzoDf , a lui viene (72/51) = 1.411 V
invece a me risulta :
Vc(0) = VR3 +VR6 = 3(0.1176) + 3( - 0.352) = - 0.704 V
Dove ho sbagliato ? Avrei dovuto prendere entrambe le tensioni con il segno positivo ?
Se avessi preso entrambe le tensioni con il sengo positivo avrei avuto come risultato:
Vc(0) = VR3 +VR6 = 3(0.1176) + 3( 0.352) = 1.4088 V (che si avvicina molto a quello di Renzo a meno di qualche approssimazione fatta nei calcoli, o è solo una coincidenza? )
0
voti
Comunque una volta che poi avevo impostato il sistema a 5 incognite per t<0 per ALTERNATA mi sono trovato come valori :
i1= 0.911 - 0.567 j
i2= 1.089 - 0.567j
i3= -0.052 - 0.366j
i4= 0.448 + 0.373j
Vg1= 11.42 - 0.68j
Da cui :
iL1(0)=i3= -0.052 - 0.336j
Calcolando modulo e fase mi viene :
iL1(0)=0.035
Di conseguenza iL1(0) tot = 0.035 + 0.1176 = 0.1528 A
Giusto ?
i1= 0.911 - 0.567 j
i2= 1.089 - 0.567j
i3= -0.052 - 0.366j
i4= 0.448 + 0.373j
Vg1= 11.42 - 0.68j
Da cui :
iL1(0)=i3= -0.052 - 0.336j
Calcolando modulo e fase mi viene :
iL1(0)=0.035
Di conseguenza iL1(0) tot = 0.035 + 0.1176 = 0.1528 A
Giusto ?
0
voti
ummo89 ha scritto:invece a me risulta :
Vc(0) = VR3 +VR6 = 3(0.1176) + 3( - 0.352) = - 0.704 V
Dove ho sbagliato ?
Nel segno del secondo termine che andava considerato negativo -3( - 0.352) !
"Il circuito ha sempre ragione" (Luigi Malesani)
0
voti
Ok grazie . . .
Invece per l'alternata :
(alternata) = 
Calcolando modulo e fase ,risulta :

Di conseguenza
Ricapitolando :


Vi risulta ?
Invece per l'alternata :
(alternata) = 
Calcolando modulo e fase ,risulta :

Di conseguenza

Ricapitolando :


Vi risulta ?
0
voti
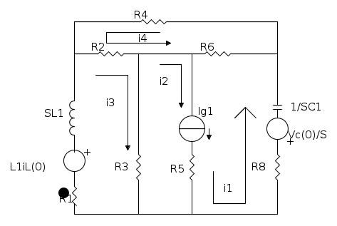
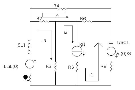
In seguito ho fatto i calcoli per t>0 ed ho applicato Laplace:



![\[R_4i_4+R_2(i_4-i_3)+R_6(i_4-i_1)=0\] \[R_4i_4+R_2(i_4-i_3)+R_6(i_4-i_1)=0\]](/forum/latexrender/pictures/be654454419e231b5f614e3352e3dc97.png)
A questo , per risolvere il sistema posso utilizzare solamente i valori di Vc(o)tot e iL(0)tot trovati in precedenza , giusto ?
I valori delle correnti e di Vg calcolati in precedenza per t<0 (alternata) non li posso utilizzare, ma me li devo ricavare di nuovo , o sbaglio ?



![\[R_4i_4+R_2(i_4-i_3)+R_6(i_4-i_1)=0\] \[R_4i_4+R_2(i_4-i_3)+R_6(i_4-i_1)=0\]](/forum/latexrender/pictures/be654454419e231b5f614e3352e3dc97.png)
A questo , per risolvere il sistema posso utilizzare solamente i valori di Vc(o)tot e iL(0)tot trovati in precedenza , giusto ?
I valori delle correnti e di Vg calcolati in precedenza per t<0 (alternata) non li posso utilizzare, ma me li devo ricavare di nuovo , o sbaglio ?
Ultima modifica di
ummo89 il 9 set 2011, 12:53, modificato 2 volte in totale.
0
voti
Vedo che purtroppo non segui i consigli che ti vengono dati,
comunque prima di andare avanti noto solo ora che nel testo c'e' la funzione

qual'e' la sua definizione?
comunque prima di andare avanti noto solo ora che nel testo c'e' la funzione

qual'e' la sua definizione?
"Il circuito ha sempre ragione" (Luigi Malesani)
0
voti
RenzoDF ha scritto:Vedo che purtroppo non segui i consigli che ti vengono dati,
comunque prima di andare avanti noto solo ora che nel testo c'e' la funzione
qual'e' la sua definizione?
Se ti riferisci al fatto di usare Ahmes al posto del sistema, sinceramente non ho la più pallida idea di cosa sia ! ! !
sta ad indicare che il generatore si spegne a t=0.Comunque sapresti dirmi come devo procedere una volta impostato il circuito con Laplace ?
Quali valori ho a disposizione per risolvere il sistema ? Solamente la
e
?I valori delle correnti e di Vg1 che ho trovato per t<0 (in alternata) non sono gli stessi e quindi me li devo ricalcolare giusto ?
36 messaggi
• Pagina 2 di 4 • 1, 2, 3, 4
Torna a Elettrotecnica generale
Chi c’è in linea
Visitano il forum: Nessuno e 99 ospiti

Elettrotecnica e non solo (admin)
Un gatto tra gli elettroni (IsidoroKZ)
Esperienza e simulazioni (g.schgor)
Moleskine di un idraulico (RenzoDF)
Il Blog di ElectroYou (webmaster)
Idee microcontrollate (TardoFreak)
PICcoli grandi PICMicro (Paolino)
Il blog elettrico di carloc (carloc)
DirtEYblooog (dirtydeeds)
Di tutto... un po' (jordan20)
AK47 (lillo)
Esperienze elettroniche (marco438)
Telecomunicazioni musicali (clavicordo)
Automazione ed Elettronica (gustavo)
Direttive per la sicurezza (ErnestoCappelletti)
EYnfo dall'Alaska (mir)
Apriamo il quadro! (attilio)
H7-25 (asdf)
Passione Elettrica (massimob)
Elettroni a spasso (guidob)
Bloguerra (guerra)







