Io proverei così:
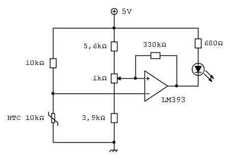
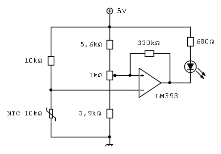
Ho invertito gli ingressi del comparatore. Ora il segnale è applicato all'ingresso invertente e il led d'uscita si accende quando la temperatura misurata dalla sonda è minore di quella impostata tramite il trimmer.
L'isteresi è data dalla resistenza da 330kΩ che dovrebbe garantirti almeno mezzo grado centigrado di scarto tra le due soglie. Per dare un valore alla resistenza di retroazione ho simulato il circuito. Se sei interessato a simulazioni o formule ti consiglio di leggere i seguenti interessanti articoli presenti sul portale.
Questi per la simulazione:
MicroCap - Comparatore con isteresi
MicroCap - Comparatore a soglia
MicroCap - Regolatore On-Off
E questi per i calcoli:
Progetto Termostato I - Proprieta` delle NTC
Progetto Termostato II - Blocchi base
Progetto Termostato III - Dimensionamento e calcoli
Interfaccia Sensore Pioggia con Smartswitch
1
voti
Ora che sono riuscito a fare una simulazione decente allego l'immagine.
La sonda è un termistore NTC da 10kΩ e il trimmer è impostato a metà della corsa. Sul grafico in alto si vedono il riferimento (rosso) e il segnale generato sull'ingresso invertente del comparatore dall'NTC (blu) che si abbassa man mano che la temperatura cresce. La traccia sotto (verde) mostra invece il cambio dell'uscita del comparatore.
Sulla traccia rossa si nota l'isteresi imposta dalla resistenza da 330kΩ che come dicevo nel messaggio precedente è di circa 25mV che corrispondono a più o meno 0,5°C.
La sonda è un termistore NTC da 10kΩ e il trimmer è impostato a metà della corsa. Sul grafico in alto si vedono il riferimento (rosso) e il segnale generato sull'ingresso invertente del comparatore dall'NTC (blu) che si abbassa man mano che la temperatura cresce. La traccia sotto (verde) mostra invece il cambio dell'uscita del comparatore.
Sulla traccia rossa si nota l'isteresi imposta dalla resistenza da 330kΩ che come dicevo nel messaggio precedente è di circa 25mV che corrispondono a più o meno 0,5°C.
Chi c’è in linea
Visitano il forum: Nessuno e 5 ospiti

Elettrotecnica e non solo (admin)
Un gatto tra gli elettroni (IsidoroKZ)
Esperienza e simulazioni (g.schgor)
Moleskine di un idraulico (RenzoDF)
Il Blog di ElectroYou (webmaster)
Idee microcontrollate (TardoFreak)
PICcoli grandi PICMicro (Paolino)
Il blog elettrico di carloc (carloc)
DirtEYblooog (dirtydeeds)
Di tutto... un po' (jordan20)
AK47 (lillo)
Esperienze elettroniche (marco438)
Telecomunicazioni musicali (clavicordo)
Automazione ed Elettronica (gustavo)
Direttive per la sicurezza (ErnestoCappelletti)
EYnfo dall'Alaska (mir)
Apriamo il quadro! (attilio)
H7-25 (asdf)
Passione Elettrica (massimob)
Elettroni a spasso (guidob)
Bloguerra (guerra)

