Indice |
Introduzione
In questa sezione si faranno i calcoli preliminari per il dimensionamento del termostato, basati sulle relazioni ricavate nel precedente articolo [1]
Si useranno componenti commerciali con tolleranze del 5% o in caso di necessita` 1%. Quasi necessariamente per termostati a temperatura fissa si usera` un potenziometro o di un trimmer per la taratura del termostato. Per termostati regolabili in un intervallo di temperatura, il potenziometro di settaggio e` invece una parte della specifica. In questo caso potrebbe essere necessario usare degli altri trim per fissare il campo di regolazione del potenziometro. Nel progetto che segue ci si limitera` a garantire che il potenziometro copra l'intervallo di temperatura desiderato.
L'alimentazione sara` considerata singola a
, ma lo stesso circuito dovrebbe funzionare anche a
. Usando una misura raziometrica (a ponte) non sara` necessario usare riferimenti precisi di tensione. L'uscita del termostato sara` un transistore per il pilotaggio di un rele', che si attiva quando la temperatura scende al di sotto della soglia minima attivando il riscaldatore, oppure in un'altra versione, si attiva quando la temperatura sale al di sopra di una soglia massima attivando il raffreddamento.
Le altre specifiche: campo di temperatura fra
e
(incubatrice estesa anche per altre uova), isteresi
.
La precisione della temperatura controllata e` ottenuta per confronto con un termometro supposto preciso. Si regola per passi successivi il potenziometro per ottenere una precisione sempre migliore, e raggiunta la temperatura voluta si segna sulla manopola del potenziometro la posizione cui corrisponde la temperatura desiderata. La procedura puo` essere ripetuta per piu` temperature.
Schema e dimensionamento
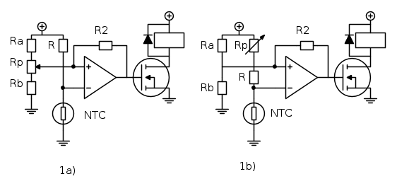
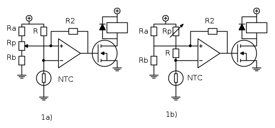
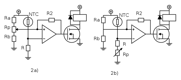
I possibili schemi del termostato consistono di una qualche combinazione dei tre blocchi visti nell'articolo precedente [1]. A seconda che si sia interessati a controllare una temperatura pressoche' costante oppure una temperatura variabile in un intervallo abbastanza elevato, puo` essere conveniente usare un circuito con resistenza fissa in serie all'NTC oppure con una resistenza variabile. In ogni caso, anche per utilizzo a temperatura fissa, a causa delle tolleranze dei componenti, e` spesso necessario prevedere un trimmer o un potenziometro di regolazione. Possibili schemi base sono i seguenti:
In questi due schemi viene utilizzato un comparatore con isteresi di tipo invertente: quando la temperatura sale la tensione sull'ingresso invertente del comparatore diminuisce e il comparatore accende il transistore di uscita e attiva il rele`: questo e` il funzionamento tipico per un raffreddamento. Per ottenere la funzione opposta si puo` usare la configurazione non invertente, oppure meglio, scambiare di fra di loro l'NTC e la resistenza R (o R+Rp)
In questi schemi la tensione di isteresi
e` fissa (schemi 1b e 2b) o quasi fissa (schemi 1a e 2a).
Passiamo ora al dimensionamento vero e proprio, considerando queste specifiche: tensione di alimentazione
, campo di temperatura fra
e
, isteresi
, attivazione del rele`, che assorbe
, quando la temperatura scende.
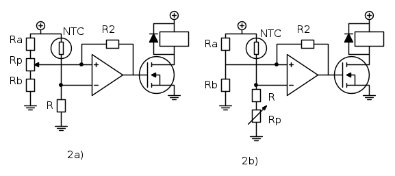
L'ultima specifica richiede l'uso del circuito 2a oppure 2b. Essendo l'intervallo di temperatura non troppo ampio, si puo` scegliere di dimensionare entrambi i circuiti, verificando durante il progetto che la soluzione sia accettabile.
Progetto del circuito NTC
La prima scelta da effettuare e` quella dell'NTC. Da considerazioni sull'autoriscaldamento fatte in precedenza si sceglie di usare una ntc da
, anche considerando che la temperatura di lavoro non e` troppo elevata. In caso di temperature elevate, e quindi di resistenze effettive minori, e` opportuno salire ulteriormente con il valore dell'NTC.
I dati di questa NTC sono gia` stati presentati in precedenza [2], qui basta ricordare il coefficiente
. Il valore nominale dell'NTC alle temperature minima, massima e nominale vale
| Temperatura | Resistenza |
|---|---|
|
|
|
|
|
|
NTC con resistenza fissa
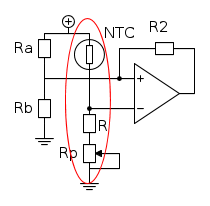
Se l'intervallo di regolazione della temperatura e` piccolo o addirittura si e` a temperatura fissa, si realizza lo schema 2a, ripetuto qui per convenienza evidenziando il partitore da progettare.
Come ricavato in [1], il valore commerciale della resistenza
del partitore deve essere il piu` vicino possibile a quello dell'NTC alla temperatura nominale. In questo caso con
il valore della resistenza
puo` essere scelto fra i valori commerciali
e
in modo da massimizzare la sensibilita` intorno alla temperatura centrale. La sensibilita`, calcolata in precedenza e` di circa
con entrambe le resistenze.
Il calcolo preliminare dell'effetto delle tolleranze di NTC e R sulla tensione
e sulla sensibilita`
puo` essere fatto ad esempio con un foglio Excel, in modo da ridurre il tempo di calcolo (Invece il tempo per mettere a punto il foglio e` sempre sottostimato di un fattore almeno 3 :( ).
Un esempio di risultati ottenuti in questo modo e` mostrato nella figura sottostante dove e` riportata la tensione di uscita dal partitore e la sensibilita` ottenuta. Per l'NTC non si e` distinto fra tolleranza del fattore
e di
.
Questa tabella permette di trovare la tensione massima e minima che il comparatore si ritrova all'ingresso, in pratica la tensione di soglia media che deve essere in grado di comparare. La sensibilita` serve per calcolare l'isteresi necessaria, e da` una idea di quanto cambia l'isteresi al cambiare delle tolleranze del circuito del sensore.
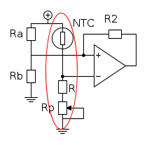
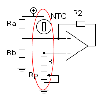
NTC con potenziometro
Se si realizza lo schema di figura 2b, riportato qui sotto
Il valore della resistenza piu` potenziometro deve essere uguale a quello dell'NTC alle diverse temperature di regolazione. Bisogna scegliere un potenziometro
e una resistenza
in modo che possano assumere tutti i valori di resistenza che l'NTC puo` assumere nell'intervallo di temperatura, includendo gli effetti delle tolleranze.
La resistenza minima nominale dell'NTC e` pari a
: scegliere
e` pero` un errore perche' bisogna considerare l'effetto delle tolleranze su NTC e resistenza.
Assumendo una tolleranza del 5% sia per le resistenze che per l'NTC, la scelta del valore di resistenza diventa
, in modo che con la resistenza al valore massimo a causa delle tolleranze
e l'NTC al suo valore minimo
si abbia sempre il valore della resistenza minore di quello dell'NTC.
Il valore del potenziometro deve essere scelto in modo da coprire il caso peggiore che si ha con NTC di valore massimo e resistenza di partitore di valore minimo:
Anche i potenziometri sono afflitti dalle tolleranze, tipicamente 20% e quando va bene solo 10%. Per questa ragione la scelta va su un potenziometro lineare da almeno
ovvero si prende il valore commerciale di
. Da ricordare che spesso i potenziometri hanno valori normalizzati nella sequenza 1-2-5. Talvolta si trovano i valori della sequenza 1-2.2 e 4.7.
Con intervalli di variazione di resistenza dell'NTC relativamente piccoli come in questo caso, si utilizza un potenziometro lineare. Per elevati intervalli di temperatura, ad esempio da
a
un potenziometro lineare puo` dare difficolta` di regolazione all'estremo alto di temperatura dove una grande variazione di temperatura e` concentrata in un piccolo angolo, ed e` necessario considerare potenziometri logaritmici, oppure cambiare radicalmente il circuito.
Gli errori del comparatore, dovuti alle tolleranze delle sue resistenze, vengono compensati da questo potenziometro, quindi in seconda battuta bisognera` verificare che questo potenziometro sia in grado di dare un intervallo di tensioni che comprenda anche gli errori del comparatore.
A questo punto e` solo necessario calcolare la sensibilita` del circuito in modo da poter definire l'ampiezza dell'isteresi del comparatore. I valori di sensibilita` in questo caso sono dati dall'equazione (7) dell'articolo precedente [2]
e i risultati sono rappresentati in TABELLA 1
| Temperatura | Sensibilita` |
|---|---|
|
|
|
|
|
|
La tensione di uscita nominale per tutti i casi e`
e bisognera` verificare che la si possa eventualmente variare con il potenziometro in modo da correggere gli errori del comparatore.
Dimensionamento del comparatore
La scelta di utilizzare un transistore per interfacciarsi al carico richiede di scegliere un operazionale a singola alimentazione, in modo da garantire lo spegnimento del transistore quando l'uscita va bassa. Da notare che con i criteri sviluppati in [1], la tensione degli ingressi rimane sempre intorno a meta` della tensione di alimentazione e se non ci fosse il problema dell'uscita si potrebbe utilizzare un operazionale anche non a singola alimentazione.
Data pero` la specifica del transistore di uscita, si puo` scegliere ad esempio un LM358, operazionale a singola alimentazione, la cui tensione di offset, dell'ordine di qualche millivolt, non da` problemi in quanto di per se` trascurabile, viene comunque corretta con la regolazione del potenziometro.
Questo termostato richiede il dimensionamento di un comparatore con isteresi di tipo invertente utilizzante un operazionale a singola alimentazione, le cui equazioni di progetto (17) e (19) dell'articolo [1] sono riportate qui di seguito.
A seconda che si sia scelto il circuito 2a oppure 2b si deve valutare la tensione media di soglia
, mentre l'isteresi elettrica
e` pressoche' costante nei due circuiti perche' la sensibilita` del circuito del sensore non varia di molto. L'ampiezza dell'isteresi elettrica e` data dall'isteresi di temperatura moltiplicata per la sensibilita` del circuito, praticamente costante nei due casi.
NTC con potenziometro
Il progetto del comparatore per la configurazione 2b e` apparentemente semplice perche' la tensione media di soglia e` costante e vale
.
Utilizzando le formule (6) e (7) si ottengono il rapporto delle resistenze e il valore della tensione
.
Il rapporto delle resistenze e` molto elevato e la scelta dei valori richiede un po' di attenzione per non sprecare potenza inutilmente oppure per non utilizzare resistenze di valore troppo elevato. La resistenza
e` data dall'equivalente Thevenin di
ed
come pure la tensione
e` data dallo stesso equivalente Thevenin. Usando l'equazione (7b) si ha:
Il partitore formato da
ed
deve avere
in modo da dividere a meta` la tensione di alimentazione. Non ha alcun senso, con resistenze al 5%, o anche all'1%, andare a preoccuparsi dei
di differenza rispetto a quanto si ottiene con due resistenze nominalmente uguali: l'errore e` dello 0.1%, e scompare nella tolleranza delle resistenze.
A questo punto si possono scegliere le resistenze: utilizzando ad esempio
si ha una resistenza equivalente, che costituisce anche la resistenza del comparatore pari a
e il valore dell'altra resistenza del comparatore risulta
Con questa resistenza di retroazione l'isteresi teorica risulta essere di poco superiore al valore calcolato. In realta` anche l'isteresi subisce l'effetto della tolleranza delle resistenze e della imprecisione della tensione di uscita, assunta pari
per il livello alto e
per quello basso.
La tensione
, a causa delle tolleranze su
ed
puo` variare nell'intervallo
e questa variazione, come detto in precedenza, deve essere recuperata dal potenziometro in serie all'NTC.
In pratica il circuito dell'NTC, con una opportuna regolazione del potenziometro, deve essere in grado di fornire sia alla temperatura massima che a quella minima una tensione compresa fra i due valori indicati prima, malgrado tutte le tolleranze possano sommarsi a sfavore
Assumendo una tolleranza del 5% per resistore e NTC e del 20% per il potenziometro, i valori estremi di tensione sono dati maggiorando o minorando opportunamente i valori di resistenze e ntc in questo modo:
E sostituendo i valori numerici con le tolleranze si ha:
Entrambe queste espressioni mostrano che il potenziometro non e` in grado di recuperare casi con tolleranze di valore massimo e segno piu` sfavorevole. La probabilita` che queste circostante capitino contemporaneamente e` bassa, ma non nulla. Una analisi Montecarlo con un simulatore circuitale puo` mostrare qual e` la probabilita` di avere un circuito che non riesce a soddisfare le specifiche. Per trovare una soluzione a questo problema si puo` utilizzare Excel, provando a ridurre le tolleranze fino a rientrare nelle specifiche.
La prima tolleranza da stringere, meno costosa da implementare, e` sulle resistenze. Utilizzando resistori all'1% solo per
ed
, lasciando invariato NTC, R e potenziometro, la tensione
che deve essere generata dal circuito dell'NTC diventa
e si vede che in questo caso si riesce a regolare. Per tenere conto dell'effetto di
che qui e` stato trascurato, e dell'offset dell'operazionale, del fatto che la resistenza minima del potenziometro non va a zero, si puo` ridurre all'1% anche la tolleranza su R, mantenendo l'NTC al 5% e il potenziometro al 20% di tolleranza. In questo caso ottengono come tensioni massime e minime generabili:
Questi valori coprono comodamente l'intervallo di variazione delle tensioni di soglia del comparatore.
Da notare che non e` necessario avere una tensione di alimentazione stabile e precisa, perche' i due partitori sono alimentati dalla stessa tensione e il confronto e` solo fra i rapporti di resistenza (misura raziometrica).
Con questi valori il consumo di corrente e` dell'ordine di
per il ramo formato da
ed
e circa
per il ramo con l'NTC. A questi livelli di consumo non ci sono problemi se il circuito e` alimentato da rete, ma potrebbe essere troppo elevato in caso di circuito alimentato a batterie. In questo caso bisogna aumentare di almeno un ordine di grandezza il valore delle resistenze. La resistenza di retroazione
e` quella piu` critica da questo punto di vista, perche' puo` diventare facilmente troppo grande e difficile da reperire. In questo caso ci sono altre soluzioni circuitali che utilizzano un attenuatore a T sul ramo di retroazione.
La potenza massima dissipata dall'NTC vale circa
e l'autoriscaldamento in aria libera, analogamente a quanto si era calcolato in [1], equazioni (11) e (12), vale circa
.
NTC con resistenza fissa
Lo schema con resistenza fissa in serie all'NTC e` il seguente:
In questo circuito bisogna calcolare i valori delle resistenze
ed
, del potenziometro
e della resistenza di feedback
. L'isteresi elettrica richiesta e` sempre la stessa,
, questa volta pero` la tensione da comparare e` quella data dalla tabella Excel mostrata sopra. I valori limite della tensione vanno da
fino a
.
Un primo calcolo del partitore, al solito trascurando l'effetto della retroazione
, e introducendo le tolleranze dei componenti nel verso che rendono piu` critico il soddisfacimento delle disuguaglianze, porta a questo sistema di disequazioni, al quale si e` aggiunta la condizione di avere una resistenza totale maggiore di
Le tensioni massima e minima sono state ricavate in precedenza, e mostrate in TABELLA 2.
Risolvendo il sistema come se fossero equazioni si ottiene
Osservando le disequazioni si nota che il valore del potenziometro puo` essere fatto crescere senza pregiudicare le soluzioni. Questo e` comodo perche' i potenziometri hanno una risoluzione di valori molto piu` bassa delle resistenze. Si sceglie quindi inizialmente il valore
. Utilizzando il solito foglio Excel, oppure programmi di soluzione algebrica/grafica di sistemi di disequazioni si ottengono possibili soluzioni al problema.
La regione delimitata dalle tre disequazioni di prima e` rappresentata in figura, dove sono stati indicati i confini creati dalle tre disequazioni.
Il punto rosso evidenzia la scelta fatta:
E` conveniente scegliere una coppia di valori vicina al punto di intersezione delle due condizioni date dalla tensione massima e minima, valori elevati di
e
, perche' in questo modo si riduce il campo di controllo del potenziometro praticamente al minimo desiderato, e si ha una maggiore semplicita` di regolazione.
Nella scelta delle resistenze non e` necessario considerare le tolleranze, perche' se ne e` gia` tenuto conto nelle disequazioni per determinare la regione di possibili valori.
La resistenza equivalente massima vista guardando nel cursore del potenziometro, con i valori nominali dei componenti e` di
e puo` scendere fino a circa
con il cursore all'estremo inferiore. Prendendo un valore medio di circa
, che comporta una resistenza di retroazione pari a
Volendo ridurre il valore di questa resistenza, si puo` passare al valore di potenziometro immediatamente piu` basso,
scalando conseguentemente le altre resistenze,
.
La resistenza totale del partitore e` ora di
, minore del valore di
che si era imposto. Questo provoca un consumo di corrente di circa
, ma la resistenza
si riduce a
Da notare che in questo circuito l'ampiezza dell'isteresi, oltre che dipendere dalle tolleranze dei componenti e dalla tensione di uscita del comparatore, dipende anche dalla posizione del potenziometro, perche' cambia la resistenza equivalente vista che costituisce il valore
nelle equazioni del comparatore. Questa variazione e` dell'ordine di
e non essendoci specifiche sulla precisione dell'isteresi, puo` essere una variazione accettabile.
Oltre a questa variazione c'e` anche l'errore fisso dovuto alla tolleranza dei componenti, mentre come gia` nel caso precedente le variazioni tensione di alimentazione non danno effetti significativi perche' si fa un confronto fra fattori di partizione applicati alla stessa tensione: su un lato
, sull'altro resistenza e NTC.
Anche con questo circuito l'autoriscaldamento e` limitato, specie se si ha circolazione forzata di aria o collegamento termico dell'NTC a una struttura termicamente conduttrice. Il calcolo per questo specifico caso, con NTC in aria ferma, era stato fatto nell'articolo precedente e risulta di
Interfacciamento carico
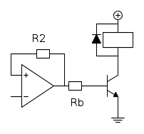
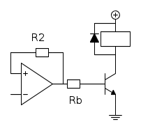
L'analisi di questo stadio e` gia` stata fatta in [1]. Essendo la richiesta di pilotare un rele` a
che assorbe
, probabilmente la soluzione migliore in termini di costi e` di utilizzare un piccolo transistore bipolare, ad esempio 2N2222A o BC337. Lo schema e` il seguente
I piccoli transistori bipolari sono spesso fatti lavorare in saturazione con
. In questo caso una corrente di collettore
richiede una corrente di base
che l'LM358 puo` tranquillamente fornire, con una resistenza di base calcolata come
Si sceglie il valore piu` basso in modo da garantire sempre la corrente di base minima. L'LM358 puo` fornire a temperatura ambiente una corrente di uscita fino a
e quindi non dovrebbero esserci problemi.
Schemi finali
A forza di fare si e` arrivati agli schemi finali, nella figura seguente.
Oltre a tutti i componenti calcolati in precedenza, in ogni circuito e` stato aggiunto un condensatore da
per ridurre gli effetti del rumore introdotto dai contatti del potenziometro. Un altro condensatore ceramico da
, non indicato in schema, va messo sulle alimentazioni dell'operazionale.
Bibliografia
[1] Isidoro KZ, Progetto Termostato II - Blocchi base, Electroyou Sett. 2011
[2] Isidoro KZ, Progetto Termostato I - Proprieta` delle NTC, Electroyou Sett. 2011

Elettrotecnica e non solo (admin)
Un gatto tra gli elettroni (IsidoroKZ)
Esperienza e simulazioni (g.schgor)
Moleskine di un idraulico (RenzoDF)
Il Blog di ElectroYou (webmaster)
Idee microcontrollate (TardoFreak)
PICcoli grandi PICMicro (Paolino)
Il blog elettrico di carloc (carloc)
DirtEYblooog (dirtydeeds)
Di tutto... un po' (jordan20)
AK47 (lillo)
Esperienze elettroniche (marco438)
Telecomunicazioni musicali (clavicordo)
Automazione ed Elettronica (gustavo)
Direttive per la sicurezza (ErnestoCappelletti)
EYnfo dall'Alaska (mir)
Apriamo il quadro! (attilio)
H7-25 (asdf)
Passione Elettrica (massimob)
Elettroni a spasso (guidob)
Bloguerra (guerra)







