Ho editato il post precedente
Per essere sicuri dovete fare la prova aprendo il file all'interno del file .rar
non aprendo l'allegato fcd al post
K
E' possibile integrare nel portale uno schematic editor?
Moderatore:
admin
1
voti
Disapprovo quello che dite, ma difenderò fino alla morte il vostro diritto di dirlo [attribuita a Voltaire]
La gentilezza dovrebbe diventare lo stile naturale della vita, non l'eccezione [Siddhārtha Gautama]
La gentilezza dovrebbe diventare lo stile naturale della vita, non l'eccezione [Siddhārtha Gautama]
-

Max2433BO
18,6k 4 11 13 - G.Master EY

- Messaggi: 4724
- Iscritto il: 25 set 2013, 16:29
- Località: Universo - Via Lattea - Sistema Solare - Terzo pianeta...
1
voti
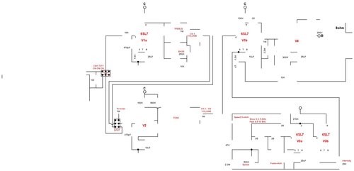
Non so se sia un problema o se abbia combinato tu qualche cosa.
quando apro il tuo file e lo esporto come immagine mi risulta come lo descrivi tu:
A questo punto sono andato a vedere il testo di FidoCad e ho notato questa linea di codice:
Cancellandola mi scompare quella linea e il risultato è questo:
A questo punto penso sia più un problema di visualizzazione visto che nell'editor non si riesce a vedere quella linea mentre nel codice c'è.
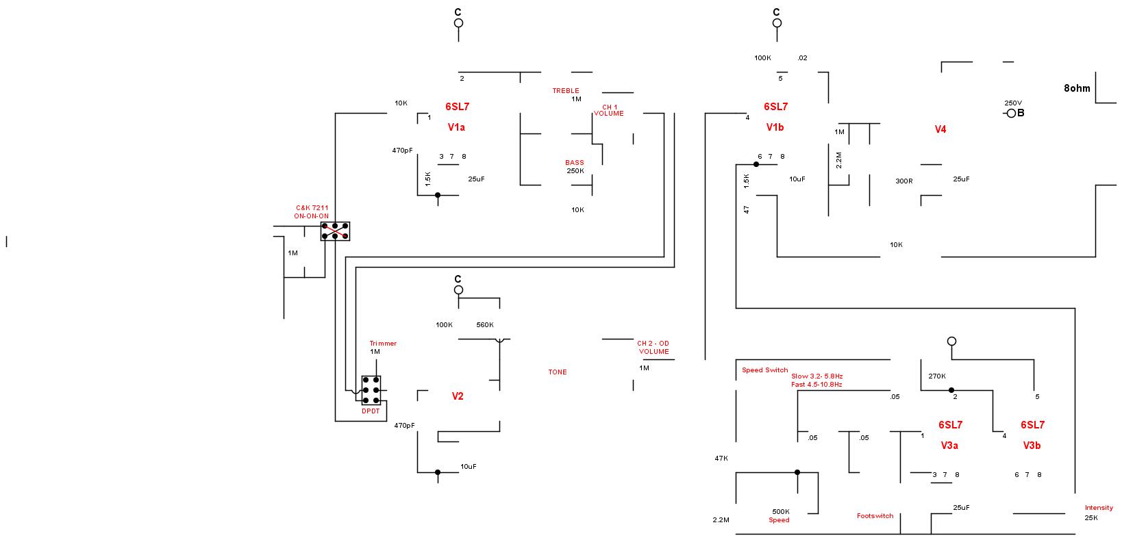
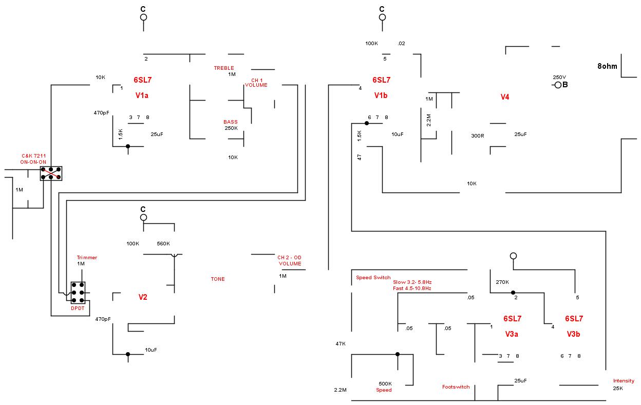
quando apro il tuo file e lo esporto come immagine mi risulta come lo descrivi tu:
A questo punto sono andato a vedere il testo di FidoCad e ho notato questa linea di codice:
Cancellandola mi scompare quella linea e il risultato è questo:
A questo punto penso sia più un problema di visualizzazione visto che nell'editor non si riesce a vedere quella linea mentre nel codice c'è.
Il futuro appartiene a coloro che credono nella bellezza dei propri sogni.
Formule LaTeX
Uso di LaTeX sul forum
⋮ƎlectroYou
Formule LaTeX
Uso di LaTeX sul forum
⋮ƎlectroYou
1
voti
Per quanto riguarda il comando "adatta", ecco la diversa risposta di due diverse versioni (nello specifico l'ultima e la 0.24.3), effettivamente nella 0.24.3 risulta più centrato:
Max
MaxDisapprovo quello che dite, ma difenderò fino alla morte il vostro diritto di dirlo [attribuita a Voltaire]
La gentilezza dovrebbe diventare lo stile naturale della vita, non l'eccezione [Siddhārtha Gautama]
La gentilezza dovrebbe diventare lo stile naturale della vita, non l'eccezione [Siddhārtha Gautama]
-

Max2433BO
18,6k 4 11 13 - G.Master EY

- Messaggi: 4724
- Iscritto il: 25 set 2013, 16:29
- Località: Universo - Via Lattea - Sistema Solare - Terzo pianeta...
0
voti
Ah, ecco, ero sicuro avreste visto il problema
Il fatto è che quella riga di codice, oltre a non essere visibile, non so neanche come faccia ad esistere
--
Il file .fcd contenuto all'interno del rar non è incompleto
l'ho scaricato anche io e non vedo dove possa essere incompleto ??
K
Il fatto è che quella riga di codice, oltre a non essere visibile, non so neanche come faccia ad esistere
--
Il file .fcd contenuto all'interno del rar non è incompleto
l'ho scaricato anche io e non vedo dove possa essere incompleto ??
K
-

Kagliostro
6.396 4 5 7 - Master

- Messaggi: 4832
- Iscritto il: 19 set 2012, 11:32
2
voti
Ho aperto la issue #119 per il problema riscontrato da
Kagliostro con il comando ADATTA nella versione 0.24.6
Max
MaxDisapprovo quello che dite, ma difenderò fino alla morte il vostro diritto di dirlo [attribuita a Voltaire]
La gentilezza dovrebbe diventare lo stile naturale della vita, non l'eccezione [Siddhārtha Gautama]
La gentilezza dovrebbe diventare lo stile naturale della vita, non l'eccezione [Siddhārtha Gautama]
-

Max2433BO
18,6k 4 11 13 - G.Master EY

- Messaggi: 4724
- Iscritto il: 25 set 2013, 16:29
- Località: Universo - Via Lattea - Sistema Solare - Terzo pianeta...
3
voti
wall87 ha scritto:A questo punto penso sia più un problema di visualizzazione visto che nell'editor non si riesce a vedere quella linea mentre nel codice c'è.
E' così, bravo
Probabilmente un pezzo di immagine è stato disegnato, selezionato e spostato con un copia/incolla in quella zona difficilmente raggiungibile.
Grazie

Follow me on Mastodon: @davbucci@mastodon.sdf.org
-

DarwinNE
31,0k 7 11 13 - G.Master EY

- Messaggi: 4420
- Iscritto il: 18 apr 2010, 9:32
- Località: Grenoble - France
0
voti
... di nulla!!!
Max
MaxDisapprovo quello che dite, ma difenderò fino alla morte il vostro diritto di dirlo [attribuita a Voltaire]
La gentilezza dovrebbe diventare lo stile naturale della vita, non l'eccezione [Siddhārtha Gautama]
La gentilezza dovrebbe diventare lo stile naturale della vita, non l'eccezione [Siddhārtha Gautama]
-

Max2433BO
18,6k 4 11 13 - G.Master EY

- Messaggi: 4724
- Iscritto il: 25 set 2013, 16:29
- Località: Universo - Via Lattea - Sistema Solare - Terzo pianeta...
0
voti
Un'altra cosa che rilevo è il fatto che quando si crea un nuovo componente per le librerie al momento di salvarlo FidocadJ spessissimo non accetta il nuovo componente in quanto il numero di chiave è già assegnato e per poter salvare il nuovo componente bisogna fare una serie di tentativi attribuendo un numero a caso e se si è sfortunati, a volte succede, bisogna provare e riprovare per diverse volte
E' una cosa che si può risolvere ?
---
Ho un vuoto di memoria, non ricordo più quale sia la combinazione di tasti da usare per forzare l'aggiornamento delle librerie
In pratica, visti i problemi al momento presenti, per creare un nuovo componente si deve usare un nuovo disegno, sgombero da altri elementi (altrimenti vengono aggiunti al nuovo componente, come già riportato in altro post), una volta aggiornate le librerie con il nuovo componente e tornati alla finestra dove si stava lavorando ad un progetto, bisognerebbe (se non ricordo male) usare una combinazione di tasti (che non ricordo) per forzare l'aggiornamento delle librerie (altrimenti il componente appena inserito non si vede)
ma non ricordo quale sia la combinazione tasti da usare e son costretto a salvare e chiudere il progetto per poi riaprirlo per poter vedere ed usare il nuovo componente inserito
Qualcuno mi rinfresca la memoria ?
Grazie
K
E' una cosa che si può risolvere ?
---
Ho un vuoto di memoria, non ricordo più quale sia la combinazione di tasti da usare per forzare l'aggiornamento delle librerie
In pratica, visti i problemi al momento presenti, per creare un nuovo componente si deve usare un nuovo disegno, sgombero da altri elementi (altrimenti vengono aggiunti al nuovo componente, come già riportato in altro post), una volta aggiornate le librerie con il nuovo componente e tornati alla finestra dove si stava lavorando ad un progetto, bisognerebbe (se non ricordo male) usare una combinazione di tasti (che non ricordo) per forzare l'aggiornamento delle librerie (altrimenti il componente appena inserito non si vede)
ma non ricordo quale sia la combinazione tasti da usare e son costretto a salvare e chiudere il progetto per poi riaprirlo per poter vedere ed usare il nuovo componente inserito
Qualcuno mi rinfresca la memoria ?
Grazie
K
-

Kagliostro
6.396 4 5 7 - Master

- Messaggi: 4832
- Iscritto il: 19 set 2012, 11:32
1
voti
Kagliostro ha scritto:Ho un vuoto di memoria, non ricordo più quale sia la combinazione di tasti da usare per forzare l'aggiornamento delle librerie
E' possibile farlo tramite interfaccia: Circuito -> Aggiorna librerie; lo shortcut è CTRL-U
http://www.electroyou.it/darwinne/wiki/ ... simboli.3F
Torna a Chiarimenti, regole, informazioni, proposte
Chi c’è in linea
Visitano il forum: Google [Bot] e 28 ospiti

Elettrotecnica e non solo (admin)
Un gatto tra gli elettroni (IsidoroKZ)
Esperienza e simulazioni (g.schgor)
Moleskine di un idraulico (RenzoDF)
Il Blog di ElectroYou (webmaster)
Idee microcontrollate (TardoFreak)
PICcoli grandi PICMicro (Paolino)
Il blog elettrico di carloc (carloc)
DirtEYblooog (dirtydeeds)
Di tutto... un po' (jordan20)
AK47 (lillo)
Esperienze elettroniche (marco438)
Telecomunicazioni musicali (clavicordo)
Automazione ed Elettronica (gustavo)
Direttive per la sicurezza (ErnestoCappelletti)
EYnfo dall'Alaska (mir)
Apriamo il quadro! (attilio)
H7-25 (asdf)
Passione Elettrica (massimob)
Elettroni a spasso (guidob)
Bloguerra (guerra)
