Diodo zener
Moderatori:
carloc,
g.schgor,
BrunoValente,
IsidoroKZ
8 messaggi
• Pagina 1 di 1
0
voti
[1] Diodo zener
Buongiorno a tutti. Il diodo zener, conduce corrente anche se polarizzato in diretta (cioè tensione positiva sull'anodo)?
0
voti
[2] Re: Diodo zener
Si, perché è a tutti gli effetti un diodo.
"La follia sta nel fare sempre la stessa cosa aspettandosi risultati diversi".
"Parla soltanto quando sei sicuro che quello che dirai è più bello del silenzio".
Rispondere è cortesia, ma lasciare l'ultima parola ai cretini è arte.
"Parla soltanto quando sei sicuro che quello che dirai è più bello del silenzio".
Rispondere è cortesia, ma lasciare l'ultima parola ai cretini è arte.
-

TardoFreak
73,9k 8 12 13 - -EY Legend-

- Messaggi: 15754
- Iscritto il: 16 dic 2009, 11:10
- Località: Torino - 3° pianeta del Sistema Solare
0
voti
[4] Re: Diodo zener
Mi pare di si ma non ne sono sicuro al 100,00%.
Per verificarlo basta dare uno sguardo al datasheet.
Per verificarlo basta dare uno sguardo al datasheet.
"La follia sta nel fare sempre la stessa cosa aspettandosi risultati diversi".
"Parla soltanto quando sei sicuro che quello che dirai è più bello del silenzio".
Rispondere è cortesia, ma lasciare l'ultima parola ai cretini è arte.
"Parla soltanto quando sei sicuro che quello che dirai è più bello del silenzio".
Rispondere è cortesia, ma lasciare l'ultima parola ai cretini è arte.
-

TardoFreak
73,9k 8 12 13 - -EY Legend-

- Messaggi: 15754
- Iscritto il: 16 dic 2009, 11:10
- Località: Torino - 3° pianeta del Sistema Solare
0
voti
[5] Re: Diodo zener
Soccome per i diodi "normali", consideriamo la caduta di tensione ai suoi capi di circa 0.7V, a questo punto potrei fare la stessa assunzione per lo zener (se polarizzato direttamente). In caso contrario considero la tensione Vz
0
voti
[6] Re: Diodo zener
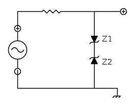
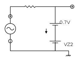
Dato il seguente circuito
quando l'ingresso è nella semionda positiva, potrei sostituire il circuito con questo?
Assumendo che VZ2 è la tensione di Zener ai capi del secondo diodo polarizzato in inversa e che le resistenze interne siano nulle...
quando l'ingresso è nella semionda positiva, potrei sostituire il circuito con questo?
Assumendo che VZ2 è la tensione di Zener ai capi del secondo diodo polarizzato in inversa e che le resistenze interne siano nulle...
Ultima modifica di
lionell88 il 23 lug 2011, 13:02, modificato 1 volta in totale.
0
voti
[7] Re: Diodo zener
Si, è corretto.
"La follia sta nel fare sempre la stessa cosa aspettandosi risultati diversi".
"Parla soltanto quando sei sicuro che quello che dirai è più bello del silenzio".
Rispondere è cortesia, ma lasciare l'ultima parola ai cretini è arte.
"Parla soltanto quando sei sicuro che quello che dirai è più bello del silenzio".
Rispondere è cortesia, ma lasciare l'ultima parola ai cretini è arte.
-

TardoFreak
73,9k 8 12 13 - -EY Legend-

- Messaggi: 15754
- Iscritto il: 16 dic 2009, 11:10
- Località: Torino - 3° pianeta del Sistema Solare
8 messaggi
• Pagina 1 di 1
Chi c’è in linea
Visitano il forum: Majestic-12 [Bot] e 213 ospiti

Elettrotecnica e non solo (admin)
Un gatto tra gli elettroni (IsidoroKZ)
Esperienza e simulazioni (g.schgor)
Moleskine di un idraulico (RenzoDF)
Il Blog di ElectroYou (webmaster)
Idee microcontrollate (TardoFreak)
PICcoli grandi PICMicro (Paolino)
Il blog elettrico di carloc (carloc)
DirtEYblooog (dirtydeeds)
Di tutto... un po' (jordan20)
AK47 (lillo)
Esperienze elettroniche (marco438)
Telecomunicazioni musicali (clavicordo)
Automazione ed Elettronica (gustavo)
Direttive per la sicurezza (ErnestoCappelletti)
EYnfo dall'Alaska (mir)
Apriamo il quadro! (attilio)
H7-25 (asdf)
Passione Elettrica (massimob)
Elettroni a spasso (guidob)
Bloguerra (guerra)


