Salve,avrei bisogno di aiuto su un piccolo impianto civile.
Ho 3 punti luce invertiti,pero dovrei poter accendere e spegnere una lampada in modo autonomo e che resti comunque legata alle altre 2.
Avevo pensato di portare la fase tramite un interruttore alla lampada e mettere un diodo sulla fase portata dagli invertitori/deviatori...
E' fattibile la cosa?è "legale"?che diodo mi servirebbe?
Facendo cosi la lampada resterebbe legata all impiato di deviatori invertitori e potrei accenderla singolarmente da un altro interruttore senza che le altre si accendano.......in teoria.
Qualcuno ha idee certe e concrete?Forse sto annegando in un bicchier d'acqua ma sono un hobbista e non ho tutta questa esperienza...
Grazie mille!
Punti luce invertiti
Moderatori:
sebago,
MASSIMO-G,
lillo,
Mike
14 messaggi
• Pagina 1 di 2 • 1, 2
0
voti
Vassili80 ha scritto:Ho 3 punti luce invertiti,pero dovrei poter accendere e spegnere una lampada in modo autonomo e che resti comunque legata alle altre 2.
Hai un circuito come questo?
Vassili80 ha scritto:mettere un diodo sulla fase
Un diodo sull'alternata?
0
voti
Ciao.
Esatto,il circuito e quello....Per il diodo sull alternata.....ci ho provato dai!
mi servirebbe qualcosa che faccia tipo valvola di non ritorno sul circuito degli invertitori.
Esiste un modo per comandare a parte una di quelle luci?praticamente è la luce della scala,solo che l'ultima in cima alle scale dovrei potere accenderla e spegnerla con un interruttore a parte,e comunque mi serve che sia ancora "legata " alle altre.Ovviamente se accendo uno dei deviatori delle scale non posso spegnerla con l'interruttore "a parte".
Spero di essermi spiegato
Esatto,il circuito e quello....Per il diodo sull alternata.....ci ho provato dai!
Esiste un modo per comandare a parte una di quelle luci?praticamente è la luce della scala,solo che l'ultima in cima alle scale dovrei potere accenderla e spegnerla con un interruttore a parte,e comunque mi serve che sia ancora "legata " alle altre.Ovviamente se accendo uno dei deviatori delle scale non posso spegnerla con l'interruttore "a parte".
Spero di essermi spiegato
0
voti
Vassili80 ha scritto:Spero di essermi spiegato
Credo sia meglio che tu faccia lo schema di quanto vuoi realizzare,
così potremo discuterne (credo possa essere risolto con un relè).
0
voti
Ok, sarebbe questo:
niente,non riesco a mettere le immagini.
Non esce la scheda invia allegato.letto e riletto la guida e ho provato anche con IE.
Provo con un sito fi hosting
http://host.presenze.com/images/PMCao.gif
niente,non riesco a mettere le immagini.
Non esce la scheda invia allegato.letto e riletto la guida e ho provato anche con IE.
Provo con un sito fi hosting
http://host.presenze.com/images/PMCao.gif
0
voti
Non credo proprio che lo schema del tuo impianto sia quello !
(le lampade non possono essere messe in serie)
Mettiamo invece che tutte siano in parallelo.
Per far sì che una possa essere comandata indipendentemente
metterei al suo posto la bobina di un relè (da 230V) e con un
suo contatto comanderei solo quella lampada.
In tal modo si può mettere in parallelo al contatto del relé
un normale interruttore per accenderla e spegnerla
indipendentemente dalle altre (lo spegnimento è però
possibile solo se non è attivato il relè)
(le lampade non possono essere messe in serie)
Mettiamo invece che tutte siano in parallelo.
Per far sì che una possa essere comandata indipendentemente
metterei al suo posto la bobina di un relè (da 230V) e con un
suo contatto comanderei solo quella lampada.
In tal modo si può mettere in parallelo al contatto del relé
un normale interruttore per accenderla e spegnerla
indipendentemente dalle altre (lo spegnimento è però
possibile solo se non è attivato il relè)
0
voti
Ciao,grazie per la pazienza ,il disegno è sbagliato,hai ragione,la fretta e l incapacità di modificare le foto.
Avevo pensato a questo:
http://host.presenze.com/images/cnX3j.gif
che ne dici?
Avevo pensato a questo:
http://host.presenze.com/images/cnX3j.gif
che ne dici?
0
voti
Non si postano gli schemi elettrici in questo modo, tanto più poi usando poi server esterni, scomodi, antipatici ed inaffidabili.
Si deve usare FidocaDJ
Si deve usare FidocaDJ
2
voti
Vassili80 ha scritto:che ne dici?
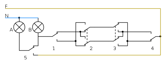
io direi, come sempre, che postare gli schemi con fidocadj aiuta ad avere risposte migliori poiché fornisce un'ottima possibilità di modificare lo schema da entrambe le parti interessate, vista la sua facilitàdi utilizzo ed installazione è consigliatissimo, riporto lo schema che hai linkato (fra l'altro aprire dei link esterni e scomodo ed...) ed a tal proposito credo che con il deviatore 5 inserito si ha la possibilità si di accendere la lampada A, ma la stessa diventerà poi comandata anche dall'invertita, ed inoltre bisognerà avere la dispoibilità del conduttore proveniente dal deviatore 4, sentiamo cosa ne pensa [user]g.scghor[/user].
PS
0
voti
Scusate.....(e si che la guida lho letta)
Il cavo dal deviatore 4 non è un problema,e che la luce resti "legata " agli invertitori mi serve,perche nel caso specifico se qualcuno preme il deviatore in fondo alle scale le prime 2 luci si devono accendere comunque.
Il cavo dal deviatore 4 non è un problema,e che la luce resti "legata " agli invertitori mi serve,perche nel caso specifico se qualcuno preme il deviatore in fondo alle scale le prime 2 luci si devono accendere comunque.
14 messaggi
• Pagina 1 di 2 • 1, 2
Torna a Impianti, sicurezza e quadristica
Chi c’è in linea
Visitano il forum: Nessuno e 204 ospiti

Elettrotecnica e non solo (admin)
Un gatto tra gli elettroni (IsidoroKZ)
Esperienza e simulazioni (g.schgor)
Moleskine di un idraulico (RenzoDF)
Il Blog di ElectroYou (webmaster)
Idee microcontrollate (TardoFreak)
PICcoli grandi PICMicro (Paolino)
Il blog elettrico di carloc (carloc)
DirtEYblooog (dirtydeeds)
Di tutto... un po' (jordan20)
AK47 (lillo)
Esperienze elettroniche (marco438)
Telecomunicazioni musicali (clavicordo)
Automazione ed Elettronica (gustavo)
Direttive per la sicurezza (ErnestoCappelletti)
EYnfo dall'Alaska (mir)
Apriamo il quadro! (attilio)
H7-25 (asdf)
Passione Elettrica (massimob)
Elettroni a spasso (guidob)
Bloguerra (guerra)





