Analizzatore di spettro
Moderatore:
IsidoroKZ
13 messaggi
• Pagina 1 di 2 • 1, 2
0
voti
buonasera a tutti volevo sapere una curiosità, cioè piu che altro un suggerimento.....http://www.mediafire.com/i/?145c4y6r3o3yl8c 1 qual è la tensione di alimentazione? e 2 il trasformatore audio lo posso togliere?! e collegarci direttamente un jack? grazie mille in anticipo a chiunque mi risponda 
0
voti
Non so cosa tu abbia postato esattamente perché non sono riuscito ad aprire l'immagine, ma ti ricordo che gli schemi vanno postati con FidoCadJ e più in generale le immagini non vanno postate tramite link a server esterni come quello che hai utilizzato, ma adoperando le opzioni Invia allegato e Inserisci in linea con il testo.
Quindi ti invito a correggere il tuo post seguendo le regole che ti ho indicato sopra e dopo aver visionato l'Uso del forum e la Guida all'uso del forum, qualora non l'avessi ancora fatto.
Buona prosecuzione di topic.
0
voti
perdonatemi ma non sono pratico di forum, le mie domande rimangono le stesse....1 quale è la tensione di alimentazione??? 2 il trasformatore audio posso toglierlo completamente e attaccare il circuito con un jack???
1
voti
Come alimentazione 12 V o 15 V potrebbero andare bene. Il trasformatore lo lascerei, ti può evitare un po' di disturbi all'impianto derivanti da ground loop.
It's a sin to write
instead of
(Anonimo).
...'cos you know that
ain't
, right?
You won't get a sexy tan if you write
in lieu of
.
Take a log for a fireplace, but don't take
for
arithm.
instead of
(Anonimo)....'cos you know that
ain't
, right?You won't get a sexy tan if you write
in lieu of
.Take a log for a fireplace, but don't take
for
arithm.-

DirtyDeeds
55,9k 7 11 13 - G.Master EY

- Messaggi: 7012
- Iscritto il: 13 apr 2010, 16:13
- Località: Somewhere in nowhere
0
voti
ok grazie per la risposta sull alimentazione...... si lo so il trasformatore è molto utile il problema è che uno costa un po di eurini e molti li vendono in stock e non singolarmente ma comunque sia anche se sarebbe meglio lasciarlo.... se io lo tolgo il trasformatore il circuito mi funzionerebbe lo stesso?!?
0
voti
Pana ha scritto:se io lo tolgo il trasformatore il circuito mi funzionerebbe lo stesso?
Direi di sì, però non mi sembra che il trasformatore sia così caro (v. p.es. qui).
It's a sin to write
instead of
(Anonimo).
...'cos you know that
ain't
, right?
You won't get a sexy tan if you write
in lieu of
.
Take a log for a fireplace, but don't take
for
arithm.
instead of
(Anonimo)....'cos you know that
ain't
, right?You won't get a sexy tan if you write
in lieu of
.Take a log for a fireplace, but don't take
for
arithm.-

DirtyDeeds
55,9k 7 11 13 - G.Master EY

- Messaggi: 7012
- Iscritto il: 13 apr 2010, 16:13
- Località: Somewhere in nowhere
0
voti
ooooooook grazie mille ne parlero con il mio amico con cui sto realizzando questo progetto grazie mille per le diritte che mi avete dato 
2
voti
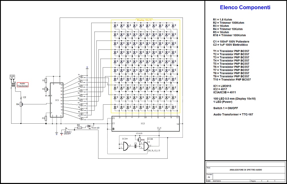
Vorrei solo notare che quel circuito NON è un analizzatore di spettro, neanche rudimentale
Le ordinate della matrice di LED sono in effetti legate all'ampiezza del segnale tramite LM3915 che è un dot/bar display driver...
ma le ascisse non hanno niente a che fare con la frequenza, come dovrebbe essere in un analizzatore di spettro,
sono invece semplicemente scansionate nel tempo dall'oscillatore IC3A/B e dal Johnson counter 4017... in pratica è un rudimentale oscilloscopio che con risoluzione di 10x10 punti
e senza sincronismo
mostra qualcosa che si potrebbe scrivere circa come v(t), se fosse un analizzatore di spettro dovrebbe dare v(f) invece.
Comunque se piace l'effetto scenografico.... va bene così
Le ordinate della matrice di LED sono in effetti legate all'ampiezza del segnale tramite LM3915 che è un dot/bar display driver...
ma le ascisse non hanno niente a che fare con la frequenza, come dovrebbe essere in un analizzatore di spettro,
sono invece semplicemente scansionate nel tempo dall'oscillatore IC3A/B e dal Johnson counter 4017... in pratica è un rudimentale oscilloscopio che con risoluzione di 10x10 punti
Comunque se piace l'effetto scenografico.... va bene così
Se ti serve il valore di beta: hai sbagliato il progetto!
0
voti
aaaaaaaaa okok grazie dell illuminazione..... comunque a me interessa solo l'effetto scenografico 
0
voti
carloc in pratica è un rudimentale oscilloscopio che con risoluzione di 10x10 punti
e senza sincronismo
mostra qualcosa che si potrebbe scrivere circa come v(t), se fosse un analizzatore di spettro dovrebbe dare v(f) invece.
Diciamo che l'effetto finale sara' quello "scenografico" appunto di un analizzatore di spettro, e questo sara' dovuto proprio al fatto che non vi e' sincronismo orizzontale.
Lo definirei piu' "lo spettro di un analizzatore"

-

Lelettrico
2.458 1 4 6 - Master

- Messaggi: 1108
- Iscritto il: 13 set 2010, 12:24
13 messaggi
• Pagina 1 di 2 • 1, 2
Torna a Elettronica e spettacolo
Chi c’è in linea
Visitano il forum: Nessuno e 12 ospiti

Elettrotecnica e non solo (admin)
Un gatto tra gli elettroni (IsidoroKZ)
Esperienza e simulazioni (g.schgor)
Moleskine di un idraulico (RenzoDF)
Il Blog di ElectroYou (webmaster)
Idee microcontrollate (TardoFreak)
PICcoli grandi PICMicro (Paolino)
Il blog elettrico di carloc (carloc)
DirtEYblooog (dirtydeeds)
Di tutto... un po' (jordan20)
AK47 (lillo)
Esperienze elettroniche (marco438)
Telecomunicazioni musicali (clavicordo)
Automazione ed Elettronica (gustavo)
Direttive per la sicurezza (ErnestoCappelletti)
EYnfo dall'Alaska (mir)
Apriamo il quadro! (attilio)
H7-25 (asdf)
Passione Elettrica (massimob)
Elettroni a spasso (guidob)
Bloguerra (guerra)



