Esercizio Elettrotecnica
Moderatori:
g.schgor,
IsidoroKZ
21 messaggi
• Pagina 2 di 3 • 1, 2, 3
0
voti
Comincio con i 3 
Due sono in serie ed il risultante di questa serie è in parallelo con l'altro
Le serie si sommano quindi
il parallelo della serie risultante e dell'altro
è 
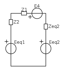
Il circuito risultante è il seguente:
Ora mi accorgo che
e
, così come
e
sono in serie.. e li sommo.
Ottengo così
Tutte e tre le resistenze sono in parallelo. Scrivo la formula ed ottengo la resistenza (totale) equivalente?!..Lillo ho fatto giusto!?
Calcoli:





Due sono in serie ed il risultante di questa serie è in parallelo con l'altro

Le serie si sommano quindi

il parallelo della serie risultante e dell'altro
è 
Il circuito risultante è il seguente:
Ora mi accorgo che
e
, così come
e
sono in serie.. e li sommo.Ottengo così
Tutte e tre le resistenze sono in parallelo. Scrivo la formula ed ottengo la resistenza (totale) equivalente?!..Lillo ho fatto giusto!?
Calcoli:




0
voti
fino ai
ci siamo.
dopo no.
è in serie con 
Il tutto in parallelo con
ancora il tutto in serie con
infine tutto in parallelo con
:
se non ho scritto cavolate risulta:
![Z_{eq}=\frac{[\frac{(\frac{2}{3}Z_7+Z_6)Z_5}{\frac{2}{3}Z_7+Z_6+Z_5}+Z_4]Z_3}{\frac{(\frac{2}{3}Z_7+Z_6)Z_5}{\frac{2}{3}Z_7+Z_6+Z_5}+Z_4+Z_3} Z_{eq}=\frac{[\frac{(\frac{2}{3}Z_7+Z_6)Z_5}{\frac{2}{3}Z_7+Z_6+Z_5}+Z_4]Z_3}{\frac{(\frac{2}{3}Z_7+Z_6)Z_5}{\frac{2}{3}Z_7+Z_6+Z_5}+Z_4+Z_3}](/forum/latexrender/pictures/29ba0dbaecc5a412fa6194216decd845.png)
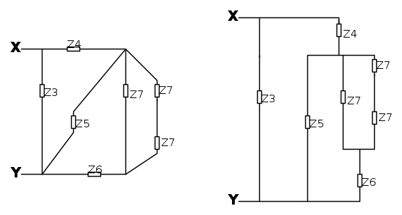
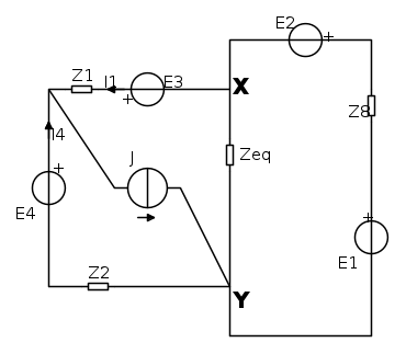
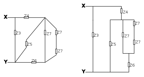
l'ultimo circuito di
rusty è perfetto per capire i collegamenti
ci siamo.dopo no.
è in serie con 
Il tutto in parallelo con

ancora il tutto in serie con

infine tutto in parallelo con
:se non ho scritto cavolate risulta:
![Z_{eq}=\frac{[\frac{(\frac{2}{3}Z_7+Z_6)Z_5}{\frac{2}{3}Z_7+Z_6+Z_5}+Z_4]Z_3}{\frac{(\frac{2}{3}Z_7+Z_6)Z_5}{\frac{2}{3}Z_7+Z_6+Z_5}+Z_4+Z_3} Z_{eq}=\frac{[\frac{(\frac{2}{3}Z_7+Z_6)Z_5}{\frac{2}{3}Z_7+Z_6+Z_5}+Z_4]Z_3}{\frac{(\frac{2}{3}Z_7+Z_6)Z_5}{\frac{2}{3}Z_7+Z_6+Z_5}+Z_4+Z_3}](/forum/latexrender/pictures/29ba0dbaecc5a412fa6194216decd845.png)
l'ultimo circuito di
2
voti
Ehm... sarebbe meglio metterli in pedice i numeri... così:
e la moltiplicazione così per il "per":
e così per il "punto":
Ah, a proposito, le frazioni meglio farle così:
Comunque,
è giusto, il resto no.
EDIT: ops, overlap con
lillo.
- Codice: Seleziona tutto
valore_numero
e la moltiplicazione così per il "per":
- Codice: Seleziona tutto
\times
e così per il "punto":
- Codice: Seleziona tutto
\cdot
Ah, a proposito, le frazioni meglio farle così:
- Codice: Seleziona tutto
\frac{numeratore}{denominatore}
Comunque,
è giusto, il resto no.EDIT: ops, overlap con
Per usare un simulatore devi conoscere più elettronica di lui. [
IsidoroKZ]
40. There are two ways to write error-free programs; only the third one works.
[Alan J. Perlis, Epigrams on Programming]
40. There are two ways to write error-free programs; only the third one works.
[Alan J. Perlis, Epigrams on Programming]
0
voti
Non capisco perché
e
non posso sommarli quale serie come ho fatto io (capisci bene: so che tu hai fatto giusto e non metto in dubbio, solo non capisco).
e
non posso sommarli quale serie come ho fatto io (capisci bene: so che tu hai fatto giusto e non metto in dubbio, solo non capisco).3
voti
Usa anche i pedici i Latex. Ad esempio al posto di scrivere Z7 che da`
, usa Z_7 che fornisce una espressione molto piu` leggibile
. Se il pedice e` costituito da piu` di un carattere, allora bisogna metterlo fra parentesi graffe, cosi`: Z_{eq1} e il risultato e`
.
Impara anche a usare le frazioni \frac{numeratore}{denominatore}, le espressioni sono piu` leggibili. La prossima volta gli spazi!
OOPS sovrapposto a
OberoN. La ragione di queste richieste e` semplice: se
lillo ti usa la cortesia gratuita di scrivere una espressione di
leggibile, e` opportuno che anche tu riservi agli altri la stessa cortesia.
, usa Z_7 che fornisce una espressione molto piu` leggibile
. Se il pedice e` costituito da piu` di un carattere, allora bisogna metterlo fra parentesi graffe, cosi`: Z_{eq1} e il risultato e`
.Impara anche a usare le frazioni \frac{numeratore}{denominatore}, le espressioni sono piu` leggibili. La prossima volta gli spazi!
OOPS sovrapposto a
leggibile, e` opportuno che anche tu riservi agli altri la stessa cortesia.Per usare proficuamente un simulatore, bisogna sapere molta più elettronica di lui
Plug it in - it works better!
Il 555 sta all'elettronica come Arduino all'informatica! (entrambi loro malgrado)
Se volete risposte rispondete a tutte le mie domande
Plug it in - it works better!
Il 555 sta all'elettronica come Arduino all'informatica! (entrambi loro malgrado)
Se volete risposte rispondete a tutte le mie domande
0
voti
Per usare un simulatore devi conoscere più elettronica di lui. [
IsidoroKZ]
40. There are two ways to write error-free programs; only the third one works.
[Alan J. Perlis, Epigrams on Programming]
40. There are two ways to write error-free programs; only the third one works.
[Alan J. Perlis, Epigrams on Programming]
0
voti
non ricordo se eri tu o un altro utente comunque:
per valutare una resistenza equivalente (questo di solito lo faccio con Thevenin, ma penso che vada bene anche in questo caso per renderti l'idea) inventati un generatore di prova, e valuta la resistenza ai capi di questo:
Ora per valutare la resistenza equivalente devi andare a ritroso: risolvi prima le equivalenze più esterne quelle evidenti. Risolvendo prima il blocco formato da Z5, Z6 e le Z7, capirai perfettamente che Z3 e Z4 non sono affatto in serie.
per valutare una resistenza equivalente (questo di solito lo faccio con Thevenin, ma penso che vada bene anche in questo caso per renderti l'idea) inventati un generatore di prova, e valuta la resistenza ai capi di questo:
Ora per valutare la resistenza equivalente devi andare a ritroso: risolvi prima le equivalenze più esterne quelle evidenti. Risolvendo prima il blocco formato da Z5, Z6 e le Z7, capirai perfettamente che Z3 e Z4 non sono affatto in serie.
2
voti
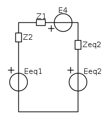
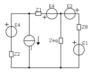
Affinato il circuito:
Adesso, la maglia equivalente a
sarà
.
Ora il circuito è
E adesso troviamo quella equivalente alla maglia
Sarà perciò

Semplificato il circuito diventa così:
Adesso il circuito è un'unica maglia.
Adesso, la maglia equivalente a
sarà
.Ora il circuito è
E adesso troviamo quella equivalente alla maglia
Sarà perciò

Semplificato il circuito diventa così:
Adesso il circuito è un'unica maglia.

Per usare un simulatore devi conoscere più elettronica di lui. [
IsidoroKZ]
40. There are two ways to write error-free programs; only the third one works.
[Alan J. Perlis, Epigrams on Programming]
40. There are two ways to write error-free programs; only the third one works.
[Alan J. Perlis, Epigrams on Programming]
4
voti
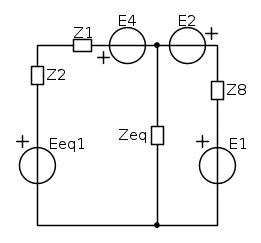
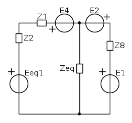
![V_{AB}=\frac{(E_4Y_2+E_3Y_1-J )\times (Y_{tot}+Y_8)-[(E_1-E_2)Y_8-E_3Y_1]\times Y_2}{(Y_2+Y_1)\times (Y_{tot}+Y_8+Y_1)-Y_1^{2}} V_{AB}=\frac{(E_4Y_2+E_3Y_1-J )\times (Y_{tot}+Y_8)-[(E_1-E_2)Y_8-E_3Y_1]\times Y_2}{(Y_2+Y_1)\times (Y_{tot}+Y_8+Y_1)-Y_1^{2}}](/forum/latexrender/pictures/e1ca9f224e04821109cf594055d123eb.png)
e se ho scritto bene (e stavolta l'ho scritta bene vero
21 messaggi
• Pagina 2 di 3 • 1, 2, 3
Torna a Elettrotecnica generale
Chi c’è in linea
Visitano il forum: Nessuno e 89 ospiti

Elettrotecnica e non solo (admin)
Un gatto tra gli elettroni (IsidoroKZ)
Esperienza e simulazioni (g.schgor)
Moleskine di un idraulico (RenzoDF)
Il Blog di ElectroYou (webmaster)
Idee microcontrollate (TardoFreak)
PICcoli grandi PICMicro (Paolino)
Il blog elettrico di carloc (carloc)
DirtEYblooog (dirtydeeds)
Di tutto... un po' (jordan20)
AK47 (lillo)
Esperienze elettroniche (marco438)
Telecomunicazioni musicali (clavicordo)
Automazione ed Elettronica (gustavo)
Direttive per la sicurezza (ErnestoCappelletti)
EYnfo dall'Alaska (mir)
Apriamo il quadro! (attilio)
H7-25 (asdf)
Passione Elettrica (massimob)
Elettroni a spasso (guidob)
Bloguerra (guerra)


















