Buongiorno,
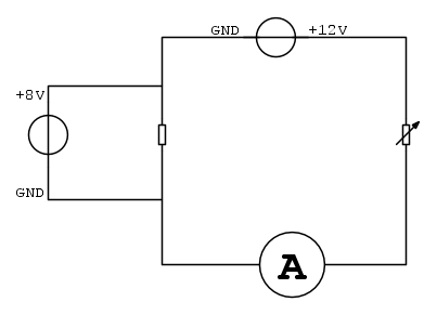
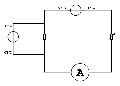
Devo fare il circuitino allegato.
Ho un generatore di tensione da +12V....e ho bisogno di un generatore da +8V...il quale volevo ottenerlo tramite un L2940 8V....ma ho il problema che cortocircuito il l2940...cioè 8V va a GND del generatore da 12V
Come posso fare per disaccoppiare il 2940 ?
grazie
Disaccoppiare GND
Moderatori:
carloc,
g.schgor,
BrunoValente,
IsidoroKZ
15 messaggi
• Pagina 1 di 2 • 1, 2
0
voti
Gli schemi si realizzano con FidoCadJ.
Quindi ho rimosso l'immagine ed il pdf, con l'intenzione di spronarti ad usare FidoCadj.
E peraltro il tuo schema è semplicissimo da realizzare.
0
voti
Ho un generatore di tensione da +12 V....e ho bisogno di un generatore da +8V...il quale volevo ottenerlo tramite un L2940 8V....ma ho il problema che cortocircuito il l2940...cioè 8V va a GND del generatore da 12 V
Come posso fare per disaccoppiare il 2940 ?
in allegato file fidocad
Come posso fare per disaccoppiare il 2940 ?
in allegato file fidocad
0
voti
Fammi capire, tu hai un'alimentazione di 12Vcc e vuoi ottenere una tensione di 8Vcc in uscita?
Se è così non ho capito né lo schema né i collegamenti che hai fatto.
Se è così non ho capito né lo schema né i collegamenti che hai fatto.
"Computers, operating systems, networks are a hot mess. They're barely manageable, even if you know a decent amount about what you're doing. Nine out of ten software engineers agree: it's a miracle anything works at all."
@fasterthanlime
@fasterthanlime
0
voti
ho un 12 vcc....che alimenta il circuitino.....ma ho anche bisogno di un 8vcc.
Se uso il 12vcc e 8vcc lo faccio con batterie funziona correttamente....
Ma se per creare il 8vcc uso il 12vcc con un regolatore di tensione, mi va a massa 8vcc con il gnd.
Volevo usare sempre il 12 vcc che ho...e trovare il modo di avere da questa un 8vcc senza gnd in comune.
Grazie
Se uso il 12vcc e 8vcc lo faccio con batterie funziona correttamente....
Ma se per creare il 8vcc uso il 12vcc con un regolatore di tensione, mi va a massa 8vcc con il gnd.
Volevo usare sempre il 12 vcc che ho...e trovare il modo di avere da questa un 8vcc senza gnd in comune.
Grazie
0
voti
Perdonate il fatto che fatico a spiegarmi.
Prendendo lo schema base del 2940....al Vout metto la resistenza del mio primo circuito....il + del Vout ( del 2940 ) va in corto con - del 12V.
Cioè guiardando il mio schema e rimuovendo il generatore a +8V ed inserendo il regolatore...va in corto +8 con GND del 12V che avevo usato per generare 8V
Grazie
Prendendo lo schema base del 2940....al Vout metto la resistenza del mio primo circuito....il + del Vout ( del 2940 ) va in corto con - del 12V.
Cioè guiardando il mio schema e rimuovendo il generatore a +8V ed inserendo il regolatore...va in corto +8 con GND del 12V che avevo usato per generare 8V
Grazie
0
voti
Stai facendo un po' di confusione ed il tuo schema al post 1, e' sostanzialmente sbagliato.
A parte le due resistenze che non so cosa ci stiano a fare, tu confondi il GND con l'uscita dei regolatori.
I regolatori, al contrario delle batterie, hanno 3 terminali: uno per l'ingresso, uno che solitamente si collega a GND ed uno per l'uscita.
Se quindi ottenevi prima i 12V tramite un regolatore (7812 o simili), ti dovresti ritrovare con una situazione come quella dello schema.
Se poi non sono riuscito a capirti e ti ho risposto a sproposito, non ti resta che postare uno schema chiaro di quello che hai fatto.
A parte le due resistenze che non so cosa ci stiano a fare, tu confondi il GND con l'uscita dei regolatori.
I regolatori, al contrario delle batterie, hanno 3 terminali: uno per l'ingresso, uno che solitamente si collega a GND ed uno per l'uscita.
Se quindi ottenevi prima i 12V tramite un regolatore (7812 o simili), ti dovresti ritrovare con una situazione come quella dello schema.
Se poi non sono riuscito a capirti e ti ho risposto a sproposito, non ti resta che postare uno schema chiaro di quello che hai fatto.
marco
0
voti
sisi ha scritto:Perdonate il fatto che fatico a spiegarmi...
Effettivamente si capisce poco...per non dire niente.
Prova a spiegare per bene cosa devi alimentarci con i 12 V e con gli 8V e se i due circuiti sono completamente isolati tra loro, oppure se hanno il meno in comune, o se hanno il più in comune...o se in qualche modo comunicano tra loro elettricamente e in che modo.
-

BrunoValente
39,6k 7 11 13 - G.Master EY

- Messaggi: 7796
- Iscritto il: 8 mag 2007, 14:48
15 messaggi
• Pagina 1 di 2 • 1, 2
Chi c’è in linea
Visitano il forum: Nessuno e 145 ospiti

Elettrotecnica e non solo (admin)
Un gatto tra gli elettroni (IsidoroKZ)
Esperienza e simulazioni (g.schgor)
Moleskine di un idraulico (RenzoDF)
Il Blog di ElectroYou (webmaster)
Idee microcontrollate (TardoFreak)
PICcoli grandi PICMicro (Paolino)
Il blog elettrico di carloc (carloc)
DirtEYblooog (dirtydeeds)
Di tutto... un po' (jordan20)
AK47 (lillo)
Esperienze elettroniche (marco438)
Telecomunicazioni musicali (clavicordo)
Automazione ed Elettronica (gustavo)
Direttive per la sicurezza (ErnestoCappelletti)
EYnfo dall'Alaska (mir)
Apriamo il quadro! (attilio)
H7-25 (asdf)
Passione Elettrica (massimob)
Elettroni a spasso (guidob)
Bloguerra (guerra)








