Salve! Sono uno studente dello scientifico ( frequento il 5nto anno ) alle prese con l'elettronica che solamente quest'anno stiamo facendo. Ho un piccolo problema riguardante un esercizio.
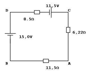
allego la seguente immagine in modo tale da consentire una migliore comprensione del problema.
Il punto A del circuito del problema viene messo a terra (V=0).
a) Il potenziale in B è maggiore o minore di zero?
b) Il potenziale in C è maggiore o minore di zero?
c) Calcola il potenziale in D. (risultato: 1,6V)
La corrente totale del sistema è 0,889A.
Non ho capito come calcolare il potenziale in un punto. Aiutoo!!! Mi ci stò impazzendoo!
Ringrazio anticipatamente chi riuscirà a farmi risolvere questo "problemaccio"!
Guido!
Esercizio "Le leggi di Kirchhoff"
Moderatori:
carloc,
g.schgor,
BrunoValente,
IsidoroKZ
17 messaggi
• Pagina 1 di 2 • 1, 2
2
voti
conosco la risposta al tuo problemaccio, ma prima voglio vedere uno schemaccio in Fidocadj.
se lo fai senza lamentarti allora rispondo ai tuoi quesiti.
se lo fai senza lamentarti allora rispondo ai tuoi quesiti.

0
voti
Certamente lillo!!! Grazie infinitamente sei la mia salvezza!
2
voti
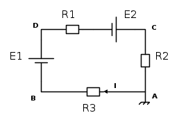
Siccome non riesco a trovare il modo di editare il mio primo precedente messaggio , posto direttamente come nuova risposta il circuito qui! Spero di aver combinato qualcosa di "capibile!"
Ultima modifica di
lordz il 2 feb 2012, 13:27, modificato 1 volta in totale.
0
voti
Il circuito lo devi inserire utilizzando i tag [fcd]... leggi questa guida per maggiori chiarimenti
Emanuele Lorina
- Chi lotta contro i mostri deve fare attenzione a non diventare lui stesso un mostro. E se tu riguarderai a lungo in un abisso, anche l'abisso vorrà guardare dentro di te (F. Nietzsche)
- Tavole della legge by admin
- Chi lotta contro i mostri deve fare attenzione a non diventare lui stesso un mostro. E se tu riguarderai a lungo in un abisso, anche l'abisso vorrà guardare dentro di te (F. Nietzsche)
- Tavole della legge by admin
-

Lele_u_biddrazzu
8.154 3 8 13 - Master EY

- Messaggi: 1288
- Iscritto il: 23 gen 2007, 16:13
- Località: Modena
0
voti
Ho messo tutto a dovere! Comunque grazie mille per le segnalazioni, ma sapete , sono nuovo e mi perdo in un bicchier d'acqua!
Ultima modifica di
lordz il 2 feb 2012, 13:29, modificato 1 volta in totale.
2
voti
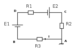
Per questa volta il circuito lo disegno io...
Potenziale nel punto B

essendo
, si può concludere che...

Il potenziale nel punto D prova a calcolarlo tu
Potenziale nel punto B

essendo
, si può concludere che...
Il potenziale nel punto D prova a calcolarlo tu
Emanuele Lorina
- Chi lotta contro i mostri deve fare attenzione a non diventare lui stesso un mostro. E se tu riguarderai a lungo in un abisso, anche l'abisso vorrà guardare dentro di te (F. Nietzsche)
- Tavole della legge by admin
- Chi lotta contro i mostri deve fare attenzione a non diventare lui stesso un mostro. E se tu riguarderai a lungo in un abisso, anche l'abisso vorrà guardare dentro di te (F. Nietzsche)
- Tavole della legge by admin
-

Lele_u_biddrazzu
8.154 3 8 13 - Master EY

- Messaggi: 1288
- Iscritto il: 23 gen 2007, 16:13
- Località: Modena
0
voti
E' proprio nel punto D che trovo maggiore difficoltà! Comunque ti ringrazio per i tuoi chiarimenti!
0
voti
Prova a scrivere il tuo procedimento, così vediamo il tuo dubbio 
Emanuele Lorina
- Chi lotta contro i mostri deve fare attenzione a non diventare lui stesso un mostro. E se tu riguarderai a lungo in un abisso, anche l'abisso vorrà guardare dentro di te (F. Nietzsche)
- Tavole della legge by admin
- Chi lotta contro i mostri deve fare attenzione a non diventare lui stesso un mostro. E se tu riguarderai a lungo in un abisso, anche l'abisso vorrà guardare dentro di te (F. Nietzsche)
- Tavole della legge by admin
-

Lele_u_biddrazzu
8.154 3 8 13 - Master EY

- Messaggi: 1288
- Iscritto il: 23 gen 2007, 16:13
- Località: Modena
0
voti
Lele_u_biddrazzu ha scritto:
essendo, si può concludere che...
Secondo me ha poco senso quanto scritto se non si stabilisce da che parte si sta percorrendo la maglia...
Magari un "esperto" lo fa implicitamente, ma sarebbe importante specificarlo... no?
in /dev/null no one can hear you scream
17 messaggi
• Pagina 1 di 2 • 1, 2
Chi c’è in linea
Visitano il forum: Nessuno e 43 ospiti

Elettrotecnica e non solo (admin)
Un gatto tra gli elettroni (IsidoroKZ)
Esperienza e simulazioni (g.schgor)
Moleskine di un idraulico (RenzoDF)
Il Blog di ElectroYou (webmaster)
Idee microcontrollate (TardoFreak)
PICcoli grandi PICMicro (Paolino)
Il blog elettrico di carloc (carloc)
DirtEYblooog (dirtydeeds)
Di tutto... un po' (jordan20)
AK47 (lillo)
Esperienze elettroniche (marco438)
Telecomunicazioni musicali (clavicordo)
Automazione ed Elettronica (gustavo)
Direttive per la sicurezza (ErnestoCappelletti)
EYnfo dall'Alaska (mir)
Apriamo il quadro! (attilio)
H7-25 (asdf)
Passione Elettrica (massimob)
Elettroni a spasso (guidob)
Bloguerra (guerra)




