Cos'è ElectroYou | Login Iscriviti

ElectroYou - la comunità dei professionisti del mondo elettrico

Circuiti Equivalenti del Trasformatore Monofase

Circuiti, campi elettromagnetici e teoria delle linee di trasmissione e distribuzione dell’energia elettrica

Moderatori: Foto Utenteg.schgor, Foto UtenteIsidoroKZ

0
voti

[11] Re: Circuiti Equivalenti del Trasformatore Monofase

Messaggioda Foto Utentekowalski » 10 feb 2012, 13:19

@Foto UtenteLele_u_biddrazzu

Grazie della risposta. Mi potresti spiegare come possono essere interpretati quei pallini? Da quello che ho capito io, nel caso in cui le correnti entrino o escano entrambe dai pallini, indipendentemente dal loro posizionamento, l'accoppiamento è a flussi concordi. Vorrei capire, però, come influiscono sulle tensioni.. e quindi perché
\dot{V_{1}}=k\dot{V_{2}}
\dot{I_{1}}=-\frac{\dot{I_{2}}}{k}

Grazie mille.
Avatar utente
Foto Utentekowalski
-2 4
New entry
New entry
 
Messaggi: 57
Iscritto il: 15 apr 2011, 18:41

3
voti

[12] Re: Circuiti Equivalenti del Trasformatore Monofase

Messaggioda Foto UtenteLele_u_biddrazzu » 10 feb 2012, 13:49

Facendo riferimento al trasformatore ideale del post [9]...

Le correnti, "entrando" entrambe nei rispettivi pallini, agiscono "concordemente" per quanto riguarda la generazione del flusso utile; in altri termini, la f.m.m. agente risulta essere...

\text{f.m.m.} = N_1\, i_1 + N_2 \, i_2 = 0 \quad (1)

pertanto...

i_1 = - \frac{i_2}{\frac{N_1}{N_2}} = -\frac{i_2}{k}

Passiamo alle tensioni... considera questo schema...



In base ai versi convenzionali adottati, si può affermare che...

v_1  = -e_1 = N_1 \, \frac{\text{d}\phi}{\text{d}t} \quad (2)
v_2  = -e_2 = N_2 \, \frac{\text{d}\phi}{\text{d}t} \quad (3)

dividendo membro a membro la (2) e la (3), si ottiene...

\frac{v_1}{v_2} = \frac{N_1}{N_2} = k

Se hai dubbi non esitare a postare... O_/
Emanuele Lorina

- Chi lotta contro i mostri deve fare attenzione a non diventare lui stesso un mostro. E se tu riguarderai a lungo in un abisso, anche l'abisso vorrà guardare dentro di te (F. Nietzsche)
- Tavole della legge by admin
Avatar utente
Foto UtenteLele_u_biddrazzu
8.154 3 8 13
Master EY
Master EY
 
Messaggi: 1288
Iscritto il: 23 gen 2007, 16:13
Località: Modena

0
voti

[13] Re: Circuiti Equivalenti del Trasformatore Monofase

Messaggioda Foto Utentelillo » 10 feb 2012, 14:29

kowalski ha scritto:Penso di aver capito....E' così?

si, ovviamente le convenzioni da me adottate sono queste:
Avatar utente
Foto Utentelillo
20,5k 7 12 13
G.Master EY
G.Master EY
 
Messaggi: 4172
Iscritto il: 25 nov 2010, 11:30
Località: Nuovo Mondo

4
voti

[14] Re: Circuiti Equivalenti del Trasformatore Monofase

Messaggioda Foto UtenteRenzoDF » 10 feb 2012, 17:14

kowalski ha scritto:Mi potresti spiegare come possono essere interpretati quei pallini? Da quello che ho capito io, nel caso in cui le correnti entrino o escano entrambe dai pallini, indipendentemente dal loro posizionamento, l'accoppiamento è a flussi concordi.

I riferimenti (pallini) nei mutui induttori e quindi di conseguenza nel trasformatore ideale sono usati per indicare quali sono le convenzioni per tensioni e correnti relative ai parametri (relazioni costitutive) forniti, ed in particolare al coefficiente di mutua induzione fra i due avvolgimenti e normalmente (ma non sempre) sono scelti in modo da rendere M positivo e quindi con flussi concordi, nel caso di correnti entrambe entranti o uscenti dai riferimenti.

kowalski ha scritto: Vorrei capire, però, come influiscono sulle tensioni

Relativamente a quanto ti e' gia' stato spiegato da Foto UtenteLele_u_biddrazzu, vorrei solo aggiungere che, per poter applicare la legge di Faraday Neumann Lenz, la convenzione per il verso della f.e.m. indotta e e' da assumere concorde a quello di una vite destrogira "avvitata" nel verso scelto positivo per il flusso, graficamente



Se a questo punto consideriamo un trasformatore ideale, con flusso disperso e riluttanza nelle, visto per l'esempio che N1=N2=1, avremo:

e1=e2, v1=v2, v1=-e1, v2=-e2

mentre l'uguaglianza a zero della forza magnetomotrice portera' ad avere i1+i2=0 e di conseguenza i1=-12.
A questo punto, cambiando verso solo a i2 potremo semplificare la relazione fra le correnti scrivendo i1=i2 e mantenendo tutte le suddette relazioni fra tensioni e f.e.m., il diagramma fasoriale risulterebbe il seguente



usato in molti testi ma "graficamente scomodo", inconveniente che puo' pero' essere bypassato cambiando entrambe le convenzioni per v2 e i2 che portano il diagramma fasoriale delle grandezze secondarie sul semipiano inferiore, simmetricamente rispetto all'origine



e quindi al seguente "nocciolo" finale, che e' la scelta alternativa di numerosi testi di Elettrotecnica

"Il circuito ha sempre ragione" (Luigi Malesani)
Avatar utente
Foto UtenteRenzoDF
55,9k 8 12 13
G.Master EY
G.Master EY
 
Messaggi: 13189
Iscritto il: 4 ott 2008, 9:55

0
voti

[15] Re: Circuiti Equivalenti del Trasformatore Monofase

Messaggioda Foto Utentekowalski » 10 feb 2012, 18:10

@Foto Utentelillo e @Foto UtenteRenzoDF
Perfetto. Solo un paio di domande:
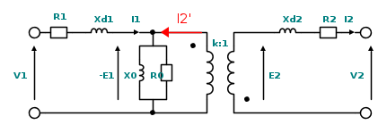
1) Foto UtenteRenzoDF ha scritto che il segno negativo di E_{1} serve solo a separare la rappresentazione di E_{1} e E_{2} nel diagramma fasoriale. Se ho capito bene, cambiando il segno di E_{1} nel circuito disegnato nel post 13, si avrebbe che:

\frac{\dot{E_{1}}}{\dot{E_{2}}}=-\tau

2) Mi sembra di aver capito, inoltre, che nel rappresentare i parametri del circuito equivalente primario e secondario (semplificati), si possono scegliere arbitrariamente i versi delle correnti di reazione e delle f.e.m. indotte. In base ai "pallini", poi, si otterrà il rapporto con segno tra correnti e tensioni riportate al primario e quelle secondarie, e viceversa.

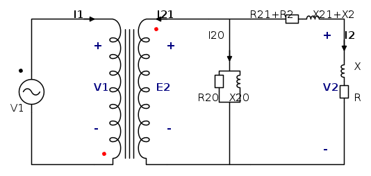
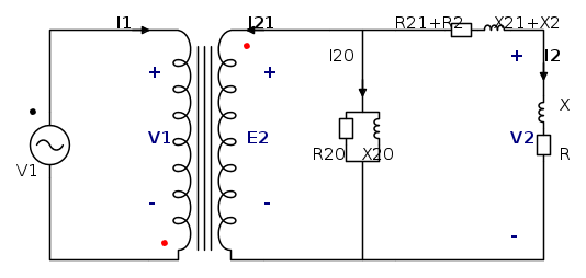
Diciamo, quindi, che ho questo circuito equivalente semplificato secondario


Sono valide queste relazioni?

\dot{E_{2}}=-\frac{\dot{V_{1}}}{\tau }

\dot{I_{21}}=-\tau \dot{I_{1}}

\bar{Z_{21}}=\frac{\bar{Z_{1}}}{\tau ^{2}}

Grazie mille
Avatar utente
Foto Utentekowalski
-2 4
New entry
New entry
 
Messaggi: 57
Iscritto il: 15 apr 2011, 18:41

0
voti

[16] Re: Circuiti Equivalenti del Trasformatore Monofase

Messaggioda Foto UtenteRenzoDF » 10 feb 2012, 18:37

Dopo aver cancellato il mio primo messaggio mi sembrava di essere stato un po' piu' chiaro con le mie ultime considerazioni, ma vedo che purtroppo non ci sono riuscito.
"Il circuito ha sempre ragione" (Luigi Malesani)
Avatar utente
Foto UtenteRenzoDF
55,9k 8 12 13
G.Master EY
G.Master EY
 
Messaggi: 13189
Iscritto il: 4 ott 2008, 9:55

0
voti

[17] Re: Circuiti Equivalenti del Trasformatore Monofase

Messaggioda Foto Utentekowalski » 10 feb 2012, 18:44

Scusami Foto UtenteRenzoDF, evidentemente sono io che ho le idee abbastanza confuse su f.e.m. indotte, i loro segni e il funzionamento degli induttori. Ti chiedo di aiutarmi perché ora devo iniziare a vedere il motore asincrono, e poi quello sincrono. Quindi senza aver ben chiaro il funzionamento del trasformatore non vado da nessuna parte.

Possiamo partire dal circuito equivalente al secondario che ho postato? Tenendo conto dei versi arbitrariamente scelti per tensioni e correnti, quali sono le giuste relazioni e perché?

Ti ringrazio.
Avatar utente
Foto Utentekowalski
-2 4
New entry
New entry
 
Messaggi: 57
Iscritto il: 15 apr 2011, 18:41

0
voti

[18] Re: Circuiti Equivalenti del Trasformatore Monofase

Messaggioda Foto Utentekowalski » 10 feb 2012, 21:52

@ Foto Utentelillo, Foto UtenteRenzoDF, Foto UtenteLele_u_biddrazzu
Scusatemi se insisto, ma vorrei sapere cosa c'è che non va nel mio ragionamento. Ho risposto al post di Foto Utentelillo che mi aveva suggerito un procedimento matematico (post 7) per trovare i rapporti tra i parametri. Nel post 10 ho scritto le relazioni e mi è stato detto che erano valide qualora ci si riferisse al circuito

Sono sbagliate? Se non sono sbagliate, perché quelle che ho scritto relativamente al circuito del post 15 non sono esatte? E quali sono quelle esatte?
Ringrazio tutti per l'aiuto.
Avatar utente
Foto Utentekowalski
-2 4
New entry
New entry
 
Messaggi: 57
Iscritto il: 15 apr 2011, 18:41

0
voti

[19] Re: Circuiti Equivalenti del Trasformatore Monofase

Messaggioda Foto UtenteLele_u_biddrazzu » 10 feb 2012, 22:31

Nel post [15] avresti dovuto scrivere I21 = k I1 ;-) Cosa sarebbero Z21 e Z1? O_/
Emanuele Lorina

- Chi lotta contro i mostri deve fare attenzione a non diventare lui stesso un mostro. E se tu riguarderai a lungo in un abisso, anche l'abisso vorrà guardare dentro di te (F. Nietzsche)
- Tavole della legge by admin
Avatar utente
Foto UtenteLele_u_biddrazzu
8.154 3 8 13
Master EY
Master EY
 
Messaggi: 1288
Iscritto il: 23 gen 2007, 16:13
Località: Modena

0
voti

[20] Re: Circuiti Equivalenti del Trasformatore Monofase

Messaggioda Foto Utentekowalski » 10 feb 2012, 23:55

@Foto UtenteLele_u_biddrazzu
Nel post [15] avresti dovuto scrivere I21 = k I1

Puoi spiegarmi perché?
Cosa sarebbero Z21 e Z1?

Z_{21} è l'impedenza primaria riportata al secondario e Z_{1} è l'impedenza primaria.
Avatar utente
Foto Utentekowalski
-2 4
New entry
New entry
 
Messaggi: 57
Iscritto il: 15 apr 2011, 18:41

PrecedenteProssimo

Torna a Elettrotecnica generale

Chi c’è in linea

Visitano il forum: Nessuno e 42 ospiti