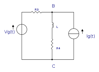
di frequenza
e valore efficace
e da un generatore di corrente sinusoidale
di frequenza
e valore efficace
. La corrente
è sfasata in anticipo di
gradi rispetto alla tensione
. Calcolare l' andamento nel tempo della tensione tra i punti B e C.Ragazzi ho bisogno del vostro preziosissimo aiuto....mi servirebbero i calcoli imposta e i risultati del problema. Il problema devo risolverlo con il metodo delle correnti di maglia alle maglie da me evidenziate ACA e ABCA...ovviamente ho dato per scontato la corrente che circola in ACA è quella erogata dal generatore di corrente. (se è possibile risolverla anche con Thevenin postatemi ambedue le soluzioni)
Grazie a tutti

Elettrotecnica e non solo (admin)
Un gatto tra gli elettroni (IsidoroKZ)
Esperienza e simulazioni (g.schgor)
Moleskine di un idraulico (RenzoDF)
Il Blog di ElectroYou (webmaster)
Idee microcontrollate (TardoFreak)
PICcoli grandi PICMicro (Paolino)
Il blog elettrico di carloc (carloc)
DirtEYblooog (dirtydeeds)
Di tutto... un po' (jordan20)
AK47 (lillo)
Esperienze elettroniche (marco438)
Telecomunicazioni musicali (clavicordo)
Automazione ed Elettronica (gustavo)
Direttive per la sicurezza (ErnestoCappelletti)
EYnfo dall'Alaska (mir)
Apriamo il quadro! (attilio)
H7-25 (asdf)
Passione Elettrica (massimob)
Elettroni a spasso (guidob)
Bloguerra (guerra)












