Cos'è ElectroYou | Login Iscriviti

ElectroYou - la comunità dei professionisti del mondo elettrico

Circuito LED a 230 V

Elettronica lineare e digitale: didattica ed applicazioni

Moderatori: Foto Utentecarloc, Foto Utenteg.schgor, Foto UtenteBrunoValente, Foto UtenteIsidoroKZ

0
voti

[21] Re: circuito led a 230v

Messaggioda Foto Utentemir » 10 apr 2012, 19:49

lidia ha scritto:come fare a calcolare l'alimentatore con quei dati

lidia ha scritto:400 led quindi
v=12 V
caduta di tensione led è di 3v
20 mA

si dovrebbe conoscere anche la tipologia del diodo led ,considerando i valori che hai fornito,immaginando un classico diodo led da 5 mm, direi che 400 diodi led son tanti da alimentare ed anche da cablare comunque l'alimentazione necessaria richiederebbe un'alimentatore che eroghi una tensione di 12 V ed un'intensità di corrente minima di 400 x 0,02 A = 8 A e la disposizione/cablaggio dei diodi led realizzerebbe 100 rami in parallelo ed ogni ramo con 4 diodi led in serie ed il relativo resistore da 1 Ohm.
Avatar utente
Foto Utentemir
66,0k 9 12 13
G.Master EY
G.Master EY
 
Messaggi: 21870
Iscritto il: 19 ago 2004, 21:10

0
voti

[22] Re: Circuito LED a 230 V

Messaggioda Foto Utentelidia » 11 apr 2012, 1:23

si mir grazie mille ma ad esempio se con i stessi dati solo con piu pochi led tipo 10 led e con tutti gli stessi dati piu o meno che alimentatore servirebbe?? dico io come fai a capire che alimentatore serve ??
Avatar utente
Foto Utentelidia
47 5
Frequentatore
Frequentatore
 
Messaggi: 131
Iscritto il: 10 apr 2012, 11:36

5
voti

[23] Re: Circuito LED a 230 V

Messaggioda Foto Utentemarco438 » 11 apr 2012, 7:43

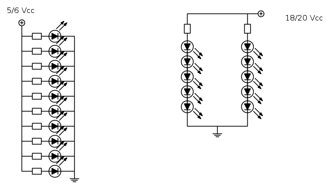
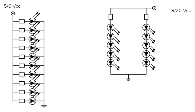
Supponiamo (come hai detto tu) di disporre di dieci led 3V 20mA e doverli collegare insieme.
Se li mettiamo tutti in parallelo, visto che la tensione dei led e' 3V, ci bastera' disporre di una tensione di 5/6V e, con una resistenza calcolata ad oc, fornire ad ogni led la corretta corrente di 20mA.
Se volessimo, al contrario, con gli stessi led, formare due serie di 5 led l'una, da mettere poi in paralelo tra loro, avremo la necessita' di disporre di una tensione superiore a quella risultante dalla somma di ogni serie (quindi 5 x3 = 15V) e di una resistenza per serie che fornisca la corrente adatta; quindi sceglieremo un alimentatore da 18/20V.
Spero di aver chiarito i tuoi dubbi.
Certo e' che 400 led sono tanti da mettere insieme, quindi si dovra' cercare un alimentatore che fornisca tensioni e correnti abbastanza elevate onde poter formare serie di numerosi led da porre poi in parallelo tra loro.

marco
Avatar utente
Foto Utentemarco438
37,1k 7 11 13
-EY Legend-
-EY Legend-
 
Messaggi: 16323
Iscritto il: 24 mar 2010, 15:09
Località: Versilia

4
voti

[24] Re: Circuito LED a 230 V

Messaggioda Foto UtenteIsidoroKZ » 11 apr 2012, 9:59

Direi che la soluzione di rami di 5 led in serie sia ottima. Si puo` usare un alimentatore di un vecchio laptop che tipicamente fornisce 19V, ed e` anche una tensione stabilizzata.

Se si collegano i led a 5 a 5 in serie, per metterne 400 servono 8 (Edit: 80, non 8! Grazie Foto Utentemarco438) stringhe di 5 led. Ogni stringa consuma 25mA e quindi in totale servono 2A, e qualunque alimentatore da laptop e` in grado di erogare quella corrente.

Infine per ogni stringa serve una resistenza che assorba la differenza di tensione fra led (15V) e alimentazione (19V) facendo scorrere 25mA, e quindi serve una resistenza per ogni stringa da 160ohm, che dissipera` 100mW.

Fai attenzione che la tensione dei led non e` precisa precisa, dipende da che led usi, e se sono tutti uguali e diversi da 3V e` possibile che debba cambiare un pochino il valore della resistenza.

Ci sarebbe anche questo articolo ma anche questo potrebbe essere un po' complicato.

Che cosa sai di elettronica/elettrotecnica?
Per usare proficuamente un simulatore, bisogna sapere molta più elettronica di lui
Plug it in - it works better!
Il 555 sta all'elettronica come Arduino all'informatica! (entrambi loro malgrado)
Se volete risposte rispondete a tutte le mie domande
Avatar utente
Foto UtenteIsidoroKZ
121,2k 1 3 8
G.Master EY
G.Master EY
 
Messaggi: 21059
Iscritto il: 17 ott 2009, 0:00

2
voti

[25] Re: Circuito LED a 230 V

Messaggioda Foto Utentemarco438 » 11 apr 2012, 11:23

A questo punto, credo tu abbia tutte le informazioni utili per la tua realizzazione.
Tieni solo presente che, a Foto UtenteIsidoroKZ e' rimasto uno zero nel mouse :mrgreen: e che quindi le serie di led dovranno essere 80 da 5 led ciascuno, con altrettante resistenze.
marco
Avatar utente
Foto Utentemarco438
37,1k 7 11 13
-EY Legend-
-EY Legend-
 
Messaggi: 16323
Iscritto il: 24 mar 2010, 15:09
Località: Versilia

1
voti

[26] Re: Circuito LED a 230 V

Messaggioda Foto UtenteCarbonium » 11 apr 2012, 12:03

Ciao, provo a ricapitolarti la situazione per chiarezza e per cercare di indirizzarti meglio su quello che vuoi fare. Se ho capito bene vuoi fare un illuminatore da collegare alla rete, come ti han già detto meglio che eviti il collegamento diretto dalla 230 visto che si trovano facilmente degli alimentatori che si occupano di fornirti la molto meno rischiosa DC a bassa tensione e che si adattano bene per piccoli progettini di led.

Ora te hai pensato a 400 led alimentati a I=20mA e con Vf=3,0V (guarda anche le tolleranze da chi te li fornisce, perché led uguali possono avere Vf abbastanza variabile tipo 2,8-3,2 e lo dovrai tener presente nei conti). Con questi dati a seconda della tensione di alimentazione che sceglierai, puoi decidere come metterli (dovrai fare rami in serie fino a quasi saturare la tensione dell'alimentatore V e poi metterli in parallelo: in base a quello sceglierai le resistenze in ogni ramo; ma questo ti hanno già detto dove studiarlo ed aiuta se hai già basi di elettrotecnica), se ti serve uno strumento rapido per farti un'idea e che ti aiuti a capire usa questo calcolatore: :arrow: http://led.linear1.org/led.wiz. ;-)
Vedrai che è molto comodo per capire anche come dimensionare in potenza, oltre che in resistenza, (altrimenti diventano troppo bollenti) i resistori da mettere in ogni serie.

Ora però ti do due brutte notizie:
1) 400x20mA = 8A Quindi dovrai cercare un alimentatore che ti fornisca un po' di più per stare tranquilla (nei dati di targa stampati sopra c'è sempre la potenza massima fornita indicata come V e I al massimo forniti in uscita).
2) Se volevi fare un illuminatore perché hai pensato: <<cavolo i led normali (da 20mA) costano una stupidata se ne metto assieme a centinaia illumino un sacco e risparmio!>> purtroppo scoprirai (come molti di noi prima di te :mrgreen:) che non è la strada più saggia. Intanto fare una cosa come minimo 800 saldature non è uno dei passatempo più divertenti :? e in secondo luogo il gioco non vale nemmeno la candela coi costi, visto che esistono i led di alta potenza che emettono molta più luce di tantissimi led normali (ovviamente non sono fatti per assorbire 20mA, in genere da un 100mA minimo fino a 1A o più), se t'interessa e riesci a raccapezzarti tra lumen e candela, nei datasheet in genere indicano il flusso luminoso emesso con una data I di alimentazione.

Consiglio quindi se non li hai ancora comprati, di fermarti un attimo a considerare altri prodotti e se vuoi intanto fare qualche prova per impratichirti (come scrivere il tuo nome) allora prendine al massimo qualche decina di quelli.
Avatar utente
Foto UtenteCarbonium
90 3
 
Messaggi: 21
Iscritto il: 30 nov 2011, 23:11

0
voti

[27] Re: Circuito LED a 230 V

Messaggioda Foto UtenteCarbonium » 11 apr 2012, 13:29

Mi correggo la brutta notizia numero 1) è un lapsus madornale #-o perché stavo pensando già in termini di potenza in gioco, non ti servono 8A (sicuramente meno quello è il caso limite se fossero tutti in parallelo) ma dipende da quante serie da 20mA avrai come correttamente ti ha scritto Isidoro sopra..
Se usi il calcolatore a seconda dell'alimentatore che avrai comunque te ne puoi fare un idea: l'importante è che dimensioni correttamente con la potenza che ti assorbono quei led+resistori altrimenti l'alimentatore fatica e non funziona bene ovviamente.
Avatar utente
Foto UtenteCarbonium
90 3
 
Messaggi: 21
Iscritto il: 30 nov 2011, 23:11

0
voti

[28] Re: Circuito LED a 230 V

Messaggioda Foto Utentemarco438 » 11 apr 2012, 13:38

Carbonium ha scritto:Mi correggo la brutta notizia numero 1) è un lapsus madornale #-o

Bravo; stavo per fartelo notare.
E gia' che ci siamo, usare i calcolatori per stabilire il valore della resistenza di un led (che di per se e' una cosa piu' che semplice) non mi sembra una cosa da consigliare; credo sia molto piu' logico suggerire la formula necessaria ed eventualmente aiutare a risolverla.
In futuro, prima di scrivere pensaci e, dopo aver scritto, rileggi. Io lo faccio sempre.
marco
Avatar utente
Foto Utentemarco438
37,1k 7 11 13
-EY Legend-
-EY Legend-
 
Messaggi: 16323
Iscritto il: 24 mar 2010, 15:09
Località: Versilia

0
voti

[29] Re: Circuito LED a 230 V

Messaggioda Foto Utentelidia » 11 apr 2012, 13:56

CIAO ISIDOROkz ok piu o meno sto capendo come fare però ho ancora qualche dubbio !!!!!! comunque io di elettrotecnica conosco poco , conosco come calcolare una resistenza ,e qualche altra cosetta cosi! ragazzi grazie mille siete stati gentilissimi ad aiutarmi grazie ancora !!!
:oops:
ciao marco allora scusami la tua idea penso che vada benissimo ,peccato che è solo un esempio ,volevo capire se prendessi un alimentatore che ha un uscita di 12v , poi 24 led da 3 v ciascuno se io faccio 6 paralleli da 4 led andrebbe bene??
CIAO CARBONIUM SCUSAMI per calcolare gli ampere tu hai fatto 400 x20mA nn si dovrebbe fare 400x0,01 ?
grazie ragazzi mi state aiutando sul serio ;) :ok:
Avatar utente
Foto Utentelidia
47 5
Frequentatore
Frequentatore
 
Messaggi: 131
Iscritto il: 10 apr 2012, 11:36

0
voti

[30] Re: Circuito LED a 230 V

Messaggioda Foto Utentemarco438 » 11 apr 2012, 14:03

lidia ha scritto:ciao marco allora scusami la tua idea penso che vada benissimo ,peccato che è solo un esempio ,volevo capire se prendessi un alimentatore che ha un uscita di 12 V , poi 24 led da 3 v ciascuno se io faccio 6 paralleli da 4 led andrebbe bene??

Direi di no; devi lasciare "un po' di spazio" per la resistenza.
Se disponi di 12V e metti quattro led da 3V in serie (3x4=12), questo "spazio" viene a mancare; dovresti adoperare un alimentatore a 14/15V oppure fare delle serie di 3 led (3x3=9).
marco
Avatar utente
Foto Utentemarco438
37,1k 7 11 13
-EY Legend-
-EY Legend-
 
Messaggi: 16323
Iscritto il: 24 mar 2010, 15:09
Località: Versilia

PrecedenteProssimo

Torna a Elettronica generale

Chi c’è in linea

Visitano il forum: Nessuno e 120 ospiti