Scusate;ecco l' esercizio uno adesso lo posto...
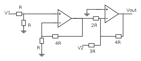
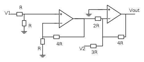
Dato lo schema seguente trovare quanto vale la tensione di uscita in funzione di quelle di ingresso V1 e V2 fare solo il calcolo simbolico:
Esercizio sui filtri con disegno!
Moderatori:
carloc,
g.schgor,
BrunoValente,
IsidoroKZ
21 messaggi
• Pagina 1 di 3 • 1, 2, 3
0
voti
0
voti
Hai aperto due discussioni, ne basta una.
Inoltre non uppare, non pretendere e prega per cose più importanti. Gli utenti rispondono se e quando gli va.
ciao ciao
Inoltre non uppare, non pretendere e prega per cose più importanti. Gli utenti rispondono se e quando gli va.
ciao ciao
0
voti
angelsanct ha scritto:Come procederesti?
Prima di tutto troverei il guadagno del primo facendo (4/1)+1=5 e poi troverei la Vout' moltiplicando la Vin per 5....poi però non so come andare avanti...
0
voti
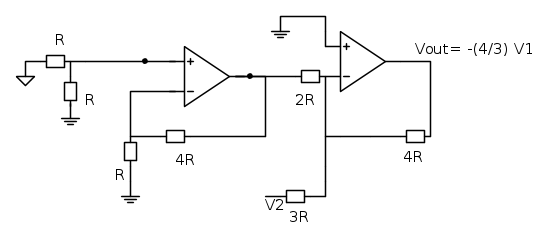
poiché la rete è lineare (supponiamo gli op-amp ideali) proviamo con sovrapposizione degli effetti: spengiamo prima V2, ottenendo ciò:
Nota che in ingresso al primo operazionale è posto un partiotre di tensione.
Il primo operazionale è in configurazione non invertente, il secondo in configurazione invertente.
Ti ritrovi coi conti? Prova ora ad operare spegnendo V1 e accendendo V2. Cosa trovi?
Nota che in ingresso al primo operazionale è posto un partiotre di tensione.
Il primo operazionale è in configurazione non invertente, il secondo in configurazione invertente.
Ti ritrovi coi conti? Prova ora ad operare spegnendo V1 e accendendo V2. Cosa trovi?
-

angelsanct
196 1 5 - Frequentatore

- Messaggi: 112
- Iscritto il: 30 lug 2011, 21:46
0
voti
Trovo che il secondo op.amp è in posizione invertente.ma poi cosa dovrei fare?essendo il partitore che faccio?perdona la mia impreparazione,ma ci ho capito poco....
Ultima modifica di
admin il 23 apr 2012, 13:38, modificato 1 volta in totale.
Motivazione: Eliminata inutile citazione integrale del messaggio che precede. Esiste il pulsante Rispondi
Motivazione: Eliminata inutile citazione integrale del messaggio che precede. Esiste il pulsante Rispondi
0
voti
RenzoDF ha scritto:... suggerirei una semplice KCL
Quindi che procedimento dovrei utilizzare fin dall'inizio?
0
voti
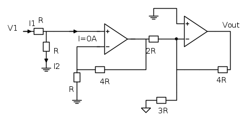
Significa che in ingresso al primo operazionale non ho tutta V1, ma solo la metà.

perché?
perché I1=I2 poiché le correnti di ingresso dell'operazionale sono nulle e quindi:
, 
Poi come hai già detto, il primo operazionale è in configurazione non invertente, quindi in uscita al primo operazionale avrò:

Ora il secondo operazionale è in configurazione invertente.
La resistenza di valore 3R non influisce nel calcolo, poiché ai suoi capi si verifica una tensione di 0V.
Avremo quindi:

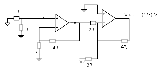
Ora spengiamo V1 e accendiamo V2:
Ora abbiamo un solo operazionale, il secondo, in configurazione invertente. Quindi:

Se sommi le due Vout ottenute trovi il risultato.

perché?
perché I1=I2 poiché le correnti di ingresso dell'operazionale sono nulle e quindi:
, 
Poi come hai già detto, il primo operazionale è in configurazione non invertente, quindi in uscita al primo operazionale avrò:

Ora il secondo operazionale è in configurazione invertente.
La resistenza di valore 3R non influisce nel calcolo, poiché ai suoi capi si verifica una tensione di 0V.
Avremo quindi:

Ora spengiamo V1 e accendiamo V2:
Ora abbiamo un solo operazionale, il secondo, in configurazione invertente. Quindi:

Se sommi le due Vout ottenute trovi il risultato.
-

angelsanct
196 1 5 - Frequentatore

- Messaggi: 112
- Iscritto il: 30 lug 2011, 21:46
21 messaggi
• Pagina 1 di 3 • 1, 2, 3
Chi c’è in linea
Visitano il forum: Nessuno e 52 ospiti

Elettrotecnica e non solo (admin)
Un gatto tra gli elettroni (IsidoroKZ)
Esperienza e simulazioni (g.schgor)
Moleskine di un idraulico (RenzoDF)
Il Blog di ElectroYou (webmaster)
Idee microcontrollate (TardoFreak)
PICcoli grandi PICMicro (Paolino)
Il blog elettrico di carloc (carloc)
DirtEYblooog (dirtydeeds)
Di tutto... un po' (jordan20)
AK47 (lillo)
Esperienze elettroniche (marco438)
Telecomunicazioni musicali (clavicordo)
Automazione ed Elettronica (gustavo)
Direttive per la sicurezza (ErnestoCappelletti)
EYnfo dall'Alaska (mir)
Apriamo il quadro! (attilio)
H7-25 (asdf)
Passione Elettrica (massimob)
Elettroni a spasso (guidob)
Bloguerra (guerra)






