Esercizio con il Teorema di Thevenin
Moderatori:
g.schgor,
IsidoroKZ
17 messaggi
• Pagina 1 di 2 • 1, 2
0
voti
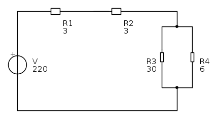
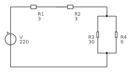
salve, dovrei trovare la corrente passante per il ramo dov'e la R4 cioe la resistenza da sei ohm con il pricipio di thevenin ossia asportare il carico calcolare la tensione a vuoto e tutto il resto. so che e un esercizio facile ma non riesco a risolverlo
grazie mille in anticipo
Ultima modifica di
asdf il 2 giu 2012, 9:16, modificato 1 volta in totale.
Motivazione: Riscritto il titolo in minuscolo ed in modo più significativo.
Motivazione: Riscritto il titolo in minuscolo ed in modo più significativo.
5
voti
Ci provo, ma non faccio esercizi di elettrotecnica da un anno quasi.
Allora, hai il seguente circuito :
che puoi immaginare come segue :
Calcoliamo la resistenza equivalente di Thevenin
.
Essa è vista come la resistenza ai capi AB avendo cortocircuitato il generatore (che è unico in questo caso)
:
Essa è pari a :

Ora dobbiamo calcolare la
.
Devi considerare il funzionamento a vuoto, cioè senza la resistenza
. In tal caso, quindi, la tensione
rappresenta proprio la
.
Devi considerare quindi il seguente schema :
Ed hai :

cioè:

devi calcolare la
.
Essa è pari a :

(su quest'ultimo passaggio però non sono sicuro al 100%).
Da qui hai :

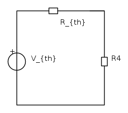
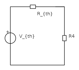
Ottieni così il circuito equivalente di Thevenin finale :
da cui poter calcolare in maniera agevole la corrente passante per il resistore
.
Ripeto : mi sono cimentato nella risoluzione di questo esercizio ma non sono sicuro della sua correttezza.
Attendi quindi l'intervento di utenti più esperti e preparati di me che non tarderanno ad arrivare
.
Allora, hai il seguente circuito :
che puoi immaginare come segue :
Calcoliamo la resistenza equivalente di Thevenin
.Essa è vista come la resistenza ai capi AB avendo cortocircuitato il generatore (che è unico in questo caso)
:Essa è pari a :

Ora dobbiamo calcolare la
.Devi considerare il funzionamento a vuoto, cioè senza la resistenza
. In tal caso, quindi, la tensione
rappresenta proprio la
.Devi considerare quindi il seguente schema :
Ed hai :

cioè:

devi calcolare la
.Essa è pari a :

(su quest'ultimo passaggio però non sono sicuro al 100%).
Da qui hai :

Ottieni così il circuito equivalente di Thevenin finale :
da cui poter calcolare in maniera agevole la corrente passante per il resistore
.Ripeto : mi sono cimentato nella risoluzione di questo esercizio ma non sono sicuro della sua correttezza.
Attendi quindi l'intervento di utenti più esperti e preparati di me che non tarderanno ad arrivare
0
voti
Togli R4.
Restano R1, R2, R3 in serie.
La tensione ai morsetti che alimentavano R4 vale 220 * 30 /(3 + 3 + 30) = 183
Togli il generatore e inserisci un corto circuito.
La resistenza vista dai morsetti è il parallelo di (R1 + R2) con R3
Req= (R1+ R2) * R3 / ((R1 + R2) + R3)
Req = 6 * 30 / (6 + 30) = 5
Il circuito equivalente è costituito da un generatore Eeq = 183 V, con in serie una Req = 5 Ohm.
Rimetti la R4.
La corrente che circola è I = Eeq / (Req + R4) = 183/(5+6) = 183/11= 16,7 A
La tensione ai capi di R4 è V = R4 * I = 6 * 16,7 = 100 V
e vualà.
Restano R1, R2, R3 in serie.
La tensione ai morsetti che alimentavano R4 vale 220 * 30 /(3 + 3 + 30) = 183
Togli il generatore e inserisci un corto circuito.
La resistenza vista dai morsetti è il parallelo di (R1 + R2) con R3
Req= (R1+ R2) * R3 / ((R1 + R2) + R3)
Req = 6 * 30 / (6 + 30) = 5
Il circuito equivalente è costituito da un generatore Eeq = 183 V, con in serie una Req = 5 Ohm.
Rimetti la R4.
La corrente che circola è I = Eeq / (Req + R4) = 183/(5+6) = 183/11= 16,7 A
La tensione ai capi di R4 è V = R4 * I = 6 * 16,7 = 100 V
e vualà.
-

francesco51
208 3 - Messaggi: 43
- Iscritto il: 24 mag 2012, 19:49
9
voti
...oppure sfrutti un teorema meno H-demico:
imponi che nel resistore R4 circoli una falsa corrente pari a:

questo causa ai capi del parallelo una falsa caduta di potenziale pari a:

quindi in R3 circolerà una falsa corrente pari a:

che sommandosi alla prima fa si che nell'intero circuito circoli una falsa:

affinché circolino 6 A il generatore di tensione dovrà essere pari a:

il fattore di conversione sarà:

ora moltiplica tutti i valori falsi che ho trovato per k, e avrai tutti i valori veri del circuito
se
RenzoDF non mi picchia dovrebbe essere tutto corretto 
imponi che nel resistore R4 circoli una falsa corrente pari a:

questo causa ai capi del parallelo una falsa caduta di potenziale pari a:

quindi in R3 circolerà una falsa corrente pari a:

che sommandosi alla prima fa si che nell'intero circuito circoli una falsa:

affinché circolino 6 A il generatore di tensione dovrà essere pari a:

il fattore di conversione sarà:

ora moltiplica tutti i valori falsi che ho trovato per k, e avrai tutti i valori veri del circuito
se

0
voti
lillo ha scritto:...oppure sfrutti un teorema meno H-demico:
imponi che nel resistore R4 circoli una falsa corrente
... che è di gran lunga più veloce e, per quanto ho avuto modo di apprezzare (dopo un po' di tempo) quando
0
voti
grazie mille ragazzi:) vi ringrazio davvero tanto:)
0
voti
ciao francesco51, mica per piacere potresti spiegarmi teoricamente la formula che hai utilizzato per calcolare la tensione a vuoto ai capi di R4? grazie mille:)
17 messaggi
• Pagina 1 di 2 • 1, 2
Torna a Elettrotecnica generale
Chi c’è in linea
Visitano il forum: Nessuno e 16 ospiti

Elettrotecnica e non solo (admin)
Un gatto tra gli elettroni (IsidoroKZ)
Esperienza e simulazioni (g.schgor)
Moleskine di un idraulico (RenzoDF)
Il Blog di ElectroYou (webmaster)
Idee microcontrollate (TardoFreak)
PICcoli grandi PICMicro (Paolino)
Il blog elettrico di carloc (carloc)
DirtEYblooog (dirtydeeds)
Di tutto... un po' (jordan20)
AK47 (lillo)
Esperienze elettroniche (marco438)
Telecomunicazioni musicali (clavicordo)
Automazione ed Elettronica (gustavo)
Direttive per la sicurezza (ErnestoCappelletti)
EYnfo dall'Alaska (mir)
Apriamo il quadro! (attilio)
H7-25 (asdf)
Passione Elettrica (massimob)
Elettroni a spasso (guidob)
Bloguerra (guerra)











, questo si che è un metodo "illuminato" ; 
