Salve, ho un trasformatore che in uscita mi da una tensione da 12V in uscita. Vi sono 3 connessioni, due 12V (che unite danno 24 V) ed una è lo 0.
Se non sbaglio, dovrei avere una tensione alternata che si aggiri di continuo tra +12V e -12V.
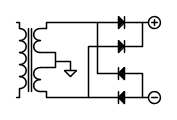
Se come raddrizzatore utilizzassi quattro diodi con il polo negativo rivolto verso il trasformatore, otterrei una tensione negativa stabilizzata?
Ecco lo schema della mia idea:
Raddrizzatore
Moderatori:
carloc,
g.schgor,
BrunoValente,
IsidoroKZ
33 messaggi
• Pagina 1 di 4 • 1, 2, 3, 4
0
voti
Da quei due fili ottieni 0V abbastanza stabili :). Che tensione di uscita vuoi ottenere? Non dicevi che avevi una presa centrale?
Per usare proficuamente un simulatore, bisogna sapere molta più elettronica di lui
Plug it in - it works better!
Il 555 sta all'elettronica come Arduino all'informatica! (entrambi loro malgrado)
Se volete risposte rispondete a tutte le mie domande
Plug it in - it works better!
Il 555 sta all'elettronica come Arduino all'informatica! (entrambi loro malgrado)
Se volete risposte rispondete a tutte le mie domande
0
voti
Sinceramente tanto non me ne intendo, non so se sia a presa centrale o meno 
Ci sono 2 uscite 12V ed una 0.
Con il tester ho misurato 24 V se come riferimento prendo le due uscite da 12V.
Forse dovrei misurare la tensione raddrizzata invece che quella alternata?
Ci sono 2 uscite 12V ed una 0.
Con il tester ho misurato 24 V se come riferimento prendo le due uscite da 12V.
Forse dovrei misurare la tensione raddrizzata invece che quella alternata?
3
voti
Quello che tu hai è un trasformatore con due uscite. Le due uscite hanno un punto in comune, tale per cui, per ogni avvolgimento da 12 V, messi in serie tra loro, è come avere una unica uscita a 24 V.
Come ti hanno già chiesto quindi è meglio che tu dica cosa realmente vuoi ottenere.
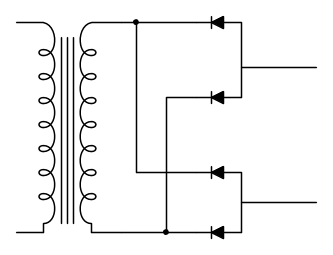
Lo schema corretto, per il tuo post [1], è il seguente:
Rispetto al riferimento otterrai sui due terminali + e - una tensione rispettivamente di 12 V e -12 V; ma bada bene, è una tensione pulsante.
Come ti hanno già chiesto quindi è meglio che tu dica cosa realmente vuoi ottenere.
Lo schema corretto, per il tuo post [1], è il seguente:
Rispetto al riferimento otterrai sui due terminali + e - una tensione rispettivamente di 12 V e -12 V; ma bada bene, è una tensione pulsante.
-

Candy
32,5k 7 10 13 - CRU - Account cancellato su Richiesta utente
- Messaggi: 10123
- Iscritto il: 14 giu 2010, 22:54
0
voti
Il mio scopo era ottenere una tensione negativa, se possibile.
Comunque dopo i diodi va messo un apposito condensatore elettrolitico in parallelo alle uscite dato che la tensione è pulsante, giusto?
Comunque dopo i diodi va messo un apposito condensatore elettrolitico in parallelo alle uscite dato che la tensione è pulsante, giusto?
1
voti
una tensione negativa
Il concetto positivo o negativo ha solo senso nel contesto di un punto di riferimento, altrimenti, non ha alcun significato.
Prima di tutto vediamo che caratteristiche deve avere l'alimentatore, poi, il problema di positivo o negativo lo risolviamo facile.
-

Candy
32,5k 7 10 13 - CRU - Account cancellato su Richiesta utente
- Messaggi: 10123
- Iscritto il: 14 giu 2010, 22:54
0
voti
Le caratteristiche che deve avere non saprei definirle, dato che lo scopo di utilizzo è per testare le mie realizzazioni hobbistiche e nient'altro , quindi solamente modeste richieste di corrente che non superano l'ampere.
Comunque le caratteristiche del trasformatore che ho a disposizione sono:
Pr. 220-380 V
30 VA
Sec. 12-12 V
1,25 A
50-60 Hz
Comunque le caratteristiche del trasformatore che ho a disposizione sono:
Pr. 220-380 V
30 VA
Sec. 12-12 V
1,25 A
50-60 Hz
0
voti
Da quello che scrivi, si direbbe che vuoi realizzare un alimentatore stabilizzato duale, cioe' che abbia un'uscita positiva ed una negativa rispetto il riferimento; e' cosi'?
marco
33 messaggi
• Pagina 1 di 4 • 1, 2, 3, 4
Chi c’è in linea
Visitano il forum: Nessuno e 52 ospiti

Elettrotecnica e non solo (admin)
Un gatto tra gli elettroni (IsidoroKZ)
Esperienza e simulazioni (g.schgor)
Moleskine di un idraulico (RenzoDF)
Il Blog di ElectroYou (webmaster)
Idee microcontrollate (TardoFreak)
PICcoli grandi PICMicro (Paolino)
Il blog elettrico di carloc (carloc)
DirtEYblooog (dirtydeeds)
Di tutto... un po' (jordan20)
AK47 (lillo)
Esperienze elettroniche (marco438)
Telecomunicazioni musicali (clavicordo)
Automazione ed Elettronica (gustavo)
Direttive per la sicurezza (ErnestoCappelletti)
EYnfo dall'Alaska (mir)
Apriamo il quadro! (attilio)
H7-25 (asdf)
Passione Elettrica (massimob)
Elettroni a spasso (guidob)
Bloguerra (guerra)





