Cos'è ElectroYou | Login Iscriviti

ElectroYou - la comunità dei professionisti del mondo elettrico

Oscillatore che non oscilla

Elettronica lineare e digitale: didattica ed applicazioni

Moderatori: Foto Utentecarloc, Foto Utenteg.schgor, Foto UtenteBrunoValente, Foto UtenteIsidoroKZ

0
voti

[1] Oscillatore che non oscilla

Messaggioda Foto UtenteMJ990 » 29 lug 2012, 9:33

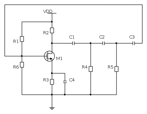
salve a tutti, sono di nuovo qui. il circuito è sempre lo stesso (posto l'immagine più sotto), ma il problema questa volta è diverso.
grazie anche all'aiuto di Foto UtenteIsidoroKZ, sono riuscito a dimensionare il circuito e, almeno sulla carta, dovrebbe funzionare.
Ho trovato sia la frequenza di risonanza ponendo la Im[Ab]=0
e ho soddisfatto la seconda cond. di barkhausen: la Re[Ab]>1, con i valori che ho trovato, mi viene pari a 2.3 che quindi dovrebbe essere sufficiente all'innesco.
Ho inserito un generatore di tensione per dare l'impulso, inserendo i valori:
T1 0us V1 0V
T2 2us V2 0V
T3 3us V3 5V
T4 8us V4 5V
T5 9us V5 0V

quando però vado a fare la simulazione, l'oscillazione non c'è, o meglio, appena concluso l'impulso, va a zero. E non riesco a capire il perché

Immagine

sapreste aiutarmi?
se vi servono altri dati, ditemelo che li inserisco
grazie
Avatar utente
Foto UtenteMJ990
11 4
New entry
New entry
 
Messaggi: 53
Iscritto il: 27 giu 2012, 11:44

1
voti

[2] Re: oscillatore che non oscilla

Messaggioda Foto Utentemrc » 29 lug 2012, 9:38

Ciao Foto UtenteMJ990.

Per maggiore chiarezza e per facilitare le eventuali modifiche, ti consiglio di disegnare il circuito usando Fidocadj. ( Il pin destro di C3 a cosa è collegato? )

A questi link trovi alcune guide all' uso.

http://www.electroyou.it/darwinne/wiki/ ... electroyou

http://www.electroyou.it/darwinne/wiki/fidocadj

http://www.electroyou.it/elettrodomus/w ... -per-tonni

Inoltre, per una maggiore chiarezza, ti consiglio di usare per le formule, LaTex:

http://www.codecogs.com/latex/eqneditor.php

questa è una piccola guida al suo uso:

http://www.electroyou.it/mrc/wiki/intro ... o-di-latex
Avatar utente
Foto Utentemrc
10,5k 6 11 13
Expert EY
Expert EY
 
Messaggi: 4023
Iscritto il: 16 apr 2009, 9:32

0
voti

[3] Re: oscillatore che non oscilla

Messaggioda Foto UtenteMJ990 » 29 lug 2012, 11:32

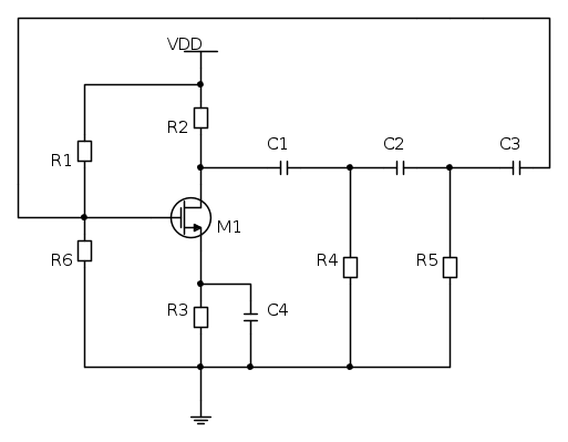
l'immagine che avevo inserito era completa, forse è stata tagliata inserendola nel post. comunque il circuito è questo

Avatar utente
Foto UtenteMJ990
11 4
New entry
New entry
 
Messaggi: 53
Iscritto il: 27 giu 2012, 11:44

0
voti

[4] Re: oscillatore che non oscilla

Messaggioda Foto UtenteCandy » 29 lug 2012, 12:18

In [1] vedo un V1 prima di C1. Cosa è?
Avatar utente
Foto UtenteCandy
32,5k 7 10 13
CRU - Account cancellato su Richiesta utente
 
Messaggi: 10123
Iscritto il: 14 giu 2010, 22:54

0
voti

[5] Re: oscillatore che non oscilla

Messaggioda Foto UtenteMJ990 » 29 lug 2012, 17:11

V1 è il generatore che ho inserito per dare l'impulso in modo da iniziare l'oscillazione. i valori che ho inserito li trovi nel primo post
Avatar utente
Foto UtenteMJ990
11 4
New entry
New entry
 
Messaggi: 53
Iscritto il: 27 giu 2012, 11:44

0
voti

[6] Re: oscillatore che non oscilla

Messaggioda Foto UtenteCandy » 29 lug 2012, 19:28

Ma un generatore in quel punto del circuito è corretto? Cosa genera? E che effetti introduce per il resto del circuito?
Avatar utente
Foto UtenteCandy
32,5k 7 10 13
CRU - Account cancellato su Richiesta utente
 
Messaggi: 10123
Iscritto il: 14 giu 2010, 22:54

0
voti

[7] Re: oscillatore che non oscilla

Messaggioda Foto UtenteMJ990 » 29 lug 2012, 22:07

dovrebbe innescare l'oscillazione, no? l'ho trovato anche in altre tesine e anche il prof l'ha visto e ha detto che era corretto. c'è qualcosa che non va?
Avatar utente
Foto UtenteMJ990
11 4
New entry
New entry
 
Messaggi: 53
Iscritto il: 27 giu 2012, 11:44

1
voti

[8] Re: oscillatore che non oscilla

Messaggioda Foto UtenteIsidoroKZ » 4 ago 2012, 5:10

Quando fai uno schema metti i valori dei componenti sullo schema, e` molto piu` comodo leggerlo! Mancano i parametri del MOS, sia quelli di processo che probabilmente ti ha dato il prof, sia quelli di dimensionamento W e L (ed eventualmente anche le aree se ci sono anche le capacita` parassite).

A prima vista hai resistenze troppo alte e capacita` troppo piccole: in un circuito reale le capacita` parassite ucciderebbero il circuito. A che frequenza deve oscillare? Hai provato a guardare il guadagno di anello?
Per usare proficuamente un simulatore, bisogna sapere molta più elettronica di lui
Plug it in - it works better!
Il 555 sta all'elettronica come Arduino all'informatica! (entrambi loro malgrado)
Se volete risposte rispondete a tutte le mie domande
Avatar utente
Foto UtenteIsidoroKZ
121,2k 1 3 8
G.Master EY
G.Master EY
 
Messaggi: 21059
Iscritto il: 17 ott 2009, 0:00

2
voti

[9] Re: oscillatore che non oscilla

Messaggioda Foto UtenteMJ990 » 4 ago 2012, 18:43

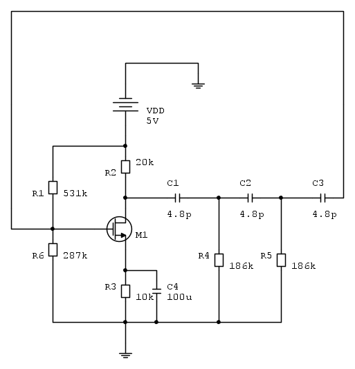
i parametri del MOS sono questi
Valiment vdd 0 5V
.model modn NMOS(Level=1 VTO=0.7 GAMMA=0.5 PHI=0.8 LD=0.08E-06 WD=0 UO=460 LAMBDA=0.04
TOX=9.5E-9 PB=0.9 CJ=0.57E-3 CJSW=120E-12 MJ=0.5 MJSW=0.4 CGDO=0.4E-9 JS=10E-9 CGBO=0.38E-
9 CGSO=0.4E-9)

il circuito deve oscillare alla frequenza di 70Khz

il procedimento che ho seguito in pratica è stato:
ho posto \[Vd=3V\], \[Id= 100\mu A\] e il parametro Kp dato dallo pspice \[Kp= 167*10^{-6}\]

ho calcolato la funzione \[A\beta \]
da cui ho ricavato
\[Im[A\beta ]= 1-4\omega ^{2}RRpC^{2}-6\omega ^{2}R^{2}C^{2}\]
dove Rp è il parallelo R2//r0, mentre R e C sono i componenti delle celle della retroazione
ho ricavato
\[\omega 0= \frac{1}{\sqrt{4RRpC^{2}+6R^{2}C^{2}}}\]

per quanto riguarda la parte reale,
\[Re[A\beta ]= gmRp\frac{R^{3}}{29R^{3}+23R^{2}Rp+4RRp^{2}}\]
Ho posto \[R=10Rp\]
e, affinchè \[Re[A\beta ]>>1\], risulta \[gmRp>>31.34\]

a questo punto ho fatto diverse prove, dando diversi valori a questo prodotto, modo da avere una \[Re[A\beta ] abbastanza elevata.
alla fine ho posto \[gmRp=70\],
ottenendo i valori che sono inseriti nello schema
ho anche rifatto i calcoli e risulta \[Re[A\beta ]=2.232\], che dovrebbe essere abbastanza per l'innesco, almeno da quello che ho visto su altre tesine simili

per quanto riguarda i parametri L e W,
ho considerato la formula \[K=Kp\frac{W}{L}\]

per cui il rapporto mi viene \[\frac{W}{L}=391\]

come valori ho preso L=1.2um e W=469.7um

lo schema rifatto è questo
Avatar utente
Foto UtenteMJ990
11 4
New entry
New entry
 
Messaggi: 53
Iscritto il: 27 giu 2012, 11:44

6
voti

[10] Re: oscillatore che non oscilla

Messaggioda Foto UtenteIsidoroKZ » 5 ago 2012, 6:01

Bisogna dire che quando ti si richiede qualcosa lo fai, tipo gli schemi con i valori...

Il motivo per cui non oscilla sono le capacita` parassite del MOS. In particolare la capacita` gate drain di sovrapposizione che viene moltiplicata per effetto Miller e uccide tutto il funzionamento.

Se guardi il parametro CGDO sono 400pF/m Il tuo MOS e` largo quasi mezzo millimetro e quindi la capacita` gate drain effettiva e` di 0.2pF (conti fatti a spanne). Lo stadio guadagna circa un fattore 70, vuol dire che la capacita` di ingresso millerata (e che va fra gate e ground) diventa di circa 14pF, molto maggiore delle capacita` della rete, di 4.8pF. A questo punto il guadagno di anello scende e non oscilla piu`.

Anche se si aumentano di un ordine di grandezza le capacita` e si riducono di un ordine di grandezza TUTTE le resistenze, e si moltiplica la corrente di drain per 10, anche W deve essere 10 volte piu` grande per mantenere costante in guadagno. W che aumenta di un ordine di grandezza fa aumentare di un ordine di grandezza la capacita` di overlapping, e si e` al punto di partenza.

Per risolvere il problema bisogna stringere il canale senza diminuire le capacita`, o viceversa aumentare le capacita` e diminuire le resistenze senza dover allargare il canale. Anche diminuento le resistenze della rete RC e aumentando le capacita`, bisogna mantenere il guadagno a livello sufficiente per avere l'oscillazione.

La cosa e` possibile perche' si ha che il guadagno necessario vale -A_v=29+23\frac{R_u}{R}+4\left ( \frac{R_u}{R}\right )^2=g_mR_u

Se si aumenta Ru si puo` scendere con la gm, che vuol dire fare il transistore piu` stretto e quindi diminuire la capacita` parassita. Ad esempio si potrebbe provare a moltiplicare di un fattore 3 la resistenza R2, ridurre dello stesso fattore la corrente di drain. Il guadagno necessario diventa allora di circa 37 volte. La corrente viene ridotta di un fattore 3, la larghezza del canale anche e si ha sempre lo stesso guadagno di prima g_mR_p=A_v che avevi imposto essere di circa 70, rispetto al valore minimo necessario di 37.

A questo punto bisogna vedere se il circuito oscilla e o si fanno i conti includendo la Cgd oppure si usa spice.

Al posto di aumentare R2 (e la resistenza di source), si possono diminuire di un fattore 3 le resistenze dell'RC e aumentare di un fattore 3 i valori delle capacita`, l'effetto e` lo stesso. Non bisogna comunque esagerare troppo con il guadagno perche' aumentarlo vuol dire aumentare W e questo fa aumentare le capacita` parassite.

In ogni caso anche con condensatori da 15pF si e` sempre a valori molto bassi, le capacita` parassite di un eventuale montaggio a discreti darebbero effetti devastanti. Non scenderei al di sotto dei 50pF-100pF in un circuito montato su stampato.

Poi bisogna mettere a posto la frequenza che a causa sempre di Cgd (e di Ru) sara` un po' minore del valore atteso, e questo e` meglio farlo riducendo il valore delle resistenze dell'RC

Probabilmente Foto Utentecarloc potrebbe fare un elegante studio del problema.

PS: salutami il professore.
Per usare proficuamente un simulatore, bisogna sapere molta più elettronica di lui
Plug it in - it works better!
Il 555 sta all'elettronica come Arduino all'informatica! (entrambi loro malgrado)
Se volete risposte rispondete a tutte le mie domande
Avatar utente
Foto UtenteIsidoroKZ
121,2k 1 3 8
G.Master EY
G.Master EY
 
Messaggi: 21059
Iscritto il: 17 ott 2009, 0:00

Prossimo

Torna a Elettronica generale

Chi c’è in linea

Visitano il forum: Nessuno e 53 ospiti