Simbolo Relè differenziale
Moderatori:
sebago,
MASSIMO-G,
lillo,
Mike
18 messaggi
• Pagina 1 di 2 • 1, 2
0
voti
Qualcuno di Voi, ho idea di come è possibile rappresentare il (simbolo) Relè differenziale da inserire in uno schema di un quadro, non sono riuscito a trovarlo...
Attendo Vs. preziosi consigli....Cordiali saluti
Attendo Vs. preziosi consigli....Cordiali saluti
1
voti
Interruttore di potenza ad apertura automatica, funzionante per corrente differenziale.
A te serve solo il simbolo del relé?
A te serve solo il simbolo del relé?
Il Conte di Montecristo
Se non studio un giorno, me ne accorgo io. Se non studio due giorni, se ne accorge il pubblico.
Io devo studiare sodo e preparare me stesso perché prima o poi verrà il mio momento.
Abraham Lincoln
Se non studio un giorno, me ne accorgo io. Se non studio due giorni, se ne accorge il pubblico.
Io devo studiare sodo e preparare me stesso perché prima o poi verrà il mio momento.
Abraham Lincoln
-

EdmondDantes
11,9k 8 11 13 - Disattivato su sua richiesta
- Messaggi: 3619
- Iscritto il: 25 lug 2009, 22:18
- Località: Marsiglia
0
voti
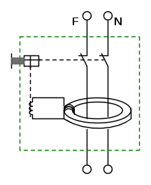
Grazie EdmondDantes, ma questo è un interruttore con il blocco differenziale sotto...
Io cercavo e volevo inserire il simbolo del relè differenziale e lo schema di collegamento della protezione di terra...
Io cercavo e volevo inserire il simbolo del relè differenziale e lo schema di collegamento della protezione di terra...
0
voti
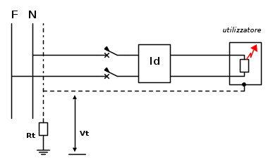
Grazie mir... e se volessi sviluppare i collegamenti della protezione di terra? con il collegamento del toroide, del pulsante per sganciatore di minima tensione per il riarmo e della tensione ausiliaria
avete esperienze in merito si accettano preziosi consigli??
avete esperienze in merito si accettano preziosi consigli??
1
voti
Ving85 ha scritto:se volessi sviluppare i collegamenti della protezione di terra? con il collegamento del toroide, del pulsante per sganciatore di minima tensione per il riarmo e della tensione ausiliaria
è uno schema che puoi trovare su ogni libro di impianti elettrici, se come ho capito ti riferisic a questo tipo di schema:
1
voti
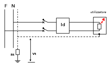
o più semplicemente così
2
voti
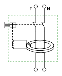
Non si dovrebbero mai usare simboli talmente dettagliati e non rispondenti nessuna norma specifica in uno "schema elettrico", casomai quel genere di rappresentazioni valgono per i manuali tecnici o i testi scolastici.
-

Ivan_Iamoni
5.336 6 10 12 - Utente disattivato per decisione dell'amministrazione proprietaria del sito
- Messaggi: 2330
- Iscritto il: 22 ott 2006, 18:45
1
voti
o così ...
1
voti
sono d'accordo con
Ivan_Iamoni, pertanto il simbolo del rettangolo con la scritta Id al suo interno credo sia quello corretto ..
OT.
bentornato
Ivan_Iamoni, era un po' che non ti si leggeva eh...?... 
OT.
bentornato
18 messaggi
• Pagina 1 di 2 • 1, 2
Torna a Impianti, sicurezza e quadristica
Chi c’è in linea
Visitano il forum: Nessuno e 67 ospiti

Elettrotecnica e non solo (admin)
Un gatto tra gli elettroni (IsidoroKZ)
Esperienza e simulazioni (g.schgor)
Moleskine di un idraulico (RenzoDF)
Il Blog di ElectroYou (webmaster)
Idee microcontrollate (TardoFreak)
PICcoli grandi PICMicro (Paolino)
Il blog elettrico di carloc (carloc)
DirtEYblooog (dirtydeeds)
Di tutto... un po' (jordan20)
AK47 (lillo)
Esperienze elettroniche (marco438)
Telecomunicazioni musicali (clavicordo)
Automazione ed Elettronica (gustavo)
Direttive per la sicurezza (ErnestoCappelletti)
EYnfo dall'Alaska (mir)
Apriamo il quadro! (attilio)
H7-25 (asdf)
Passione Elettrica (massimob)
Elettroni a spasso (guidob)
Bloguerra (guerra)






