scusate qualcuno saprebbe spiegarmi il più chiaramente possibile come si arriva alla seguente formula:
Vo=-R2/R1*E?
sto ovviamente parlando di un amplificatore operazionale a reazione negativa, come d'altronde facilmente intuibile dal titolo del Topic da me aperto...
ringrazio la cortese utenza che vorrà darmi una risposta .
SalvatoreSav
tensione in uscita di un OP-AMP a close loop
Moderatori:
carloc,
g.schgor,
BrunoValente,
IsidoroKZ
13 messaggi
• Pagina 1 di 2 • 1, 2
2
voti
Schema fidodadj cosi` lo si puo` modificare?
Per usare proficuamente un simulatore, bisogna sapere molta più elettronica di lui
Plug it in - it works better!
Il 555 sta all'elettronica come Arduino all'informatica! (entrambi loro malgrado)
Se volete risposte rispondete a tutte le mie domande
Plug it in - it works better!
Il 555 sta all'elettronica come Arduino all'informatica! (entrambi loro malgrado)
Se volete risposte rispondete a tutte le mie domande
0
voti
IsidoroKZ ha scritto:Schema fidodadj cosi` lo si puo` modificare?
spiacente ma non so usare fidocad ne so inserire uno schema nel post come possiamo fare?
-

SalvatoreSav
10 2 - Messaggi: 11
- Iscritto il: 29 set 2012, 12:28
0
voti
It's a sin to write
instead of
(Anonimo).
...'cos you know that
ain't
, right?
You won't get a sexy tan if you write
in lieu of
.
Take a log for a fireplace, but don't take
for
arithm.
instead of
(Anonimo)....'cos you know that
ain't
, right?You won't get a sexy tan if you write
in lieu of
.Take a log for a fireplace, but don't take
for
arithm.-

DirtyDeeds
55,9k 7 11 13 - G.Master EY

- Messaggi: 7012
- Iscritto il: 13 apr 2010, 16:13
- Località: Somewhere in nowhere
1
voti
Clicca su CITA per vedere come è stato allegato lo schema nel topic.
Subito sotto lo schema hai i link (o in alto a destra sotto la voce del menù Help) per scaricare e leggere con attenzione come usare Fidocad.
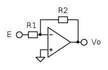
Dalla formula che hai postato in [1]

si deduce che il circuito è questo
Nel caso lo modifichi tu.
Subito sotto lo schema hai i link (o in alto a destra sotto la voce del menù Help) per scaricare e leggere con attenzione come usare Fidocad.
Dalla formula che hai postato in [1]

si deduce che il circuito è questo
Nel caso lo modifichi tu.
0
voti
Dalla formula è esatto lo schema che ha postato gohan.. un amplificatore invertente classico. La formula si trova facilmente assumendo:
- op amp ideale cioè :
Tensione al morsetto + uguale alla tensione al morsetto meno
Corrente in ingresso al morsetto + uguale a quella al morsetto meno uguale a ZERO.
Cioè quella che comunemente è chiamata massa virtuale.
Ricordando quanto detto sopra è semplice ricavare la formula:
V- (tensione al morsetto +) = V+ (tensione al morsetto -) che è a terra cioè = 0
Corrente sulla resistenza R1 scorre da E al morsetto -:

Visto che I0 non può entrare nel morsetto +, va tutta sulla resistenza R2.
Quindi la caduta su R2 è

E quindi è semplice trovare sostituendo:

- op amp ideale cioè :
Tensione al morsetto + uguale alla tensione al morsetto meno
Corrente in ingresso al morsetto + uguale a quella al morsetto meno uguale a ZERO.
Cioè quella che comunemente è chiamata massa virtuale.
Ricordando quanto detto sopra è semplice ricavare la formula:
V- (tensione al morsetto +) = V+ (tensione al morsetto -) che è a terra cioè = 0
Corrente sulla resistenza R1 scorre da E al morsetto -:

Visto che I0 non può entrare nel morsetto +, va tutta sulla resistenza R2.
Quindi la caduta su R2 è

E quindi è semplice trovare sostituendo:

0
voti
Ringrazio anzitutto Gohan per la gentile illustrazione dello schema che effettivamente è quello in esame.
Ringrazio inoltre Rayleigh per la gentile ed illuminante risposta alla mia principale domanda che mi ha schiarito definitivamente le idee riguardanti l'amplificatore operazionale invertente reazionato negativamente
I miei complimenti ad entrambi!!
Ringrazio inoltre Rayleigh per la gentile ed illuminante risposta alla mia principale domanda che mi ha schiarito definitivamente le idee riguardanti l'amplificatore operazionale invertente reazionato negativamente
I miei complimenti ad entrambi!!

-

SalvatoreSav
10 2 - Messaggi: 11
- Iscritto il: 29 set 2012, 12:28
2
voti
Rayleigh ha scritto:... che è a terra cioè = 0
Sarebbe opportuno usare una terminologia corretta, vedi qui
Per usare proficuamente un simulatore, bisogna sapere molta più elettronica di lui
Plug it in - it works better!
Il 555 sta all'elettronica come Arduino all'informatica! (entrambi loro malgrado)
Se volete risposte rispondete a tutte le mie domande
Plug it in - it works better!
Il 555 sta all'elettronica come Arduino all'informatica! (entrambi loro malgrado)
Se volete risposte rispondete a tutte le mie domande
0
voti
IsidoroKZ ha scritto:Sarebbe opportuno usare una terminologia corretta, vedi qui
Isidoro vuoi dire che si dice a massa o sbaglio, se si ti prego di farmelo notare...
-

SalvatoreSav
10 2 - Messaggi: 11
- Iscritto il: 29 set 2012, 12:28
1
voti
Hai letto il link indicato? Come posso migliorare questa frase perche' si capisca
"La massa (o telaio) e` la scatola metallica di un apparato elettrico che puo` essere toccata e che in seguito a un guasto dell'isolamento puo` andare a contatto con la tensione di rete ed essere quindi pericolosa."
"La massa (o telaio) e` la scatola metallica di un apparato elettrico che puo` essere toccata e che in seguito a un guasto dell'isolamento puo` andare a contatto con la tensione di rete ed essere quindi pericolosa."
Per usare proficuamente un simulatore, bisogna sapere molta più elettronica di lui
Plug it in - it works better!
Il 555 sta all'elettronica come Arduino all'informatica! (entrambi loro malgrado)
Se volete risposte rispondete a tutte le mie domande
Plug it in - it works better!
Il 555 sta all'elettronica come Arduino all'informatica! (entrambi loro malgrado)
Se volete risposte rispondete a tutte le mie domande
13 messaggi
• Pagina 1 di 2 • 1, 2
Chi c’è in linea
Visitano il forum: Google Adsense [Bot] e 193 ospiti

Elettrotecnica e non solo (admin)
Un gatto tra gli elettroni (IsidoroKZ)
Esperienza e simulazioni (g.schgor)
Moleskine di un idraulico (RenzoDF)
Il Blog di ElectroYou (webmaster)
Idee microcontrollate (TardoFreak)
PICcoli grandi PICMicro (Paolino)
Il blog elettrico di carloc (carloc)
DirtEYblooog (dirtydeeds)
Di tutto... un po' (jordan20)
AK47 (lillo)
Esperienze elettroniche (marco438)
Telecomunicazioni musicali (clavicordo)
Automazione ed Elettronica (gustavo)
Direttive per la sicurezza (ErnestoCappelletti)
EYnfo dall'Alaska (mir)
Apriamo il quadro! (attilio)
H7-25 (asdf)
Passione Elettrica (massimob)
Elettroni a spasso (guidob)
Bloguerra (guerra)


