Proprio come questi
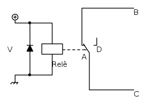
Ad esempio posso utilizzare un relè a 2 scambi come un semplice relè interruttore??? E come? dato che ci ho provato nel mio laboratorio ma non ci sono riuscito..
Grazie anticipatamente ;)
Moderatori:
dimaios,
carlomariamanenti
Marco18 ha scritto:Ad esempio posso utilizzare un relè a 2 scambi come un semplice relè interruttore??? E come?..

Marco18 ha scritto:..come si collegano i relè con lo zoccolo.
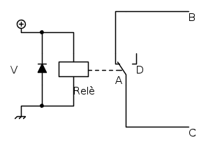
Marco18 ha scritto:Proprio come questi
MassimoB ha scritto:Marco quel che non capisco è cosa centri lo zoccolo con lo schema di utilizzo.
Quanto esposto esaudientemente damrc è applicabile a tutti i tipi di relè sia con zoccolo che non.

Marco18 ha scritto:..spero sono stato chiaro..
Marco18 ha scritto:..Vorrei sapere come collegare il relè e gli altri vari elementi (pulsanti, lampade)..in poche parole vorrei fare accendere una o più luci da uno o più pulsanti...
Marco18 ha scritto:....voglio capire come farlo con altri relè...
Marco18 ha scritto:... l' esempio però facciamolo con la lampada...
Torna a Automazione industriale ed azionamenti
Visitano il forum: Nessuno e 20 ospiti