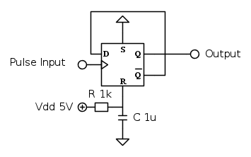
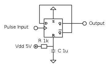
ho a disposizione 5v dc e vorrei usarli per azionare un rele come interruttore (non deviatore)
Per dare l'alimntazione di 5v al relè pero non ho un interruttore on/off(bistabile) ma ad impulso
Mi aspetterei quindi che dando i 5 volt si commuti il relè e successivamente ridando i 5v si ricommuti il relè.
Non ho ben capito alcune persone lo chiamano passo passo, altri bistabili altri ancora a impulso altri ancora latching
Potete chirirmi le idee e indicarmi alcuni relè che possano andare bene
Grazie, Tommy


Elettrotecnica e non solo (admin)
Un gatto tra gli elettroni (IsidoroKZ)
Esperienza e simulazioni (g.schgor)
Moleskine di un idraulico (RenzoDF)
Il Blog di ElectroYou (webmaster)
Idee microcontrollate (TardoFreak)
PICcoli grandi PICMicro (Paolino)
Il blog elettrico di carloc (carloc)
DirtEYblooog (dirtydeeds)
Di tutto... un po' (jordan20)
AK47 (lillo)
Esperienze elettroniche (marco438)
Telecomunicazioni musicali (clavicordo)
Automazione ed Elettronica (gustavo)
Direttive per la sicurezza (ErnestoCappelletti)
EYnfo dall'Alaska (mir)
Apriamo il quadro! (attilio)
H7-25 (asdf)
Passione Elettrica (massimob)
Elettroni a spasso (guidob)
Bloguerra (guerra)






, quale transitor collegare e come??