Salve a tutti , piacere di conoscervi, frequento ingegneria e sto preparando l'esame di fisica 2. Perdonate se il circuito non è rappresentato in maniera perfetta , ho appena scaricato il programma fidocad da voi consigliato.
Adesso il problema sembra molto semplice ma non capisco bene come procedere.
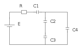
Allora i dati del problema sono tutti i condensatori e la resistenza che adesso denoto con R1.
Mi chiede la energia elettrostatica nel condensatore affianco la resistenza.
Adesso , sicuramente sbagliando , procedo in questo modo :
q = C*E => U=(1/2)Q^2/C ma purtroppo il risultato non è corretto.
Grazie per l'aiuto e perdonatemi per le varie imperfezioni!
http://postimage.org/image/ch0bfd1ph
Scusate ma come si invia come allegato se non accetta estensioni .bmp o .fcd ?
Grazie per l'aiuto!
CIRCUITO RC
Moderatori:
g.schgor,
IsidoroKZ
18 messaggi
• Pagina 1 di 2 • 1, 2
0
voti
[2] Re: CIRCUITO RC
Emilio93 ha scritto:[..]
Scusate ma come si invia come allegato se non accetta estensioni .bmp o .fcd ?
Schemi elettrici
Allegati
-2
voti
[3] Re: CIRCUITO RC
Ciao ,
Spero di esserti utile..Potresti provare ad applicare questa formula : U = 1/2 x q^/C = 1/2 x CV^
Spero di esserti utile..Potresti provare ad applicare questa formula : U = 1/2 x q^/C = 1/2 x CV^
0
voti
[7] Re: CIRCUITO RC
Procedendo come dici non viene corretto il risultato , allora do i dati :
c1 = 4*10^-6 F , c2= 2 * 10^-6 F , c3 = 6 * 10^-6 F , c4 = 2,5*10^-6 F
E= 100 V , R=20*10^3 ohm.
Seguendo il tuo ragionamento viene U = 5*10^-5 J , mentre il risultato è 5*10^-3 J , spero di non aver fatto errori di calcoli . Inoltre il problema chiede pure l'energia elettrostatica in C3 . Grazie per l'aiuto
c1 = 4*10^-6 F , c2= 2 * 10^-6 F , c3 = 6 * 10^-6 F , c4 = 2,5*10^-6 F
E= 100 V , R=20*10^3 ohm.
Seguendo il tuo ragionamento viene U = 5*10^-5 J , mentre il risultato è 5*10^-3 J , spero di non aver fatto errori di calcoli . Inoltre il problema chiede pure l'energia elettrostatica in C3 . Grazie per l'aiuto
0
voti
[8] Re: CIRCUITO RC
Perdonatemi , pensavo di averlo scritto ma invece no. Per questo avete fatto i calcoli con tutti i condensatori! Il circuito è a regime stazionario
18 messaggi
• Pagina 1 di 2 • 1, 2
Torna a Elettrotecnica generale
Chi c’è in linea
Visitano il forum: Nessuno e 118 ospiti

Elettrotecnica e non solo (admin)
Un gatto tra gli elettroni (IsidoroKZ)
Esperienza e simulazioni (g.schgor)
Moleskine di un idraulico (RenzoDF)
Il Blog di ElectroYou (webmaster)
Idee microcontrollate (TardoFreak)
PICcoli grandi PICMicro (Paolino)
Il blog elettrico di carloc (carloc)
DirtEYblooog (dirtydeeds)
Di tutto... un po' (jordan20)
AK47 (lillo)
Esperienze elettroniche (marco438)
Telecomunicazioni musicali (clavicordo)
Automazione ed Elettronica (gustavo)
Direttive per la sicurezza (ErnestoCappelletti)
EYnfo dall'Alaska (mir)
Apriamo il quadro! (attilio)
H7-25 (asdf)
Passione Elettrica (massimob)
Elettroni a spasso (guidob)
Bloguerra (guerra)




![\[\begin{array}{l}
{C_{23}} = \frac{{{C_2}{C_3}}}{{{C_2} + {C_3}}}\\
{C_{234}} = {C_{23}} + {C_4}\\
\\
{U_1} = E\frac{{{C_{234}}}}{{{C_{234}} + {C_1}}}\\
\\
{W_{{C_1}}} = \frac{1}{2}{C_1}U_1^2
\end{array}\] \[\begin{array}{l}
{C_{23}} = \frac{{{C_2}{C_3}}}{{{C_2} + {C_3}}}\\
{C_{234}} = {C_{23}} + {C_4}\\
\\
{U_1} = E\frac{{{C_{234}}}}{{{C_{234}} + {C_1}}}\\
\\
{W_{{C_1}}} = \frac{1}{2}{C_1}U_1^2
\end{array}\]](/forum/latexrender/pictures/a1cc26abd0de6ea91dcf900b8ff7b8d1.png)