Salve a tutti,
recentemente ho finito di studiare le basi dell’amplificazione (stadi classe A, polarizzazione, adattamenti di impedenza ingresso/uscita, punto i lavoro dei BJT, massima dinamica, etc.). Ho disegnato uno stadio veramente basilare in classe A (vedi figura poco piu' sotto). L’ho anche simulato nel simulatore di un amico (io ancora non lo posseggo; mi e’ stato suggerito LTSpice in un altro topic) con successo. In generale ne ho capito i principi di base tipo: come scegliere la Vce, perche’ Ve deve essere piccola, come scegliere RC, e via dicendo. Ovviamente per pilotare alte correnti (per degli speaker 8 ohm, 10 W ad esempio) questo non basta.
https://www.dropbox.com/s/82kdxtvxfrbluvf/ClassA_PreAmp.png
Ho quindi letto le parti riguardanti l’amplificazione in classe B e AB. Anche qui credo (o forse devo dire spero) di aver capito la teoria. Bisogna dire che testi con Sedra/Smith, Donald A. Neamen, M. Rashid non si sbottonano piu’ di tanto per quanto riguarda esempi concreti nei rispettivi capitoli dell’amplificazione di potenza, quanto fanno invece per i capitoli iniziali su BJT e Amplificatori di tensione (il Sedra ha decine di pagine di esercizi). Quindi senza molti casi pratici da risolvere, poi la teoria e’ difficile da digerire a fondo.
https://www.dropbox.com/s/a9kuwtot0wvemqf/AB_a.png
https://www.dropbox.com/s/z26vjnxnondmelk/AB_b.png
Nel secondo schema ho fatto un errore (Re1 e Re2 posso essere ridotte ad un unico resistore).
Ho tentato di simulare con simulatore del mio amico/collega (credo MicroCap) un push-pull. Quando vado ad accoppiare gli stadi, il classe A ad esempio della prima figura con lo stadio push-pull della seconda o terza figura, il simulatore fa emergere le magagne: clipping, distorsioni che non capisco bene, addirittura a volte la simulazione “non converge”; non ho ancora enorme dimestichezza con gli stadi di potenza e non so dire esattamente di cosa non funziona esattamente perche’ appunto non uso ancora un simulatore; non appena saro’ indipendente con un mio software potro’ riportare con piu’ esattezza i problemi che vengono fuori.
In sostanza e’ chiaro che le mie conoscenze sono a blocchi e mi manca la visione di insieme. Quindi volevo chiedere aiuto alle persone esperte del forum; magari un suggerimento, un piccolo consiglio, un URL potrebbero farmi capire cosa sbaglio o dove ho eventuali lacune (sicuramente e’ cosi) da colmare.
Appena ho il simulatore, posso postare degli schemi reali e descrivere cosa succede; nel frattempo se qualche anima altruista volesse aiutarmi a fare ordine nelle idee ne sarei grato :)
Mi scuso per la noiosa lungaggine.
Amplificatore Potenza con Stadio AB
Moderatori:
carloc,
g.schgor,
BrunoValente,
IsidoroKZ
18 messaggi
• Pagina 1 di 2 • 1, 2
0
voti
Fai gli schemi con fidocad e metti i valori dei componenti nello schema, altrimenti non si puo` dire nulla in proposito.
Per usare proficuamente un simulatore, bisogna sapere molta più elettronica di lui
Plug it in - it works better!
Il 555 sta all'elettronica come Arduino all'informatica! (entrambi loro malgrado)
Se volete risposte rispondete a tutte le mie domande
Plug it in - it works better!
Il 555 sta all'elettronica come Arduino all'informatica! (entrambi loro malgrado)
Se volete risposte rispondete a tutte le mie domande
0
voti
Ciao
Federico80.
Le immagini allegate utilizzando server esterni non sono ammesse.
Leggi le regole del forum.
Come ti ha già spiegato
IsidoroKZ.
Devi postare gli schemi elettrici, direttamente nei post. (se non sono troppo complicati, come i tuoi ) usando FIDOCADJ.
Al seguente link trovi una guida all' uso:
http://www.electroyou.it/elettrodomus/w ... -per-tonni
Le immagini allegate utilizzando server esterni non sono ammesse.
Leggi le regole del forum.
Come ti ha già spiegato
Devi postare gli schemi elettrici, direttamente nei post. (se non sono troppo complicati, come i tuoi ) usando FIDOCADJ.
Al seguente link trovi una guida all' uso:
http://www.electroyou.it/elettrodomus/w ... -per-tonni
0
voti
grazie mille. Mi scuso per gli url esterni. Provvedo quanto prima a postare gli schemi con FidoCad.
-

Federico80
30 5 - New entry

- Messaggi: 54
- Iscritto il: 16 gen 2013, 11:33
- Località: Padova
0
voti
E metti i valori o le sigle dei componenti sullo schema! Inclusi i valori delle tensioni di alimentazione.
Per usare proficuamente un simulatore, bisogna sapere molta più elettronica di lui
Plug it in - it works better!
Il 555 sta all'elettronica come Arduino all'informatica! (entrambi loro malgrado)
Se volete risposte rispondete a tutte le mie domande
Plug it in - it works better!
Il 555 sta all'elettronica come Arduino all'informatica! (entrambi loro malgrado)
Se volete risposte rispondete a tutte le mie domande
0
voti
IsidoroKZ ha scritto:E metti i valori o le sigle dei componenti sullo schema! Inclusi i valori delle tensioni di alimentazione.
sicuramente. Non l'ho fatto perche' pensavo che forse gia' si poteva criticare la topologia del circuito per eventuali errori concettuali. Ho scaricato e installato FidoCadJ e per sera penso di caricare lo schema completo in questo thread. Scusate per l'inesperienza, ma e' il primo giorno nel forum... cerchero' di non fare altri errori e di leggere con piu' calma la guida d'uso del forum
-

Federico80
30 5 - New entry

- Messaggi: 54
- Iscritto il: 16 gen 2013, 11:33
- Località: Padova
0
voti
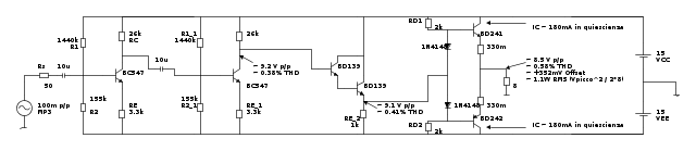
Eccomi con lo schema. Non è quello originario che mi da problemi, ma uno più semplice che pare funzionare (sempre al simulatore del mio amico), sul quale avrei comunque qualche domanda. Successivamente quando avrò avrò il simulatore installato sul mio PC potrò controllare bene anche lo schema più complesso.
Vorrei capire come ridurre praticamente l'alta corrente di riposo nei due finali (indicata nello schema fidocad).
Volendo innalzare la potenza utile sul carico da 8 ohm dal valore attuale piuttosto basso ad un valore di almeno 5W è necessario rivedere quali parti dello stadio di potenza ? Vorrei riuscire ad ottenere i 5W con i componenti che ho a disposizione: BD139/140, BD911/912, darlington BDX53C/54C, Tip120/125, BD241/242.
Grazie anticipatamente.
Vorrei capire come ridurre praticamente l'alta corrente di riposo nei due finali (indicata nello schema fidocad).
Volendo innalzare la potenza utile sul carico da 8 ohm dal valore attuale piuttosto basso ad un valore di almeno 5W è necessario rivedere quali parti dello stadio di potenza ? Vorrei riuscire ad ottenere i 5W con i componenti che ho a disposizione: BD139/140, BD911/912, darlington BDX53C/54C, Tip120/125, BD241/242.
Grazie anticipatamente.
-

Federico80
30 5 - New entry

- Messaggi: 54
- Iscritto il: 16 gen 2013, 11:33
- Località: Padova
3
voti
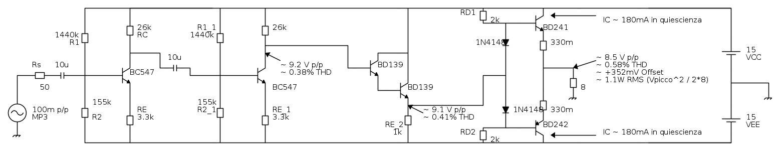
Qualche osservazione sparsa. Le resistenze di polarizzazione delle basi dei primi due transistori mi sembrano un po' troppo elevate, ho l'impressione che la corrente dei transistori dipenda un po' troppo dal guadagno di corrente: prova a vedere questo articolo e a valutare le sensitivities rispetto al guadagno di corrente del transistore.
Inoltre quando si va dal primo stadio verso l'uscita e` opportuno abbassare i livelli di impedenza, sia per avere piu` corrente per pilotare gli stadi verso il carico sia per evitare gli effetti delle capacita` parassite che con segnali piu` ampi potrebbero drenare corrente dai nodi (effetto molto teorico). Poi
Piercarlo ti puo` dire un'altra mezza dozzina almeno di ragioni.
L'alimentazione del circuito e` di +/-15V, la tensione di ingresso +/-50mV e quindi in prima battuta il guadagno potrebbe arrivare dalle parti di 300 volte (un po' di meno perche' la dinamica di uscita non arriva di certo a +/-15V). I primi due stadi guadagnano al massimo -26kΩ/3.3kΩ=-7.9 ciascuno, poi ci sono due collettori comuni con guadagno minore di 1.
Sarebbe opportuno alzare un po' il guadagno del primo stadio (o dei primi due stadi). Un modo per aumetare il guadagno senza cambiare la stabilita` della polarizzazione e` ad esempio questo, in cui si suddivide la resistenza di emettitore e se ne bypassa solo una parte. Ovviamente la distorsione aumenta
Non ho verificato la dinamica, anche perche' va fatto mentre si mettono a posto i partitori di base. Inoltre anche l'accoppiamento con tanti condensatori potrebbe essere ripensato, ma questa e` la soluzione piu` semplice.
Anche il Darlington con due transistori uguali non mi piace molto, e probabilmente non serve neanche tutto quel guadagno di corrente, ma non ho fatto i conti.
La corrente a riposo dipende dalle aree dei diodi e dei transistori finali, c'e` poco da fare con quello schema. L'unica cosa che si puo` fare e` aumentare un po' le resistenze di emettitore dei finali
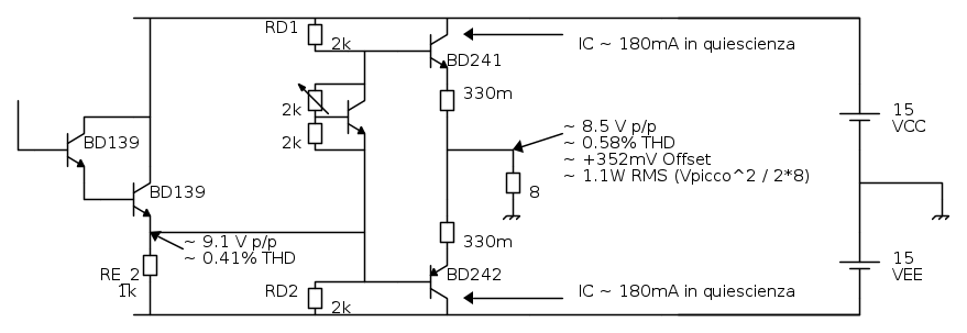
Si puo` invece usare un moltiplicatore di VBE in modo che regolando la resistenza indicata si possa fissare la corrente a riposo. Nella realta` poi sia i diodi che il moltiplicatore di VBE devono essere termicamente accoppiati ai finali
COmincia a digerire questa roba, poi passiamo ai conti seri.
Inoltre quando si va dal primo stadio verso l'uscita e` opportuno abbassare i livelli di impedenza, sia per avere piu` corrente per pilotare gli stadi verso il carico sia per evitare gli effetti delle capacita` parassite che con segnali piu` ampi potrebbero drenare corrente dai nodi (effetto molto teorico). Poi
L'alimentazione del circuito e` di +/-15V, la tensione di ingresso +/-50mV e quindi in prima battuta il guadagno potrebbe arrivare dalle parti di 300 volte (un po' di meno perche' la dinamica di uscita non arriva di certo a +/-15V). I primi due stadi guadagnano al massimo -26kΩ/3.3kΩ=-7.9 ciascuno, poi ci sono due collettori comuni con guadagno minore di 1.
Sarebbe opportuno alzare un po' il guadagno del primo stadio (o dei primi due stadi). Un modo per aumetare il guadagno senza cambiare la stabilita` della polarizzazione e` ad esempio questo, in cui si suddivide la resistenza di emettitore e se ne bypassa solo una parte. Ovviamente la distorsione aumenta
Non ho verificato la dinamica, anche perche' va fatto mentre si mettono a posto i partitori di base. Inoltre anche l'accoppiamento con tanti condensatori potrebbe essere ripensato, ma questa e` la soluzione piu` semplice.
Anche il Darlington con due transistori uguali non mi piace molto, e probabilmente non serve neanche tutto quel guadagno di corrente, ma non ho fatto i conti.
La corrente a riposo dipende dalle aree dei diodi e dei transistori finali, c'e` poco da fare con quello schema. L'unica cosa che si puo` fare e` aumentare un po' le resistenze di emettitore dei finali
Si puo` invece usare un moltiplicatore di VBE in modo che regolando la resistenza indicata si possa fissare la corrente a riposo. Nella realta` poi sia i diodi che il moltiplicatore di VBE devono essere termicamente accoppiati ai finali
COmincia a digerire questa roba, poi passiamo ai conti seri.
Per usare proficuamente un simulatore, bisogna sapere molta più elettronica di lui
Plug it in - it works better!
Il 555 sta all'elettronica come Arduino all'informatica! (entrambi loro malgrado)
Se volete risposte rispondete a tutte le mie domande
Plug it in - it works better!
Il 555 sta all'elettronica come Arduino all'informatica! (entrambi loro malgrado)
Se volete risposte rispondete a tutte le mie domande
0
voti
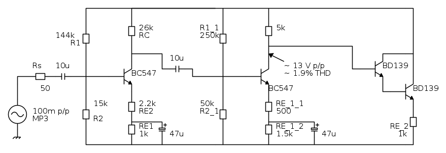
Grazie mille IsidoroKZ; ho provato a rivedere la polarizzazione di base per i primi 2 stadi e ad abbassare l'impedenza di uscita. Lavorare in classe A è tutto un compromesso: ho aumentato la dinamica di quasi 4 volt pippo-picco, ma anche il THD al valore di quasi il 2% (che da quanto ho letto in giro è vicino al valore massimo tollerabile del 5% per un amplificatore non di alta fedeltà; spero di non aver letto cavolate). Ecco la schema dei primi 3 stadi:
Mi sono permesso di aumentare il valore del bypass a 47u (per la regola della frequenza di taglio del passa basso
che se ho fatto i conti giusti ora dovrebbe stare attorno a 3.3 Hz. Ha senso questa cosa secondo te ?
Ottimo articolo. Ho cercato di rispettare un po la regola
. Tra l'altro con i condensatori di by-pass la
da considerare in AC non è quella totale ma solo quella non by-passata e quindi è ancora più complicato dimensionare il partitore R1/R2. Ho l'impressione che sarebbe necessario ancora un altro stadio di guadagno common emitter. Cosa ne pensi ?
Ok, e questo ho cercato di applicarlo. Come detto sopra forse con un altro stadio verrebbe più facile. O non servirebbe a nulla ?
esattamente cosa intendi ? dovrei accoppiare i primi due stadi senza condensatore (ma non si interferirebbe con la polarizzazione a riposo in DC ?).
Ho usato il darlington frettolosamente... effettivamente con 1k all'emettitore forse ne basta uno solo di bd139 per aumentare l'imped. d'ingresso: se non sbaglio
considerando il valore che ho misurato su uno dei miei bd139 col tester di hFE.
Intendi che il mio schema per il finale di potenza non è corretto o intendi proprio che quel tipo di topologia in generale non va bene? Quali altre topologie ci sono per migliorare lo schema ?
Ok, conoscevo il moltiplicatore di VBE, ma non ci ho proprio pensato. Intanto ho installato LTSpice e vedo di cominciare a simulare per bene sul mio PC senza mandare lo schema al mio amico ogni volta
Molto volentieri
Intanto torno sul testo e mi leggo per bene il molt. di VBE. Ti sarei grato se mi suggerissi qualche altra topologia di finale, e/o mi indicassi qualche link interessante come l'articolo sulla sensitivity ma riguardante lo stadio di potenza.
grazie mille per la disponibilità e per la competenza che mi hai messo a disposizione.
Mi sono permesso di aumentare il valore del bypass a 47u (per la regola della frequenza di taglio del passa basso
che se ho fatto i conti giusti ora dovrebbe stare attorno a 3.3 Hz. Ha senso questa cosa secondo te ?IsidoroKZ ha scritto:Qualche osservazione sparsa. Le resistenze di polarizzazione delle basi dei primi due transistori mi sembrano un po' troppo elevate, ho l'impressione che la corrente dei transistori dipenda un po' troppo dal guadagno di corrente: prova a vedere questo articolo e a valutare le sensitivities rispetto al guadagno di corrente del transistore.
Ottimo articolo. Ho cercato di rispettare un po la regola
. Tra l'altro con i condensatori di by-pass la
da considerare in AC non è quella totale ma solo quella non by-passata e quindi è ancora più complicato dimensionare il partitore R1/R2. Ho l'impressione che sarebbe necessario ancora un altro stadio di guadagno common emitter. Cosa ne pensi ?IsidoroKZ ha scritto:Inoltre quando si va dal primo stadio verso l'uscita e` opportuno abbassare i livelli di impedenza, sia per avere piu` corrente per pilotare gli stadi verso il carico sia per evitare gli effetti delle capacita` parassite che con segnali piu` ampi potrebbero drenare corrente dai nodi (effetto molto teorico). PoiPiercarlo ti puo` dire un'altra mezza dozzina almeno di ragioni.
Ok, e questo ho cercato di applicarlo. Come detto sopra forse con un altro stadio verrebbe più facile. O non servirebbe a nulla ?
IsidoroKZ ha scritto:Non ho verificato la dinamica, anche perche' va fatto mentre si mettono a posto i partitori di base. Inoltre anche l'accoppiamento con tanti condensatori potrebbe essere ripensato, ma questa e` la soluzione piu` semplice.
esattamente cosa intendi ? dovrei accoppiare i primi due stadi senza condensatore (ma non si interferirebbe con la polarizzazione a riposo in DC ?).
IsidoroKZ ha scritto:Anche il Darlington con due transistori uguali non mi piace molto, e probabilmente non serve neanche tutto quel guadagno di corrente, ma non ho fatto i conti.
Ho usato il darlington frettolosamente... effettivamente con 1k all'emettitore forse ne basta uno solo di bd139 per aumentare l'imped. d'ingresso: se non sbaglio
considerando il valore che ho misurato su uno dei miei bd139 col tester di hFE.IsidoroKZ ha scritto:La corrente a riposo dipende dalle aree dei diodi e dei transistori finali, c'e` poco da fare con quello schema. L'unica cosa che si puo` fare e` aumentare un po' le resistenze di emettitore dei finali
Intendi che il mio schema per il finale di potenza non è corretto o intendi proprio che quel tipo di topologia in generale non va bene? Quali altre topologie ci sono per migliorare lo schema ?
IsidoroKZ ha scritto:Si puo` invece usare un moltiplicatore di VBE in modo che regolando la resistenza indicata si possa fissare la corrente a riposo. Nella realta` poi sia i diodi che il moltiplicatore di VBE devono essere termicamente accoppiati ai finali
Ok, conoscevo il moltiplicatore di VBE, ma non ci ho proprio pensato. Intanto ho installato LTSpice e vedo di cominciare a simulare per bene sul mio PC senza mandare lo schema al mio amico ogni volta
IsidoroKZ ha scritto:COmincia a digerire questa roba, poi passiamo ai conti seri.
Molto volentieri
grazie mille per la disponibilità e per la competenza che mi hai messo a disposizione.
-

Federico80
30 5 - New entry

- Messaggi: 54
- Iscritto il: 16 gen 2013, 11:33
- Località: Padova
2
voti
Non mi tornano i guadagni che indichi, sono un po' troppo alti. la frequenza di taglio inferiore del primo stado e` di circa 5Hz, supposto che il condensatore di ingresso non interferisca troppo. Quella del secondo stadio e` piu` alta, circa 9Hz, sempre che il condensatore di accoppiamento non faccia casini.
La regola
da` lo zero, non il polo, quindi essenzialmente e` sbagliata, e si applica solo in qualche circuito, non in questi :)
Il partitore R1/R2 per la polarizzazione vede tutta la resistenza di emettitore, non solo quella non bypassata e in AC quella sensitivity non serve. Del beta dei transistori meglio non fidarsi, varia con punto di funzionamento, temperatura e da come e` venuto il transistore.
Se si accoppiano in continua i vari stadi certamente la polarizzazione viene piu` incasinata, ma il circuito e` piu` semplice (ma meno didattico) e poi va a finire che bisogna mettere una retroazione globale.
La resistenza da 1kΩ sull'emettitore del Darlington serve? Secondo me no, ci sono quelle di polarizzazione dei finali.
Per studiare come vanno questi amplificatori audio posso suggerirti di guardare i libri della Biblioteca di EY, c'e` una sezione dedicata all'audio con indicazioni di alcuni libri.
Monta LT spice, qui abbiamo uno dei mostri sacri dell'uso di LTspice,
RenzoDF che ti potra` aiutare a usare il programma, ma l'elettronica devi ripassarla tu :)
Che cosa stai studiando? A che livello sei di elettronica (e matematica)? Serve per calibrare le risposte, altrimenti potrei anche tirare fuori una trasformata di Hilbert parlando della funzione di trasferimento di un sistema a fase minima :)
La regola
da` lo zero, non il polo, quindi essenzialmente e` sbagliata, e si applica solo in qualche circuito, non in questi :)Il partitore R1/R2 per la polarizzazione vede tutta la resistenza di emettitore, non solo quella non bypassata e in AC quella sensitivity non serve. Del beta dei transistori meglio non fidarsi, varia con punto di funzionamento, temperatura e da come e` venuto il transistore.
Se si accoppiano in continua i vari stadi certamente la polarizzazione viene piu` incasinata, ma il circuito e` piu` semplice (ma meno didattico) e poi va a finire che bisogna mettere una retroazione globale.
La resistenza da 1kΩ sull'emettitore del Darlington serve? Secondo me no, ci sono quelle di polarizzazione dei finali.
Per studiare come vanno questi amplificatori audio posso suggerirti di guardare i libri della Biblioteca di EY, c'e` una sezione dedicata all'audio con indicazioni di alcuni libri.
Monta LT spice, qui abbiamo uno dei mostri sacri dell'uso di LTspice,
Che cosa stai studiando? A che livello sei di elettronica (e matematica)? Serve per calibrare le risposte, altrimenti potrei anche tirare fuori una trasformata di Hilbert parlando della funzione di trasferimento di un sistema a fase minima :)
Per usare proficuamente un simulatore, bisogna sapere molta più elettronica di lui
Plug it in - it works better!
Il 555 sta all'elettronica come Arduino all'informatica! (entrambi loro malgrado)
Se volete risposte rispondete a tutte le mie domande
Plug it in - it works better!
Il 555 sta all'elettronica come Arduino all'informatica! (entrambi loro malgrado)
Se volete risposte rispondete a tutte le mie domande
18 messaggi
• Pagina 1 di 2 • 1, 2
Chi c’è in linea
Visitano il forum: Nessuno e 179 ospiti

Elettrotecnica e non solo (admin)
Un gatto tra gli elettroni (IsidoroKZ)
Esperienza e simulazioni (g.schgor)
Moleskine di un idraulico (RenzoDF)
Il Blog di ElectroYou (webmaster)
Idee microcontrollate (TardoFreak)
PICcoli grandi PICMicro (Paolino)
Il blog elettrico di carloc (carloc)
DirtEYblooog (dirtydeeds)
Di tutto... un po' (jordan20)
AK47 (lillo)
Esperienze elettroniche (marco438)
Telecomunicazioni musicali (clavicordo)
Automazione ed Elettronica (gustavo)
Direttive per la sicurezza (ErnestoCappelletti)
EYnfo dall'Alaska (mir)
Apriamo il quadro! (attilio)
H7-25 (asdf)
Passione Elettrica (massimob)
Elettroni a spasso (guidob)
Bloguerra (guerra)






