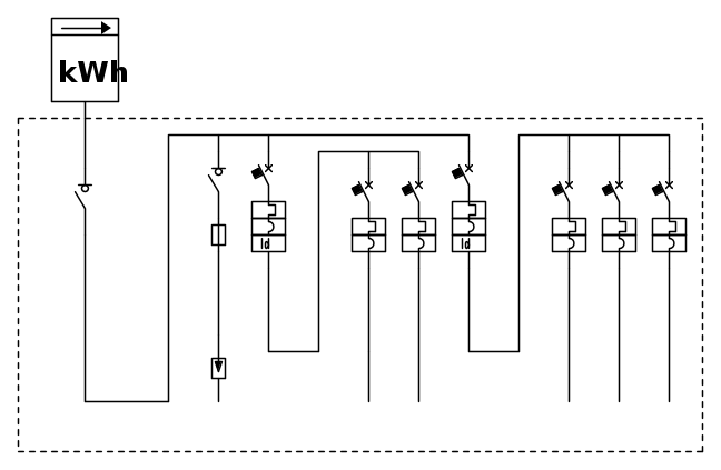
Buonasera, vorrei sapere se lo schema (sottoriportato) realizzato per il QEG in una unità abitativa, è normativamente corretto tenendo conto che:
- la distanza dal contatore al quadro in questione è inferiore a 3 metri
- il quadro e in materiale isolante
- gli interruttori magn. diff. hanno una Idn = 0,03 A
- lo scaricatore è del tipo 1+1
Grazie
Schema elettrico abitazione
Moderatori:
sebago,
MASSIMO-G,
lillo,
Mike
13 messaggi
• Pagina 1 di 2 • 1, 2
0
voti
Perdonami ma dire se è giusto uno schema senza dati dei componenti e delle linee mi sembra alquanto improbabile.
Così non mi dice nulla
Così non mi dice nulla
MCSA Windows Server 2012 R2
Cisco CCNA R&S - Cisco CCNA Security - Cisco CCNA Cyber Ops
CompTia A+ - CompTia Linux+ - CompTIA Systems Support Specialist CSSS
CompTia Pentest+ LPIC-1 - VCP VMware - Cisco CCNP Enterprise
Cisco CCNA R&S - Cisco CCNA Security - Cisco CCNA Cyber Ops
CompTia A+ - CompTia Linux+ - CompTIA Systems Support Specialist CSSS
CompTia Pentest+ LPIC-1 - VCP VMware - Cisco CCNP Enterprise
0
voti
Ok, ma volevo solo sapere se è corretto dal punto di vista dei contatti indiretti e della protezione dal corto circuito del montante.
Ovviamente non chiedevo consigli sulle varie linee in uscita.
Quale dato potrebbe mancare per vedere se è protetto contro contatti indiretti e c.to c.to ?
Grazie
Ovviamente non chiedevo consigli sulle varie linee in uscita.
Quale dato potrebbe mancare per vedere se è protetto contro contatti indiretti e c.to c.to ?
Grazie

0
voti
gjkfriend ha scritto:Quale dato potrebbe mancare per vedere se è protetto contro contatti indiretti e c.to c.to ?
Grazie
Ad esempio come è realizzata la linea tra contatore e quadro (tipo di posa, tipo di cavo)...
-

Giovepluvio
5.978 3 6 10 - G.Master EY

- Messaggi: 2947
- Iscritto il: 21 dic 2010, 1:10
- Località: Mantova
0
voti
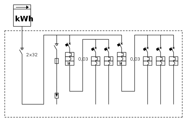
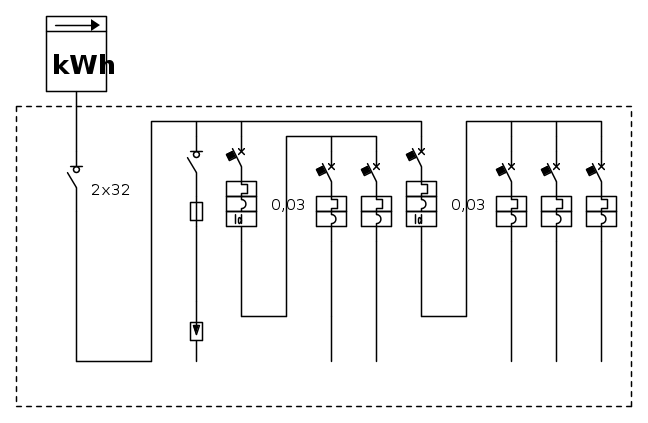
Concettualmente lo schema può andare. Bisognerebbe verificare i valori dei dispositivi di protezione per darti la risposta definitiva.
-

Giovepluvio
5.978 3 6 10 - G.Master EY

- Messaggi: 2947
- Iscritto il: 21 dic 2010, 1:10
- Località: Mantova
0
voti
Con differenziali ad alta sensibilità sei garantito anche nel caso che la resistenza di terra sia molto elevata. Direi quindi che da questo punto di vista sei a posto anche senza ulteriori dati.
Per quanto riguarda il corto circuito bisognerebbe valutare il coordinamento delle protezioni con l'energia passante massima sopportata dal cavo. Bisognerebbe quindi sapere anche che tipo di cavo vuoi utilizzare...
La prossima volta facciamo prima se inserisci tutti i dati sin dall'inizio.
Per quanto riguarda il corto circuito bisognerebbe valutare il coordinamento delle protezioni con l'energia passante massima sopportata dal cavo. Bisognerebbe quindi sapere anche che tipo di cavo vuoi utilizzare...
La prossima volta facciamo prima se inserisci tutti i dati sin dall'inizio.
-

Giovepluvio
5.978 3 6 10 - G.Master EY

- Messaggi: 2947
- Iscritto il: 21 dic 2010, 1:10
- Località: Mantova
13 messaggi
• Pagina 1 di 2 • 1, 2
Torna a Impianti, sicurezza e quadristica
Chi c’è in linea
Visitano il forum: Nessuno e 52 ospiti

Elettrotecnica e non solo (admin)
Un gatto tra gli elettroni (IsidoroKZ)
Esperienza e simulazioni (g.schgor)
Moleskine di un idraulico (RenzoDF)
Il Blog di ElectroYou (webmaster)
Idee microcontrollate (TardoFreak)
PICcoli grandi PICMicro (Paolino)
Il blog elettrico di carloc (carloc)
DirtEYblooog (dirtydeeds)
Di tutto... un po' (jordan20)
AK47 (lillo)
Esperienze elettroniche (marco438)
Telecomunicazioni musicali (clavicordo)
Automazione ed Elettronica (gustavo)
Direttive per la sicurezza (ErnestoCappelletti)
EYnfo dall'Alaska (mir)
Apriamo il quadro! (attilio)
H7-25 (asdf)
Passione Elettrica (massimob)
Elettroni a spasso (guidob)
Bloguerra (guerra)





